Fórum témák

» Több friss téma
Fórum » 12 V-ból 230 V
 
Témaindító: scooby_, idő: Okt 3, 2007
Témakörök:
Lapozás: OK   3 / 4
(#) Tiggey hozzászólása Jan 27, 2008 /
 
Sziasztok. Eldöntendő a kérdés, hogy csak hobbi célra, vagy tényleges használatra kell az inverter. Jelen inverterek 50hz-s trafóval készülnek. Annak mérete. ára nem kevés, + az áramkör. Ezzel a rendszerrel egy 100w-os stabil invertert összehozni nemkevés pénz. Védelemről még nem is volt szó, ahogy itt végigolvasgattam a témát, pedig egy ijen szerkezetnél ildomos. Akár az akksi, az inverter, és a rákapcsolt fogyasztó érdekében. Ha nem elsősorban hobbiból, hanem tényleges használatra kell valakinek a szerkezet, inkább nézzen szét nagyobb autós, kamionos boltban! 12/230V 300W-os inverter 10/12ezer Ft. Tuti 50Hz, kimeneti rövidzárvédelem, túláramvédelem, túlmelegedés elleni védelem, akku kisülési védelem, 2szeres start teljesítmény. Méretileg kicsi, nincs egy kiló!
(#) Pafi válasza Vtamas hozzászólására (») Jan 28, 2008 /
 
Ha eleve 12 V-os volt, akkor nem. Egyébként meg annak nem kell szinusz, elmegy négyszöggel is.
(#) Vtamas válasza Pafi hozzászólására (») Jan 28, 2008 /
 
Bocs rosszul fogalmaztam 220 -as hütő 12 -ről. (Inverter nélkül)
(#) scooby_ hozzászólása Feb 2, 2008 /
 
Sziasztok!

Nagy gondban vagyok, ugyan is nyákmaratáshoz kéne nekem AC áramkör!

Nekem csak DC áramköröm van hogyan tudnám megoldani azt,hogy DC->AC-t?(nyákmaratás stb. nélkül)
(#) potyo válasza scooby_ hozzászólására (») Feb 2, 2008 /
 
Nem vágom, minek nyákmaratáshos áram egyáltalán, nem hogy még az körbe is menjen...
(#) scooby_ válasza potyo hozzászólására (») Feb 3, 2008 /
 
Hello!

most kemtem egy nem rossz ötletet:"Mindenképpen egyenáram kell a maratáshoz. Először is veszel egy üvegtálat, abba teszel vizet és annyi sót oldasz fel benne amennyit a víz felbír oldani. Ha ez megvan akkor a táp pozitív végét rákötöd a nyákra, a negatív végét pedig egy nagyobb grafitrúdra. Ezután a nyákot beleteszed a sós vízbe bekapcsolod a tápot (és remélem jól írtam le mindent) elkezdi marni a nyákot. Ha csak erősen pezseg és nem marja akkor fordítsd meg a táp két végét, mert már nem emlékszem pontosan, hogy kell rákötni. Ja és vagy 3 A-t bírjon a táp, mert eléggé sokat vesz fel!"
(#) Pafi válasza scooby_ hozzászólására (») Feb 3, 2008 /
 
Az egyenáram az a DC! Na most akkor gondold újra, hogy mid is van neked, és mit szeretnél csinálni belőle!

Egyébként meg egy elektrotechnikai feladatot úgy kell megfogalmazni, hogy megadod az ismert áramokat és feszültségeket! Az, hogy AC, meg DC, az nem elég, pláne ha még ezt is hibásan adod meg!
(#) scooby_ hozzászólása Feb 3, 2008 /
 
Nekem 30V-van egy nyomtatóból kiszedett táp...

Azt írja AC ADAPTER(220-240V~50/60HZ 1.0A)

output 30V 0.4A

Mostmár én belekavarodtam

Most az AC az egynáram vagy a DC,mart akkor a gyerek tudhatja rosszul (Azt írja hogy az apja annó 220v~ csinálta...) Az egyen áram az AC nem?
(#) Kovidivi válasza scooby_ hozzászólására (») Feb 4, 2008 /
 
AC-váltó
DC-egyen
(#) Loncos hozzászólása Feb 5, 2008 /
 
Tudna valaki segíteni abban hogy lehetne 12VDC ből KB.30-40VAC-t csnálni?
(#) Sebi válasza Loncos hozzászólására (») Feb 5, 2008 /
 
Milyen árammal, mekkora frekit, milyen jelalakkal?
(#) Loncos válasza Sebi hozzászólására (») Feb 6, 2008 /
 
Tulajdonképpen a vége 24VDC lenne KB.1A de ezt én úgy tudom, hogy dc-dc nem lehet invertálni

Vagy rosszul tudom?

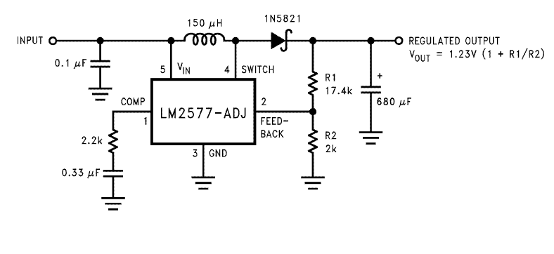
(#) Sebi válasza Loncos hozzászólására (») Feb 6, 2008 /
 
DC-DC konverter úgy működik, hogy
1. váltakozó feszt állít elő
2. ezzel trafót, vagy induktivitást pumpál
3. ismét egyenirányít

Ha a frekvencia elég magas, és az alkatrészek kis veszteségűek a használt frekin, akkor 80..95% hatásfok is elérhető.

A mellékelt típusú IC a Te feladatodhoz elegendő (1A)

2577.GIF
    
(#) Loncos válasza Sebi hozzászólására (») Feb 10, 2008 /
 
Köszi a segítséget, meg is csináltam a kapcsolási rajzot, és mükszik.

Lehet, hogy kevés lessz az 1A és kell vagy 3A. Erre is lenne megoldásod?

Előre is köszönön
Loncos
(#) Sebi válasza Loncos hozzászólására (») Feb 10, 2008 /
 
Gyors voltál, gratulálok!

3A-hez már a kapcsolóeszköz (FET) általában külső eszközént csatlakozik.
Alább egy példa.

3478.GIF
    
(#) Loncos válasza Sebi hozzászólására (») Feb 11, 2008 /
 
Reggel elmentm a Lomexba, meg a HQ videoba és sajnos nem ismerik ezt a 3478 as ict

(#) Loncos válasza Sebi hozzászólására (») Feb 12, 2008 /
 
Sebi, nem lenne egy másik áramköröd?
(#) Sebi válasza Loncos hozzászólására (») Feb 12, 2008 /
 
Nos, 12V-ból 24V 3A - jó hatásfokkal - boost (induktivitás-pumpáló) rendszerű kapcsolással csak újabb fejlesztésű IC-kkel megoldható. Én az NSC oldalon kutattam Neked, ott is csak 3 típust ajánl: mind újak, magas működési frekivel. Lomex-ben egyik sem kapható (még).
Esetleg regisztrálhatsz az oldalukon, aztán próbálkozhatsz minta kéréssel (nekem 2 hónap alatt ért ide, pedig 10 éve regisztráltam...)
Ezenkívül csak a trafó tekerés marad, hasonlóképp, ahogy az autós erősítőkben. Ilyenekről volt már szó az oldalon is.
(#) Loncos válasza Sebi hozzászólására (») Feb 12, 2008 /
 
Nézegettem a lomex honlapján és ezt találtam.

Megnéznéd, mert nekem nem nagyon megy az angol

11.oldal

LM2678-ADJ
R1=1K
R2=11,23K
CB=0,01µF ceramia
L=4,7uH
D1=145825 (5A)
Cin=0,01nF ceramia
Cout=680µF 63V


http://www.lomex.hu/pdf/lm2678.pdf

Előre is köszi
(#) Sebi válasza Loncos hozzászólására (») Feb 12, 2008 /
 
2678 az step-down, azaz, csak feszcsökkentő módban megy. (buck-regulator)
Hidd el, a National oldalon csináltam a "tervet" a webench-el. Még úgy látszik nincsenek errefelé ezek az újabb fejlesztésű darabok...
(#) Loncos válasza Sebi hozzászólására (») Feb 13, 2008 /
 
oksa te tudod jobban

milyen tekercs kellene hozzá azt meg lehet tudni valahonnan?

Lonc
(#) Sebi válasza Loncos hozzászólására (») Feb 14, 2008 /
 
Nézd csak itt az oldalon is van egy Elektorból való kapcsolás, mex hsz-ében mellékelve...


Bővebben: Link

(#) Loncos válasza Sebi hozzászólására (») Feb 15, 2008 /
 
Kösz átpártolok oda !
(#) scooby_ hozzászólása Máj 8, 2008 /
 
Hello!

Nekem van egy MASIVE márkájú 12V-os 65W-os trafóm.

erre kötöttem rá egy váltóáramot leadó 9V-os trafót és egy P1-es tápot dugtam bele.

TAPASZTALAT:a venti alighogy csak nyekergett,átállítottam 110v-ra azzal valamivel jobban ment de nem tökéletese.

Nem hagyott nyugodni,egy multiméterrel lemértem,78V-ot mértem(több mint a semmi)!

Mi lehet a hiba,az hogy nem 12V-os váltóáramú trafót kötöttem rá?
Mindenképpen ezzel a trafóval szeretnék kezdeni valamit,mi kéne hozzá hogy 12V-ról menjen 220-ra,vagy ha jó a 12 akkor hogy csináljak egynből----->váltóáramot?
(#) Atis57 válasza scooby_ hozzászólására (») Máj 18, 2008 / 4
 
Szia4
ezt érthetőbben is leirhatnád....
miről ment?
(#) djgabi_8 hozzászólása Feb 27, 2009 /
 
hali!
Tudna valaki segíteni 12V egyenből 230V-ot aksihoz egy kapcsolási rajzot !!!
(#) Atis57 válasza djgabi_8 hozzászólására (») Máj 23, 2010 /
 
Szia !
AD 1: kösd sorba azt a 18 db akkut.......
Ad 2: konkrétan mit/mire alakitanál? shány W-al?
(#) morgomaci hozzászólása Nov 21, 2010 /
 
Helló!
Ha valaki tudna egy egyszerű kapcsolási rajzot 12volt egyenáramról kellene 230 volt váltófesz. 100 w teljesítménnyel.
előre is köszi
(#) kadarist válasza morgomaci hozzászólására (») Nov 21, 2010 /
 
Itt találsz inverter rajzokat, de a kereső is segít. Bővebben: Link
(#) csabacsaba hozzászólása Ápr 30, 2012 /
 
Sziasztok!
A kerdesem nagyon fontos lenne mert,batyam akar venni egy invertert 300-400w korulit es egy het mulva szuletes napja lesz.
Akarok csinalni neki egy invertert ami 12VDC-bol csinal 230VAC.
Kineztem magamnak ezt az 500w invertert,elolvastam minden ehez hozza illo hozzaszolast...s nem tudom hogy jol mukodike.Az alkatreszek mind meg lennenek avval nem lenne gond.
Valaki meg kerem valaszoljon aki megepitette vagy tud segiteni hogy mukodik rendesen igy ahogy van.
Es esetleg egy nyaktervet valaki ha nekem osze dobna...mert meg nem vagy eleg jo ahoz hogy jol megcsinaljam,s itt mar komoly feszultsegek vannak jelen.
Vagy ha ez a rajz nemjo akkor egy mas is jo lesz ami min.400w.
Elore is nagyon szepen koszonom.

500.jpg
    
Következő: »»   3 / 4
Bejelentkezés

Belépés

Hirdetés
XDT.hu
Az oldalon sütiket használunk a helyes működéshez. Bővebb információt az adatvédelmi szabályzatban olvashatsz. Megértettem