Fórum témák
» Több friss téma |
Fórum » LED-es kivezérlésjelzők
Témaindító: KeserűCukor, idő: Márc 27, 2006
Témakörök:
Sziasztok!
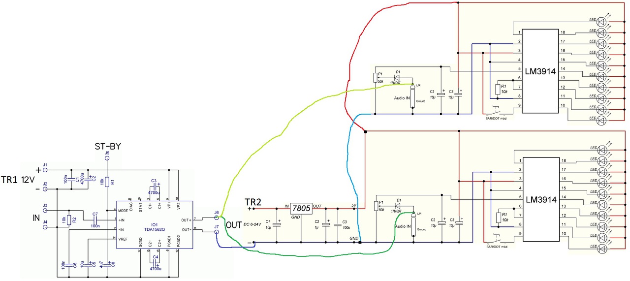
Építettem egy mono kivezérlés mérőt duplán, de mind a kettő bemenete ugyan azt az erősítőről jövő kimenetet kapja meg. Az erősítő és a mérő két külön tápról megy. A probléma a következő: ha mind a két mérő bemenetét rákötöm az erősítő kimenetére, akkor a mérő egyik potija belülről basszus hatására nagy hangerőnél szikrázik (fém tokos a poti). Külön-külön használva a mérőt semmi gond nincs. Mellékelem a kapcsolási rajzokat. Válaszaitokat, tippjeiteket előre is köszönöm szépen! A hozzászólás módosítva: Feb 14, 2015
Hello! Ez így nagyon nem jó. Ilyen perverz módon csak maximum a LINE kimentet lehet szabályozni. Arról nem beszélve, hogy az erősítőd hidalt (ha jól látom), és ott a kimenetén féltápfeszültség van. Ide kondi kell a kivezérlésmérő bemenetére, mert ha csak az egyiket kötöd rá, akkor várhatóan a két kimenet közé kötötted a kivezérlés jelzőt. Kettőnél meg lehet valami zárlat van. Minden esetre egy rajz kellett volna a táplálásról, nem leírás.
Én tennék egy ellenállást a diódával sorba meg egy kondit mivel jelen esetben a poti minimumnál szinte rövid zárat csinálsz, ami elégeti a potit is és a diódát is nem beszélve a végfokról.
Itt egy rajz az összekötésről és a táplálásról. A két trafó nem egy kétszekunderes trafó része, hanem két darab különálló trafó. A rajzot a neten találtam, igaz, ott segédmotor fordulatszámának kijelzéséhez használták,de mellékelték audio rendszerekhez is az átalakítást. Kokozo ötlete nem rossz, estefele ki is fogom próbálni, mert jó elgondolásnak tartom! Ha a poti minimumnál van, annyi vehető csak észre, hogy nem villognak a LED-ek, szerencsére a végfokot nem cseszteti.
Ez így elég "értelmetlen", de köss a két zöld vezetékkel sorba egy-egy 1kohm-os ellenállást. Akkor működni fog így. A poti viszont lehet már halott, ha szikrázott..
Szeretném megérteni, hogy miért gondolod értelmetlennek az összekötést? Így hirtelen arra tudok gondolni, hogy nem "érted", hogy miért kötöm ugyan azt a mono jelet a másik két áramkörre. A válaszom az, hogy ez egy erősítő előlapjára fog kerülni dizájn jelleggel és nem akartam párhuzamosítani a LED-eket, mivel a kimenetein csak 3V-ot ad le, ezért építettem belőle kettőt.
Azért "értelmetlen", mert nem lett volna szükség külön tápfeszültségre a kijelzőnek. Bőven jó lett volna az erősítő 12V feszültsége a kijelzőnek is. Nem kellett volna a híd kimentet használni, csak az egyik felét. Csak az egyenfeszültséget le kellett volna választani a váltóról. Valamint ha a Led-eket nem párhuzamosan, hanem sorba kötötted volna, akkor simán meghajtja egy LM3914 mind két Led-et. (Sőt akár többet is, ami belefér a tápba.)
Sziasztok!
Szeretném kérni segítségeteket Clip LED készítésében egy előerősítő számára! A LEDet a bemenetre szeretném kötni, ha lehetséges. Mi kell hozzá, mit hogyan kéne összekötni?
Szia! Megesik, hogy a googli a keresett fogalom angol megfelelőjére ad találatot, de hogy milyen sokat azon magam is meglepődtem. Próbáld ezzel: signal clip indicator circuit
Nézd meg a találat képeit, válogass kedvedre ![]() Ha beavatsz az indikálni kívánt jelszintbe és elárulod mekkora tápfeszültség áll a rendelkezésedre segíthetek választani.
Az indikált jelszint alatt mit értesz?
Az áramkört minimális tranzisztor, ellenállás elemekkel nem lehet megoldani?
Szia!
Angolból átvett szó, kijelez, jelez, feltüntet, megmutat.
Úgy is kérdezhettem volna, hány voltnál (millivoltnál) clippeljen. Mi lesz a rendeltetése?
Magas bemeneti jelszintet hivatott jelezni.
Mivel mérjem le a a jelszintet? A multiméter ugye folyamatosan más-más értékeket mutat.
Sziasztok újra!
Vettem két új LM3914-et, kicseréltem az IC-ket, meg a dióda elé egy 1kOhm-os ellenállást tettem, valamint a potikat is kicseréltem. Az erősítőmnek és az LM3914-es körnek külön tápja van, mert a kivezérléshez párhuzamosan kötök még nagyobb teljesítményű fogyasztókat és hogy ne vegye el az erősítőtől a teljesítményt. Egyesével leteszteltem őket, működött. Aztán mind a kettővel egyszerre kipróbáltam, egy ideig ment is, kb. 1 percig, de aztán az egyik megadta magát. Mellékelem a NYÁK rajzomat is, de elvileg hibátlannak kellene lennie. Valamint az sem megoldás, hogy párhuzamosítom a LED-ket, mert 2 külön potival szeretném állítani az érzékenységet. A hozzászólás módosítva: Feb 21, 2015
A két bemeneti potit nem így szokás bekötni, főleg ha végfok kimenetéről vesszük le a jelet. valamint proli007 topiktárs tanácsait sem követted, szinte változtatás nélkül újra bekapcsoltad.
A hozzászólás módosítva: Feb 21, 2015
Én úgy tudom, hogy ez az erősítő nem hidalt. A kivezérlés mérőnek az 5-ös lába a bemenete, azon van is egy 10µF-os kondi. Mire gondoltál?
Hello!
Ez alapvetően a tápfeszültségtől, és a Led-ek nyitófeszültségétől függ. A táp maximuma 25V amit már nem illik elérni. Ha egy kék Led nyitófeszültsége 2,8V és 7 van belőle, az 19,6V. A belső áramgenerátornak minimum 1,5V szükséges, az 21,1V. Tehát 22V-ról meg kell hogy hajtsa a hét kék Led-et.
Sziasztok!
Szintén az előző kivezérlésjelzőt készítem, de színes ledekkel. Viszont nem egyforma a nyitófeszültség ( kék 3,2V, piros-sárga 2,2V ). Gondolom, ezt az LM nem szereti. Mit tudok csinálni?
Szia! Az LM391x áramgenerátoros kimenetű, tehát közömbös számára a LED nyitófeszültsége.
Köszi! Akkor marad minden úgy mint eredetileg, csak nem 1 led lesz, hanem 6 sorba.
A tápfeszültség a legnagyobb nyitófeszültségű LED-füzért 2V-tal haladja meg!
Azt úgy számoltam, és a 25V-os IC max tápig marad 2v-om.
Sziasztok ! Épített valaki működő LED-es torony kivezérlényjelzőt plexilapokkal ? Tudna valaki adni esetleg valamilyen pontos leírást ? Megköszönném !
Bármely led meghajtó alapkapcsolás megteszi, annyi a dolog "extrája", hogy a ledek nem egy kis panelen vannak egymás mellett, hanem egy lpexi lap élébe készített furatba van elhelyezve egy vagy két led, szélességtől függően és a fénytörés miatt csak az éleket világítja meg. Youtoobe tele van ilyen videókkal.
Bővebben: Link Itt egy videó egy lehetséges kivitelezésről. Bár nagyon másként nem lehet... A hozzászólás módosítva: Márc 28, 2015
Sziasztok! Mono erősítőbe szeretnék a végfok bemenete elé kivezérlésjelzőt készíteni. Többek ajánlására Ezt a kapcsolást gondoltam módosítani (köszönet a készítőknek) úgy, hogy csak egy lm3915 legyen benne. A kérdésem, hogy kell-e és mit kell módosítani a kapcsoláson, természetesen a feleslegessé váló alkatrészeken eltávolításán kívül.
Hello! Semmit nem kell módosítani. A felesleges csatornát elhagyod..
A hozzászólás módosítva: Ápr 10, 2015
Köszönöm! LM3915 9. lábat a 12V-ra kössem vagy nyitva hagyjam?
Az adatlap 8. oldalán elolvashatod. (MODE PIN USE) Ha vonal kijelzést szeretnél, akkor a tápra kötöd, ha pont kijelzést, szabadon hagyod..
Köszönöm!
|
Bejelentkezés
Hirdetés |













