Fórum témák
» Több friss téma |
- Ez a felület kizárólag, az elektronikában kezdők kérdéseinek van fenntartva és nem elfelejtve, hogy hobbielektronika a fórumunk!
- Ami tehát azt jelenti, hogy a nagymama bevásárlását nem itt beszéljük meg, ill. ez nem üzenőfal! - Kerülendő az olyan kérdés, amit egy másik meglévő (több mint 17000 van), témában kellene kitárgyalni! - És végül büntetés terhe mellett kerülendő az MSN és egyéb szleng, a magyar helyesírás mellőzése, beleértve a mondateleji nagybetűket is!
Ezt is jól tippelted. Egyébként, miféle regisztrációhoz kell ilyen teszt?
Köszönöm.Elektro tanyára.
Mivel mérhető meg legpontosabban egy CRT (képcső) nem szinuszos 6,3Veff fûtőfeszültsége? a; Digitális multiméterrel b; Oszcilloszkóppal c; RMS mérő digitális multiméterrel d; ESR mérővel Itt a C volt a tippem és így kiveséztük mindet.
Én konkrétan szkóppal mérném, mivel a multiméter csk 50Hz szinuszra van kitalálva, az ESR alapból kieseik, az nem is kapcsolódik ide, És az rms sem jó nem szinuszoshoz. A szkóppal meg tulajdonképpen azt mérsz, amit csak akarsz.
Na sajnos nem sikerült,egy hibám lett az ötből
valami nem tetszett nekik.Köszönöm a segítséget.
Én regisztrálok és a köszönöm a segítséget azt nem cinikusan írtam hanem mert megköszöntem,hogy segített.
Az RMS mérő a legjobb, feltéve hogy true RMS. Nem szinuszos jelek valódi effektív értékét ilyen műszerrel lehet legkönnyebben mérni. Lehet persze oszcilloszkóppal jelalakot felvenni, integrálni stb, tárolós szkóp matematikai funkcióit használva, de gyors mérésre az ilyen műszerek a legalkalmasabbak. Régebben csak a magas kategóriás multiméterek tudtak ilyet, ma már 6-8000 Ft feletti multiméterek is tudhatnak ilyet (vagy legalábbis azt írják róluk...)
Szia!
Az egy feszültségforrás a feszültségvezérelt hangerőszabályzáshoz. Az adatlap 8-ik oldalán látod az összefüggést a feszültség-erősítés vonatkozásában. A hozzászólás módosítva: Feb 24, 2015
Próbálkozz, hasznos oldal. Néha változtatják a regisztrációs tesztet, ez most a nehezebbik. Régebben én is elbuktam ezen.
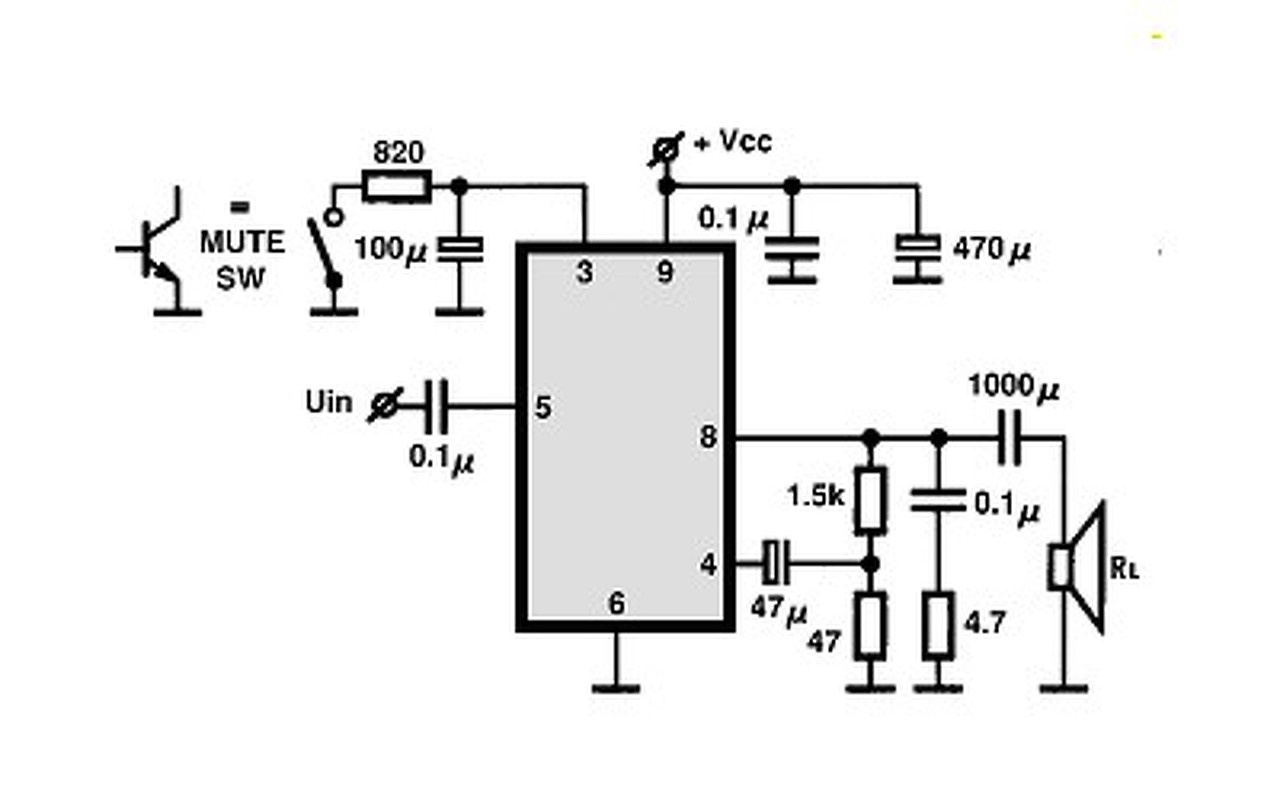
Sziasztok! Azt szeretném kérdezni ,hogy a rajzon látható erősítő megépítéséhez tényleg elég ez az alkatrész és dübörögni fog?
Amit linkeltál, az az IC gyári ajánlott beállítása. Ahhoz, hogy dübörögjön, még néhány alkatrész kellene. A guglin találsz sok konkrét kapcsolást, de itt a fórumon is van topicja.
Ha csak így építem meg mennyi lehet a teljesítmény?
Szia! Az adatlap első ábrája mutatja mekkora tápfeszültséggel, mekkora teljesítmény érhető el, kisebb és nagyobb torzítás megengedése esetén. Bővebben: Link
Erre akár önállóan is rábukkanhattál volna
Ha egy IC N/C lábán átvezetek egy vezetősávot, adódhat abból probléma?
Helytakarékosság végett tenném. A hozzászólás módosítva: Feb 25, 2015
Adódhat. Gyártó, évjárat és még ki tudja minek a függvénye. Mindenesetre a gyártótól letöltött, megfelelő verziójú adatlap konkrétan tartalmazza, lehet-e, szabad-e. Ha az a láb nem kell hűtéshez, akkor inkább csípd le.
A hozzászólás módosítva: Feb 25, 2015
Értem.
Jelen esetben egy MCP-606-I/P-ről lenne szó, így hűtőfelület probléma nem adódhatna.
A mellékelt adatlap leírja, hogy nincs belül összekötve semmivel. Akkor lehet.
Melyik oldalon írja? Hosszú a PDF. :$
Az általad mellékelt fájl 13. oldala:
1, 5, 8 — NC No Internal Connection A hozzászólás módosítva: Feb 25, 2015
Aha!
Köszi.
Sziasztok! Feszültség szabályzót szeretnék csinálni,ehhez kérnék segítséget tőletek! egy 4-5 A-res re lenne szükségem! Transzformátorom van egy 230V-12/24V, 63VA, ez nem tudom ,hogy hány amperes?!
És van egy SONY Ps 2 adapterem ami 8V,-5,65A-res. Mindkettőt szeretném szabályozni,persze külön! Van egy habvágó szerkezetem ami KANTHAL szállal működik jelenleg 3V-ról és 2-4 A-vesz fel. Ehhez is jó lenne valamelyik táp a kettő közzül? Tehát kellene egy egyszerű kapcsolási rajz ,megadott értékekkel 4-5A-re LM338-AS IC-re,egy potméterre,és egy ellenállásra gondoltam, a többit nem nagyon tudom! találtam egy kapcsolást,de ez szerintem nem bírná ki a 4-5A-ert. belinkeltem
Viktorom! Miért nem nézed meg a 7805 adatlapját ? csak be kell írnod a gugliba és máris látod hogy jó e neked .....
Néztem,de szerintem nem jó,mert nekem 1-2Volt-tól kellene állítani . ez meg 5 Volt-tól tud csak felfelé! Azon kívül nem tudom hány amperes!
Legegyszerűbb, ha beszerzel egy step down konvertert.
Ez a kapcsolás szerintem rossz, mert a 7805 bemenete és a föld (-) közé kell legalább egy 0.1µF-es kondenzátor, szintúgy a kimenet és a föld közé is. Különben hülyére gerjedhet szegény stabilizátor. Ha módosítod a kapcsolást ahogy mondtam, akkor fog 1.5A-t bírni. Egyébként van Pl. 3.3V-os stabilizátor, de az 1.5A-ra van tervezve. Vagy inkább alatta. De az adatlapjukon ott a kapcsolás, hogy ezekből hogyan lehet nagyobb áramot kivenni. Először viszont mérd meg, mekkora áramra lenne szükséged pontosan.
Megnéztem köszi! Minden angolul van.
De ha jól vettem ki akkor kell egy LM 338 IC, 1db 0,1 uf kondi előre,1db 1 uf kondi a kimenetre,1db 5k potméter,1db 120 ohm ellenállás! 1db Hűtőborda! ÉS ÚGY KÖSSEM MAJD BE MINT AMIT BELINKELTEM KÉPEN?
Az LM338 adatlapjának Fig.2 ábrája szerint kösd be. Az jó lesz.
oké,majd megpróbálom! És amit írtam a trafókról? azok jók lesznek ehhez?
a 63VA-traróm az hány amperes lehet?
63VA 12V esetén 5A. Ha 24V a trafó, akkor 2,5A.
|
Bejelentkezés
Hirdetés |




valami nem tetszett nekik.







