Fórum témák
» Több friss téma |
Üdvözletem mindenkinek!
Abban kérnék segítséget, hogy egy régi cd olvasót hogyan lehetne számítógép nélkül audio cd lejátszásra használni? Ugyanis ami nekem van azon csak OPEN gomb van és nincs rajt PLAY gomb stb. Igazából arra lenneék kíváncsi, hogy ahova az IDE kábael csatlakozik ott mely két lábat kellene összezárni vagy egyre valamilyen jelet adni, hogy elérjem azokat a funkciókat amik a lejátszóhoz szükségesek. Kezdő vagyok a témában. A válaszokat előre is köszönöm!!! Zoltán
Hali Klikk Szerintem erre gondolsz, Akartam én is csinálni, de mindenhol mikrokontrolleres megoldást találtam....
Én úgy tudom, csak egy PIC-es vacakkal lehet play-re bírni az ilyen drive-ot. De az igy jóval többet tud, mint a play gombos drive.
Ui.: Szerintem nincs jó hangjuk.
Jut eszembe találkoztam már olyan számítógépes CD driveal amiben benne volt a play stop előre hátra gomb. AZ elejére kivezetve
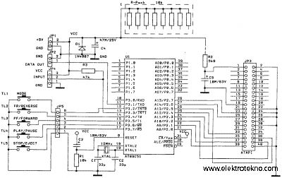
. Jah néztem a multkor valami ATMEL csótány volt az áramkörben.... hajól tom ez is mikrokontroller. Kapcsrajz mellékelve
Nem biztos, hogy jól emlékszem, de ha mégis, akkor a wav formátumú állományokat teljesen automatikusan játssza a behelyezés után. Ha így van, akkor a hátulján lévő kimenetről, vagy fülhallgató-csatlakozóról, már levehető a hang.
Hogy nem volt hozzá az előlapon gomb??? Hát igy megy ez kérem...Na el lehet ezen merengeni! Ha lejátszásba teszem, és aztán kilépek a win-ből, vagyis magára hogyom, játszik tovább? Vagyis folyamatos adatfolyamot igényel ilyenkor? Ha nem, akkor lehet, hogy belül van olyan pont, amit izgatva play-be lehet tenni. Sőt a többi gomb funkciói is meglehetnek az IC lábain...
Jól emlékszel :yes: .
A régieken volt még előlapi kezelőgomb(ok), ma már igen ritka. Sajna
Hali!
Pár napja csináltam én is egy CD lejátszót. De csak a kidobó gomb volt meg... olvastam hogy sokszor rajta hagyják az áramkörön a kapcsoló helyét, amivel el ehet indítani a lejátszást, csak lusták és nem rakják bele a kapcsolót Van itthon vagy 3 CD-rom meghajtóm, persze mindből kihagyták a lejáccás gombot de az egyikben rajta volt az áramkörön a helye. Kivezettem mind a két gomb helyét egy rossz asztali DVD lejátszó előlapjába, a kimenetet meg ami hátul van audio kimenet, abból szedtem. Igaz ez naon primitív megoldás, de jó jha meg amikor "tölt" akkor ugye alul villog egy smd LED, azt is kivezettem, hogy minnél esztétikusabb legyen. Csak ennyit csináltam, semmit nem ír ki(nincs is kijelzője ) de aki akarja az megoldhatja sztem 7 szegmenses LEDkijelzővel, és azt léptei a számoknak megfelelően...Majd rakok föl róla képeket
Én is akartam régen ilyet csinálni de letettem róla. Ha az ide kábelt leveszed és beteszel egy audio cd-t akkor valószinű hogy nem indul el a lejátszás. Valahogy úgy működhet hogy a meghajtó beolvassa a lemezt majd küld egy jelet a procinak az meg visszaküldi hogy PLAY szerintem így működik. Ha összezársz két lábat azzal ki is nyírhatod a meghajtót.
Hello!
A megoldásra én is szemet vetnék szívesen,mert nekem is van egy (sony CD-ROM DRIVE UNIT MODELL no:CDU77E) Ez a kicsike,de nem tom egyenlőre csak a zene elindítása érdekelne az ide kábel helyéről vagy ahonnan lehet ezen is csak open gomb van. Az AUDIÓT ki tudom vezetni az audió kimeneten hátul... Köszi a segítséget
szia!
megnézted a CD meghajtó áramkörén hogy meg van-e jelölve az open gomb mellett a kapcsoló helyett? ha nem nézd meg! amugy használj írásjeleket
csasztok a cd-rom on rajottem hogya az ide konnektoron ha osszeerintitek a ket utolso kimenetet akkor a meghajto elkezd dolgozni de a zene nem indul el sztem igy nemlehet megoldani ezt a lejatszast az 1gombos meghajtoknal vagy csak az en meghajtom nem jou kitudja.Ha megtudnatok vmit akkor leccciii irjatok elore is kosz
Amit csinálsz az egyszerű hardveres rezet... 1-es láb rezet, alatta a 2-es láb föld. A rezet bemenet pedig negált.
Ettől nem fog működni... Ezt az egész hóbelebancot végigjártam szakdolgozatom készítése során, működő prototípussal. 2 hónap ment el csak a programra, persze többet tud mint a Te elvárásod, de attól még az ilyen alap dolog sem egyszerű. Ahhoz, hogy tudja a PLAY funkciót, megfelelően inicializálni kell a meghajtót, majd át kell állítani az utasításcsomagok értelmezésére (ez az ATAPI-ből a PI - Packet Interface). Az utasitáscsomag 12 bájt hosszú, és műveleti kóddal kezdődik, a többi bájtban a művelethez tartozó paraméterek kerülnek átadásra. Elsőnek a TOC-ot (Table Of Content) kell lekérdezni, a lemez adataihoz, úgymint sávok hossza és pozíciója (relatív és abszolút idő - MSF címek természetesen). Ha ez megvan a lejátszani kívánt sáv kezdetének abszulút címét kell beírni a PLAY MSF műveleti kódhoz tartozó paraméterekhez. A parancs végrehajtása után kezdi a lejátszást. Tudom ezzel a kis szösszenettel igázból nem lehet kezdeni semmit, de nem is az volt a célom, hogy leírjam az egészet. Csupán megpróbáltam bemutatni, hogy összetetebb dolog ez, holmi lábak rövidrezárogatásánál. Üdv!
Egy érdekes kérdésem van.
Szerintetek változik a cd-rom hangja audióban ha nem pc-tápról jár? Melyik a jobb neki a pc-táp vagy a hagyományos trafós táp?
Viszont az meg lehet brummos.
Nem tehetek róla én ilyen fabrikátor szőrözős vagyok :nemtudom: .Bár néha túlzásokba esek :bummafejbe: .
Nekem is van pár cd olvasóm és van egy analog out nevű kimenetük Amin a következő pinek vannak r g g l
Gondolom az r és az l a hangszórók a két g meg a gnd.Ez a csatlakozó csak a hangot küldi a hangkártyának vagy el is lehet inditani vele a lejátszást?
Kösz.Hát akkor nehezebb lelyátszásra birni.
Sima audio CD-t (.wav formátum) automatikusan szoktak játszani, behelyezés után. Legalábbis amíg a gyökérben vannak a számok, nem almappában.
Helló!
Nekem van egy Sony CRX195E1 CD író/olvasóm. neken is a play funkció kéne. Amúgy ott van az elején a HELYE de nincs bekötve sehova. Szörnyű!! A válaszokat előre is köszi.
Elképzelhető, hogy ha beraksz egy gombot akkor menni fog, volt már rá példa...
Nézd meg, hogy hova futnak a gomb vezetősávjai, ha nem szakad meg egy hiányzó alkatrész miatt, akkor adj neki tápot és zárd rövidre a play gomb helyét. Ha leindult, akkor rakj bele egy ilyen gombot. A playt és az előre léptetést fogja csinálni. Üdv Inhouse Idézet: „Sima audio CD-t (.wav formátum) automatikusan szoktak játszani, behelyezés után. Legalábbis amíg a gyökérben vannak a számok, nem almappában.” Nem találkoztam még ilyennel, túl sűrű nem lehet... Az audio CD spec formátum és nem adat CD wav-okkal. És nem lehetnek rajta könyvtárak sem a számoknak... Üdv Inhouse |
Bejelentkezés
Hirdetés |




. Jah néztem a multkor valami ATMEL csótány volt az áramkörben.... hajól tom ez is mikrokontroller. Kapcsrajz mellékelve 
Van itthon vagy 3 CD-rom meghajtóm, persze mindből kihagyták a lejáccás gombot
de az egyikben rajta volt az áramkörön a helye. Kivezettem mind a két gomb helyét egy rossz asztali DVD lejátszó előlapjába, a kimenetet meg ami hátul van audio kimenet, abból szedtem. Igaz ez naon primitív megoldás, de jó
) de aki akarja az megoldhatja sztem 7 szegmenses LEDkijelzővel, és azt léptei a számoknak megfelelően...
(Az enyimben külső DAC is van)
