Fórum témák
» Több friss téma |
Ezeket találtam még az adatlapján:
220V IP44 1100W és talán 2800 fordulatos Tipusa: OZF90L-2N ha minden igaz IMI gyártmány
Ez egy magyar gyártmányú motor és próbáld meg így bekötni: Bővebben: Link
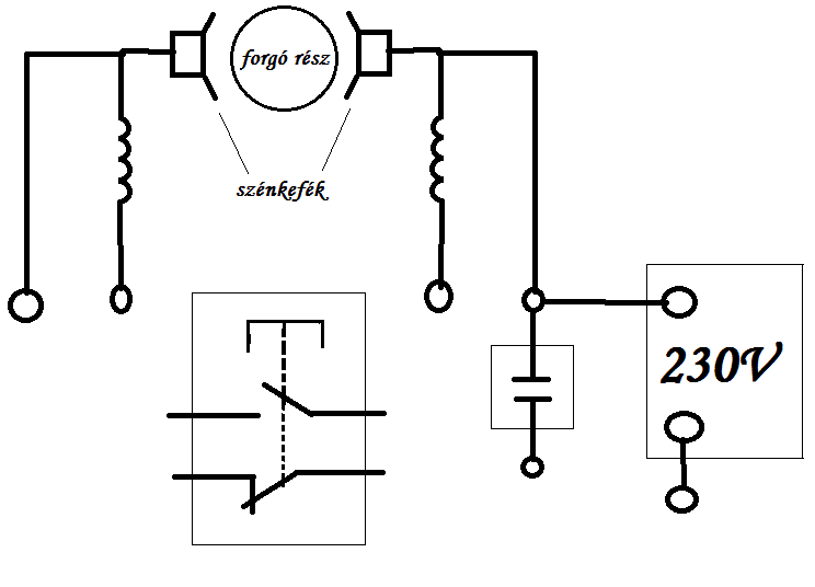
Üdvw a segítségeteket szeretném kérni kaptam egy KD-160-as darálót hiányzik róla a kapcsolódoboza van hozzá egy relé de nem tudom hogy jó e ,végűlis mi szűkséges a beűzemeléséhez és mit hova kellene kötni ja és ez mijen kondi hány mikrós?
csatolom a képeketés előre is köszönöm a segítséget.
Sziasztok !
Kaptam egy a mellékelt képem szereplő motort ,csak a bekötéssel vagyok egy kicsit meglőve,a kapocsba a képen szereplő vezetékek vannak bekötve és a kapocsdekni tetején egy nyomógomb, rajz szerint egy kondi is kellene ,da az sajnos nincs meg.Hogy a tudnám ezt 220-ról üzemeltetni? KÖsz:Zoli
A kondi, és indító relé nélkül sehogy.
Van 4 drót a dekniben.
Egyik 2 fázis, másik 2 a segéd fázis. A kondenzátort a segéd fázissal kell sorba kötni. Ennek a soros körnek csak az elindításhoz szükséges ideig, néhány másodpercig kell bekötve lennie a fázis tekerccsel párhuzamosan. Ha már fel pörgöt a motor akkor nem kell már , mert leég a segédfázis tekercs. Ezt lehet időzítő relével is kapcsoltatni vagy nyomógombbal amit az indítás idején kell nyomni.Időzítő relé kényelmesebb . Röviden ennyi. A hozzászólás módosítva: Szept 9, 2012
Kösz .
És mekkora kondi kellene,az hogy hogyan kell bekötni ,melyik kábel hova,tudja valaki, Üdv
Ha visszaolvasol feljebb ebben a topicban biztos kiderül
![]() Kondenzátor értékre is lehet valahol 1 táblázat motor kW/µF . Kicsit számolni kéne ... mekkora fogyasztónál 50Hz-en mekkora kapacitás okoz kellő mértékű kapacitív váltóáramú ellenállást (Xc), és ezzel megfelelő áramot engedjen át a segédfázis tekercsen. A hozzászólás módosítva: Szept 9, 2012
Kábelek között a 2 kisebb ellenállású a motoré.
A 2 nagyobb ellenállású a segédfázis. De nem akarom ismételni a többi hsz-t sokadjára mert csak át kell olvasni. A hozzászólás módosítva: Szept 9, 2012
A kondi értékét nem tudom neked megmondani, de a kapocslécen ha szemügyre veszed, láthatóak a jelölések amik a dekni fedelén található bekötési rajzon is szerepelnek.
Ez alapján kell bekötnöd, ha megszerezted a kondit, és a megfelelő áramrelét hozzá.
Hát igen ha a bekötés eredeti,ebben nem vagyok biztos,viszont a kondi értékre nem találtam visszaolvsva még semmit.
Will leírta hogyan ellenőrizheted a tekercseket egy egyszerű multival. Próbálj guglival rákeresni a motor tipusára.
Üdv Urak!
Végigolvastam mind a 4 (!) oldalt, de nem találtam választ... Hoztak javításra egy legalább 50 éves Hajdu centrifugát. Olyan régi, hogy többször átfestették Trináttal, de sehol nincs még kulyukadva a palástja! (A mi 40 éves cuntrifugánk már 20 éve szétrohadt...) Szóval, "a biztosítót levágta". Szétszedtem. Az összes gumikábel ki van dörzsölődve. Nem is csoda, hogy zárlatos lett... Csináltam szép új gumikábelt hozzá, csak éppen nem jelöltem meg, hogy a motor melyik pontjára jön a 220 és melyikre a kondi. A kondi 90%, hogy oda jön, ahová szaggatottan rajzoltam, mert a "vezeték görbületéből" így adódik. De, hová jön a motor??? Megmértem, legalább 10x, mert nem akartam hinni a szememnek. Ilyen értékek, nem jöhetnek ki !!! - Ha az A-B közé kellene kötni ("A" lenne a közös pont), akkor B-C között 60 Ohm-ot kellene mérnem... - Ha B-C közé kellene kötni ("C" lenne a közös pont), akkor A-B között 42,5 Ohm-ot kellene mérnem. Sehogy nem jó... Szerintetek, hová kell kötni ??? Ja... a centrifugát miden képpen meg kell javítanom, mert előre kifizették. (kaptam egy kiló szőlőt) A hozzászólás módosítva: Szept 29, 2012
Itt van egy közeli fotó a motorról, hátha segít:
Bővebben: Link A mérési eredmények viszont nem kicsit furcsák. Nem lehetséges, hogy a motor testzárlatos?
Köszönöm a válaszod. Nem testzárlatos. Közben le is fényképeztem. Én eddig csak az IMI motorokat ismertem ilyen alkalmazásban...
Közben sikerült megoldani a problémát: a pincében találtam egy ahhoz hasonló motort, mint ami belinkeltél. Érdekes, hogy annak is hasonlóak a mérési eredményei: A-B 25,5 Ohm A-C 25,5 Ohm B-C 19,2 Ohm Viszont ezen még rajta volt a betáp kábel és a kondi is, eredeti állapotban. Persze ez egy nagyon modern motor, mert egy átkötő lemez áthelyezéssével még forgásirányt is lehetett (volna) változtatni. Szóval: - a 220V a B-C pontok közé jött - a kondi az A-C közé. Működik. Továbbra sem hagy nyogodni, hogy hogyan van(nak) ez(ek) bekötve??? Ha valaki tudja, ne hagyjon tudatlanul! Köszi.
Sziasztok!
Egy motor bekötésére lennék kíváncsi, mert szétszereléskor nem jegyezték fel, hogy mi hova volt kötve. A motor működése: kapcsoló kapcsolásakor felpörög gyorsan, majd működik rendesen. ha kikapcsolják akkor gyorsan leáll. Ez egy gérvágó. Amit tudok róla: a kapcsoló jobb oldalán van elvileg a nulla, a kondi másik fele bal oldalt. A kapcsoló egyik érintkezője alapból nyitott, másik alapból zárt. Köszönöm előre is! A hozzászólás módosítva: Jún 29, 2013
Sziasztok!
Szeretnék segítséget kérni, hogy a képeken látható motort, hogyen kellene bekötni?
Üdv Urak!
Adva egy régi 50-es években gyártott (forgógépgyár) motor három kivezetése van, kondenzátor nem volt rajta és ment...220volttal üzemelt. Lövésem sincs,mit hova kössek,vagy mit is mérjek! Hátha van olyan öreg szaki aki tudna tanácsot adni.
Tiszteletem!
Segítséget szeretnék kérni a mellékelt képeken látható kis 100w. os motor bekötéséhez. Köszönöm előre is!
Hello!
Az lenne a kérdésem a tőlem jobban hozzáértőktől: hogy egy 12V os ablaktörlő motort szeretnék működtetni hálózatról (12v trafóról), de ha jól tudom, ez nem elég azthiszem kell valami átalakító vagy ilyesmi, valaki tudja mivel lehetne megoldani, mi a neve ennek a készüléknek, hol lehet beszerezni? stb... minden segítséget előre is köszönök! üdv:Ákos A hozzászólás módosítva: Jún 28, 2014
Szia!Egy egyenirányító kapcsolás kell a trafó és a motor közé.Ilyen. A négy diódát lehet helyettesíteni egy darab greatz híddal is(a lényeg, hogy elbírja a motor által felvett áramot), a kondenzátor legyen kb 25V-os 1000µF-os.A rajzon a kör és benne egy hullám a trafó és az rt nevű téglalap a motor.
Hello!
Az ablaktörlő motorok jó nagy áramot vesznek fel, tehát a trafód teljesítményét ellenőrizd, mielőtt bekötöd. (Különben füst lesz a vége.)
Sziasztok
Van egy 230v alko buvarszivattyu. Allitolag forgott a motor de szet lett szedve a vezetekek el lettek vagva. A tekercsbol 3 rezszal van szabadon a negyedik szal beazonosithato hogy hova csatlakozott. A4. Szalhoz kepest mind a 3 szalon 11ohmot merek. Egymashoz kepest 20 ohmot merek rajtuk. Hogy tudnam beazonositani a helyuket?
Szia a zold sarga tudom a fold, de a tobbi?
Sziasztok!
Segítséget szeretnék kérni az alábbi motorral kapcsolatosan (bekötés, egyáltalán jó e a motor) Semmi infót nem tudok róla Amit tudok 4 szál van és a mért ellenállások U1-Z2W2 74ohm U1 - V2 16.3ohml Z2W2 - V2 85.5ohm U2 nincs egyikkel se semmi. Kérdésem hogy lesz e belőle motor?
Sziasztok.
képeken látható egy Phillips gyümölcsfacsaró siralmasan gyenge, kb 125 wattos motorja. Úgy működik, hogy mikor rányomom a narancsot a facsaróra, akkor egy rugós érintkezővel zárja az áramkört és forog a motor. (Bal oldalról kapja a kapcsolt feszültséget...) Ha a terhelés elér egy bizonyos szintet, akkor irányt vált. Sajnos ez a funkció használhatatlanná teszi a gépet, mivel egy narancs kifacsarásához annyira kell rányomni a gyümölcsöt, hogy jobbra-balra rángatja a motort, de nem bír forogni. Ha csökkentem a nyomást vagy a szorítást a gyümölcsön, akkor forog-forog, de nem hatékony, csak félig-meddig facsarja ki a gyümölcsöt. Azt szeretném megtudni (mivel laikus vagyok), hogy a barna vezetéket hova kössem, illetve hogy milyen átkötéseket kell ill. lehet alkalmazni, hogy ez az irányváltás dolog megszűnjön. Remélem, a kép alapján ez kitalálható (annak aki ért hozzá.) VÁrom szíves válaszaitokat. KÖszönöm. |
Bejelentkezés
Hirdetés |




























