Fórum témák

» Több friss téma
Fórum » Keverőpult építése, javítása
Lapozás: OK   51 / 78
(#) bencikusz hozzászólása Márc 18, 2015 /
 
Sziasztok!
Ha jól emlékszem, akkor ebbe a témába került be egy olyan kapcsolás, ami nem keverést végzett, hanem osztást. Tulajdonképpen egy HF-jel splitter. Nem tudjátok véletlenül hol találom ezt a rajzot? Azt hiszem Reloop keze munkája volt.
Előre is köszönöm.
Üdv.b
(#) reloop válasza bencikusz hozzászólására (») Márc 18, 2015 /
 
Szia! Valami rémlik, de inkább mint opponens vehettem benne részt. Több kimenetet szeretnél együttesen hajtani?
(#) bencikusz válasza reloop hozzászólására (») Márc 18, 2015 /
 
Tulajdonképpen azt szeretném hogy egy sztereó jelből legyen több szabályzott kimenetem.
(keverő master kimenete menne bele ebbe, majd innen tovább a különböző eszközökhöz)
(#) reloop válasza bencikusz hozzászólására (») Márc 18, 2015 /
 
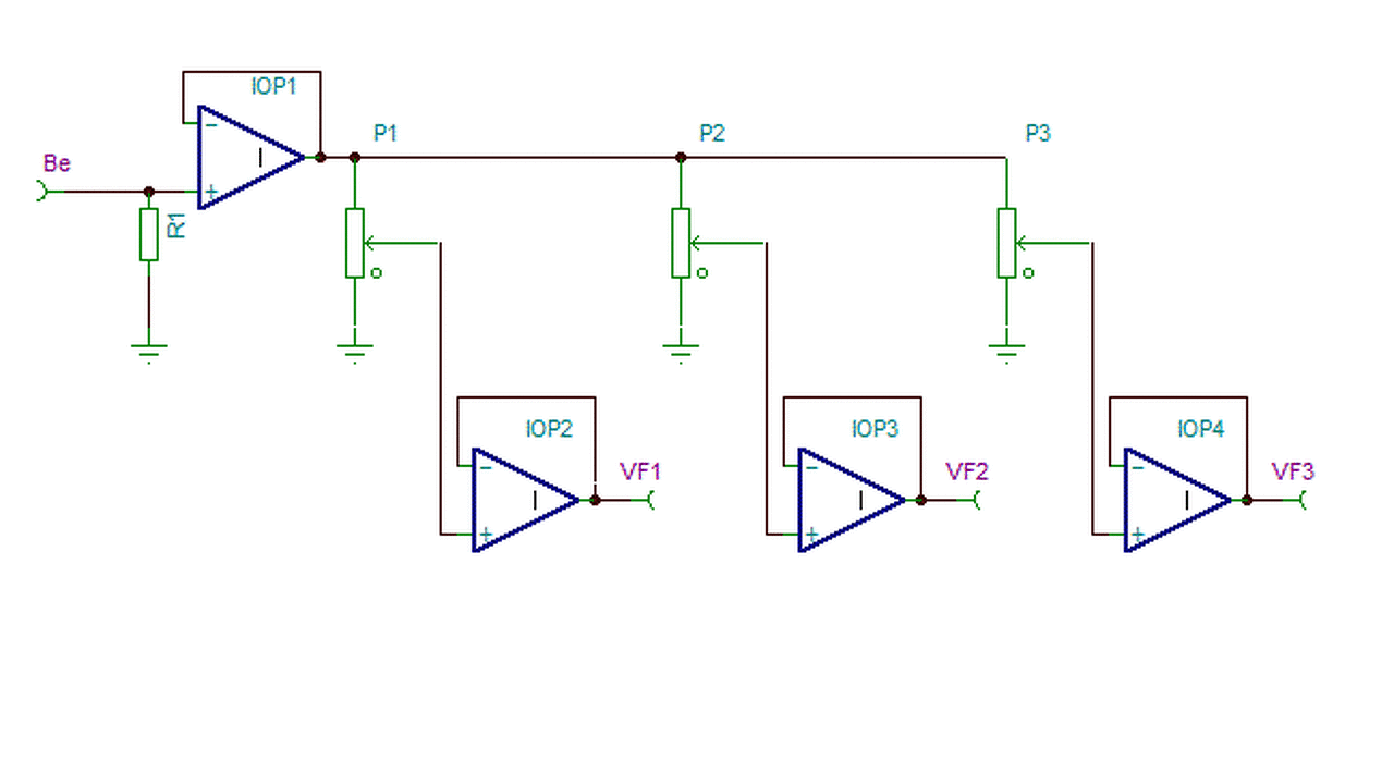
Készítettem egy vázlatot, ilyesmit szeretnél?

Monitor.gif
    
(#) bencikusz válasza reloop hozzászólására (») Márc 18, 2015 /
 
Igen. Pontosan erre gondoltam.
(#) reloop válasza bencikusz hozzászólására (») Márc 18, 2015 /
 
Megfigyeltem, szeretsz/kényszerülsz egyszeres táppal dolgozni, ezt is úgy kéne?
(#) bencikusz válasza reloop hozzászólására (») Márc 18, 2015 /
 
Valóban szeretek egyszeres táppal dolgozni, de igazából lényegtelen. Már ez is túlmutat minden határon, hogy megtervezed, pedig csak egy elásott rajzot kerestem. Ezért nagyon hálás is vagyok.
Így előre is vendégem vagy egy virtuális sörre!
(#) bboy123 hozzászólása Márc 19, 2015 /
 
Arról szeretnék érdeklődni, hogy olyas fajta effektek , mint Virtual dj-ben a Backspin, Break, Echo, stb. elérhetők házilag?Létezik ezekre kapcsolás?Illetve SCRATCH építése házilag lehetetlen ugye?
(#) steweo hozzászólása Márc 20, 2015 /
 
találtam végül egy olyat ami eleinte elég lesz. hova mit kötök? pl ezen? Bővebben: Link
(#) bboy123 hozzászólása Márc 20, 2015 /
 
Ez az effekt jelenleg èpítès alatt van nekem De csak sima 2 csatornás stereo keverő ès sztereó hangszínszabályzó kapott helyet a dobozában.Szeretnèm kiegèszíteni olyan effektekkel, mint pl. virtual dj-ben a backspin, break, echo, flanger stb.Lètezik erre kapcsolás?Hobbi szinten szeretnèk zenekeverèssel foglalkozni, virtual dj-vel már elèg jó minősègű mixeket tudok csinálni, breakedzèsre tökèletes...Azonban szeretnèk ilyen mixeket rendes házilag èpitett pultal csinálniAzèrt házilag, mert ha már ennyire szeretek barkácsolgatni, èpítgetni, tervezgetni, akkor ha egy mód van rá èn magam szeretnèm elkèszíteni a saját keverőmet.Annyit szeretnèk mèg kèrdezni, hogy scratch megoldható házilag?
(#) RkenyerR hozzászólása Ápr 30, 2015 /
 
Sziasztok!
Szeretném a segítségeteket kérni egy keverőerősítő építésében. Bármilyen hasznos linket, infót, tanácsot, tapasztalatot elfogadok a témában. Esetleg ilyen elejétől a végéig megépített, kipróbált link, cikk lenne a legjobb, de tényleg bármi jöhet. Zenekari használatra kellene, illetve házibulikhoz.
Nagyon köszönöm előre a segítséget!
A hozzászólás módosítva: Máj 2, 2015
(#) steelbird válasza RkenyerR hozzászólására (») Máj 1, 2015 /
 
Szia!
Többen bejárták már ezt az utat, több-kevesebb eredménnyel, sikerrel. A házilag épített keverő nem biztos, hogy olcsóbb lesz, mint egy gyári. Lehet olcsón is építeni, de akkor meg a minőség nem lesz megfelelő. A kereskedelemben kapható potméterek többsége nem alkalmas erre a célra. Zenekari hangosításhoz masszív, stabil, strapabíró potik kellenek. Azok pedig drágák. Nem mindegy, hogy évekig hibátlan az a poti, vagy 2-3 hónap után elkezd recsegni, kontakt hibásodni.
Egy zenekari igényeket kielégítő keverő egy csatornájához javasolt min. 9 poti. (Gain, Send, Return, Treble, Mid, Mid freq, Bass, Fader, Level)
Ez egy 16 csatornás keverőnél kb. 140-150 potméter és hol van még a többi. A megfelelő minőségű potik ára nem 3-400 Ft, még csak nem is 1000...
Persze, meg lehet az olcsó potikkal is építeni, csak a tartóssága elég megkérdőjelezhető.
De nem lebeszélni akarlak, csak nem biztos, hogy célt érsz vele, ha te építed meg.
Mik az igények? Hány csatornás kellene és milyen funkciókkal?
A hozzászólás módosítva: Máj 1, 2015
(#) mrex válasza RkenyerR hozzászólására (») Máj 2, 2015 /
 
Helló!
Küldtem e-mailt.
Egyébként tökéletesen osztom az előttem szóló véleményét.Kiegészítve a szimmetrikus jelvezetés problémájával(zaj szempontok).
Még egy buli célú 3-4 csatornás profi keverő szintillesztési és zajproblémái is elég meglepő mennyiségű munkát, felkészültséget és türelmet igényelnek.Én ebből építettem, de nem kezdeném újra. Kizárólag az a tudat tölt el büszkeséggel, hogy megcsináltam. De ha kizárólag anyagi megfontolásból nézem, hát ez teljesen biztos veszteség. Bár a hobbi nem pénzkérdés ugyebár.

De tovább megyek, amikor minden kész van akkor jön az árnyékolási probléma, ami egy óriási feladat, ha nem az egyik legnehezebb ebben a történetben.

Aki már kereste a földhurkot az tudja miről beszélek.
A hozzászólás módosítva: Máj 2, 2015
(#) steelbird válasza mrex hozzászólására (») Máj 2, 2015 /
 
Igen, ez így van. Én inkább csak az anyagi vonzatát emeltem ki, de rengeteg probléma adódhat a megépített készülékkel. Fokozza a problémák számát az, hogy az erősítő is benne lesz, nem külön. Egy sima (erősítő nélküli) mixernél nincs nagyáramú jelút, áramút, ezért talán könnyebb a földhurkok miatti zaj elkerülése, de semmiképpen nem egyszerű feladat és kellő építési, szerelési, hibakeresési rutin nélkül nem biztos, hogy érdemes belevágni. Ezért kért a kolléga kész, bevált tervet.
(#) Ge Lee válasza RkenyerR hozzászólására (») Máj 2, 2015 /
 
Jómagam nem osztom az előttem szólók véleményét, pláne ha nem létkérdés a tolópoti hanem megfelel a forgó is, és elég a kimeneti hangszín, mert nem szükséges csatornánként állítani.
A végeredmény egyszerű lesz, olcsó, mellesleg jobb minőségű is, mert nem 8-10 fokozat lesz a jelútban hanem csak 3-4.
A fémházas THL (kb. 250FT/db) potikat évek óta tekergetem megelégedéssel. Ezeken kívül csak egy hangszínszabályozó fokozat kell, aminek a szintillesztő fokozatával egyben az esetlegesen hiányzó erősítés is be van állítva a végfok számára.
Szóval egy efféle keverő fillérekből megvan, és 4-5 csatornát gond nélkül össze tudsz keverni vele zajnövekedés nélkül.
Nekem volt többféle, most egy 2x430W-os VF2 mod van így megcsinálva. Többször kölcsönkérték már bulikba, és szépen teljesített, a gyáriakat is megszégyenítő módon. A következő ugyanilyen lesz, de abban már a 600W-os D osztályú végfokok lesznek, ha lesz majd időm meg kedvem nekiállni.
(#) steelbird válasza Ge Lee hozzászólására (») Máj 2, 2015 /
 
Zenekari keverőről volt szó. Zenekari keverőnél nagyon nem elég az a 4-5 csatorna.
Nekem a "zenekari" szóról dob (min. 8 csatorna), ének, billentyű, két gitár, esetleg még egyéb más (bármi) hangszerek jutnak az eszembe. (Nem írta, milyen zenekar, így fantázia kérdése).
De ha van élő dob is, akkor nem ússzák meg 16 csatorna nélkül. Egy csatornához pedig nem csak két hangszín poti kell. Ráadásul ott már effekt is jó lenne a cuccba, vagy legalább egy Insert lehetőség, ami megint plusz egy poti. Pl. az énekhez zengetés, meg kompresszor, akár belső, akár külső megoldással, inserttel. Még az olcsóbb potikból is sokba kerül, főleg, ha tényleg kell kb. 16 csatona.
Viszont csak találgatunk, mert a pontos igényeket nem írta a kérdező.
A hozzászólás módosítva: Máj 2, 2015
(#) steweo hozzászólása Máj 29, 2015 /
 
Egy erősítés/hangosítás milyen folyamatokon megy végig, úgy értem , hogy ami kijön a pc-ből min megy át amíg eléri a hangszórót?
(#) steweo hozzászólása Máj 29, 2015 /
 
Illetve még annyi, hogy egy hangfalba elég egy 50w-os mélynyomó és egy tölcséres magas?
(#) steelbird válasza steweo hozzászólására (») Máj 29, 2015 /
 
Elég általánosan kérdeztél, gondolom, ezért nem válaszoltak még rá.
Jó lett volna, ha szűkíted a kört, pl. hogy mit kötsz a láncba, mert ettől nagy mértékben függ a dolog.

Alapvetően feszültség erősítés történik, ami ideális esetben arányos az eredetivel, csak nagyobb. Majd a legvégén a nagyobb feszültség miatt kialakuló nagyobb áramot is biztosítják egy teljesítmény fokozattal a hangszóró számára.
Feszültség erősítést végző fokozatból (egységből) lehet több is a láncban, közéjük szoktak különböző jelet manipuláló áramköröket iktatni, pl. hangszín korrekció, hangerő szabályzó, egyéb effektek, stb...

Idézet:
„Illetve még annyi, hogy egy hangfalba elég egy 50w-os mélynyomó és egy tölcséres magas?”
Ez függ sok mindentől. Főleg a hangszóróktól.
De ezeknek mi köze van a keverők építéséhez?
A hozzászólás módosítva: Máj 29, 2015
(#) steweo válasza steelbird hozzászólására (») Máj 30, 2015 /
 
Gondoltam pl az előerősítőre, hangszínszabályzóra, keverőpultra, végfokra stb. Pontosítok akkor, olyan keverőpultot szeretnék amiben vannak effektek, lehet lassítani, gyorsítani a zenét, több csatornára is működjön. Esetleg egy stereo vu is van benne. Ezt hogy tudnám megvalósítani
(#) proli007 válasza steweo hozzászólására (») Máj 30, 2015 / 1
 
Akkor egy szép nagy baltát vegyél, mert igen vastag a fa dereka, amibe vágtad..
(#) steweo hozzászólása Máj 30, 2015 /
 
mivel lehetne ezt megvalósítani?
(#) steelbird válasza steweo hozzászólására (») Máj 30, 2015 /
 
Az analóg jelet keverőpultban utólag manipulálni úgy, hogy gyorsítsd, meg lassítsd (főleg, ha az a fajta sebesség-változtatás a cél, mikor a hangmagasság megmarad az eredetivel azonosan), ahhoz digitálisan kell feldolgozni. Ezt miért nem a számítógépen csinálod, ha már úgyis a gépről megy a zene?
Szoftveresen jóval több lehetőséged van, mint egy saját, épített pulttal.
Meg előttem már írták is, nem egyszerű a dolog.
Zene lassítására, meg gyorsítására egyébként ott vannak a DJ -s cuccok, azok arra (is) valók. Nem tudom, miket építettél már, de gyanítom, hogy ez erősen meghaladja a tudásodat.
Számítógép... Arra van több ezer szoftver, olyan is van, ami neked kell.
A hozzászólás módosítva: Máj 30, 2015
(#) simley válasza steelbird hozzászólására (») Jún 24, 2015 /
 
Sziasztok, kaptam egy keverőt de nem tudom használni.
Hova kell be dugni a mikrofont? A laptopot? Az erősítőt?
(#) Massawa válasza simley hozzászólására (») Jún 24, 2015 /
 
Bárhova, ahol megszolalnak.....

Bocs nem hagyhattam ki!

(Azt sem tudjuk milyen a keveröd milyen a mikrofonod meg mit is akarsz ezzel kezdeni.)
(#) steelbird válasza simley hozzászólására (») Jún 24, 2015 /
 
Mivel nekem írtad a kérdésed, helyt adok az előző kolléga válaszának...
A csatlakozók zömmel "adják" magukat, a keverőn pedig minden fel van írva (persze, ha eredeti gyári darab).
Ha nem megy az angol, akkor szótárazz, kérj meg egy angolos ismerőst, vagy ott a Google...
Típus alapján is tudsz keresni a neten hozzá felhasználói kézikönyvet (user manual).
(#) nagy-istvan válasza steweo hozzászólására (») Jún 29, 2015 /
 
Szerintem egy ilyesmi kéne neked: http://www.hercules.com/us/DJ-Music/bdd/p/14/dj-control-mp3/
Ezzel mondjuk a virtualdj-ben tudsz lassítani, effektelni meg minden. A kimenet meg mehet egyből az erősítőbe.
(#) gernerakos hozzászólása Júl 14, 2015 /
 
Sziasztok!
Szeretném megépíteni ezt a kapcsolást: Bővebben: Link, bár tudom, ezt túlzás keverőpultnak nevezni.
Szóval ez a kapcsolás mennyire életképes, érdemes megépíteni?
Szerintetek az mennyire baj, hogyha a 220k-s potméterek helyett 200 kiloohmosat használok?
A válaszokat előre is köszönöm!
(#) nagy-istvan válasza gernerakos hozzászólására (») Júl 14, 2015 /
 
Szerintem semennyire nem gond a 220k helyett 200k, viszont az gond, hogy amikor valamelyik bemenetet lehúzod halkra, akkor lényegében zárlatot csinál a bemenetre kapcsolt lejátszóban.
(#) gernerakos válasza nagy-istvan hozzászólására (») Júl 14, 2015 /
 
Igen erre és is gondoltam. Mi lenne, a poti azon lábára, amelyik a földre megy, tennék egy pl 200K-s ellenállást? Ez mennyit javítana, vagy inkább rontana a helyzeten. Mert zárlat akkor már nem lenne.
A hozzászólás módosítva: Júl 14, 2015
Következő: »»   51 / 78
Bejelentkezés

Belépés

Hirdetés
XDT.hu
Az oldalon sütiket használunk a helyes működéshez. Bővebb információt az adatvédelmi szabályzatban olvashatsz. Megértettem