Fórum témák

» Több friss téma
Fórum » Digitális mérleg
 
Témaindító: elcső, idő: Ápr 10, 2008
Témakörök:
Lapozás: OK   3 / 7
(#) Kovidivi hozzászólása Aug 21, 2014 /
 
Sziasztok!
Beszereztem Ebay-ről egy 0.1g/500g-os mérleget, Diamond A04 típusú. Elég pontosan mér! Szeretnék belőle egy érme számlálót készíteni. Tehát rárakok sok érmét, aminek tudom az egységsúlyát, elosztom a mért súlyt vele, és már tudom is hány db érmém van. A probléma először, hogy nagyon nem mindegy, hol terhelem a tálcát. Találtam egy pontot, ahol megfelelően mér 120g felett, minden máshol kisebb értéket kapok. Van erre valami jó megoldás? Nézegettem gyári megoldásokat: Bővebben: Link Itt annyit látok, hogy a súlyt vonal mentén osztja el. A csatolt képen látszik, hogy csak 1 bélyeg érzékeli a súlyt. Tudnátok segíteni, hogy házilag hogyan tudnék én is ilyen tartót létrehozni, és mire kell ügyelnem? Ebay link: Bővebben: Link A tálca 1 ponton támaszkodik a bélyegre.
Köszönöm!

57.JPG
    
(#) vilmosd válasza Kovidivi hozzászólására (») Aug 21, 2014 / 1
 
Amennyiben nem mindegy hova rakod a terhelest, mert mast mutat, akkor ez nem merleg, csak egy saccolo. Alkalmatlan ilyen meresekre, A mechanikaja elgge daz, tehat inkabb probalj meg valami komolyabbat megvenni. Nekem van 100 gramos, de annal nincs semmi problema. Probaltam kalibralt sulyokkal is, es teljesen korrekt.
(#) Kovidivi válasza vilmosd hozzászólására (») Aug 21, 2014 /
 
Szia.
Ennyi pénzért örülök, hogy ekkora pontossággal mér. Minél nagyobb a súly, annál pontosabban kell ráhelyezni a tányérra. Tehát kb. 50g-ig teljesen mindegy, hova rakod a súlyt. Mivel kicsi a tányér, és egy ponton adódik át a terhelés, ezért egyáltalán nem mindegy, hogy csak függőleges erőről van szó, vagy van benne vízszintes komponens is. Olyan megoldást keresek, ahol a vízszintes komponenst ki tudom hagyni, és azt is függőleges erőként átadni. Mint az előző hozzászólásomba csatolt képnél, csak nem tudom, hogy mire kell figyelni, milyen a kialakítása. Egyébként nem mondanám saccolónak, ugyanolyan nyúlásmérő bélyeg van benne, mint más mérlegben, az elektronika is jól működik, csak a mechanikai kialakítása a tálcának nem tökéletes, de ez könnyen korrigálható.
Ha 4 nyúlásmérőbélyeges mérleget vettem volna, akkor nem lenne ilyen gondom. Viszont az pontosan 4x annyiba kerül, ami felesleges, hiszen a gyári pénz mérleg is csak 1-et használ.
A hozzászólás módosítva: Aug 21, 2014
(#) zsoltee0001 válasza Kovidivi hozzászólására (») Aug 21, 2014 /
 
Szia
Én ezt nem értem, a leggagyibb lidis/teccsós konyhamérleg 4 bélyeggel működik, pont ahol pénzről van szó ott meg elég egy?
(#) Kovidivi válasza zsoltee0001 hozzászólására (») Aug 21, 2014 /
 
Szia. A képeken láthatod, hogy 1db, kb. 1cm átmérőjű rúd viszi át a súlyt. Sőt, amit képet becsatoltam az előző hozzászólásomban, ott bizonyos szögben forgatni is lehet a "tányért".
Lehet, hogy befürödtem ezzel az Ebay-es mérleggel. Először egy ellenállás szakadt meg, azt kicserélve működött, megpróbáltam kalibrálni, sikerült is. Előtte kb. 250g-ig mért lineárisan a mérleg, fölötte hibásan mért, most 300-500g-ig lineáris, az alsó tartomány pedig nem. Ez volt délelőtt, ma este már be sem kapcsol a szerkezet...
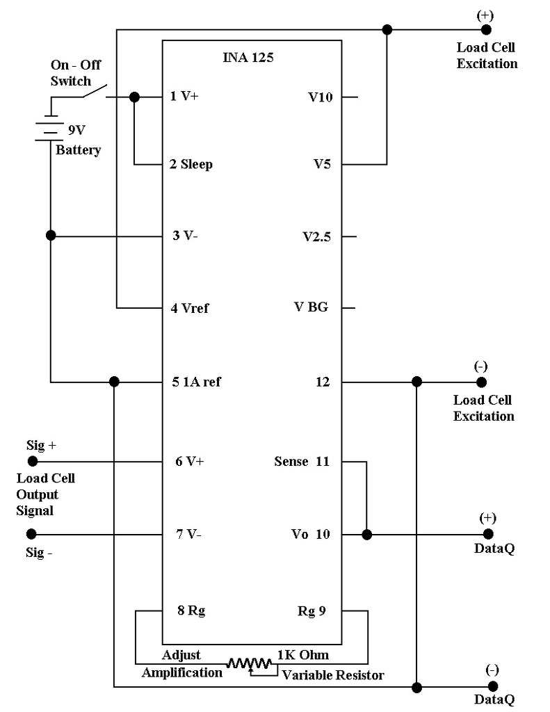
Annyit még megtehetek, hogy egy instrumentation amplifier-el felerősítem a bélyeg feszültségét, és feldolgozom. Azt olvastam, hogy lineáris a feszültség változás a terhelt súlyhoz képest. Azt nem tudom, hogy ha a terhelés irány nem pontosan tengely menti, hanem kicsit oldalirányú, akkor az befolyásolja-e a mérést?
(#) Kovidivi válasza Kovidivi hozzászólására (») Aug 21, 2014 /
 
Életre keltettem a műszert. Minden oké, csak a nyaka véres szegénynek. Egyszer már sikerült kalibrálnom, ez biztos. Tehát a lépéseket tudom. Valamiért félreértelmezte a kalibrálást, és 1.2-t ír ki, mikor 500g-ot rakok rá... Próbáltam utána újra kalibrálni, kb. 240g súllyal sikerült is (ami súlyt rárakok, azt 500g-nak veszi), tehát hibásan mér most. Megpróbáltam újrakalibrálni 500g-mal, de mindig LO-t ír ki PASS helyett. Az elem nincs lemerülve, ez biztos, cseréltem is, mértem is. Ha nagyobb vagy kisebb súlyt rakok rá kalibrálás közben, mindig LO feliratot kapom a végén. Ha LOW lenne, akkor alacsony, esetleg túlterhelés lehet? Szenvedek ám ezzel a mérleggel rendesen.
(#) mthqwork hozzászólása Aug 30, 2014 /
 
Sziasztok!

A következő lenne a kérdésem hozzátok. Adott egy digitális mérleg, aminek 4 érzékelője van (3 ér megy az érzékelő fémlapokba, és melléjük megy egy rugó féle valami.. az a negyedik ér.)

A következő a gond: bekapcsol, de nem mér. (0.0Kg) Ha kalibrálás közben ráállok, akkor Err.

Valami ötletetek, hogy mi lehet a ludas? Raidet kapott.
(#) Kovidivi válasza mthqwork hozzászólására (») Aug 31, 2014 /
 
Mi az a Raid? Mit kapott?
(#) lantost hozzászólása Aug 31, 2014 /
 
Sziasztok!van egy Soehnle Typ:63707-es digi szeméymérleg, aminek a kapcsolási rajza k

ellene.Ha valaki tudna segiteni ,nagyon megköszönném.
Üdv.tomtom.
(#) dj_kanabys hozzászólása Nov 17, 2014 /
 
Sziasztok!
Szeretnék segítséget kérni. Sikerült szerezni egy TOWA OZ-15L típusú digitális árazós mérleget, ami hibás.
Pontosabban nem mér! Hiba jelenség: Bekapcsol, de a mérleg rész és a számolt érték rész nem mutat semmit. Csak a középső kijelző, amin az 1 kg súlyhoz tartozó értéket lehet beírni.
A MODE gombot megnyomva a következő jelenik meg a súly helyén: rECE iu (Csatolt kép mutatja).
Arra gondoltam, hogy a maga a "súlymérő bélyeg" analóg elektronikája lehet hibás.

Előre is köszönöm a segítséget! Üdv: Jani
A hozzászólás módosítva: Nov 17, 2014

DSC_0314.jpg
    
(#) jointsilver36 hozzászólása Jan 3, 2015 /
 
Sziasztok!Van nekem egy digitális konyhai mérlegből kitermelt úgynevezett load cell-ám.Négy vezeték van rajta .fekete piros a betáp-nak és kék zöld a kimenő adatnak,(ez az utolsó kettő ment a mérleg alaplapjába ,ami persze meghalt.Azt szeretném tudni ,hogy létezik e valami megoldás ezt újra működőképessé tenni.Pl usb adatfeldolgozó vagy hasonló.A helyzet az,hogy a betápot rákötöm és multiméterre a két kijövő adatvezetéket és 200mv ra állítva a voltmérőt letudom olvasni terhelés alatti mv-ot.Létezik erre valami ,hogy az értéket grammban is letudjam olvasni?
előre is köszi a válaszokat.
A hozzászólás módosítva: Jan 3, 2015
(#) Kovidivi válasza jointsilver36 hozzászólására (») Jan 3, 2015 /
 
Szia. Felerősíted a pár mV-ot mérhető tartományba speciális műveleti erősítővel, megmérem milyen feszültséget kapsz, ha nincs terhelés, ez lesz a nulla, raksz rá egy kalibráló súlyt, itt is mérsz, a kettő mérés közötti különbséget pedig felosztod annyi részre, amekkora pontosságot szeretnél, vagy amit a kapcsolásod tud. Ez tipikusan mikrokontrolleres feladat.
(#) Bakman válasza Kovidivi hozzászólására (») Jan 3, 2015 /
 
Lineáris az ilyenek kimenete?
(#) Kovidivi válasza Bakman hozzászólására (») Jan 3, 2015 /
 
Én érmeszámlálót építettem, kb. 300g-ig egész jó volt.
(#) jointsilver36 válasza Kovidivi hozzászólására (») Jan 3, 2015 /
 
Szia!Esetleg nem tudnál nekem egy ilyen kapcsolást feltenni? Előre is köszi.
(#) jointsilver36 válasza Kovidivi hozzászólására (») Jan 3, 2015 /
 
Esetleg ez jó hozzá?
(#) Kovidivi válasza jointsilver36 hozzászólására (») Jan 4, 2015 /
 
Ird be: scale cell arduino, vagy AVR a google-ba, kapsz rengeteg kapcsolást, programmal együtt.
(#) jointsilver36 válasza Kovidivi hozzászólására (») Jan 4, 2015 /
 
Ahhoz,hogy ezt meg tudjam valósítani pontosan milyen dolgok kellenek?Konkrétan avr programozó és még?
(#) Kovidivi válasza jointsilver36 hozzászólására (») Jan 4, 2015 /
 
Programozói tudás. Ha az nincs, akkor egyszerűbb egy kész mérleget venni.
A hozzászólás módosítva: Jan 4, 2015
(#) jointsilver36 válasza Kovidivi hozzászólására (») Jan 4, 2015 /
 
EZ KONKRÉTAN MINEK A KAPCSOLÁSI RAJZA?
(#) Kovidivi válasza jointsilver36 hozzászólására (») Jan 5, 2015 /
 
Nézd meg az adatlapot. Hol találtad? Valahol biztosan! Ott mit írnak róla??? Ez egy feszültség erősítő, ami szabályozható, és ilyen cellát lehet rákötni. És nem kell ORDÍTANI!
(#) jointsilver36 válasza Kovidivi hozzászólására (») Jan 5, 2015 /
 
Szia! Bocsi ne haragudj beragadt a billentyűzetem gombja . Nem orditasnak szántamMegegyszer elnézésed kérem.
(#) Vfr72 válasza jointsilver36 hozzászólására (») Jan 6, 2015 /
 
Szia!
A mérőcellának (loadcell) négy vagy hat vezetéke van. Te esetedben négy. Kettő a tápfeszültség, ez lehetőleg ne legyen több 12v-nál, ajánlom a 10 voltot. A másik két vezeték a kimenet. A celláknak van un. meredeksége. Ez általában 2 vagy 3mV/V. Ez azt jelenti, hogy ha a mérőcella méréshatára pl:20kg és 10V feszültséggel megtáplálod, akkor 20kg terhelésnél 20mV mérhető a kimeneten, 2kg terhelésnél 2mV. Nem a feszültség pontoss értéke a fontos, hanem a cella linearitása.
Hogyan tudod használni?
Műveleti erősítők felhasználásával készítesz egy műszererősítőt és a cella jelét erősíted pl.: 100x. A felerősített jelet már tudod mérni mikrovezérlővel. Vagy! Felerősíted 10x és a felerősített jelet méred ICL7107/7106 IC-vel 200mV-os állásban (régen használtunk ilyen mérlegeket).
Nem egyszerű jó műszererősítőt építeni, de hobbinak tök jó. Ma a korszerű mérlegelektronikák szinte kivétel nélkül nagy felbontású AD IC-k alkalmazásával készülnek. Ebben az esetben elmarad a műszererősítő, mert az AD tartalmaz mindent. Hátránya, hogy programozás nélkül (kontroller) semmire nem mész vele.
Remélem segítettem. Ha érdekel még valami, kérdezz.

üdv. VFR72
(#) GmS hozzászólása Jan 6, 2015 /
 
Üdv!
Van itthon egy konyhai mérlegünk , bekapcsolás után ,,kalibrál,, beáll ,,0,,-ra és kész , hiába teszek rá súlyt , nem csinál semmit !
Ez egy Tchibo-s mérleg


Nem szeretném kidobni , valakinek valami ötlet ?

_MG_6063.jpg
    
(#) jointsilver36 válasza Vfr72 hozzászólására (») Jan 6, 2015 /
 
Szia!Köszönöm kimerítő válaszodat.A minap találtam egy lm 358 n ic-ét ebből szeretnék építeni egy műveleti erősítőt .Kérlek ha esetleg tudsz ezzel az ic-vel ilyen kapcsolást tedd fel ide.Mármint a cella jelének felerősítésére szolgáló kapcsolást.Előre is köszi.
(#) Vfr72 válasza jointsilver36 hozzászólására (») Jan 6, 2015 /
 
Szerintem nem megfelelőbb típus az lm358.
Általában OP07 típust szoktak használni, természetesen más "egzotikus" típust is használnak. Vannak bizonyos feltételek aminek meg kell, hogy feleljen a műveleti erősítő(nagy CMRR, kicsi ofszet drift, kiváló linearitás), persze tanulni és próbálkozni nem kell nagyon drága IC.
Keress rá, hogy műszererősítő (precíziós mérőerősítő) "instrument amplifier", sok kapcslást találsz.
leírás az erősítőről
Nem ígérem, de lehet, hogy összedobok egy kapcsolást.

Ne terheld túl a cellát, mert megdöglik...

üdv. VFR72
(#) jointsilver36 válasza Vfr72 hozzászólására (») Jan 11, 2015 /
 
Köszi a választ.
(#) meslac hozzászólása Feb 13, 2015 /
 
Üdv.
Van egy Metripond Plus AD mérlegem, az a baja kb. 15%-al többet mutat méréskor. Kalibrálni kellene, de semmi információt nem találtam róla. Szívesen venném, ha valaki segítene, hogy tudom kalibrálni.
(#) alex01 hozzászólása Márc 28, 2015 /
 
Sziasztok.Digitális személymérleget szeretnék,kaptármérlegnek használni.Hogyan kell átalakítani,hogy mérjen állandóan,vagy mikor bekapcsolom?
(#) proli007 válasza alex01 hozzászólására (») Márc 28, 2015 /
 
Hello! Szerintem nem tudod rávenni, mert táp bekapcsoláskor teszteli és tárázza magát. (Tehát ekkor nem lehet rajta a súly). Az elem kímélése szempontjából meg nem mér állandóan. A program meg adott. De nyilván az összes készüléket nem ismerheti az ember, vagy úgy is lehet mondni egyiket sem..
Következő: »»   3 / 7
Bejelentkezés

Belépés

Hirdetés
XDT.hu
Az oldalon sütiket használunk a helyes működéshez. Bővebb információt az adatvédelmi szabályzatban olvashatsz. Megértettem