Fórum témák
» Több friss téma |
Sziasztok!
Beszereztem Ebay-ről egy 0.1g/500g-os mérleget, Diamond A04 típusú. Elég pontosan mér! Szeretnék belőle egy érme számlálót készíteni. Tehát rárakok sok érmét, aminek tudom az egységsúlyát, elosztom a mért súlyt vele, és már tudom is hány db érmém van. A probléma először, hogy nagyon nem mindegy, hol terhelem a tálcát. Találtam egy pontot, ahol megfelelően mér 120g felett, minden máshol kisebb értéket kapok. Van erre valami jó megoldás? Nézegettem gyári megoldásokat: Bővebben: Link Itt annyit látok, hogy a súlyt vonal mentén osztja el. A csatolt képen látszik, hogy csak 1 bélyeg érzékeli a súlyt. Tudnátok segíteni, hogy házilag hogyan tudnék én is ilyen tartót létrehozni, és mire kell ügyelnem? Ebay link: Bővebben: Link A tálca 1 ponton támaszkodik a bélyegre. Köszönöm!
Amennyiben nem mindegy hova rakod a terhelest, mert mast mutat, akkor ez nem merleg, csak egy saccolo. Alkalmatlan ilyen meresekre, A mechanikaja elgge daz, tehat inkabb probalj meg valami komolyabbat megvenni. Nekem van 100 gramos, de annal nincs semmi problema. Probaltam kalibralt sulyokkal is, es teljesen korrekt.
Szia.
Ennyi pénzért örülök, hogy ekkora pontossággal mér. Minél nagyobb a súly, annál pontosabban kell ráhelyezni a tányérra. Tehát kb. 50g-ig teljesen mindegy, hova rakod a súlyt. Mivel kicsi a tányér, és egy ponton adódik át a terhelés, ezért egyáltalán nem mindegy, hogy csak függőleges erőről van szó, vagy van benne vízszintes komponens is. Olyan megoldást keresek, ahol a vízszintes komponenst ki tudom hagyni, és azt is függőleges erőként átadni. Mint az előző hozzászólásomba csatolt képnél, csak nem tudom, hogy mire kell figyelni, milyen a kialakítása. Egyébként nem mondanám saccolónak, ugyanolyan nyúlásmérő bélyeg van benne, mint más mérlegben, az elektronika is jól működik, csak a mechanikai kialakítása a tálcának nem tökéletes, de ez könnyen korrigálható. Ha 4 nyúlásmérőbélyeges mérleget vettem volna, akkor nem lenne ilyen gondom. Viszont az pontosan 4x annyiba kerül, ami felesleges, hiszen a gyári pénz mérleg is csak 1-et használ. A hozzászólás módosítva: Aug 21, 2014
Szia
Én ezt nem értem, a leggagyibb lidis/teccsós konyhamérleg 4 bélyeggel működik, pont ahol pénzről van szó ott meg elég egy?
Szia. A képeken láthatod, hogy 1db, kb. 1cm átmérőjű rúd viszi át a súlyt. Sőt, amit képet becsatoltam az előző hozzászólásomban, ott bizonyos szögben forgatni is lehet a "tányért".
Lehet, hogy befürödtem ezzel az Ebay-es mérleggel. Először egy ellenállás szakadt meg, azt kicserélve működött, megpróbáltam kalibrálni, sikerült is. Előtte kb. 250g-ig mért lineárisan a mérleg, fölötte hibásan mért, most 300-500g-ig lineáris, az alsó tartomány pedig nem. Ez volt délelőtt, ma este már be sem kapcsol a szerkezet... Annyit még megtehetek, hogy egy instrumentation amplifier-el felerősítem a bélyeg feszültségét, és feldolgozom. Azt olvastam, hogy lineáris a feszültség változás a terhelt súlyhoz képest. Azt nem tudom, hogy ha a terhelés irány nem pontosan tengely menti, hanem kicsit oldalirányú, akkor az befolyásolja-e a mérést?
Életre keltettem a műszert. Minden oké, csak a nyaka véres szegénynek. Egyszer már sikerült kalibrálnom, ez biztos. Tehát a lépéseket tudom. Valamiért félreértelmezte a kalibrálást, és 1.2-t ír ki, mikor 500g-ot rakok rá... Próbáltam utána újra kalibrálni, kb. 240g súllyal sikerült is (ami súlyt rárakok, azt 500g-nak veszi), tehát hibásan mér most. Megpróbáltam újrakalibrálni 500g-mal, de mindig LO-t ír ki PASS helyett. Az elem nincs lemerülve, ez biztos, cseréltem is, mértem is. Ha nagyobb vagy kisebb súlyt rakok rá kalibrálás közben, mindig LO feliratot kapom a végén. Ha LOW lenne, akkor alacsony, esetleg túlterhelés lehet? Szenvedek ám ezzel a mérleggel rendesen.
Sziasztok!
A következő lenne a kérdésem hozzátok. Adott egy digitális mérleg, aminek 4 érzékelője van (3 ér megy az érzékelő fémlapokba, és melléjük megy egy rugó féle valami.. az a negyedik ér.) A következő a gond: bekapcsol, de nem mér. (0.0Kg) Ha kalibrálás közben ráállok, akkor Err. Valami ötletetek, hogy mi lehet a ludas? Raidet kapott.
Sziasztok!van egy Soehnle Typ:63707-es digi szeméymérleg, aminek a kapcsolási rajza k
ellene.Ha valaki tudna segiteni ,nagyon megköszönném. Üdv.tomtom.
Sziasztok!
Szeretnék segítséget kérni. Sikerült szerezni egy TOWA OZ-15L típusú digitális árazós mérleget, ami hibás. Pontosabban nem mér! Hiba jelenség: Bekapcsol, de a mérleg rész és a számolt érték rész nem mutat semmit. Csak a középső kijelző, amin az 1 kg súlyhoz tartozó értéket lehet beírni. A MODE gombot megnyomva a következő jelenik meg a súly helyén: rECE iu (Csatolt kép mutatja). Arra gondoltam, hogy a maga a "súlymérő bélyeg" analóg elektronikája lehet hibás. Előre is köszönöm a segítséget! Üdv: Jani A hozzászólás módosítva: Nov 17, 2014
Sziasztok!Van nekem egy digitális konyhai mérlegből kitermelt úgynevezett load cell-ám.Négy vezeték van rajta .fekete piros a betáp-nak és kék zöld a kimenő adatnak,(ez az utolsó kettő ment a mérleg alaplapjába ,ami persze meghalt.Azt szeretném tudni ,hogy létezik e valami megoldás ezt újra működőképessé tenni.Pl usb adatfeldolgozó vagy hasonló.A helyzet az,hogy a betápot rákötöm és multiméterre a két kijövő adatvezetéket és 200mv ra állítva a voltmérőt letudom olvasni terhelés alatti mv-ot.Létezik erre valami ,hogy az értéket grammban is letudjam olvasni?
előre is köszi a válaszokat. A hozzászólás módosítva: Jan 3, 2015
Szia. Felerősíted a pár mV-ot mérhető tartományba speciális műveleti erősítővel, megmérem milyen feszültséget kapsz, ha nincs terhelés, ez lesz a nulla, raksz rá egy kalibráló súlyt, itt is mérsz, a kettő mérés közötti különbséget pedig felosztod annyi részre, amekkora pontosságot szeretnél, vagy amit a kapcsolásod tud. Ez tipikusan mikrokontrolleres feladat.
Én érmeszámlálót építettem, kb. 300g-ig egész jó volt.
Szia!Esetleg nem tudnál nekem egy ilyen kapcsolást feltenni? Előre is köszi.
Esetleg ez jó hozzá?
Ird be: scale cell arduino, vagy AVR a google-ba, kapsz rengeteg kapcsolást, programmal együtt.
Ahhoz,hogy ezt meg tudjam valósítani pontosan milyen dolgok kellenek?Konkrétan avr programozó és még?
Programozói tudás. Ha az nincs, akkor egyszerűbb egy kész mérleget venni.
A hozzászólás módosítva: Jan 4, 2015
EZ KONKRÉTAN MINEK A KAPCSOLÁSI RAJZA?
Nézd meg az adatlapot. Hol találtad? Valahol biztosan! Ott mit írnak róla??? Ez egy feszültség erősítő, ami szabályozható, és ilyen cellát lehet rákötni. És nem kell ORDÍTANI!
Szia! Bocsi ne haragudj beragadt a billentyűzetem gombja . Nem orditasnak szántamMegegyszer elnézésed kérem.
Szia!
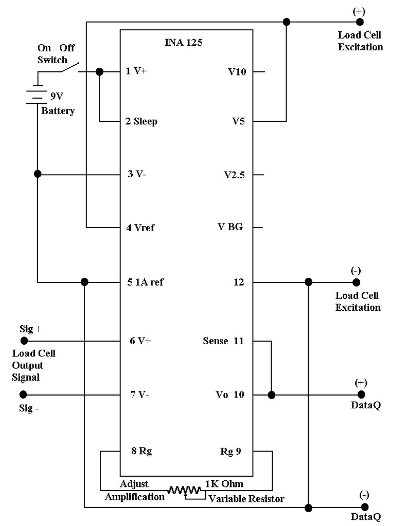
A mérőcellának (loadcell) négy vagy hat vezetéke van. Te esetedben négy. Kettő a tápfeszültség, ez lehetőleg ne legyen több 12v-nál, ajánlom a 10 voltot. A másik két vezeték a kimenet. A celláknak van un. meredeksége. Ez általában 2 vagy 3mV/V. Ez azt jelenti, hogy ha a mérőcella méréshatára pl:20kg és 10V feszültséggel megtáplálod, akkor 20kg terhelésnél 20mV mérhető a kimeneten, 2kg terhelésnél 2mV. Nem a feszültség pontoss értéke a fontos, hanem a cella linearitása. Hogyan tudod használni? Műveleti erősítők felhasználásával készítesz egy műszererősítőt és a cella jelét erősíted pl.: 100x. A felerősített jelet már tudod mérni mikrovezérlővel. Vagy! Felerősíted 10x és a felerősített jelet méred ICL7107/7106 IC-vel 200mV-os állásban (régen használtunk ilyen mérlegeket). Nem egyszerű jó műszererősítőt építeni, de hobbinak tök jó. Ma a korszerű mérlegelektronikák szinte kivétel nélkül nagy felbontású AD IC-k alkalmazásával készülnek. Ebben az esetben elmarad a műszererősítő, mert az AD tartalmaz mindent. Hátránya, hogy programozás nélkül (kontroller) semmire nem mész vele. Remélem segítettem. Ha érdekel még valami, kérdezz. üdv. VFR72
Üdv!
Van itthon egy konyhai mérlegünk , bekapcsolás után ,,kalibrál,, beáll ,,0,,-ra és kész , hiába teszek rá súlyt , nem csinál semmit ! Ez egy Tchibo-s mérleg Nem szeretném kidobni , valakinek valami ötlet ?
Szia!Köszönöm kimerítő válaszodat.A minap találtam egy lm 358 n ic-ét ebből szeretnék építeni egy műveleti erősítőt .Kérlek ha esetleg tudsz ezzel az ic-vel ilyen kapcsolást tedd fel ide.Mármint a cella jelének felerősítésére szolgáló kapcsolást.Előre is köszi.
Szerintem nem megfelelőbb típus az lm358.
Általában OP07 típust szoktak használni, természetesen más "egzotikus" típust is használnak. Vannak bizonyos feltételek aminek meg kell, hogy feleljen a műveleti erősítő(nagy CMRR, kicsi ofszet drift, kiváló linearitás), persze tanulni és próbálkozni nem kell nagyon drága IC. Keress rá, hogy műszererősítő (precíziós mérőerősítő) "instrument amplifier", sok kapcslást találsz. leírás az erősítőről Nem ígérem, de lehet, hogy összedobok egy kapcsolást. Ne terheld túl a cellát, mert megdöglik... üdv. VFR72
Köszi a választ.
Üdv.
Van egy Metripond Plus AD mérlegem, az a baja kb. 15%-al többet mutat méréskor. Kalibrálni kellene, de semmi információt nem találtam róla. Szívesen venném, ha valaki segítene, hogy tudom kalibrálni.
Sziasztok.Digitális személymérleget szeretnék,kaptármérlegnek használni.Hogyan kell átalakítani,hogy mérjen állandóan,vagy mikor bekapcsolom?
Hello! Szerintem nem tudod rávenni, mert táp bekapcsoláskor teszteli és tárázza magát. (Tehát ekkor nem lehet rajta a súly). Az elem kímélése szempontjából meg nem mér állandóan. A program meg adott. De nyilván az összes készüléket nem ismerheti az ember, vagy úgy is lehet mondni egyiket sem..
|
Bejelentkezés
Hirdetés |
















