Fórum témák
» Több friss téma |
Fórum » Labortápegység készítése
Nagyon sok munkám van benne, próbáltam mindent felhasználni ami itthon volt, ezért is került bele analóg műszer, aminek a skálalapját átmatricáztam. Így a lehető legolcsóbban sikerült megvalósítani a tápot. A doboz alapja egy régi 25-évvel ezelőtt készült házi akku töltő, amit még a szomszéd villanyszerelő készített apámnak. Mindent kiszereltem belőle csak a váz maradt. Olyan sok mindent kellett elhelyeznem a viszonylag kicsi előlapon, hogy legalább tízszer módosítottam az előlapi matricát, a nyomtatás előtt. A kapcsolgatásos mérésre oda kell figyelni, ez biztos. Ha megépítem ezek után az alkotó féle tápot is, abban külön műszerek lesznek a volt és amper mérésére, addig kapcsolgatok odafigyeléssel.
Örülök, hogy sikerült, és talán másoknak is tetszeni fog.
Remélem sokáig tudom még használni. Köszönöm az elismerést!
Üdvözlet a fórum tagoknak!
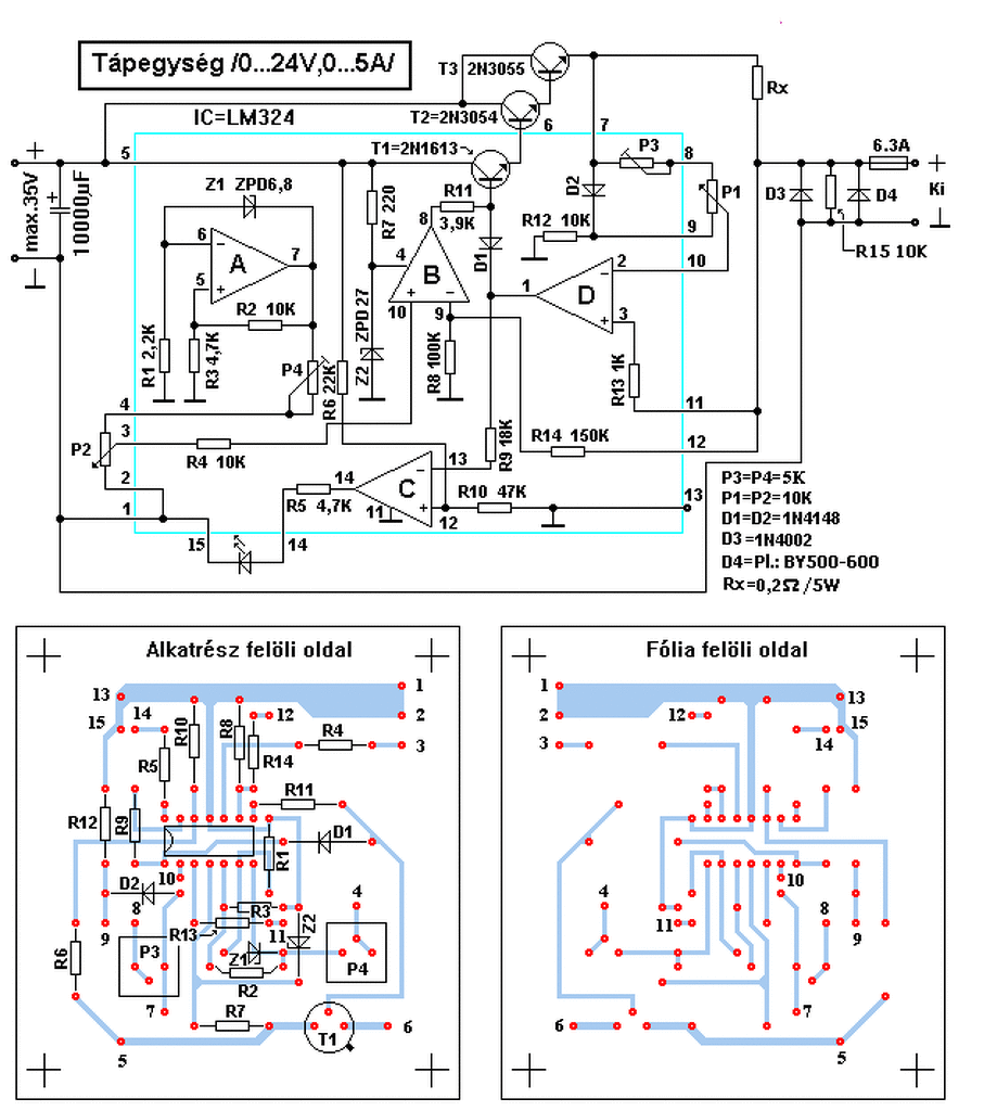
Van egy kis gondom megépítettem a kis Conrados tápegységet Bővebben: Linkmásodszor is először semmi gond nem volt vele másodszor viszont a BD136 tranzisztor nagyon melegszik mintha a két BD249 bent se lenne pedig a kicsinek kéne a nagyobbakat vezérelni de mintha átvenné a BD249-esek szerepét ez mitől lehet ha valaki segítene megköszönném előre is köszönöm! Üdv:Mata A hozzászólás módosítva: Márc 30, 2015
A linked sehova nem mutat!
Kicsit több info kéne: pl kimenőfesz rendben állítható?; terhelhető? A hozzászólás módosítva: Márc 30, 2015
Köszi a gyors reagálást ez a link talán jobb lesz * mindent lehet állítani kimenő feszt durván finoman is és áramot is lehet de csak a kis tranyó melegszik!Köszi!
*A link újfent nem jó, kivettem! Olvasd el ezt A hozzászólás módosítva: Márc 30, 2015
Lehet hogy elkötöttél valamit. Ha a másik működik akkor hasonlítsd össze azzal, hogy hol van eltérés, de azon nagy áram akkor tud folyni ha valamelyik áteresztőtranyó zárlatos.
Egyébként az a nyák rosszul lett megtervezve. A graetz pozitívjáról az áramnak a pufferkondiba kell folyni, majd a kondiból az áteresztőtranyó illetve a terhelés felé. Ott meg folyik erre is meg arra is (a puffert megkerülve), így a kondi csak részben látja el a feladatát. Ha visszalapozol feltettem ennek a nyáktervnek egy módosított változatát.
Ha csak a meghajtó dolgozik, akkor vagy zárlat van utána, mert pl szereléskor nem tettél szigetelő alátétet, vagy csillámlapkát, vagy tettél, de megsérült, vagy pedig hibás, zárlatos a végtranyó. Ezeket kikapcsolt tápnál ki kell méregetni!
Az most nincs nálam de ugyanazzal a nyák tervel csináltam ezt is majd kimérem az áteresztő tranyókat köszi a hozzászólást!
Köszi a hozzászólást még úgy próbáltam hogy mindegyik tanyót külön bordára tettem mert nem szeretem a nyákba forrasztani őket de előfordulhat hogy valamelyik zárlatos!
Nem találom azt a nyáktervet ha kicsit pontosítanál egy linkel azt megköszönném!Köszi előre is!
Köszönöm szépen a linket megpróbálom ezt megcsinálni!
Hello!
Valaki megtudná mondani, a 2.7.4 V2-es táp kimeneti osztója milyen műszerhez van méretezve? Sajnos nem találom a rajzot.
200mV-os digitalis
A hozzászólás módosítva: Ápr 2, 2015
Köszönöm a választ, így a kereső azonnal kidobta.
Még egy kérdésem lenne, az áram és a feszültségmérő áramkör nem különbözik egymástól, tehát ugyanazt kell megépítenem kétszer? A hozzászólás módosítva: Ápr 2, 2015
Végre volt időm olvasgatni a témát, szóval nagyjából az összes kérdésemre megtaláltam a választ, még egy dolog nem teljesen tiszta. Mégpedig a tranzisztorok tokozása... Láttam, hogy leggyakrabban TO3-asat használtak az emberek, viszont van kéznél pár to264-es tokozású, ezekkel is meglehetne oldani a hűtést?
Terveim szerint a tápegység 30V-ig és csak 1,5A-ig menne, hogy a trafó tűréshatárán belül maradjak. A hozzászólás módosítva: Ápr 5, 2015
Egy baratom ezt irta a temarol.
/forras:http://pa-elektronika.hu/ A hozzászólás módosítva: Ápr 5, 2015
Köszönöm a választ. Összekevertem a tokokat, to247-es lenne, tip3055 egyébként. Elsősorban azért gondoltam erre , mert sokkal kényelmesebb velük dolgozni, de így nyugodt szívvel rakom be ezeket.
Sziasztok! van egy kérdésem, amit ebbe a topicba tettem fel. Nem akarok 2x kiírni. valaki tudna rá választ adni?
Ha ezt a táp kapcsolást 35V egyenirányított szűrt árammal táplálnám, akkor mennyi lenne a max kimeneti feszültség? És szerintetek a 13-as pont mire szolgál? hova kell kötni?
A hozzászólás módosítva: Ápr 7, 2015
Hello! Elvben kb. 30V. De a 2N3055 megpusztulna a max 175W-tól. Mint ahogy a ZPD is megpusztul a majd 1W hőtől. stb.. A 13-as pontot a kiment negatív pontjára kellene kötni.
De miért nem választasz másik kapcsolást innen a fórumról?..
Igaza van Proli-nak. Építsd meg például az Alkotó 1.4.2-est. Nekem dupla verzióban működik. 2X40V, 2X5A. Mindenre tökéletes. Hűteni kell, de nekem ez okozott nagyobb gondot.
Küldenétek akkor egy nekem megfelelő, nem túl drága kivitelű kapcsolást?
Az Alkotó féle nekem túl bonyolult. Nincsenek nagy igényeim ezzel kapcsolatban. Áramkörök tesztelésére/élesztésére kellene. A trafóm amúgy egy 100VA-es 24V -os biztonsági transzformátor. (terheletlenül 27V) kb 4A-t tud
Ezen tápok egyike sem bonyolult. A legegyszerűbb talán a 723-as, 1db IC, egy meghajtó meg a végtranyók, de csinálhatod fettel is és akkor még meghajtó sem kell. Visszalapozva pár oldalt megtalálod a rajzot ha építeni akarsz, azt had ne keressük meg helyetted.
Oké köszi!
Ez lenne az?
|
Bejelentkezés
Hirdetés |












