Fórum témák
» Több friss téma |
Fórum » NYÁK-lap készítés kérdések
A témában nincs helye a nem szakmai indíttatású vitáknak, ezért a szabályszegést elkövetők azonnali figyelmeztetés nélküli kitiltásban, vagy némításban részesülnek. Ugyan így járunk el azokkal szemben, akik "blog"-nak nézik a fórumot. Ezt mindenki tartsa szem előtt!
Sziasztok! Lehet, hogy brutális amit kérdezek, de nyáklapot mivel lehet szétmaratni?
Mármint magát az üvegszálas anyagot??? Szerintem sehogy, vagy csak valami nagyon "brutális" oldószerrel... De miért?
Úgy érted, teljesen megsemmisíteni, nem csak a rezet, hanem a hordozót is??? Inkább daráld le
Az üvegszálat fel lehet oldani hidrogén-fluoridban, de azt kereskedelemben nem kapsz, a műanyagot szinte semmiben.
Összefoglalom:
Daráld le, égesd el, aztán a hamut tedd bele a Hidorgán-Fluoridba (ami mellesleg az üveget is oldja) Így a biztos :yes:
Egy kérdéssel fordulok felétek!
Igaz erre PCB tudja majd 100%-ra megadni a választ, de az lenne a kérdés, hogy hogyan lehet hőprést készíteni? vagy hol/mi módon kezdjek neki? Esetleg tapasztalatok, ötletek?
Hello!
Azt megkérdezhetem, hogy miért akarod szétmaratni az övegszálat is?
Sziasztok! Köszi az eddigi válaszokat, igazából az üvegszál maradhat
Engem csak az ipari arany érdekelt volna :yes: Láttam egy filmet, amiben darálás után savkezelésnek vetették alá a darálékot és az minden műanyag alkatrészt szétmart, csak a fém maradt. Ez a sav érdekelt volna.
Hát ha jól tudom (de vegyészeink majd kijavítanak, ha nem), az aranyat csak a királyvíz támadja meg, ami talán kénsav és salétromsav keveréke, vagy valami ilyesmi. Ezeket mellőzd, minden mást locsolj rá
Sziasztok hol lehet ilyen PNP fóliát venni Miskolcon?,vagy csak Pesten lehet?
Lehet, hogy én is tévedek, de inkább szerintem Sósav és Salétromsav a királyvíz.
Egyszer már majden csináltam, de azátn kilyukadt az edény amiben kotyvasztottam volna, szóval szerintem elég közel jártam a megoldsához..
Hát már legalább a képletet is tudjuk.
Ezek szerint elég büdi-mérgező gáz képződik, ha aranyat, vagy platinát maratunk vele (NO).
Eddig vaskloriddal marattam. Most kipróbáltam a Hirogén-peroxid,sósavas módszert. Hááát...aszthiszem maradok ennél. Egy 5*7 cm-es nyákot kb fél perc alatt mart le.
Igen, nagyon jó a hiperol&sósav, csak óvatosnak kell vele lenni, mert amíg a vasklorid oldat legfeljebb foltot hagy (ami csak ollóval távolítható el a ruháról), addig a hiperol&sósav erősen maró hatású!
Van még egy nagy hátulütője: Hogy idővel lebomlik. Tehát ha nem folyamatosan maratsz nagy mennyiséget, akkor nem érdemes sokat bekeverni előre, úgy, mint a vasklorid esetében.
Szia !
Petroimro, csak annyit érdemes amennyit éppen maratni akarsz. Üdv!
Most készülök én is átválni. Ez a lebomlási idő kb mennyi? Mert nem szertnék minden alkalommal keverni. Nem gond hogy a csapviz tartalmaz klórt meg egyebeket?
Nagyjából egy-másfél óra, úgyhogy minden alkalommal keverni kell.
Akkor tényleg mindig kell keverni
A végterméket pedog nyitott csap melett bele a lefojóba?
Szia!
Egy pár képet fel tudnál tenni a hőprésedről? Majd írnál róla pár mondatot? Lehet hogy készítek én is egy olyant.
Szia !
Csak viszonyítás képpen, aztán majd kipróbálod magad. 1dl viz + 30ml sósav + 30ml hidrogén (egyszerre ennyit szoktam keverni) ez 1db kétoldalas 200x80 mm -es panel lemarásához elég. Utána már elgyengül és inkább áztatás mint maratás következik. És ahogy Fery is írta, nem lehet tárolni keverten. Üdv!
Csak megjegyzem: Én nem szoktam hozzá vizet adni.
Holnap akkor benézek a vegyszerboltba és meglátom mit adnak.
Kellene csinálni egy vegyszerszekrényt a garázsba, mert nem szeretem hogy ott van a marószóda meg még lessz a sósav és petroxoid. Valaki még megjárja. A ráragasztott halálfej nem szereti a nedvességet.
Annyira azért nem vészes, bár kétségkívül hamar lekapja a rezet a lemezről, de nem kell egy csomó időt várni, mint a vaskloriddal. Cserébe iszonyat büdös (klór), és hamar lebomlik.
De valamiért valamit.
Hali!
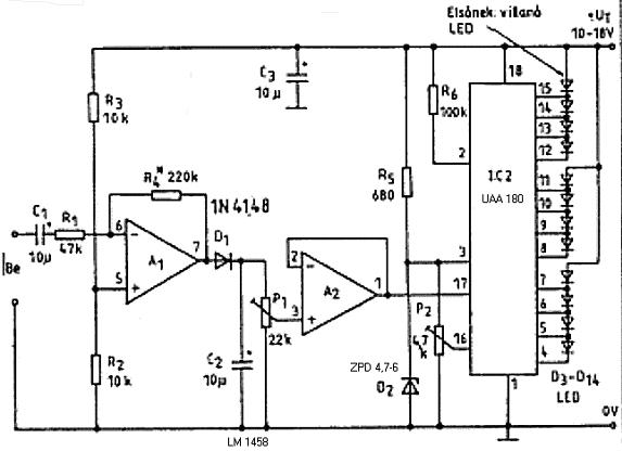
próbáltam tervezni sprint-layout nevű programban egy nyákot, és a kérdésem az lenne, h ezt a tervet kell e még tükrözni vagy jó így? A mellékletben benne van a tervezett rajt, és az is amiről próbáltam tervezni... (a raszter méretek nme hiszem,h pontosak ).Ha ez nem ebbe a topic-ba tartozik akkor elnézést kérek!
a rajzon, az A1 és az A2 az egy ic, 8 lábú, te 2 * 6 lábunak rajzoltad
adatlapból kiderül, hogy kell bekötni. meg a ledek, hol vannak? stb.. Üdv
az a1,a2 azért lett 6 lábú, mert régebben néztem az adatlapot és nem emlékeztem jól...
kijavítottam, és ráraktam a ledek forr. pontjait, mert azok nem lesznek beültetve a nyákba. Remélem így már jobb. |
Bejelentkezés
Hirdetés |




A végterméket pedog nyitott csap melett bele a lefojóba?
Kellene csinálni egy vegyszerszekrényt a garázsba, mert nem szeretem hogy ott van a marószóda meg még lessz a sósav és petroxoid. Valaki még megjárja. A ráragasztott halálfej nem szereti a nedvességet.
).



