Fórum témák
» Több friss téma |
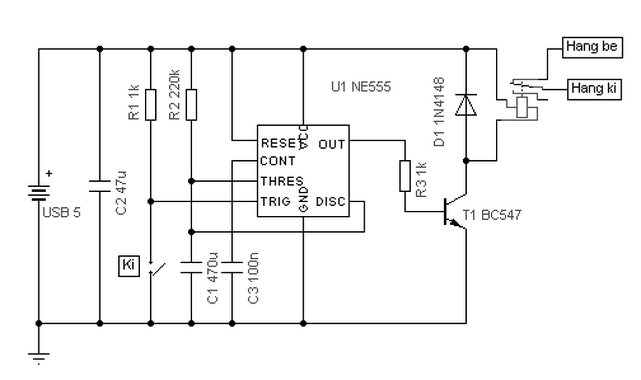
Hello! Először tisztázni kellene mi is a feladat. Mert oké, 5..6 másodpercenként szeretnél képet készíteni. De mennyi időre kell "megnyomni" az exponáló gombot? Tehát nem csak a ciklusidő a kérdés (5-6s), hanem az impulzus ideje is. Valamint ha van "élesítés", akkor gondolom azt is kell működtetni. Ehhez tudni kell az időket, melyik mikor kapcsoljon ki-be. Aztán a feszültség-áram, hogy mit is kell tulajdonképpen kapcsolni. Ha ezek tiszták, ez után lehet az időzítőt tervezni..
A fényképezőn van manuális mód amiben azt is lehet állítani hogy manuális fókusz legyen így az élesítést külön nem kell működtetni. A jel nem kell hosszú legyen, egy pillanatra ha érkezne oda jel az is jó lehet. Gondoltam olyanra is hogy az időzítő működtetne egy kis relét ami kapcsolgatná a kimeneteket, olyan hosszú kell legyen a jel hogy a relé át tudjon kapcsolni egy pillanatra. Táp ellátás elemről menne, előnyös lenne ha 3V-ról menne mert lehet többet nem nagyon bírna el a fényképezőgép.
- Ha a kapcsolás relével megy, akkor teljesen mindegy a tápfeszültsége az áramkörnek, mert a relé galvanikusan elválasztja a kettőt egymástól.
- Célszerű az 555 CMOS változatát használni a kicsi fogyasztása miatt. Tápfeszültségnek meg a 9V-os elemet választani. - Egy 12V-os DIP (HAMLIN) relé általában meghúz 9V feszültségről, és az áramát az 555 is tudja szolgáltatni. - Az R1 értékével lehet az exponálási időt változtatni, jelenleg így kb. 5,3sec. A relé meghúzási idejét az R2-vel. Jelenleg ez kb. 0,1sec. - A bekapcsolástól az első impulzus megjelenésének ideje hosszabb, mint az ezt követő impulzusok közötti idő. De gondolom ez számodra nem számít, csak hogy ne akadj fenn rajta, írtam le. A hozzászólás módosítva: Júl 3, 2015
Nagyon szépen köszönöm a segítségedet, érthető minden!
Megépítettem a kapcsolást, be is van dobozolva, működik szépen. Köszönöm a segítséget hozzá!
Használd egészséggel!
SZiasztok!
Egyszerű ledvillogtatós kapcsolást már csináltam.Meg azt hiszem pwm vezérlést is 555el. Most egy olyan dolog kellene amire egyelőre nem találtam példát. SZóval a feladata az lenne hogy egy relét működtetne az áramkör(erre a kimenetre egy izzó lenne kötve) és úgy hogy két potméterrel lehet szabályozni "mennyit világít" és "mennyit nem világít". Bekapcsolva áramkört elsőnek nem világít a megadott ideig,majd ha ez az idő letelik akkor elkezd világítani x ideig. Körülbelül 1 perc és 2 óra lenne az intervallum mindkét esetben. Köszönöm a segítséget
Az időzítés értelmes maximuma az 1..2 perc, de órákra már nem lehet korrekt analóg időzítő megoldást készíteni. Oda már számláló IC kell.
A 2 óra az már nem 555-nek való feladat. Erre már valami számláló ic való ( cd4541 ,cd 4060) . Ezekból kettőt egymás után kötsz, a másodikat visszavezeted az első bemenetére, így a be és kikapcsolási időt is egymástól függetlenül tudod állítani, igaz két potméterrel.
üdv mindenkinek!
Munkahelyemre szeretnék egy időzítő áramkört csinálni. A szituáció a következő: -van egy számítógép hang kivezetés és hangszóró: ezek közé szeretnék berakni egy időzítő áramkört, ha megnyomjuk a gombot, akkor elindul az időzítés és lekapcsolja a hangszóró felé a jelet, kb 1-2 percre. Fontos lenne, hogy a tápot az usb-n keresztül kapja, így nem kell külön tápot biztosítani. Előre is köszönöm a segítséget!
Meg lehet csinálni. Bővebben: Link Kis áramú 5v-os váltórelé NC csatlakozóira a hangjelet, a relé és az 555 közé egy tranzisztor, védődióda kiegészítés.
Hello! Lerajzoltam, amit Pont ajánlott..
Milyen típusú relét ajánlottok ehhez?
Előre is köszi a tippet!! A hozzászólás módosítva: Aug 15, 2015
Hello! Nyilván 5V tekercsfeszültségű, és két áramkörös, mert gondolom sztereó a rendszer. (5VDC DPDT)
Sziasztok!
555-os IC vel szeretnek egy 12V-os idozitheto relet epiteni. Olyan kellene aminel potenciometerrel szabalyozhato a kikapcsolas kesleltetese 1 es ~15-20 masodperc kozott. Tudna veleki erre egy mukodo aramkort? Ezt talaltam, mennyire lehet ez jo? Bővebben: Link Fontos lenne, minnel elobb szuksegem lenne ra. Koszonom! A hozzászólás módosítva: Aug 20, 2015
Szia!
Keress a topik képei közül az "OFF-DELAY" című képek között. Bővebben: Link. A hozzászólás módosítva: Aug 20, 2015
Hello! Csak épp nem írtad, hogy mire indul az időzítés. Tápfesz megjelenésére, vagy fel/lefutó bementi 12V-ra, vagy záró/bontó kontaktusra és az indítójel meddig áll fenn. Stb.
Hello!
Az időzítés egy "push button"-ra kellene induljon. Tehát pár tized másodpercig lesz indítójel.
Szia!
Köszi, ebből kellene egy ami a feltételeimnek megfelele...
Tökéletes, így ránézésre pont úgy néz ki mint amit keresek.
Ma össze dobom, azt hiszem mindenből van itthon. Nagyon szépen köszönöm!!
Szervusz!
A segítségedet kérném abban hogy megépítettem az áramkőrt működik is rendesen viszont az időzítést 0 - 1 perc közé kellene beállítanom mert változtak az igények!Milyen értékű ellenállást tegyek be a poti elé? Köszi előre is!
Hello! A 470nF-os kondit kell 10nF-ra csökkenteni De azt, hogy egy analóg időzítő áramkört nullától szabályozol, el lehet felejteni és fizikai értelme sincs. Ha egy potival szabályozunk valamit, akkor 1:10 maximum 1:20 átfogást lehet értelmesen elérni. Tehát max 1pec esetén hogy az időzítés be is állítható legyen, a szabályozást kb. 3sec..60sec közé érdemes méretezni. Vagy is a 22kohm-ot 4,7kohm-ra érdemes cserélni.
Köszi a segítsèget! Viszont elnèzèsed kèrem de 10 percet akartam írni nem 1 et nem jól írtam.
De gondolom az alkatrèsz èrtèkek nem vàltoznak jelentősen.
Az idő, hozzávetőlegesen a T=C*(P+R)*65536 képlettel számolható. (Értékeket Ohm-ban, és Farád-ban kell megadni, eredményt szekundumban kapod.) Így nyilván a 100nF a helyes választás.
A hozzászólás módosítva: Aug 24, 2015
Szia!
Megepitettem, de valami nincs rendben... Egy olyan kellene ami, szabalyozhato 0 es olyan 5-6 masodperc kozott... Koszonom!
Hello! Az, szerinted milyen műszaki információ, hogy "valami nincs rendben"? Mit lehet ebből megtudni?
És bár nem neked szól, de ezt is olvasd el légy oly kedves..
Szia, szerintem semmi gond nincs vele, ez ilyen
|
Bejelentkezés
Hirdetés |












