Fórum témák
» Több friss téma |
Sziasztok, LED hangulatvilágítást szeretnék csinálni, de van egy kis probléma hogy 0 a technikai tudásom.
15db 12v 3w ledet szeretnék kültérre 20m led szalagot beltérre vezeték nélküli led dimmerel szeretném vezérelni köszönöm a válaszokat és a befogadást!
Üdv Mindenkinek!
Az lenne a kérdésem, hogy ezt hogy lehetne megoldani? => Van egy RGB LED szalagom, aminek a + a közöse. (Be van építve a gépházba.) Van az alaplapon 3 ventilátor csatlakozó, amivel szabályozni szeretném, de ott csak a + van szabályozva. Mivel lehetne megoldani, hogy arról működjön a LED?
Üdv mindenkinek! Ha erős a 30 centis kis LED szalagom fénye (12V-os) és lejjebb vettem az univerzális adapterem (max. 1A) feszültségét 6V-ra, akkor lesz baja a szalagnak vagy az adapternek? Olyan forrónak tűnik az adapter, még akkor is, ha le van kapcsolva a led szalag. Köszi előre is a segítséget! ^^
Az egy vacak adapter, mert egy stabilizátort állitasz amikor 6V-re állitod a kimenetet. Azaz az energia felét elfütöd - ezért melegszik. A LEDnek nem ártasz, de az adapter lehet, hogy elszáll a melegtöl.
P csatornás FET + pár kiegészítő alkatrész. Jellemzően egy NPN-es tranzisztor és egy-két ellenállással megoldható.
Vagy vágd szét két szimmetrikus darabra, és kösd sorba. Ettől kezdve lehet 12V-ról használni.
Köszönöm! Akkor az adaptert 12V-on hagyom. Nem szeretném, hogy "elszálljon". A fény szabályzásra ez megoldás lehet? LED dimmer
Ha ez :
Working voltage: DC 5~24V Output current : peak 12A igaz, akkor jó.
Vannak ezek a címezhető led szalagok. Minden ledhez tartozik egy cím IC. Ha veszek pl. két db 1m-es szalagot, akkor gondolom nem fűzhetem őket össze, mert az első és a második szalag első chipjében tárolt cím ugyanaz. Tehát ha egy reklámtáblát akarok, akkor egy lehetőségem van, öt tíz vagy húszméteres gurigát rendelek. Vagy nem ?
Köszönöm, vendégem vagy egy serre.
Üdv Néktek!
Egyszerű RGB Led-szalagot szeretnék színenként potival állítani - avagy 3 poti. Egyszerűen bekötöttem egy 50K-t sorosan, de persze nem úgy működik, ahogy én szeretném. Pici tartományban szabályoz, rendkívül érzékeny kéz kell hozzá... ![]() A poti egyik vége testen, a közepe és a másik vége összekötve, megy a szalagra.. A Cikkek rovatból anno megépítettem egy LM317 szabályzót, ami viszont erre talán nem jó, mivel a + ágat szabályozza, a LED szalag pedig +12V-ot kap, és a testet lehet áganként állítani. Viszont ha "fordítva" kötném be, működhet? tehát az LM317 IN ágára tenném a Ledeket, és az OUT-ra a testet? Vagy volna másvalami tényleg pár alkatrészes lehetőség?
Nem jó a gondolat!
Impulzus szélesség moduláció kell neked. PWM. Színenként egy. ebből kell 3 db. A hozzászólás módosítva: Júl 8, 2015
Szia.
Nem szeretnék IC-ket, meg FET-eket, túl sok a láb, túl kényes, túl nincs időm, és ezeket mind meg kéne venni, nincs itthon.. PWM-nél egyszerűbbet szeretnék, pl amit említettem LM317-es kapcs + egy tranzisztor, vagy a még egyszerűbb csak Poti? ![]() Ha a másik végére a testet kötném, biztosan jobban működne, csak tartok tőle, hogy ahhoz az 50K poti kicsi, nagyon megterhelné a tápot? Elvégre hangerő-szabályzásnál is ezt használják..
Hangerő szabályozásánál is potit használnak, de nem olyan hatalmas (viszonylag) áramra közvetlen, mint amilyet a LED szalag kér. Van némi különbség.
Szerezz 500 Ohm-os potit, azzal kicsit könnyebb lesz a dolgod. Fontos, hogy nagy teljesítményű legyen (kb. 5W), különben füstölni fog. Ez csak egy hasraütés, lehet, hogy az 5W-os is kevés lesz.
Hello! Érdekes hozzáállás.. Az 50k poti jó hozzá, csak a súlya legyen ekkora, nem az értéke..
Még azt sem tudni, közös katódos, vagy anódos a szalagod és mekkora áramfelvétele van.
Közös anódos is létezik? Nem is hallottam még..
Akkor így marad, így múködik, csak tized milimétereket kell tekerni.. De úgyis csak max napi 1x. Amúgy csak 45cm-ről van szó, a 60 ledes szalagból, tehát 7W körül van...
Fogalmam sincs, mert nekem nincs semmilyen szalagom. De elvileg három lehetőség adott. Közös anód, közös katód és független.
De legalább egy tranyóval egészítsd ki a potit. Nem ég le, és nem "tizedeket kell állítani". (A szalagban bent van az ellenállás, és nem tudom hány Led van sorosan benne..) A hozzászólás módosítva: Júl 8, 2015
Köszönöm, na ilyen megoldásra gondoltam én!
![]() BD van is itthon, majd ki is próbálom. Köszönet!!! Kellemes 7végét!
A poti alul kezdetben nem fog szabályozni, mert a Led-ek nyitófeszültségének elérése felett fog áram folyni. De ez a poti alá bekötött ellenállással szépíthető. Hogy mekkora kell, azt csak próbával tudod meg, mert nem tudni a szalagban a Led-ek nyitófeszültségének összegét. És mindegyik színnél más-más lehet.
Üdv!
A poti és a tranyó bázisa közé kellene egy ellenállás( pl: 1kOhm), mert a potit teljesen a test felé állítva tönkremegy a tranyó!!
Hello! Ez maximum akkor fordulhatna elő, ha a Led-ek helyén egy melák ekó lenne..
Szia.
Ez így nem jó, füstölnek a potik, alig kell 10mp... Végül is az 50K direkt tápon van... 12V 50K = 240mA fejenként... Ha levenném a potik tápját egy 7805-el, az segítene?
A 12V/50k az nem 240mA, hanem 240uA. Így ahogy lerajzoltad, semmi estre sem jó. Mert mi korlátozza itt a bázisáramot? Semmi! ÉS akármekkora a feszültség, a bázisáramra szükség van..
Egy tranyónál ha a terhelőáramot elosztjuk a bétával (áramerősítési tényezővel) megtudjuk, mekkora bázisáram kell. De nem tudni ténylegesen mekkora terhelés, milyen tranyót használsz, jól kötötted-e be, stb. De ha tényleg 7W a led, akkor 12V mellett 580mA az áramigénye. Ha a tranyó bétája (hfe) eléri a 100-at, akkor 5,8mA-rre van szüksége. Hogy ez korrekt módon működjön az 50k potival, kb. 24-szer nagyobb bétára lenne szükség. Vagy is kicsit "gomhoz kabát" esete amit teszel. De talán jobban járnál, ha komplementer darlington képeznél egy NPN és egy PNP tarnyóbol. Mert annak áramerősítési tényezője a két tranyó bétájának szorzata lesz. Így megfelelhet az 50kohm. De annak maradék kollektor-emitter feszültsége nagyobb lesz, mint a sima emitterkövető kapcsolásnak. Avagy nem tudod a Led-eket majd 12V-ig "kivezérelni". De hogy miért nem jó neked egy PWM kapcsolás egy 555-el, fogalmam sincs. Egy tranyótól nem lehet csodákat várni és melegedni is fog a tranyó.. A hozzászólás módosítva: Júl 18, 2015
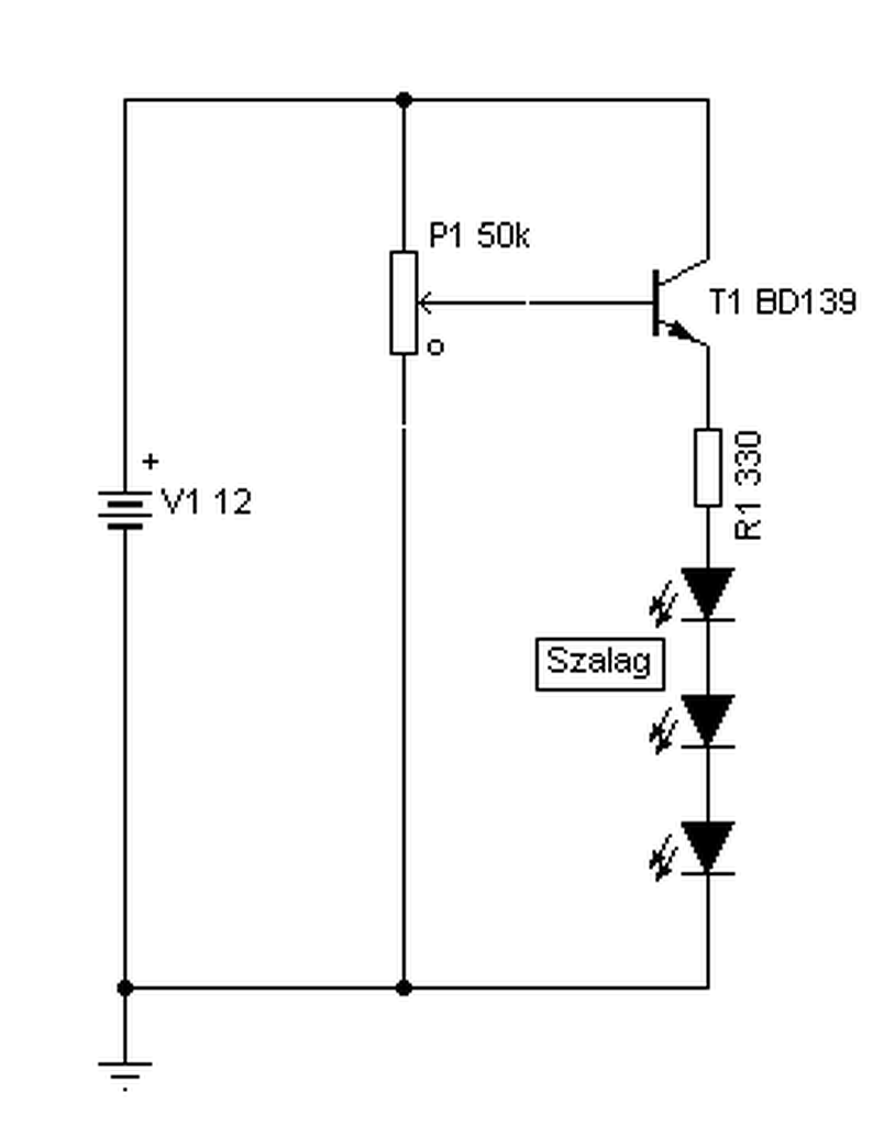
Erről van szó:
LED szalag 14,4W / méter, és 45 cm-ről van szó. A +12V a közös, tehát a Test ágát kell vezérelni. Bár tanultam az elektronikát, annak 25 éve és egy percet sem dolgoztam benne, tervezni egyáltalán nem tudok. A potik bármilyen beállítás mellett néhány mp múlva halványan izzanak, majd füstölnek. Egyébként addig működik a szabályzás szépen. Egyszerűen nem akartam akkora energiát beletenni, hogy nyákot csináljak, 3 db 555, és FET-ek... Az nincs is itthon. Bolt meg a közelben kb 50km-re... Posta nem, mert Szlovákiába nősültem. Egyébként BD241A volt itthon, azzal raktam össze. Meg lehet úgy oldani, hogy a potik másik végét nem teszem testre, de a tranyók mégis működjenek?
Megrajzoltam mit kellene tenni. A poti nem azért füstöl,mert a két vége a tápon van, hanem azért mert a csúszkán nagyobb áram folyik, mint szabadna.
Ha van egy PNP tranyód (szinte bármilyen) akkor készíthetsz vele egy komplementer darlingtont. A BD241-től 500mA kollektoráram környékén, kb. 100-as béta várható. Így 5mA bázisáram igénye van. Ha a PNP tranyó bétája 200 körüli 5mA mellett, akkor ennek bázisához 25uA áramra van már csak szükség, hogy kivezérelje a BD241-et. Mivel most a negatív oldalon szabályozunk (mert azt szeretnéd) a poti fordítva szabályoz, akkor lesz a fény maximuma, mikor a csúszka a testen van. A poti felett az R1 csak azért szükséges, hogy a poti ne csak a végén szabályozzon. Hiszen egy emitterkövető, követi a bementi feszültséget, a Led-ek meg nem nyitnak ki addig, míg meg nincs rajtuk a nyitófeszültség. Az R2-őt azért tettem bele, hogy véletlenül se tudd tönkre tenni a potit, ha rosszul kötöd be. (Az Re és a három Led, csak modellezi a szalagot.) Remélem így már boldogulsz..
Szia.
Egyszerűen tökéletes! Hálásan köszönöm!!! Jövök egy sörrel! Már 15 perce megy, picit sem melegszik semmi. Ugye, hogy nem csak a PWM létezik?
Sziasztok! Tud valaki olyan tápegységet, ami 25, vagy 30A leadására képes 12V mellett és ventilátor nélküli hűtéssel rendelkezik?
Ilyesmire gondolok
Sziasztok segítséget szeretnék kérni egy RGB ledszalagot akarnék autóban használni.
Első kérdés: az esetlegesen fellépő túlfeszültséget (14V), hogyan korlátozhatnám le mondjuk 11,5v-ra hogy meg óvjam a ledeket. Második kérdés: egy kapcsolóval (akár jaxley) lehetne e a színeket váltogatni ha igen milyen kapcsolással? |
Bejelentkezés
Hirdetés |










Jövök egy sörrel!






