Fórum témák
» Több friss téma |
Hello mindenkinek !
Szeretnék megvalósítani egy 5 x 4 soros infralámpákból álló elem melegítő "falat"autófényezéshez.Vas álvány,porcelán foglalatok,hőálló kábel megvan.Az egészet 380V-ról szeretném üzemeltetni úgyhogy egyszere és egyenként is tudjanak villágitani.Ehez szeretném kérni a segitségeteket,hogy a kapcsolást miként oldhatnám meg,ha egymód van rá akkor külön elektronika ne kerüljön bele max egy kapcsoló tábla 20 kapcsolóval a sérülés elkerülése végett pl.:ha valamenyit leszeretnék kapcsolni az égők közül.Köszönöm előre is. :wave:
sztem számgépről lenne a legegyszerűbb megoldani van is egy ilyen topic Bővebben: Link
mekkora teljesítményűek lennének az infralámpák?
szia.
semilyen plussz eszközt nem szeretnék rácsatlakoztatni csak egy sima kapcsolás kellene nekem 380 V-hoz ami kimene egy kapcsoló táblára +1 főkapcsoló.Fényerőt nem szeretném változtatni,sem játszani nem szeretnék vele pl villogjon meg ilyenek,de azt sem szeretném ha az egyik lámpa befolyásolná a másik teljesítményét.
Lehet hogy kezdő vagyok de a következő kérdésem lenne ha már 380 van egy nyavalyás 0 csak van a közelben ,mert akkor az égők egyik vége 0 másik vége kapcsoló a kapcsoló másik vége fázis ,Ez minden lámpánál és 10 ilyen csoport az egyik fázisra 10 a másikra és kész,minden égő külön kapcsolható.vagy ha nincs 0 akkor esetleg két égő sorba és a két fázis közé (sokkal kisebb hőért cserébe egyszerűbb)
akkor nem értem a kérdést kell 12db oinfralámpa 12 db kapcsoó meg 1 rakás vezeték nem kell semi kapcsrajz simán párhuzamosan kötöd az egészet és 1-1 kapcsoló minden sorba
Mi az, hogy 380 V-ról?... 3x230 voltról v. 3x400 voltról?
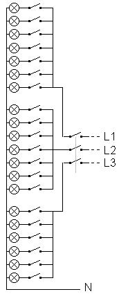
A lámpák ( 5 x 4 db ), feltételezem, 230 voltosak. Ebben az esetben gondolom, darabonként 230-ról fognak menni és mivel azt írtad, hogy külön-külön is kellenek, akkor 20 egyedi+1 főkapcsoló kell. Elosztás meg 7 db(L1)+7 db (L2)+6 db(L3), fázisonként, a nulla meg minden lámpához.
Lerajzoltam skiccben, hogy egyértelmű legyen...
ferci!
Az általad készitett rajz a megoldás valószinű ami ugye pofon egyszerű,csak nem voltam biztos benne,hogy ezt ilyen simán meg lehet oldani és nem kell semmi egyébb dolog hozzá révén,hogy 3 fázisú dologról beszélünk itt gondolok a 1 fázisból lett 3 fázis dolog (túlterhelés)meg ilyenek de itt külön 3 jönbe az órához.Másszóval köszönöm.
Arra figyelj, ha külön ágon vannak, hogy túl ne biztosítsd... úgyis egyenként illik bekapcsolni és ezért nincs nagy áramlökés.
A nulla üzembiztosan legyen szerelve, nehogy lazuláskor esetleg aszimmetrikus darabszámok kerüljenek sorba 400 voltra, habár ennek kicsi a valószínűsége. 1., #182197-es hsz; 2., #182207-es hsz. ...vagy nem nekem címezted? Persze a lényeg ugyanaz. |
Bejelentkezés
Hirdetés |






