Fórum témák
» Több friss téma |
Fórum » Csöves erősítő készítése
Ne feledd betartani a fórum viselkedési szabályait, és a topik megmaradásának feltételeit. [link]
A téma átmenetileg fagyasztva lett, hozzászólni nem tudsz!
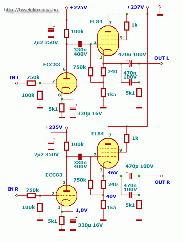
Végfokcső nélkül 10K ellenálláson méricskélj először. 1KHz szinusszal nézd szimmetrikus vágásra.
Maximális bemenő jelnél sem torzul a szinusz jel.
Túl kell vezérelni addig, amíg a szinusz teteje és alja nem vág, ha ez egyforma, akkor lehet tovább lépni.
Mérj DC feszültségeket a végcsövön és írd be a rajzra.
Idézet: „8 láb: 260v” Ez elírás? Elvileg a 6П14П 8-as lábára nem kell semmit kötni.
Végcső új, kimenőd áttétele mekkora? Peter_S kérdése fontos, ha nem nézted el akkor nincs segédrácson feszültség.
A hozzászólás módosítva: Nov 11, 2015
Bocs 9. láb!
A cső használt. Kipróbáltam egy használt EL84-el, és ugyanazt mértem. A kimenő Capri rádióé. A katód ellenálláson rövidre zárt bemenetnél 116 mA-t mértem.
Megmérnéd a trióda anód és katódfeszültségeit is?
Csak hogy teljes legyen a kép. Idézet: „A katód ellenálláson rövidre zárt bemenetnél 116 mA-t mértem.” Ez nem jöhet össze, 10V-ot mérsz a katódon, katódellenállás 150 ohm, 66mA lehetne, ami még így is sok...
ECC85 használt
anód 1. láb 171V katód 3. láb 3 mA 2V 6N1P új 1. láb: 153V 3. láb: 3,5mA 2,6V 6p14p használt 9. láb 274V 3. láb: 7,7V 116mA EL84 használt 9. láb: 277V 3. láb: 95mA(emelkedik) 7,2V Idézet: „3. láb: 7,7V 116mA” Imént még 10V, mi történt? Végcső 2. kivezetésén van DC? Szerezz új csövet. Idézet: „ECC85 használt anód 1. láb 171V katód 3. láb 3 mA 2V” Ennek 1,48 mA-nek kellene lennie a rajz szerinti ellenállásokkal. Idézet: „6N1P új 1. láb: 153V 3. láb: 3,5mA 2,6V” Ennek meg 1,9 mA-nek. Idézet: „6p14p használt 9. láb 274V 3. láb: 7,7V 116mA” Ennek 51 mA-nek, ami kicsit sok, de majdnem jó. Idézet: „EL84 használt 9. láb: 277V 3. láb: 95mA(emelkedik) 7,2V” Ez meg 48 mA. Ezeket az áramokat méred, vagy számolod? Nem lehet hogy mérési hiba áll fenn, és megpróbáljuk megjavítani az egyébként jól működő áramkört? Az ellenállások a rajz szerintiek? A multiméterben jó az elem?
Nem tudom mi történt, valószínű én hibáztam.
Az utolsó mérés jó. Többször ellenőriztem. A 2. lábon egyenáramot nem mértem.
Mérésed nem stimmel, vagy a mért áram, vagy a feszültség mérésed hibás.
Ettől függetlenül új végcsövet kell szerezned.
Két multiméterrel mértem. A ket multi között volt eltérés, de minimális. A 150 Ohmos ellenállást az egyik 158-nak, a másik 168-nak mérte.
Köszönöm a segítséget!
Szerzek új elemeket, és csöveket. Esetleg multit is.
Tisztelt Társak!
Sikerült szert tennem egy régi mv3 csöves erősítőre. Tudom van topikja, de ott egy éve nincs forgalom ezért kérdezek itt. Szeretném az egészet egy új, esztétikusabb dobozba építeni, plusz egyéb dolgokkal kiegészíteni. Egyébként szépen, alapzaj nélkül szól mindkét csatorna. A plusz amit szeretnék egy fantomtápos mikrofon bemenet, (hangszer mikrofonnak, kikapcsolható) és a csövek felé ventilátoros hűtés. Ebben szeretném kérni építő javaslataitokat. Ja és ha valaki meg tudná mondani hogyan lehet roncsolás nélkül kivenni a belsejét azt is megköszönném. Nem akarnám az eredeti fémházat szétbarmolni de nem jöttem rá a nyitjára. Ti hogyan oldanátok meg? Köszönettel: csibai
Küldtem PÜ-t
Legenda feltámad!
A hozzászólás módosítva: Nov 13, 2015
Negatív vélemeny: Az anódáram csak belül állítható.?.
Bekötöttem és szinte teljesen más a hangja. De én nem a mélyekben hallom a különbséget, hanem inkább a magasakban. Talán úgy tudnám leírni, hogy nem nyomja el annyira a mély a magasat.
Itt is van pár befolyásoló tényező. Kimenő átvitele, rosszul beállított munkapontok. Csatolókondik kapacitása.
Hamár felmerült a munkapont, a végcsöveket milyen beállításban lenne célszerű üzemeltetni? Tudom, ez sok mindentől függ. A tápfeszültség 430V. Most 25mA az anódáram csövenként. Próbáltam már 40mA-rel is, de nem hallottam a különbséget. Azért szeretnék egy A osztály közeli, de nem minden áron.
A túl kevés áram sem jó. Hamar keresztezési torzítás lehet a vége. Ez egy 40W -os cső. Nem kevés az a 25mA? Ennyire nem kell "kímélni" a csöveket. Optimális áram beállításakor én szkópon szoktam figyelni, szimmetrikus vágásra, ügyelve arra, hogy disszipáció max értéke alatt maradjak.
Én mindig az előfokkal kezdem, addig nem is nyúlok a végfokhoz. Ha az eleje nem jó, a végétől sem várhatsz jobb eredményt.
Sziasztok, az alább csatolt képen lévő kapcsolás megszólaltatásához kell kimenő trafó, illetve trafó nélkül közvetlenül ráköthető egy 70 Ohmos fejhallgatóra úgy hogy az ne károsodna?
Nem kell kimenő hozzá.
Az előfoknál mit nézzek? Szimmetrikus vágást?
Igen. Főként azt, és szintesést, stb. Kezd az első csővel, és sorban haladj, úgy rakosgasd be a csöveket. Ezeket is válogatni kell, mint a végcsöveket.
|
Bejelentkezés
Hirdetés |




