Fórum témák
» Több friss téma |
- Ez a felület kizárólag, az elektronikában kezdők kérdéseinek van fenntartva és nem elfelejtve, hogy hobbielektronika a fórumunk!
- Ami tehát azt jelenti, hogy a nagymama bevásárlását nem itt beszéljük meg, ill. ez nem üzenőfal! - Kerülendő az olyan kérdés, amit egy másik meglévő (több mint 17000 van), témában kellene kitárgyalni! - És végül büntetés terhe mellett kerülendő az MSN és egyéb szleng, a magyar helyesírás mellőzése, beleértve a mondateleji nagybetűket is!
Azt nézd meg, hogy szabályozható-e, vagy fix feszültségű. Az előbbiek jók lesznek kb. 0,8 A-ig.
A szabályzást elvileg Trimerel meg lehet oldani
Sziasztok,
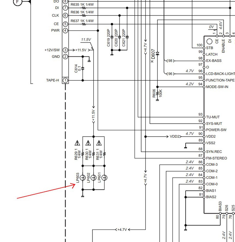
Van egy LCD kijelzőm egy hozzá tartozó meghajtóval. A meghajtó egy 6245/F2/ES típusú ST gyártmányú mikrocsip. Valószínűleg ez lesz, vagy ilyen, mert stimmelnek a lábak meg sok minden más is: Bővebben: Alldatasheet A kijelzőnek 15 pinje van és ha jól számoltam, akkor 76 szegmense. A kérdésem az lenne, hogy ISP-n keresztül kitudom olvasni a chip tartalmát és alapján lehetne csinálni az LCD-hez saját meghajtót? Esetleg van ennél egyszerűbb megoldás? Végeredményben egy Arduinoval szeretném meghajtani. Ha komplett hülyeség, akkor szóljatok ![]() Köszönöm, Ádám.
Sziasztok!
Következő lenne a kérdésem! Van egy (gyàrilag) duplaakksis kisteherem, szeretnék bele plussz egy tartalék akksit, mivel menne bele 12v os mikor, vizforralo, stb.... Nemnis a bekötéssel van "baj" hanem sok helyen olvastam hogy érdemes "levàlasztani" a tartalék akksit! Arra gondoltam lerelézném mind a pozitiv , mind a negativ àgat, plussz betennék egy PIC et ami figyel a V-t Ha megy az autó (és van a generàtorbol töltés) akkor olyan 13-13,4V körül rohangàl akkor behuzna a relé és töltenè a tartalék akksit is, ha meg nincs töltès akkor olyan 12,4-12,6 van az akksiba akkor pedig elenged a relé, bontja a kőrt ès levàlasztodik a tartalék! Van e értelme ennek? Vagy simàn kössem direktbe rà? Igen a generàtor elbirja a plussz aksit!
Ha a mostani akkuk párhuzamosan vannak kötve (12V-os a rendszer) és a generátor elbírja, mehet rá direktben, felesleges trükközni.
Bizony érdemes leválasztani a szekunder akksit. Mert még a végén annyit mikrózol, vizetforralsz, TV -zel, hűtőzöl, hogy lemeríted a primer akksit is, és reggel nem indul az autó. Nézz körül lakókocsis oldalakon, mert a megoldás, ha biztonságban akarsz lenni, nem egyszerű.
(velem megtörtént, hogy egy parkolóban lakókocsiban reggelre a két szúnyogírtó (+ hűtő) lemerítette a mindkét akkumlátort, és bikázni kellett)
De ha leválasztja, és lemerül a tartalék akksi, akkor a generátor az leginkább csak azt fogja tölteni, nem?
Nem nevezném tartalék akksinak, mert nem tartalék a célja. Ha csak egyszerűen párhuzamosan kötöd, akkor csak nagyobb kapacitást érsz el, meglehet, hogy csak eltolod a problémát.
Azért írtam, hogy nem egyszerű a szekunder akksi problémája, a leválasztást gyakorlatilag egy inteligens töltő végzi, ami figyeli a primer akksi feszültségét, nem tölti a szekunder akksit 12 V alatt, nem enged a primer akksi felé áramot, (önindítózás) nem engedi lemeríteni a szekunder akksit sem. A generátorok általában jó nagy áramot tudnak, nem túl nagy probléma a szekunder akksi amúgy is szabályozott töltőáramának biztosítása. (miután az eset megtörtént, borzasztó kellemetlen volt villanyt kuncorálni, készítettem egyet, valamelyik rádiótechnikában megjelent cikk alapján, és még bonyolítottam is azzal, hogy 220 -at is csinált, ill. ha kúlső 220 -at kapott, arról töltötte a lakókocsi akksiját is, de ez most ezesetben nem játszik) A hozzászólás módosítva: Nov 25, 2015
Több irányból is megközelíthető a dolog.
Egy akksi nem lesz elég pl. egy leves elkészítéséhez, így az mélyrepülésbe mehet át többször is, ami nem tesz jót neki, de legalább a rendszert nem meríted le. Vagy. Növeled a rendszer kapacitását, elég egy leves elkészítéséhez az energia, de ha nem figyelsz, lehet bikázni az autót mert túlhasználod másra is.Kemping tűzhely ésszerűbbnek tűnik, tartalék palackkal.
Egy DM0265R ic-ről,hogy tudom megállapítani,hogy biztosan rossz ?
8-7-6-as lába a +tápra van kötve,1-es a "-"-ra.Kiforrasztottam és 67ohm-ot mérek ezeken a lábakon.Szerintem ez nem jó. Milyen egyértelműbb mérés van a hiba megállapítására ? Egy példa az IC alkalmazására.
Ez sokkal bonyolultabb IC annál, hogy Ohm-mérővel használható információt kapjál róla.... Valószínűbb, hogy nem jó. (Mondjuk, ha 0 Ohmot mértél volna a tápja és a földje között, az biztosan azt jelentené, hogy nem jó.)
Ezt a kapcsolóüzemű tápegységet egy hozzáértő ember működés (nem működés) közben, leválasztó transzformátorral leválasztva a hálózatról, oszcilloszkóppal és egyéb műszerekkel tudja átvizsgálni, és egyértelműen megmondani, hogy jó-e.
Kapcsoló üzemű tápban 2A biztosíték elszállt,47mikro 400V kondi felpúposódva és oldalán kidurranva.Kicseréltem ezeket és 220V felőli oldalon 67ohmot mértem.Az biztos nem jó, mert Mohm körüli értéket kellene mérnem.Ezek után kiszedtem az IC-t és úgyanugy 67ohmot mérek a két pólusa között ami 47mikro/400V-ra csatlakozik.Ebből gondolnám,hogy valószínűleg ez is elszállt.
Köszi, de a másik hozzászólásban már megírták, hogy ez az aksi kb 2A-t tud leadni. Ha nekem meg 6-10A kéne, akkor ez a megoldás elég reménytelennek látszik. Páne, ha csavarozni is szeretnék vele, nem csak hogy magában forogjon. Úgy néz ki ehhez más aksit kell szereznem. Valószínű ebből az aksiból párhuzamosan kötve is inkább 4-kéne, mint kettő..
Köszönöm a segítséget. A Zippy aksiban, amit javasoltál, gondolom a "Discharge: 40C Constant / 50C Burt” jelenti, hogy mennyi áramot tud leadni.
De mi a C? Coulomb? Miért nem amper, ami ugye az C/sec?
Szia!
A C a kapacitásra utal. Vagyis pl. egy 2200mAh-s akku 1C terhelése 2,2A-t jelent, 40C-s terhelése 88A-t jelent. 1C terheléssel kb. 1 óra alatt merül le, 40C-vel kb. 1,5 perc alatt.
Hello! A "C" az asi névleges kapacitását jelenti. Tehát pld. egy 2200mAh kapacitású aksi 1C terhelése 2,2A csúcsáramot jelent. De nem fogja adni ezt az áramot egy órán keresztül, mert itt már jelentősen csökken a kivehető kapacitás. Mert a megadott kapacitás 20óra alatti kisütőáramhoz érvényes. Itt a példában az 110mA lenne.
Épp egy hete cseréltem ilyet egy almás routerben. A tok rövidebb oldalán a 4-5 láb között fújt ki ez az IC, bekormozva az Y kondit. A primer oldali puffer kínlódását és a segéd kondit nem éli túl.
Én is erre tippelek,csak én még az IC-n nem látok hiba nyomokat.
Én azért először kipróbálnám, hogy mit csinálnak védelem nélkül.
Ezt olvasd el, saját tapasztalat, és mérés: Bővebben: Link Főleg az utolsó sor az érdekes. Ami cella a fúróban van, már szét lett használva, 2.6V-ig lett merítve, kapta rendesen, és mégis, egész jól bírja! A hozzászólás módosítva: Nov 25, 2015
Üdvözlet!
Érdeklődni szeretnék, hogy "led kotonnal" ellátott pici izzóknak milyen nyitási feszültsége van, vagy milyen tartományban működnek? Egy Kenwood Hi-Fi kijelzőjének a háttérvilágítása a képen látható 3db izzó, de mindegyik kiégett, így szeretném valamivel pótolni. Ilyeneket egyáltalán lehet még kapni?
A feszültséget mérd meg. 3-12V között bármi lehet. Rizsszem izzó néven elektronikai, vagy modellezős boltokban keress. Vigyél magaddal mintát sokféle méretű létezik.
Igen, közben megtaláltam, hogy rizsszem izzó, csak a mérés miatt sajnos újra össze kéne raknom az egész Hi-Fi-t, mert romokban hever, gondoltam hátha ezt a részt megspórolom.
Közben találtam service manualt, ha jól értelmezem, akkor 12 Voltosak lesznek?
Már miért kéne összerakni? Szétszedve is megmérheted a feszültséget. Nem kell hogy szóljon.
Kék LED, valamint zsugorcső és ellenállás?
Az itt sajnos nem opcionális, mert a led irányított fényt ad, még ha körbe is csiszolom, ráadásul egy ekkora kijelzőt foltosan világítana be. Ezzel a kotonnal, szép zöld színe lesz, na meg nem akarok vele sokat szöszölni.
Az biztosan sokáig jó lenne, de szerintem kicsit alacsonyabb feszültségű lehet, mert van előttük egy egy 1 ohm-os ellenállás. Bár próba szerencse, talán a 12V-osnak is elég a fénye.
A hozzászólás módosítva: Nov 25, 2015
Remélhetőleg kapok belőlük helyben, és akkor veszek 9 és 12 Voltos példányt is, és kiderül melyik a jobb. Ezeknél ugye nincs polaritás? utoljára talán 10 éve találkoztam ilyen izzóval, így sokat nem tudok róluk.
|
Bejelentkezés
Hirdetés |










