Fórum témák

» Több friss téma
Fórum » Ez milyen alkatrész-készülék?
 
Témaindító: csaby, idő: Dec 25, 2005
Témakörök:
Lapozás: OK   71 / 1205
(#) ntesla válasza sprofan hozzászólására (») Feb 26, 2008 /
 
70010AB a tipusa. A TDA7375 a helyettesitoje.
(#) sprofan válasza ntesla hozzászólására (») Feb 26, 2008 /
 
De hogy tudnám használni?
mert a TDA7375 15 lábú ez meg 11, és nem tudom hogy melyik láb micsoda. De azért köszi
(#) sprofan válasza ntesla hozzászólására (») Feb 26, 2008 /
 
Hmm.. találtam valamit, nem lehet hogy ez egy TDA7350 -es?
Valaki vetne rá egy pillantást?
Bővebben: Link
Ezt találtam: Ponoć 70010AB=TDA7350.
(#) kocici17 hozzászólása Feb 26, 2008 /
 
Azthiszem ezért kikapok a moderátoroktól, de ötletem sics .
Ha valaki tudna segiteni.... kellene 1 db SAA1042 nevü őskövület../stept motor driver. Iszonyatosan sürgibe. Sajna a boltokban már egy ideje nincs mert "kifutott a tipusa, és nem tudom mivel helyettesíteni. Minden megoldás piszkosúl érdekelne.
Minden segitségért köszönet
(#) kocici17 válasza sprofan hozzászólására (») Feb 26, 2008 /
 
Ez egy 22w os stereo végfok. ha a romos rádio vegfoka vissza volna rajzolva akkor lehetne gondolkodni a megoldáson vagy el kellene késziteni a 7350 es végfokot egy kicsi nyákra és bele szenvedni.
Még lehetne mogyorozni akkor is ha megtalálnám a 70010 ás lapját, akkor át lehetne rajzolni az alapkapcsolást.
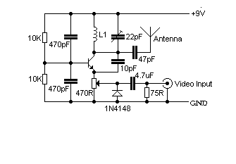
(#) AMD hozzászólása Feb 26, 2008 /
 
Ez polarizált kondenzátor?

Kép.jpg
    
(#) kocici17 válasza AMD hozzászólására (») Feb 26, 2008 /
 
Igen és thantál.
(#) AMD válasza kocici17 hozzászólására (») Feb 26, 2008 /
 
Ehhez a kapcsoláshoz kell.
(#) kocici17 válasza AMD hozzászólására (») Feb 26, 2008 /
 
Elvileg a 4,7uf os kondi a "bemeneti leválaszto helyén " használható.
Ez a potméter elött van.
(#) AMD válasza kocici17 hozzászólására (») Feb 26, 2008 /
 
Mindegy hogy hogy kötöm be, vagy figyeljek a polaritásra?
(#) kocici17 válasza AMD hozzászólására (») Feb 26, 2008 /
 
Ha jól emlékszem a negativ áll a potméter felé,
Nem fog tönkremenni ha forditva teszed véletlenül, csak nem fog ugy menni ahogy kell.
(#) Balazs_555 válasza kocici17 hozzászólására (») Feb 26, 2008 /
 
Hali!
Megtaláltam a ezen az oldalon.

itt

A neve:
SAW RESONATOR (surface acoustic wave resonator)
(#) kocici17 válasza Balazs_555 hozzászólására (») Feb 26, 2008 /
 
Akkor nem sokat tévedtem
Van is egy unatkozó amit láttál.
(#) titi válasza sprofan hozzászólására (») Feb 26, 2008 /
 
Ha még megvan az eredeti környezete, akkor az adatlappal összehasonlítva könnyen visszafejthető, hogy valóban az-e.
De úgy néz ki az...
(#) zoly15 hozzászólása Feb 27, 2008 /
 
Nekem nem tud senki segíteni?????? :no:
(#) kocici17 válasza zoly15 hozzászólására (») Feb 27, 2008 /
 
Ne izgasd magad biztos nem azért nem reagálnak mert nem akarnak, hanem azért mert nincs informáciojuk.
Sajnos nekem sem tudnak segiteni mert 7 éve nem forgalmazzák a cuccot. Ha lenne valakinek jelezné ez tuti.
De itt van egy linkgyüjtemény már nem is tudom hányadszor, ha türelmesen vigigmész rajta, 100% hogy valamelyik linken megtalálod a grundigodat.[url=http://paius.go.ro/ [/url]

Link javítva! Legközelebb jobban figyelj!
(#) titi válasza zoly15 hozzászólására (») Feb 27, 2008 /
 
Hali!
Inhouse adott némi választ a kérdésedre, de annál többet valóban nem lehet mondani..
Esetleg, ha tudnál szerezni hozzá kapcsirajzot, akkor valamin eltudnál indulni, de így...
(#) sprofan válasza titi hozzászólására (») Feb 27, 2008 /
 
Köszi
nagyából egyezik a kapcsolás, szóval a Vcc a Vcc nél van stb.. szóval holnap kipróbálom.
(#) alkesz24 hozzászólása Feb 28, 2008 /
 
Sziasztok!

Idő hiányában itt teszem fel a kérdésemet, ha nem bánjátok. Arra lennék kíváncsi, hogy nevezik azt az alkatrészt, ami mágneses tér hatására engedi át az áramot? A mérete kb akkora lehet mint egy ellenállásé, és a műkdését a diódához tudnám hasonlítani, azzal a külnbséggel, hogy egy mágnes kell ahhoz, hogy egyik irányban átengedjen. Köszi a válaszokat. Ha nagyon érthetetlen amire gondolok, akkor majd keresek egy linket róla.
(#) alkesz24 hozzászólása Feb 28, 2008 /
 
inkább adom a linket is
Bővebben: alkatrész
(#) Vacok válasza alkesz24 hozzászólására (») Feb 28, 2008 /
 
Szia!
Reed relének hívják.
(#) anonim49 hozzászólása Feb 28, 2008 /
 
Ez vajon milyen alkatrész?

P1040005.JPG
    
(#) Medve válasza anonim49 hozzászólására (») Feb 28, 2008 /
 
Melyik? (Ezt csajom szólta be!)
(#) egyszeripaneles hozzászólása Feb 28, 2008 /
 
sziasztok. samsung plazmatévékből kiszerelt panaeljeim vannak, de nagyon nem értek hozzá, szóval a kérdésem: egyben, vagy a rajtuk lévő alkatrészekkel, tekercsekkel, chippekkel lehet valamit kezdeni (pl. eladni?).
köszönöm előre is.
http://www.flickr.com/photos/rosseb/sets/72157600318226177/
(#) alkesz24 válasza Vacok hozzászólására (») Feb 28, 2008 /
 
Nagyon szépen köszönöm a segítségedet.
(#) zoly15 válasza titi hozzászólására (») Feb 28, 2008 /
 
szia!
akkor jók lesznek belöle a potik tranyák meg stb :yes:
(#) borvendeg hozzászólása Feb 28, 2008 /
 
Hello smd tranzisztor jelölésekre lenne szükségen egész pontosan egyre: ez van ráírva 3Jp5d Az 5d 90fokkal elforgatva van...
segítséget előreis köszi
(#) kocici17 válasza borvendeg hozzászólására (») Feb 28, 2008 /
 
fotozd már le ezt az izét, hogy egy értlmübb legyen
(#) Medve válasza borvendeg hozzászólására (») Feb 28, 2008 /
 
(#) kocici17 válasza Medve hozzászólására (») Feb 28, 2008 /
 
Köszi Medve én is tanultam ami nem szégyen.Igaz másra gondoltam hirtelen , de jogos 2 pont
Következő: »»   71 / 1205
Bejelentkezés

Belépés

Hirdetés
XDT.hu
Az oldalon sütiket használunk a helyes működéshez. Bővebb információt az adatvédelmi szabályzatban olvashatsz. Megértettem