Fórum témák
» Több friss téma |
Sziasztok!
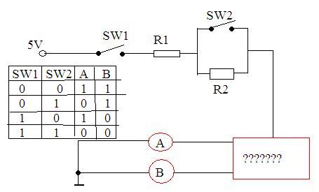
Valaki segíthetne egy apró áramkör rajzának megalkotásában. Egy "riasztót" építek PIC-ből és a DEOL-os lezárást alkalmaznám egy-egy zónán. Ehhez kellene egy olyan kis kapcsolás, ami segít a kapcsolók állása szerint és a két egyforma (ált. 5,1kohm, vagy 2,1kohm) ellenállás által, a két (A és B)kimeneten magas és alacsony jelet kivezérelni. Gondolom ez valamilyen tranzisztoros megoldással sikerülhetne, de én ehhez nem értek sajnos. A rajz mellé csatolom az igazságtáblát is. Az eredmény végülis az elentetje is lehet. Előre is köszönöm, ha bárki segíteni tud. u.i.: Végülis az ellenállások összértéke szerint lehetne valahogy megoldani. Vagy az egyik van, vagy a kettő összege, vagy ugye szakadás van...
Ha a kapcsolók így vannak bekötve és csak az sv2 -őt
kapcsolod nem történik változás !
Muszáj történnie valaminek. Ha be van kapcsolva, akkor arra folyik az áram, mert arra kisebb az ellenállás.
Lehet, hogy így bonyolultabb lesz az egész, hiszen ellenállást kell méretni a központommal? Ezért fordulok hozzátok, mert ezt tényleg nem tudom
Gond van az igazségábla harmadik sorával szerintem. Ha sw1 nyitott (szabotázs), akkor nem lehet megkülönböztetni sw2 állásait (nem is kell). Három sor elég.
sw1 és sw2 zárt- nincs riasztás sw2 nyitott- betörés sw1 nyitott-szabotázs (sw2 állásától függetlenül) Áramot szokás figyelni
Na igen, ez így igaz, mármint az igazságtábla.
Én idáig úgy tudtam, hogy az ellenállást figyelik. Nem jutottunk sokkal előrébb...
Elenállások által meghatározott zónaáramokat, mindegy minek nevezzük a gyereket. Ha nem hosszúak a vezetékek lehet komparátorokkal feszt is figyelni (zavarokra roppant érzékeny)
Akkor irány a komparátorok... Valamikor tanultam róluk egy keveset, de már nem is tudom hová tenni...
Ha valaki egy rajzal, tervvel, elő tudna rukkolni, nagyon sok köszönömöt, le tudnék írni Neki, sőt még pontot is adnék
Szia!
Ha az ábrádon mutatott lábat ami bemegy eredetileg a ??? dobozba, lekötöd egy ellenállással földre (persze ha az áramkör engedi) és a két kapcsoló utáni jelet bevezeted a pic egy analóg portjára akkor a kapcsolók mindegyik állapotában más feszültség értéket fogsz az adc-vel mérni.
Egy ablakkomparátor lehetőség. Talán nem kell variálni az ellenállásokkal, max a 4k7-es potival.
A 3 opto mehet a PIC-re, felhúzóellenállás vagy programozható, vagy teszel.
Köszi szépen, hogy dolgoztál rajta! Megpróbálom a héten megépíteni.
Gatery: Neked is köszi, de asszem a 16F648A-m nem tudja az analógot. De lehet tévedek, javítsatok ki... Köszi!
Hopsz, bocsi... Tudom-tudom, adatlap.
Állítólag van két analóg komparátor benne, asszem olvasgatok még egy kicsit...
Az ablakkomparátor vagy a PIC analóg bemenete valószínűleg már el is készült azóta
, de ilyen megoldás is lehet.Zárt tamper, nyitott érzékelő mellett (nyugalmi állapot) T1 a lineáris tartomány vége felé van, néhány 100 mV lesz a kollektorán (Q2 alacsony), de emiatt T1 a saját lineáris tartományának az aljára lesz előfeszítve, azaz majdnem zárt, kollektorán közel a tápfeszültség lesz (Q1 magas). Ha az érzékelő zár, T1 bázisárama megnő, telítésbe megy, emitterének földelése miatt T2 szintén, így Q1 és Q2 is alacsony lesz. Ha pedig szabotázs van, azaz megszakad a tamper-érintkező, mindkét tranzisztor azonnal zár, Q1 és Q2 is magas lesz. Így az "igazságtábla": - aktív rendszer, figyelés: Q1 magas, Q2 alacsony - riasztás: Q1 lefutó élére, vagy alacsony szintjére - szabotázs: Q2 felfutó élére, vagy magas szintjére Két BC182-esből kipróbáltam, a rajzi értékekkel működött is.
Szia!
Pont ilyen megoldásra vágytam! Köszönöm szépen! Ezt megpróbálom a jövőhéten megépíteni, mert itthon nem sok alkatrészem van. Remélem működik is majd nálam! Még egy kérdés: Ezt analóg vagy digitál bementre tegyem?
A kimenetek vagy néhány 10 ... néhány 100 mV, vagy ~ 5 V-os szinteken vannak, emiatt mehetnek közvetlenül a digitális bemenetekre.
Szia!
Megépítettem szimulátorban és csak akkor mutatnak a kimenetek néhány millivoltot, mikor mindkét kapcsoló zárt állapotban van. Egyéb esetben 5V-okat. Egyébként az érzékelőket (márha infráról van szó) ma már úgy használjuk, hogy nyugalmi állapotban zárt a kontaktus (NC).
Na, erre már én is megépítettem szimulátorban (csak későn vettem észre, hogy írtál). BC337-re kicsit át kellett variálni, mivel itt a munkapontokkal van játszadozva. A pontosabb beállítás miatt tettem bele egy potit is, azt úgy kell beállítani, hogy az érzékelő nyitott állásában Q2 kollektora magas legyen, de Q1-é még ne.
Egyébként valóban, az érzékelő NC jellegű, mint a tamper, csak hát ezt kissé elfelejtettem korábban... Új "igazságtábla": - aktív rendszer, figyelés: Q1 és Q2 kollektora is alacsony - riasztás: Q2 kollektoráról felfutó élre, vagy magas szintre - szabotázs: Q1 kollektoráról felfutó élre, vagy magas szintre Remélem, így nálad is megy, a Proteus szerint jó.
Fúúú, de jó vagy! Ha lesz egy szusszanásnyi időm magamra, majd megnézem.
Újra köszönöm a fáradozásaid!
Hát én ezt nem értem. Tinában próbáltam, de megint nem jó...
Bárcsak konyítanék a tranzisztorok munkapontbeállításához. Próbálja meg még valaki légyen olyan szíves!
Muszáj itt szimulátorokkal erőlködni? Próbapanelon, vagy akár légvezetékekkel dobd már össze, és lássuk úgy, kit érdekel a szimulátor...
De ha mégsem, akkor itt egy kapcsolás, aminek tutira mennie kell minden varázslat nélkül. Tranzisztorok helyett komparátorok vannak benne, amiknek a referenciafeszültségeit három, sorba kötött ellenállás csatlakozásairól vesszük. Alaphelyzetben, azaz mindkét kapcsoló zárt állásánál, Q1 és Q2 is alacsony, riasztáskor Q1 magasra vált, szabotázsnál pedig mindkettő, vagyis Q1-et figyelve az érzékelőt, Q2-t figyelve pedig a szabotázst tudod megkülönböztetni. Az LM119 helyett akármilyen komparátort betehetsz, ami hajlandó 5 V-os tápról menni (LM219, LM319, LM393, ezek eleve két komparátort tartalmaznak egy tokban, vagy pl. LM311, amiből kettő kell), de mivel itt csak kapcsolni kell, erősíteni nem, műveleti erősítőt is alkalmazhatsz ugyanezzel a bekötéssel (pl. 2N2904, LM358 stb.). Ha ez sem fut Tina alatt, dobd ki azt a programot...
Bocsi, de gondoltam megpróbálom szimulálni...
Megépítem ígérem Köszi szépen! Legközelebb akkor jöök, ha egyik se megy. De ilyen ne legyen...
Gyere akkor is, ha működik. Utálom azt gondolni, hogy javaslok valakinek valamit, de nem megy, és esetleg feladja...
Szia!
Olvasom miről van itt szó. Jómagam riasztórendszereket javítok. Több megoldás is van, amit a riasztóknál alkalmaznak, ami az ellenállások bekötését illeti, de keress meg priviben és küldök doksikat. Egyébként az elv egyszerű. 5V-os stabil tápot osztanak az ellenállások és a feszültségszinteket figyeli egy kontroller és dönt. A bementeken van egy nagyfrekis szűrés, diódás határolás és usgyi a PIC-be. Hogy azon belül mi van azt nem tudom, a PIC típusával sem sokra menni, mert semmilyen doksit nem tudtam nyerni eddig sehol a világon. DF3687HV a típusa e riasztó család PIC-ének. Szerintem egyedi gyártás... Ami az ellenállás értékeit illeti, minnél nagyobb, a kábelezés távolsága is annyival nőhet. pl. 10K-nál ez 500m lehet. A vagyonvédelmi kábel ellenállása 0,22mm2-nél 11-14ohm a 200m hosszon. Elég kicsi a tűrésük az ellenállás érték változásra a riasztónak, de szoftveresen ezt még tovább lehetfinomítani. Aztán még csinálnak duplazónás kivitelt is...
Köszi, hogy ennyit gépeltél! Ezekkel a dolgokkal én is tisztában vagyok a végzttségem révén. EOL, DEOL, ellenállások, bt kábelek, bla-bla...
Próbálok létrehozni valami újszerűt és kedves Kobold barátom segít egy részében idejét nem sajnálva. Azért Neked is köszönöm a segítőkészséget.
Szia Kobold! Megépítettem az előbb LM311-el a komparátorost... Nem működik
Nem lehet, hogy elkötöttél valamit, vagy pl. a 311-es BALANCE és STRB lábai nincsenek összekötve?
Nézd már át légyszi a csatolt rajz alapján, ennek egyszerűen mennie kell. Igaz, hogy a jelzések Q1 és Q2 vonalain aktív alacsony szintűek (érzékelőnél Q1, szabotázsnál Q2 is GND-n lesz, nyugalomban Vcc), de ha ez működik, és magas szintű jelzés kell, csak át kell majd kötni (egyelőre nem kavarok ezzel).
Bennt hagytam a munkahelyen, holnap meg kiküldetés péntekig, szóval majd jövök valamikor.
Elvileg jónak nézett ki. Megpróbálom majd így is, ahogy most rajzoltad. Olyan jó lenne, ha lassan életre kelne...
Akárhogy néztem közben, mennie kell, annyira egyszerű. Össze ugyan nem raktam, de kipróbáltam EWB-ben, kiszámoltam manuálisan, és ha tévedtem is, nem jöttem rá mostanáig. Kíváncsian várom az eredményt, és jó utat
|
Bejelentkezés
Hirdetés |














