Fórum témák
» Több friss téma |
Sziasztok! Van nekem is egy Videoton RA 6363 S Rádióerősítőm. Mivel a rádió része teljesen ki lett szedve így szeretnék egy kis módosítást végezni de segítségre lenne szükségem.. Szóval azt akarom megcsinálni hogy a "SIGNAL" feliratú jelerősség jelzőt szeretném átalakítani úgy hogy kivezérlésjelző legyen tehát minél erősebb a hang annál több led villanjon fel.. Hogyan tudnám.ezt kivitelezni? A segítséget előre is köszönöm!
Sziasztok!van egy ra6363s erősitőm azt szeretném kérdezni hogy egyik végfokon a végtranyók másak az egyik BD243c a másik BD810v itt melyik párját kéne vennem.
A másik problémám hogy amikor bekapcsolom pukkad egyet miokozza ezt,meg az hogy a magashagszint tekerem fel akkor a bal oldali kimenetett fel hangositja,meg azt is kérdezem hogy a szabályzon és a végfok modul hátulján hogy gyárilag kell lenni fólia kondezátor. A szabályzon: 2db 100 kohm a végfokon: képen láthato. A segítséget előre is köszönöm!
BD-243 jó, ennek a párja BD-244. Lehet helyettük BD-911-BD912 páros is.
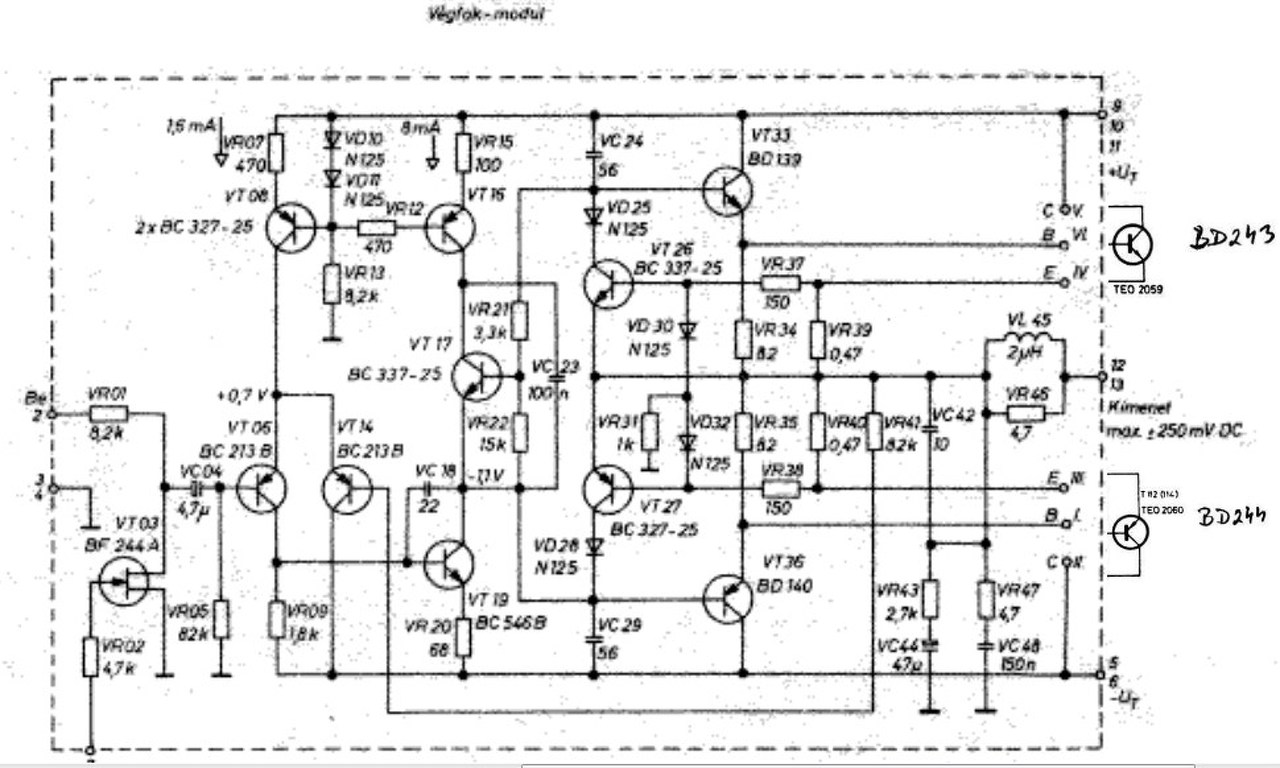
A pukkanás oka lehetett hogy valamelyik BC tranzisztor kidurrant. Ezt szemrevételezéssel meg tudod nézni. Kis felületi hiányosságot keress rajtuk! A panel hátulján nem kéne lennie fólia kondinak, de lehet hogy valami szándékos megoldás bár nem éppen gyári. A többi problémához nem tudok nyilatkozni, mert nem vagyok szakember. Itt egy kapcsolási rajz a végfokról. Ez alapján el tudsz indulni.
A végfok panel gyári állapota pl ilyen. A VT -jelzésű alkatrészek között lehet a kipukkant tranzisztor. Ha van egy egyszerű mérőműszered, akkor meg tudod nézni hogy az ellenállások, diódák, jók-e, és hogy van-e szakadás a a vezető sávok közt, vagy a forrasztások megfelelőek-e?.
A szabályozó modul esetében hasonló a helyzet, de ott a kék színű kondik kivételével szerintem ( és mások szerint is )a többit helyből érdemes újra cserélni. hasznos lenne ha végig olvasnád ezt a fórum szálat mert nagyon nagy tapasztalat szerzési lehetőség!
Az a bemeneti 50µF 6V kondi tévesen kerülhetett bele. Ide gyárilag 4,7µF 50V kondi kell.
A pukkanás inkább azért van, mert nem működik nála a némítás.
Szia akkor a BD-911 és BD912 vegyem meg az jó lesz.
A szabályzon nem látok durranást, a BC tranzisztoroknál. A végfok hátulján leforaszam a fólia kondit vagy nem kell. A végfoknál már régóta észrevettem hogy az elöző tulaja csinált vékony rézböl valami tekercset de az szépen meg pirult. Van multiméterem ha az jo lesz mérésre. Köszönöm mindent és a képet is! A hozzászólás módosítva: Jan 24, 2016
A végfoknak megnéztem nincs baja,de megmértem a előhajtó tranyót hát az zárlatos lett minda kettő BD-140 és BD-139 azok már csere.
A végfoknál már irtam hogy az elöző tulaj csináld vékony rézböl tekercset az helyet mit rakjak be. vezető sáv az jó,forrasztások rendben. szabályzon fekete kínai kondi van de 4,7µF 50V-os,és megszeretném kérdezni hogy miokozza azt hogy magashagszint tekerem fel akkor a bal oldali kimenetett fel hangositja.
Az a két megégett tekercs 0,47 Ohm, huzalellenállásból tekerve. Akkor szokott megégni, ha zárlatosak a végtranyók. A hangszínszabályzó hibája lehet egy, a hangszínkörben lévő kondi hibája is például.
Van fent rajz, a hangszínkörben ellenőrizd először a kondikat. Idézet: Nem csak úgy hibásodhat meg egy tranzisztor, hogy szétég a tokozása, azokat ki kell mérni. A tranzisztor hibák nagy részét ránézésre nem lehet megállapítani. „A szabályzon nem látok durranást..” A hozzászólás módosítva: Jan 24, 2016
Az nem tekercs hanem 0,47 Ohm huzalellenállás. Ide lehet tenni 0,47 Ohm 3W ellenállást. Félvezetőket mindet ki kell mérni mert a legelső kis tranzisztor hibája az egész félvezető készlet hibáját okozhatja. Kiforrasztva kell a tranyókat kimérni dióda vizsgálóval a multiméteren. B-E, B-C között kell mutatnia 600-700mV-ot. Ha nullát mutat az zárlatot jelent. C-E között végtelent kell mutatnia. PNP tranyónál fekete vez. a bázis, NPN tranyónál piros vez. a bázis. Élesztést pedig így kell végrehajtani. Az izzót a primer biztosíték helyére szoktam bekötni.
A hozzászólás módosítva: Jan 24, 2016
Szia. Valamikor régen mi is tekertük az ellenállásokat ellenálláshuzalból. Probléma az, hogy azok nem mindegyike forrasztható. Multiméterrel pontosan kimérni ilyen kis ohmot esélytelen. Én ma már előnyben részesítem a készet, mert a boltokban árulnak már mindenféle 1 ohm alattit is, de végső esetben két párhuzamosan kötött 1 ohm is megteszi. Egyébként egyetértek steelbird-del
Idézet: ha egyébként minden más rendben van, a kondik alattomos dolgokat tudnak művelni. Átszúrt, leszakadt lábú stiroflex-szel, zárlatos, és kissé átvezető kerámiakondikig már mindenféle több napon át tartó keresgéléseim, vetődéseim voltak ezekkel a látszólag ártatlannak tűnő alkatrészekkel. A nagyon megmagyarázhatatlan hibáim mindegyike eredendően valami kondenzátor hiba volt. „hangszínkörben lévő kondi hibája is például”
szia akkor megnézem a szabályzon a kondikat megmérem és a rajzot is megnézem,meg a végtranyokat is megmérem hogy jó-e vagy zárlatosak.
köszönöm a segitséget!
Nálam 15 éve egy 6363S produkált anomáliákat. A a mély hangszínnél volt zárlatos egy 33nF stiroflex ezért féloldalasan szólt. Szerintem a gyárból már így jött ki.
szia azt szeretném kérdezni hogy milyen ellenállást tegyek bele mint ezt 0,47 Ohm 3W ilyesmit.
Multiméterel megnézem a diodákat a tranyokat. köszönöm a segitséget! A hozzászólás módosítva: Jan 24, 2016
Akkor nekem a magashangszinnel van a problemám,hogy feltekerem az egyik kimenetet fel hangositja.
szia a végfokba rakhatok 1ohm ellenállást.
És milyet. A hozzászólás módosítva: Jan 24, 2016
2db 1 ohm párhuzamosan= 0,5 ohm. A 0,47 csak azért annyi, mert a szabvány számsor ezt írja elő. A 0,5 egyébként benne van a 10 % tűrésben. Min.2W legyen a terhelhetősége, ha nagyobb,az nem baj (Már az előbb leírták, vegyél 0,47 ohm 3 Wattosat. Én csak annyit fűztem hozzá, összerakhatod 1 ohmokból is, ha nincs otthon más.)
Nekem nincs otthon ellenállás meg tranyo stb,ezért gondoltam hogy nagy bevásárlás lesz valamikor,jó válaztás lehet a 0,47 ohm 3 Wattosat ez 2 db, csak szeretném rendbe rakni az erősitőt mert belekokányoltak
,ezért kellet szétszednem. A hozzászólás módosítva: Jan 24, 2016
Amit egyszer hozzám hoztak, 2 db 10 Ft-os tranzisztort kivéve mindent ki kellett benne cserélni, így is csak pár száz Forintba került. Utólag belegondolva nem sok értelme volt egy napig méricskélni benne.
De legalább boldogultál rajtat
,nekem kell méricskélnem mert egy pár alkatrészt cserélek ki nem az összeset,azok az ellenállások jók lesznek ezek is 0,47 ohm 3 Wattosat ez 2 db.
Majd ha kicserélted a két megégett huzal ellenállást rá fogsz jönni, hogy annak oka volt, más hiba is van benne. Lehet csere után megint megég, kezdheted újra. Mérés nélkül semmi értelme vakon tapogatózni.
szia igaz,de nem vakon fogom csinálni, a szabályzon megnézek mindent a végfokon is mindent megnézek a végtranyokat is cserélnem kell,a szabályzon is cserélnem kell egy pár dolgot,de megfokom mérni mindent hogy jó működjön ne keljen minden nap szerelni.
sziasztok van még egy gondom a táp egységnél van egy tranzisztor ami 2 másodperc múlva nagyon forró.
Ez ennek ilyen hamar szokot melegedni,vagy ennek ez a dolga. Előre is köszönöm! A képet nem találtam normálisat,Bocsánat ezért. A hozzászólás módosítva: Jan 25, 2016
Az nem tranzisztor, hanem egy 15V -os stab. IC.
(Nem ártana elővenni a rajzát és úgy keresni a hibát.. )Ha le van csavarozva az oldallemezre rendesen az IC és mégis annyira fő, akkor zárlat van a 15V -os ágon. Lehet, hogy a 400mA -es bizti is cserélve lett nagyobbra, vagy patkolva van. A hozzászólás módosítva: Jan 25, 2016
Bocsi
,már régóta megvan a laptopon a kapcsolási rajza.akkor azt is megnézem .Köszönöm a segitséget!
Sziasztok. A minap sikerült eltörnöm a bekapcsóló gombot a Vid. RA 6363S erőlködön. Az lenne a kérdésem hogy mivel lenne helyettesíthető ez a kapcsoló? Mert ugye 4kábel megy rá, 2 a közvetlen 230V-ot szakítja meg a másik kettő pedig a trafóból jön (egy piros és egy kék) de ezeket nem tudom hogyan kell bekötni :/
Szia. 2 hozzászólással előtted ott van a rajzon hogy kell bekötni.
Szia. Bocsi de én ilyen kapcs. rajzokból nem nagyon tudom kivenni a megoldást :/ Leginkább az érdekelni hogy, a tápegységből kijövő piros és kék kábelt ha összekötném és csak a 230V-ot szakítanám meg az úgy működne? Nem égne el a táp? Vagy ha ez így nem menne akkor mi.lenne a megfelelő megoldás? Sajnos ugyan ilyen kapcsolóm nincs.
A piros-kék szálon megy be a 230V a trafóba a másik kettőn meg jön be a kapcsolóhoz. Egy 2 áramkörös kapcsoló kell ide. Szerintem ha a rajzból nem tudod kiolvasni inkább ne nyúlj hozzá hanem vidd el szakemberhez.
|
Bejelentkezés
Hirdetés |












,ezért kellet szétszednem.
,nekem kell méricskélnem mert egy pár alkatrészt cserélek ki nem az összeset,azok az ellenállások jók lesznek ezek is 0,47 ohm 3 Wattosat ez 2 db.

)



