Fórum témák
» Több friss téma |
A klónok CH340 Soros-USB illesztőjének drivere (Letöltés)
2 panellel és egy 433 vagy 315 MHz-es adó-vevő párossal meg lehet oldani.
Kiindulásnak ajánlom.
A wire less igazándiból annyira nem is drótnélküli
.Ennek folyamatos üzeműnek kell lennie.Energiát valahogy oda kell vinni valamin. Akkor már majdnem mindegy hogy mi történik, miként van kivitelezve.Tehát kell egy tápfesz is és mérési eredmény továbbítása is. Tehát akkor már lehetne éppen rs485-ön is elvinni az adatot sok 10-100 méterre is már vezetéken. A hozzászólás módosítva: Jan 27, 2016
Ha táp kell neki az annyira nem gond mert akkor csak konnektor közelébe kell tenni. A lényeg az lenne ne keljen össze vissza furkálni a falakat illetve vezetéket húzni. Mondjuk nem tudom, hogy egy elemről, aksiról meddig üzemelne.
Elvileg sokáig mehetne elemről akksiról is ha elaltatod.Időnként 3 5 10 percenként felébred és mér, beszélget majd újra alszik. (Ekkora reakció idő egy szobai fűtés vezérlésnek biztos elég) Alvás alatt mikro ampereket fogyasztanak jobb esetben a kontrollerek.Ardu esetében utána kellene nézni ennek mennyire lehet hibernálni.
egy lehetőség A hozzászólás módosítva: Jan 28, 2016
Programozni is tudod a decimila firmware-t a kontrollerbe a meglévő arduino panelek egyikével.
atmega uC programozás Neked ilyesmi kell: arduino hibernate mode A hozzászólás módosítva: Jan 28, 2016
Ha elemekről megy akkor érdemes lesz az adó tápját is egyik porttal kapcsolgatni.
Persze ez attól függ hogy az URH adó panel vezérlés nélkül mennyit fogyaszt. Direktben a portról is hajtható , ami max 20mA terhelést tud kezelni. Valószínűleg az adó nem kér annyit. Esetleg egy FET-en keresztül kapcsolni a tápot rá. Ami némi tápfeszültség vesztést jelenthet, így ez kisebb RF energia kisugárzást hoz létre. A hozzászólás módosítva: Jan 28, 2016
Mar megbocsassatok hogy beleszolok, de miert beszelgettek elemekrol, a kazant mirol taplalod ? Na es a szobaba nincs halozati aram ellatas ?
A hozzászólás módosítva: Jan 28, 2016
Teljesen igazad van!
Inkább az lenne érdekes, hogy hogyan lehet átlőni az RF jelet több falon keresztül? Az utcai szobátol -> a garázsig!
Vagy ami még érdekesebb a 230V hálózaton átvinni. Lásd X10 protokoll.
Igen a táp meg oldható. Az lenne a kérdés, hogy át megy-e a falakon.
Túl bonyolítani nem akarom csak ne keljen vezetéket húzni.
Ha lehet kazán környezetben az X10-et ne reklámozd! Két épület között kellett volna egyetlen hibajelet átvinnem, amire még a forgalmazó is azt mondta, hogy felejtsem el, túl sok zavar termelődik a hálózaton ahhoz, hogy 1.) időben átjusson a jel 2.) Egyáltalán átjusson. Mit tehetnék ehhez hozzá? Dugj be egy szűrőtag nélküli fúrógépet az X10-es egységed mellé, majd megérted a jelenséget. Szerinted miért nem terjed ? Miért húzgál mindenki vezetékeket? Akkor már inkább az RF.
Talán ezzel is meg lehetne oldani...(?)
(már mint a rádiófrekvenciás kapcsolatot)
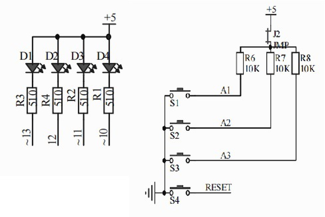
Sziasztok, azt szeretném kérdezni, hogy az analóg bemenetet, hogy tudnám digitálisként használni egy egyszerű nyomógombot szeretnék azon keresztül érzékelni. De nem nagyon találtam neten erre megoldást, köszönöm.
![]()
Ha lehetne még egy kérdésem, az analóg bemenetnél ez miért működik fordítva? Tehát amikor én kimértem, hogy az A1 pinen 5V volt akkor a led nem világított de amikor 0V akkor meg igen. Nem találtam erről semmilyen infót. Lehet, hogy hülye kérdés és én szúrok el valamit de a digit bemeneten minden úgy ment ahogy gondoltam. Igazából még csak most ismerkedek az arduinoval eddig csak T-bird et programoztam de az már magabiztosan ment C-ben de ezt nem értem.
Fordisdmeg a LED-et!
Vagy: digitalWrite(ledPin, ~val); A hozzászólás módosítva: Jan 29, 2016
Bekötéstől függ, hogy lehúzásra vagy felhúzásra világít.
Az az igazság, hogy nekem egy ilyen multi_shieldem van hozzá. Lehet, hogy ezen van van logikátlanul akkor a led? Csatolok egy képet róla. Köszönöm.
Hat igen, azok a ledek akkor vilagitanak amikor a kimenet low, vagyis amikor le van huzva a testre.
Köszönöm, akkor így már érthető nekem is
. Logikusabb lett volna azt GND-re kötni és megfordítaniuk.
Jobban jársz ha a kimeneteket negálod!
Bitwise NOT (~)
Sziasztok!
Ma vettem egy AR-NANOCH de valamiért mindig hibát ír ki. Tudna valaki segíteni benne. C:\Users\Guliver83\Desktop\toolerator\Toolerator3000\Toolerator3000.ino:68:27: fatal error: elapsedMillis.h: No such file or directory #include "elapsedMillis.h" ^ compilation terminated. exit status 1 Hiba fordításkor.
Szia! Ilyen kőgazdag vagy?
"elapsedMilis.h" fájlt nem találja? Én Ilyen helyeken néznék körbe először.
Sziasztok!
Pro mini-t szeretnék 3,3V belső referenciával használni. Lehet abból gond, ha az analóg bemenet időnként felmegy 5V-ra?
Az IC nem károsodik, amíg a tápfesznél magasabb (vagy a földnél alacsonyabb) potenciálra nem kerül a bemenet. Tehát ha az 5V-os verziód van, akkor nem lesz baj. Viszont a belső referencia nem 3,3V, hanem 1,1V.
A hozzászólás módosítva: Jan 30, 2016
Szia!
Közben megoldódott a probléma csak telepíteni kellet a elapsedMilis.h. |
Bejelentkezés
Hirdetés |




.



. Logikusabb lett volna azt GND-re kötni és megfordítaniuk.
"elapsedMilis.h" fájlt nem találja? Én 





