Fórum témák
» Több friss téma |
Fórum » Tina
Megvan, minden rendben, köszi szépen, siker
A program beállításaidnál valami nem jó.
Minden új megnyitott lapon az alapértelmezett beállítások (a nálad alapértelmezett) kerül inicializálásra és aktiválásra. Akkor valami nálad nem jó, a tranziens beállításoknál nézz szét. Hasonlítsd össze a kettőt, a működő és a te üres lapodnál lévő beállításokat. Egyébként te állíthattál el valamit, mert én átmásoltam új lapra és működik egy új kapcsolásban. UI: Látom, már megoldódott.. A hozzászólás módosítva: Jan 9, 2016
Igen, de azért köszönöm a segítséget neked is.
Sziasztok
Szimulációban hogy tudom a potmétert változtatni? (Tina 9.3) A hozzászólás módosítva: Jan 17, 2016
A potméter beállításainál, hozzárendeled a funkcióbillentyűk valamelyikét a fel és a le irányhoz
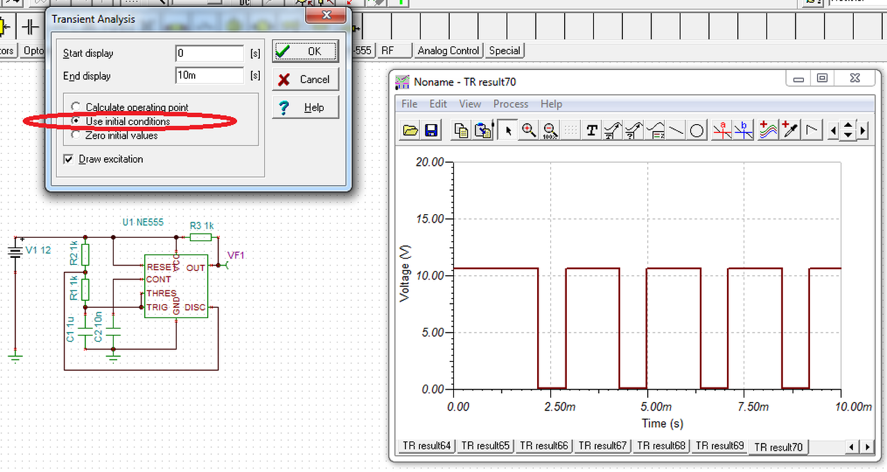
Sziasztok! ne555 tesztelésekor állandóan hiba üzenetet kapok "operating point not found". Tudja esetleg valaki hogy ez miért van?
Tudom, messze elmarad a tudása, de a circuit napi használatban inkább kellemes csalódásokat okoz.
Ha visszaolvasol, kb. 6 hozzászólással visszább ott van a válasz.
A hozzászólás módosítva: Jan 23, 2016
Sziasztok
Hogy lehet MCU-t külön betenni ha nincs a listában? Verzió: 9.3.50.47
Szia.
Importálni kell a makróját, ha meg tudod valahonnan keríteni, vagy egy olyan TSC fájl is jó, amiben szerepel az az MCU, ami neked kell. A kontroller gyártójának oldalán nézd meg, van-e hozzá spice modelljük. (LTSpice kell, úgy tudom) A hozzászólás módosítva: Jan 31, 2016
Szeretnék kérni némi segítséget olyantól aki használja a 9-es verziót és lenne rám 1-2 perce privátban.
Ezek szerint senki nem használ 9-es tinát.
Biztos mindenki a 10-es verziót használja
![]()
Miért van az hogy próbának megépítettem egy astabil multivibrátort a tina 7-esben tökéletesen olyanra mint a kapcsoláson de csak világít folyamatosan a 2 led?
Első lépésben azt kell eldönteni hogy működik-e egyáltalán, ez kiderül ha ráteszed a szkópot. Amennyiben igen, akkor már csak annyi probléma van, hogy ugye a szimuláció nem valós időben fut. Tehát amíg a valóságban másodpercek telnek el, addig a szimulációban milliszekundumok. Ha villogást akarsz látni, akkor ezt a kettőt kell összhangba hozni.
Hello! A TINA nem a valóság, csak számolja a dolgokat. Ez azért lényeges, mert ha valami egyforma, akkor a számítás ugyan arra az eredményre fog jutni. Csak akkor fog elindulni egy astabil kapcsolás, ha a két féloldal között valami asszimmetriát hozol létre. Célszerűen ez a tranyók (mert gondolom arról van szó) eltérő bétája lenne. (Forvard Beta a tranyó paramétereinél.) Mert a valóságban egy astabil attól indul el, hogy elkezdi erősíteni a zajokat, és amelyik eszköz a gyorsabb, vagy nagyobb erősítésű, az fog elsőként telítésbe menni, a másikat meg lezárja. Az életben nem lehet teljes szimmetriát létrehozni, mint a számításoknál.
(A valóságban is előfordul, hogy egy astabil nem indul el, ha a bázisáram olyan mértékű, hogy telítésbe fut mind két tranyó. Avagy kimegy a "lineáris tartományából" az egész, ahol erősíteni tud.)
Sziasztok!
Meg tudná valaki mondani, ez a program miért dobja ezt a hibaüzenetet minden induláskor? Valami megoldás rá? A hozzászólás módosítva: Márc 7, 2016
Hello! Ott van! Hiányzik a txt file..
Nem mondod?
Olvasni én is tudok... Honnan lehet letölteni vagy valami esetleg?
Remélem ezek után ezt már nem tőlem kérdezted..
Oké köszi, ez működik, feltelepítettem, kimásoltam belőle a fájlt, és uninstalláltam...
Úgy néz ki, az industrial verzió is megeszi, megy vele...
Szia! Nem olyan pilótavizsgás, mint a Tina, de nekem éppen az általad említett kapcsolások szimulálására bevált. Főleg a gyors használat miatt. Paul Falstad Circuit szimulator . Online is elérhető, de le is tölthető. Ja és ingyenes.
Hello Mindenki!
A kérdésem a következő lenne. Van-e valaki aki esetleg próbált már tina9-ben pic mcu-k között i2c kommunikáció megvalósítani? Én megpróbáltam de valahogy nem igazán akar elindulni a folyamat. Ezt a kapcsolást raktam össze hozzá. Ha esetleg tud valaki segíteni nagyon hálás lennék. (A programok nincsenek készen csak mivel maga a kommunikáció folyamat nem indul meg itt elaludtam.)
Sziasztok.
Szerintetek érdemes nekifogni tina-programmal nyákot tervezni, vagy erre inkább külön programot érdemes használni?
A kérdés mindig az, hogy a nyákot magad akarod-e tervezni, vagy rá akarod bízni a munka nehezét egy programra. Utóbbi esetben a program a kapcsolási rajzból alapból megtervezi a nyákot, az más kérdés hogy hogyan, meg kell tanulni alaposan annak is a használatát.
A sprint layout meg hasonlók viszont nem tervező hanem csak rajzoló programok, mert azok semmit nem tudnak, ott az ember maga tervez. |
Bejelentkezés
Hirdetés |














