Fórum témák
» Több friss téma |
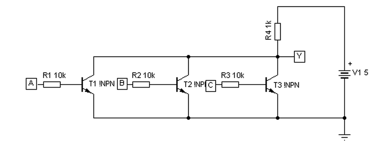
Sziasztok! Egy egyszerűbb problémával fordulok hozzátok, melyet logikai kapuk nélkül kellene megoldani. A következő lenne: adott 3 db logikai érték (egész pontosan egy számláló kimenete), és kellene még egy kimenet, amely csak akkor "1", ha a számláló három kimenete "0". Tudom, egyszerű NOR kapukkal megoldható, de ezért szerintem nem érdemes beletenni egy komplett IC-t. Gondolkodtam egy 3 diódás, 1 PNP tranzisztoros megoldáson, de nem vagyok biztos benne, hogy működhet.
Mi a véleményetek?
Hello! Nem kell, csak három NPN. Ha TTL a bement, akkor a bázis-emitterek közé is kell egy-egy ellenállás.
Sziasztok!
Barkácsolásaim során a következőt vettem észre. Ha logikai kapura van szükségem, mindenhova 40xx sorozatú cmos ic-s kapukat teszek be, de ezeknek nagy része kihasználatlan marad (pölö: egy 4011-es NAND-ból gyakran csak egy kaput használok fel), ezért utánanéztem neten és láttam, hogy N és P csatornás MOSFET-ek különböző összekapcsolásával "áramtakarékos" (legalábbis a TTL-hez képest) kapuk készíthetők. Kérdésem: 12V-ra, ha szeretném, mondjuk a mellékelt ábrán látható kapcsolást kötni, kell-e valahova ellenállás, hogy ne süljenek meg a tranyók? (Az inputokat is 12 V-ra szeretném kötni) (Még nem dolgoztam külön álló MOSFET-ekkel soha, csak IC-ben. Próbáltam utánanézni a működésük lényegének, hogy miben mások, miért jobbak, mint a sima NPN/PNP tranyók, de csak angol szöveget találtam róla, amit nem igazán tudtam abszolválni, ha valaki röviden elmagyarázná nekem a lényeget/linkelne vmi jó kis magyar nyelvű jegyzetet, annak külön örülnék)! Előre is köszönöm! CMOS NAND
Ha megnézed hogy mennyibe kerül árban -munkában egy 40xx es ic és mondjuk 4 fet + a sallangok melyiket választanád ? Jobban jársz egy ic vel aminek két három kapuja nincs kihasználva mint ha 4-8 fet et tennél a panelra a járulékos alkatrészekkel árban és nyákméretben munkában is ..
A hozzászólás módosítva: Okt 7, 2014
Ez mondjuk igaz. Egyelőre csak szeretném kipróbálni a "házilag barkácsolt" kapukat. Ha árban nem éri meg, visszaállok az IC-re.
Ha tanulni , játszani akarsz akkor egy két próbát megér a dolog , de csak azért mert kihasználatlan egy-két kapu biztosan nem érdemes diszkrét alkatrészekből építkezni
Hello! Azt szeretném kérdezni,hogy ugye a logikai kapu két bemenetet hasonlít össze,ls akkor jelenik meg a kimeneten a megfelelő szint. De mi van az ilyen kapunál mint a mellékelt rajzon is az egyiknél,amikor van három,vagy ebben az esetben az egyiknél négy bemenet is? Akkor hogy alakul a kimenet?
Pl egy és kapunál, ha minden bemenet magas akkor lesz a kimenet is magas. Ha kétbemenetes akkor mindkettő, ha hárombemenetes akkor mindhárom bemeneten magas jel kell ahhoz, hogy a kimenet is magas legyen.
Köszönöm a választ,így már teljesen érthető!
A hozzászólás módosítva: Okt 26, 2014
Üdv!
Tudna valaki információt szolgáltatni erről a multiplexről? Köszönöm! A hozzászólás módosítva: Márc 31, 2015
Legfeljebb multiplexerről, (MUX).
Bővebben: Link
Ó párdon
Köszönöm, látom minden megvan itt.
Sziasztok!
Bemeneti változók: A, B. Feladat: Ha van 'A' akkor ne legyen 'B'. Ha nincs 'A' akkor csak 'B' legyen. Hogyan valósítanám meg N-csatornás FETekkel?
Ez egy sima kizáró-vagy (XOR) kapcsolat nem? (A&/B)+(A/&B)=Q? Szerintem egy sima bistabil multivibrátorral meg lehet ezt oldani.
Kifejtenéd bővebben, hogy mi az a 6 változó?
A BCD számláló ugyanolyan mint a többi, a bemenetére érkező minden impulzusra lép egyet. Csak amikor eléri a 10 -et, (b1010, hA) előlről kezdi.
6 változót úgy értem hogy 111111 ig megy el és utána nulláz
Ezt két bináris osztóból tudod megcsinálni, úgy hogy összekapuzod a második bináris számláló négy kimenetét egy 4 bemenetű ÉS kapuval (+2 inverter), vagy egy 2, és egy 3 bemenetű ÉS kapuval, és ennek kimenetével resetelsz.
De megoldhatod egy bináris számláló, és utánna két JK flip flop, és az utolsó kimenete resetel. A hozzászólás módosítva: Nov 26, 2015
Ha olyanra gondolsz, hogy 127-ig számol akkor pl. cd 4040-es IC, Q7-es lábával nullázz.
A hozzászólás módosítva: Nov 26, 2015
Idézet: „Létezik 6 változós BCD számláló?” Egy dual 4 bites BCD számláló val megoldható: 74HC390. Idézet: „6 változót úgy értem hogy 111111 ig megy el és utána nulláz” Nos, itt már van egy kis probláma. Egy számlálóról van szó vagy kettőről? Egy 6 bites BCD számláló a 111001 után vált 0 -ra. Egy 6 bites bináris számláló vált 111111 után 0 -ra.
Sziasztok!
Adott a 74LS195, az igazságtáblája (3. oldal alja) szerint, ha a J, K, PE lábak magas szinten vannak, és adom neki az órajelet, akkor szépen sorban az összes kimenetnek 1-be kéne állnia?
Ha a MR is magas. A q0 .. q3 a Q0.. Q3 kimenetek előző (az órajel felfutó éle elötti) értékei.
Köszönöm válaszod!
Azért érdeklődtem, mert Proteusban nem egészen úgy működött, ahogy én azt gondoltam. De most kiderült, hogy rosszul szimulál a Proteus. Tina-ban úgy működik, ahogy az adatlap is írja. Szóval jól át akart verni a Proteus.
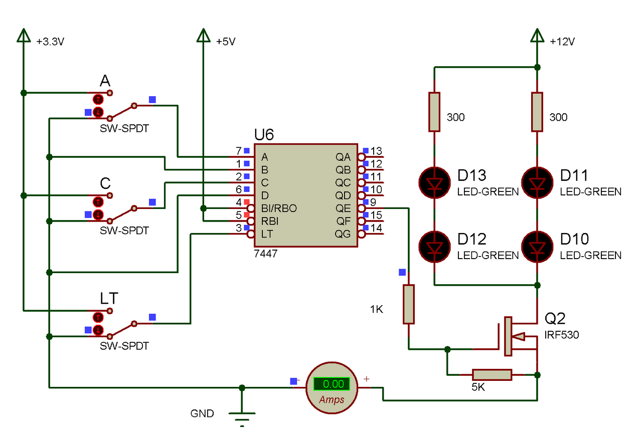
Sziasztok.
Szükségem lett volna egy- egy icére, ami VAGY – ÉS kapusak lettek volna (7432 - 7408). Sajnos nem találtam itthon, de utazni sem szeretnék beszerzésükért. Viszont, találtam egy pár 7447 –est, (BCD 7 szegmenses) és összehoztam az alábbi kapcsolást. (A + C = VAGY) – (A, C összege + LT = ÉS). Működik is, de a 7447-est „fordítva” használom. Adatlapja szerint „The 7447 feature active-LOW outputs”, tehát épp negatívat kapcsolna, de én a HIGH állapotát használom ki. Kérdésem, a 7447 HIGH kimeneti állapotát használhatom vezérlésre? A hozzászólás módosítva: Feb 15, 2016
Ui.: Azt elfelejtettem írtam, hogy csak a Proteus tesztelős programban próbáltam, fizikailag még nem próbáltam. Ezért kéne a segítség.
A 7447 kimenete nyitott kollektoros - ha teszel be egy ellenállást, amit megenged a tranyó max kollektorárama, akkor tudsz + feszt is kiadni, term. a terheléstől függően.
Adatlapot nézd meg, 15 volt a zárófesz a tranyónak, 40 mA a max árama, tehát 12 voltról is mehet CSAK a kimenet. A hozzászólás módosítva: Feb 15, 2016
Idézet: „ha teszel be egy ellenállást, amit megenged a tranyó max kollektorárama” Ezt, hogy érted? Sajnos nem nagyon értek hozzá.
A kimenet és a +12 volt közé beteszel pl. 470 ohmot és ha aktív a tranyó, 0 volt megy ki kb. és 25 mA-t kapcsol. Ha a kimenet "1" szintű lesz, akkor a 470 ohmon keresztül folyhat áram a terhelés felé.
Anélkül semmi se lenne a kimeneten. Ebből adódik, hogy ha megfelelően vezérled ( adott kimenet OFF ), a fetet ki tudod nyitni a rajzod szerint. A hozzászólás módosítva: Feb 15, 2016
|
Bejelentkezés
Hirdetés |













