Fórum témák
» Több friss téma |
Fórum » Mozgásérzékelő kapcsoló
Nem tudom Neki mi a "nehezen vagy sem" kivitelezhető. Minden estre három vezeték a soron bőven elegendő. Ha csak kettő van, és nincs harmadik szálra lehetőség, az gond lehet. De most is van lépcsőházi akármi..
Köszi az ötleteket!
Én úgy gondoltam el, hogy ha a folyosó jobb oldalán belép valaki az beindítja a jobb oldali mozgásérzékelőt, ami a jobb oldali LED meghajtó trafót és az abból kijövő 12V végigmegy a folyosón lévő párhuzamosan kötött 1W LED-ken amitől világítanak. És ez történik akkor is ha valaki balról lép be. Na most ha csak a folyosó egyik végén lép be valaki, akkor csak az a mozgásérzékelő és trafó fog dolgozni ahonnan belép. De mi van akkor ha időközben a másik oldalról is belép valaki és beindul a másik trafó is ugyanazon a 12V-os kábelen? Azért írok trafót mert rövidebb, de igazándiból 220V-ból csinál 12V DC-t Tehát 2db mozgásérzékelő, 2 db LED meghajtó trafó. És így a folyosón csak két vékony madzagon a 12V-ot kellene a 8 LED-hez vinni. Tudom olcsóbb lenne a mozgásérzékelőket összedrótozni, de ha az én elképzelésemet meg lehet valósítani, akkor azt továbbgondolnám más irányban is. Azt az összediódázást hogy gondolod?
Mindkét trafó + kimenetét egy egy diódával kötöd a led szalagra. Ebben az esetben a két érzékelőt nem kell összekötni. A ledszalag egyik végét táplálja az egyik "trafő" a másik végét a másik. Más kérdés, ilyen hosszan már a ledszalaggal érdemes kiépíteni párhuzamos betáplálásra alkalmas vezetéket, mert túl nagy lesz a fényerő különbség a szalag két vége között.
Ez a két betáplálású dolog szerintem is sántít. Ez olyan, mint mikor a váltókapcsolásnál a két váltókapcsoló közé kötik a fogyasztót. Min. Kell oda még egy vezeték.
Ami fontos, hogy a gyenge áramot, és a 230V-ot ne egy csőbe vezesd, mert a 230V áramot indukálhat a gyengeáram részben !
Én így csinálnám (lásd a képet).
Jaaa, igen, a PIR-ek egy fázisról működjenek, nehogy megjelenjen a 380V a kapcsolt fázis kimeneteken, bár csak kicsit jelenne meg. A hozzászólás módosítva: Feb 16, 2016
Lehet, hogy az lenne a jobb, ha 230V-os LEDeket használnál 12V-ak helyett.
Azaz amiknek saját tápjuk van. Ugyanis: 1. Ekkora hosszban táp lehet, h nincs is. Ha van marha drága. 2. Nem kellene egy nagy táp. 3. Nem kellene mégegy vezetékcsatona (3 vezeték az kell). 4. A 230V eljutna kis veszteséggel a 30m-en.
Üdv!
Szerintem két diódával használható az elképzelésed, ahogy feljebb is írták. Csatoltam a képet. De biztos DC a táp és a LED-ek, ugye? (Bár én is egy táppal csinálnám, de így is működni fog.) A diódák bírják el a LED-ek áramát! Akár schottky-t is tehetsz, akkor kisebb feszültség esik.
Köszi a válaszokat!
![]() Azt hiszem Tomi111 ötletét fogom elsőre kipróbálni.
Köszi!Tudnál feltenni rajzot hogy a lámpák és a mozgásérzékelôket hogy kössem.
Sziasztok!
Egy ilyen mozgásérzékelővel gyűlt meg a bajom. Kb 6évig normálisan működött (szüleimnél van a mosdóban), most elkezdte azt csinálni, hogy kikapcsoláskor 4X, 5X lekapcsolja az izzót, majd vissza, mintha indexelne, csak ez után a "ceremónia" után alszik ki végleg a fogyasztó. Az összes elkót kicseréltem, annyi változott, hogy a villogás üteme lassabb lett... Van valakinek valami tippje? Van ezeknek valami szériahibájuk, ami ezt okozhatja? Előre is köszi: E.
Ne csak az elkót cseréld ki, hanem a hálózati táp előállítót is.
Sziasztok!
Egy olyan problémában kérem a hozzáértők segítségét, hogy van egy viszonylag keskeny (3m széles), de hosszú (kb 30m) kocsibeállóm, amit végig szeretnék rakni lámpákkal és 2 mozgásérzékelővel szeretném vezérelni (kifelé jövet és befelé menet is világítsa ki). Elvileg a mozgásérzékelők nem szeretik, ha egy másik is kapcsolgat ugyanazon a körön. Mivel lehetne ezt a funkciót működőképessé tenni? Előre is köszönöm!
Szia!
A mozgásérzékelők kimenete kapcsolhatná 1-1 relé behúzótekercsét, a relék kimeneteit pedig párhuzamosan kötve kapcsolná a lámpát. A relé választásánál figyelj arra, hogy a tekercse 230V-os legyen (mint a mozgásérzékelő kimenete), valamint elviseljék a rákötött lámpák terhelését.
Köszi a választ. Erről a megoldásról már beszéltem egy villanyszerelővel, de azt mondta, hogy tapasztalatai alapján 2000-5000 kapcsolás után a relék zárlatosak lesznek, illetve amúgy is csillagászati összegbe kerülnek. Valami tartósabb megoldás nem létezik erre?
Mi a mozgásérzékelő?
Már megvan, vagy most fogod megvenni? Vezetékezés ki van már építve, vagy az is most történik majd? Miért pont mozgásérzékelővel akarod megoldani? Kutyád van?
Nincs még semmi megvásárolva. Azért szeretnék mozgásérzékelőt, mert ez egy kényelmes megoldás. Ablakon kinyúlós gombnyomásos megoldást pedig azért nem szeretnék, mert nem mindenki tud közel megállni karcolás nélkül. Kutya nincs, de lesz...
Ebben az esetben olyan érzékelőt javasolnék, mint amilyen a távirányítású kapuk akadályérzékelője. Ezt 1-1.5m magasra szerelném, így a kutya, macska stb. nem fogja élesíteni, csak az autó, emberek.
szerk.: ehhez viszont szükség lehet időzítőelektronikára. A hozzászólás módosítva: Máj 24, 2016
Szia.
Az a villanyszerelő komoly ember lehetett. Gondolom normál 230V-os mozgásérzékelőről van szó. Vajon a mozgásérzékelő kimenetén ugyan mi van gyárilag? (relé általában). Egyébként meg nem egy csillagászati árú tétel. Gondolom nem akart / nem tudta megoldani. Egyébként sem szükséges további relék alkalmazása, ha: - mindkét mozgásérzékelő kimenete relés eleve (nagy valószínűséggel az) - ugyanazt a fázist kapcsolnák a lámpákra - képesek a kívánt lámpateljesítményt kapcsolni Egyébként a normál mozgásérzékelő nem feltétlenül 3 m széles sávban lát. A két érzékelő talán szűkösen átfedné a 30m távolságot, de szélesebben látna, mint 3 m. Kimaszkolni lehetne a lencsét. Továbbá tudni kell, hogy ezek az érzékelők igencsak érzéketlenek a velük pont szembe érkező "tárgyra". Persze, ha csak a 30 m táv elejét és végét kell figyelni jobban, akkor beállíthatóak a mozgásérzékelők úgy is. Én megfontolnám az infra sorompó használatát is. Ebből van olyan ami simán átlát 30 m-t. Persze a működés feltétele, hogy: - érzékelés után ne maradjon benne a sugár útjában jármű, mert a másikat járműt nem érzékeli utána - adó és vevő pár, tehát a 30 m táv két végén szükséges kábel - 12V általában a működtető feszültség. Ide viszont kell relé + elektronika.
OFF:
Induktív nagy vastömeg érzékelő ? Akkor a kutyára se fog kapcsolni.Persze ezt a földbe/járdába/útra kell elásni felette jár az autó. ha elég érzékeny akkor a biciklire, fűnyíróra és a talicskára is ![]() ON: A hozzászólás módosítva: Máj 24, 2016
Csatlakozom, a mozgásérzékelő reléje nem éghet be gyakrabban a párhuzamos kapcsolástól, hiszen egyik esetben normálisan működik ( a párja szakadt) a másik esetben meg rövidzárat zár össze ( a másik zár).
A másik probléma tényleg a mozgásérzékelők telepítése, valóban nem szeretik a csík figyelést, legjobban a velük párhuzamos irányú mozgást szeretik, amit telepítésnél figyelembe kell venni. Amit kifigyeltem, a mostani érzékelők lencséje csak függőlegesen bordázott, ellentétben a riasztókéval, amik sok kis apró lencséből áll, ezért veszik észre a feléjük haladó embereket. Régen lehetett kapni ilyen lencsés lámpákat is, újabban nem láttam, csak nagyon drágán. A hozzászólás módosítva: Máj 24, 2016
Többször találkoztam már olyannal, hogy a relé érintkezőjével párhuzamosan kötött kondi vezetett át, így szinte teljes fényerővel világított a lámpa. Más kérdés, hogy egy villanyszerelő észreveheti-e ezt?
Szép napot! Szereztem valahonnan egy ilyen mozgásérzékelőt, és a kérdésem az, hogy hogyan deríthetném ki, hogy jó-e (anélkül, hogy leverném vele a kismegszakítót!), valamint hogy kellene bekötni? (Három drótja van: fekete, kék, barna.)
A képen nem sok látszik, mondhatni semmi. Ha minden igaz, a kék a nulla, a fekete a fázis, a barna a kapcsolt fázis. Kékre és feketére adsz 230 V-ot egy 60 W-os izzón keresztül. Így, ha az érzékelő zárlatos, az izzó világítani fog, nem fogsz szikrákat látni.
Általában az ilyen mozgásérzékelők áram alá helyezéskor bekapcsolnak, függetlenűl attól, hogy milyen állásba van tekerve a "fényerő" poti, ez normálisnak mondható. Ha a beállított idő letelte közben nincs mozgás, akkor kikapcsol, majd ezután veszi figyelembe a beállítást, miszerint milyen fényviszonyok mellett legyen aktív.
Idézet: De hogyan tegyem az izzót? A fekete és a kék közé vagy sorosan a feketével (vagy máshogy)?„Kékre és feketére adsz 230 V-ot egy 60 W-os izzón keresztül.” Valamint azt jól értelmezem, hogy a nulla az közös a bejövő és a kapcsolt fázis között? A hozzászólás módosítva: Máj 29, 2016
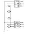
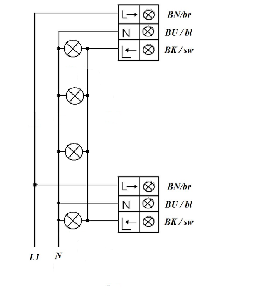
Fekete: fázis, kék: nulla, barna: izzóra. A nulla a mozgásérzékelőnél és az izzónál is közös. Itt van egy rajz: Bővebben: Link. Itt a barna a fázis és a fekete a kapcsolt fázis. Ha a kettőt felcserélve kötöd be, nem lesz semmi baja az érzékelőnek, fordítot tbekötésnél nem fog működni.
Tehát, ha jól értem, ha az érzékelő rossz, akkor a barnára (sorosan?) tett izzó világít, de ha jó, akkor nem világít? Vagy hogy is van ez?
Én először azt szeretném megtudni, hogy egyáltalán jó-e az érzékelő (mert nem akarok zárlatot vagy hasonlót)!
Igen, jól érted. A soros izzó azért kell, mert így zárlatnál nem fog szikrázni semmi, csak az izzó világítani.
|
Bejelentkezés
Hirdetés |











