Fórum témák
» Több friss téma |
Fórum » PIC - Miértek, hogyanok haladóknak
Ez itt a nem kevésbé PIC-es topic! Ha tudod, miért teszel fel szándékosan OFF kérdéseket? (nem kell válaszolni, az is csak szaporítja az OFF-ot!
)
Sziasztok!
A késleltetésekkel kapcsolatban lenne teljesen amatőr kérdésem! Hogy tudom kiszámolni, hogy a DelayPORXLCD, a Delay1KTCYx( n ), a DelayFor18TCY() mennyit késleltet az én esetemben? Pic18f4520 és 40 Mhz Egy Nop utasítás időben mennyi késleltetést jelent? Köszi szépen! Üdv.: Zoli
Jó lenne tudni, melyik nyelven és azon belül is melyik fordítóval dolgozol.
Aztán meg tudod nézni szimulációval, (C18+MPLAB).
MCC18 és MPLAB 7.60
Hogy néz ki ez a szimuláció? Vagy mire gondolsz pontosan? Köszi
A NOP 0.1 mikrosecundum.
A PIC-ekben egy utasitas negy orajelciklusnak felel meg. A 4MHz-esnel ez pont 1 us, te a tizszeresevel hajtod, akkor ez a tizede, 0.1 us.
A szimuláció az MPLAB SIM kiválasztásával indítható.
Beteszel két brake-et az időzítő elé és után, majd amikor az első brake-nél megáll lenullázod a számlálókat, és továbbfuttatod a progit, majd leolvasod az eltelt időt. Ehhez persze be kell állítani előtte az órajelet. A további kérdéseidre pedig ebben megtaláloda választ: MPLAB_C18_Libraries_51297f.pdf 146. pdf lap.
Ez jo hir, csak megmondanatok, hogy kell EEPROM-ba irni? Sajnos a PIC 2db 7 szegmenses kijelzot vezerel (direkten a szegmenseket, dekoder IC nelkul) ugyhogy nem tudom eleg-e a kondi-dioda megoldas. Egyebkent pont a kijelzo allapotat akarom elmenteni.
Datasheetben benne van vagy a Mid-Range dokumentacioban is, ill pl ebben a konyvben a
6. fejezetben ... Amugy meg a backup elemmel / kondival az LCDt es foleg hatter vilagitast ha nem hajtod akkor az ugye nem if fogyaszt. Pl erzekeled az aramszunetet - mert ugye ehhez kell erzekelni - es akkor gyorsan lekapcsolsz minden nagy fogyaszto aramkori elemet, kozben lehet irogatni az EEPROMba is - ugyis kb 5ms 1 byte kiirasa, szoval jo nagy kondi kell, mikozben az elso byte-ot firkalja kozben lekapcsolgathatod a periferiakat, PIC modulokat kikapcsolhatod hogy azok se fogyasszanak stb.
Amikor elmegy az áram, akkor megszakítást kell generálni, és a megszakításban a kijelzőt azonnal lekapcsolni. Ezután pedig elmenteni azt, ami a kijelzőn volt.
Az pedig, hogy az eepromba hogyan kell írni, részletesen ki van tárgyalva az adatlapban.
Oke, kosz, beleasom magam az adatlapba.
Sziastok!
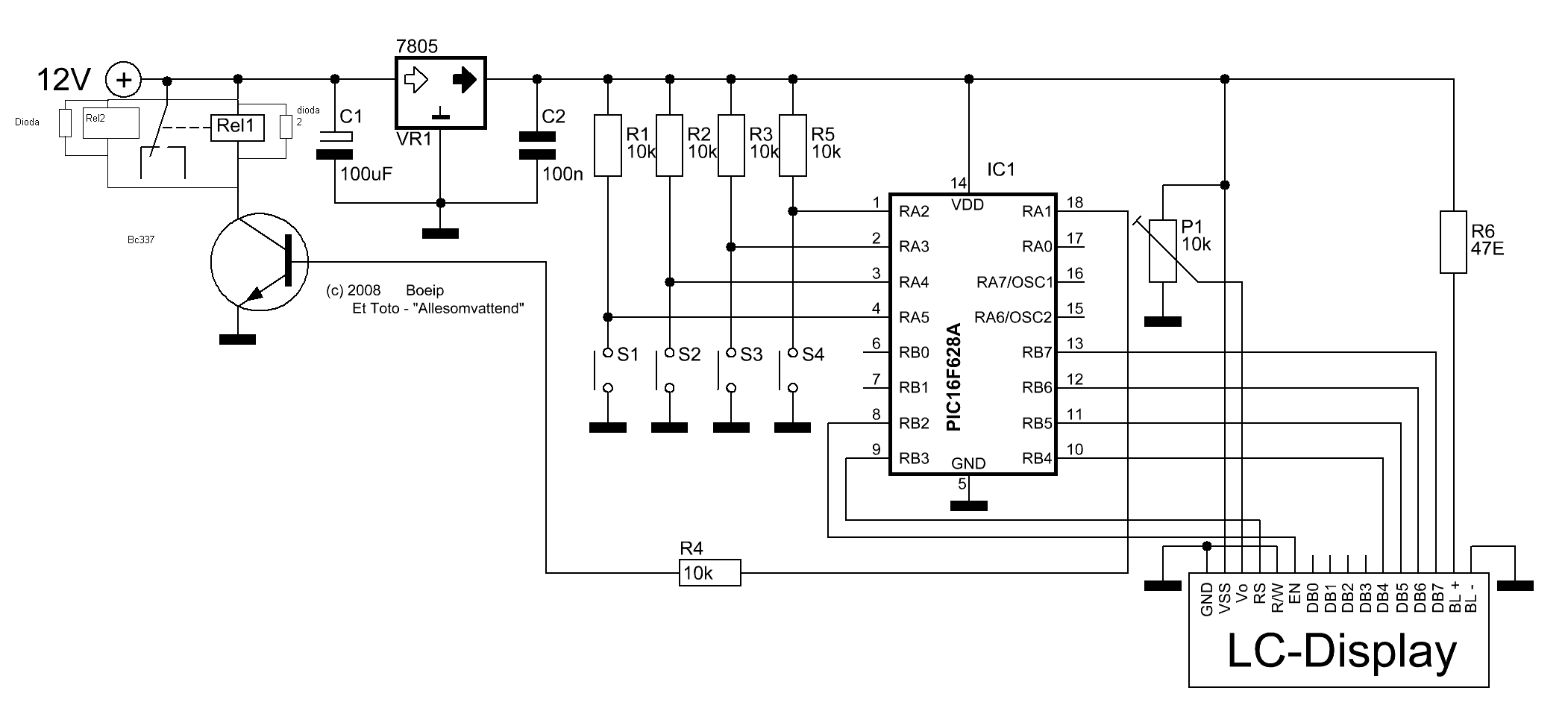
Lenne egy kerdesem, van egy kapcsolasi rajzom egy Lcd-es idozitorol ami egy relet kapcsol, az lenne a kerdesem hogy ha 2 relet kotok ra akkor szerintetek ugyan ugy fogja mukodtetni mind a ketot? Sajnos meg nagyon kezdo vagyok Ezen a teren es nem tudom atirni a progit hogy eleve ket relet kapcsojon. Segitsegeteket elore is koszonom! Udv. tomi134
Működtetné, de lehet, hogy a jelölt BC547 már gyenge lesz ide. Cseréld ki pl. BC337-re, és olyan reléket használj (természetesen párhuzamosan kötve), amiknek elég nagy a soros ellenállása ahhoz, hogy kb. 500 - 600 mA legyen a tranzisztoron átfolyó maximális áram.
És illik egy védődiódát is tenni a relé két pólusa közé (ellentétes polaritással, tehát katód a 12 V felé), különben gyakori lesz a javítás
Szia nagyon szepen koszonom a gyors valaszt!
Valahogy igy gondoltad?
Erdekesen rajzolod a diodakat... merre van az anodja? Azt javitsd mar ki mert ez igy nagyon zavaro. Azonkivul javasolnam, hogy valami aramkor rajzolo programot ujjits be magadnak mert gondolom mspaint-tel eleg hosszadalmas megcsinalni (vagy ceruza+papir+scanner, az is jo csak maceras ha kesobbiekben modositani akarod az aramkort vagy ha panelt szeretnel tervezni hozza).
Amugy megnezted az adatlapon, hogy azzal a 10k-val az a masik tranyo teljesen kinyit-e?
Az LCD háttérvilágításánál 47 ohm van.
Na nállam az LCD 47 ohmmal még nem világított, kisebbre kellett vennem.
Helló tomi134.
Elnézést, hogy én is beleszólok, de teljesen felesleges a két relé (ha csak nem nagyon különböző feszültségeket kapcsolnak), olyan relét kell használni amelyiknek több érintkezőpárja van. Oszt annyi.
:yes: Legtöbb relé többáramkörös. De ha mégis több relét teszel bele akkor is elég egy dióda.
Sziasztok
Nagyon szepen koszonom ismet a gyors reakciokat, aramkor tervezo progim van (Eagle) csak az este mar sietem aludni mert koran kellet kelnem es nem igazan voltam tul eber mar. Relevel kapcsolatban azert gondoltam hogy ketot teszek mert ket kulombozo aramkort kelene ki kapcsojon es ithon van legalab 10-15 auto riasztom amekbe darabonkent 4 rele van es igy megsporoltam volna egy kis penzt de lehet hogy az lesz hogy megis csak veni fogok. Kerdes: az egyaltalan lehetcseges hogy eleve a PIC 2 relet kapcsjon? Ezer koszonet: tomi134
Persze, hogy lehetséges. Meg kell építeni még egy al-áramkört, olyat, mint ami most az RA1 lábon van (ellenállás, tranyó, relé, dióda), és egy másik, szabad lábra kell tenni, amit kimenetként kell konfigurálni (TRIS regiszterben). Aztán pl. asm-ben, a szükséges helyre beszúrod a BSF (és BCF) PORTx, y utasításokat, a másik relé bekapcsolására (és kikapcsolására), x a port "neve", y meg az adott vonal sorszáma a porton.
Ha a kérdést úgy érted, hogy a relét közvetlenül a PIC lábára lehet-e kötni, akkor nem. Ha úgy érted, hogy egy másik lábat is be kéne fogni és az vezérelné a relé kapcsoló tranyóját, akkor igen. De ehhez programozni kell. Ha nem kell külön kapcsolni a két relét, akkor egyszerűbb párhuzamosan bekötni. Mérd meg, alig fogyaszt 10-20mA-t, mert ha többet, akkor az nem valami jó relé! A kettő együtt nem ehet 12V-ról 50-60mA-nél többet, azt meg simán elbírja bármilyen tranyó.
Mérd meg, és írd ide mennyit fogyaszt egy!
Hat ha jol mertem akkor 50mA (0,05 a 10A skalan)a fogyasztasa.
Helló tomi 134.
Ha 10 A-s a skálád, akkor az analóg műszer. De ha nem is az, akkor is a végkitérés (maximális kijelzés) 0.5%-t megmérni nem egy korrekt mérés. (a mérési pontatlanságod nagyobb). Ezt az értéket úgy 100mA-s méréshatárban "illik" mérni.
Hát akkor az lehet, hogy 20, lehet, hogy 80!
![]() Esetleg be tudsz ruházni egy pár ezer forintos digit műszerbe? Láttam olyat is, ami 500Ft-volt, bár azt már régen. Nem kell semmi komoly, ha csak ilyen egyszerű áramköröket akarsz méricsgélni. Ettől függetlenül szerintem két relét el fog bírni a tranyó. Ráteszed, bekapcsolod, és nézed, hogy melegedik-e. A bázisán lévő ellenállást cseréld le 1kohmra(ha jól emlékszem most 10k-s.).
Szia hat most erkeztem meg beruhaztam egy eleg gagyi kis muszere kokemeny 800 Ft volt azal is lemertem es tenyleg 53mA a fogyasztasa 200mA-re alitotam es azt irta ki hogy 0,53 akkor valoszinu anyit fogyaszt.
üdv mindenkinek tanácsot kérnék egy pic16c54-es ből kellene kiolvasni a tartalmát jdm-et használok ic proggal de ez nemkezeli vagy valami más megoldst ha tudna valaki .segitséget köszönöm szepi003
Szia tomi134.
Örülünk, hogy van jó müszered, de egy kicsit figyelhetnél a helyesírásodra is.
Szia tomi134.
Elnézést, de még valami: 200mA-s állásban a leolvasható érték 0.1 és 199.9 közé esik (feltéve hogy 3 és fél digites a műszered). Tehát 0.53-t nem írhatott ki.
Üdv mindenkinek. Az lenne a kérdésem, hogy lehet-e PIC-et programozni Java nyelven? (Gondolom lehet, mivel a Javát azért fejlesztették ki, hogy pl. a kábelTV dekódolóját tudják programozni, vagy egyéb háztartásai eszközöket). Ha igen, akkor mivel?
Szia Babo,
Van valami Javas kezdemenyezes de alapvetoen a valasz nem. Sot, C++ is eleg uj, gyakorlatilag mindenki vagy ANSI C vagy Assembly-ben programozik - es paran Basic vagy Pascal, bar ugy hiszem ez utobbi ketto keveseb. Javat, hogy miert talaltak ki nem tudom, tul sok idejuk volt gondolom es nem tudtak elkepzelni hogyan lehet megjobban elpazarolni a szukos eroforrasokat. |
Bejelentkezés
Hirdetés |




) 






