Fórum témák
» Több friss téma |
Ha egy kérdésre csak kérdéssel tudsz válaszolni, akkor ne várj túl sokat.
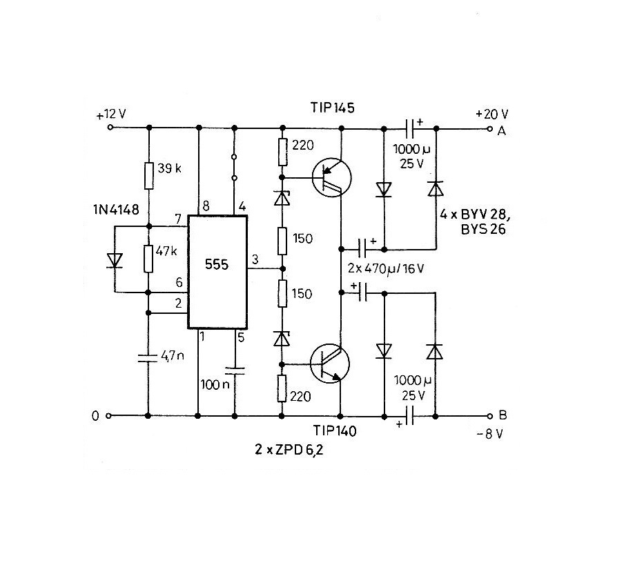
Idézet: „..Az a kondi, amit kérdezel, nem az a sárga pici kocka?....” Én tudjam??? Te építetted nem? A felirata a fotón nem látszik, megnézni pedig csak te tudnád. De leírom, hogy szerintem mi a helyzet: - Az a kondi valószinüleg a zenerrel párhuzamos 100nF. - A 22nF nincs beépítve - tehát nem a rajzon szereplő kapcsolás van megépítve. - a gyürüre készült tekercs valószinüleg nem igazán erre a célra való, sima bolti, lábas, "súlyzó formájú" vasmagra készített tekercsel biztosan megy. - a nyák elrendezése nem igazán veszi figyelembe a kapcsolóüzemű szempontokat, ami ekkora teljesítménynél valószinüleg nem okoz meghibásodást, csak rosszabb hatásfokot. Idézet: „Én látok egy pF-os nagyságrendű kondit a FET mögött,.....” Aha, megvan! Eddig nem vettem észre, mert nem minden nézetből látszik! A kerámiakondi kapásból felejtős abban a pozicióban.
Uraim!
Bocsi hogy picit eltüntem, de dolgoztam sokat, és itthon is rengeteg lenne az elfoglaltság. Közben elkészült a gyerekszobába a lapszabász munka is, haza kellett hordanom. Most viszont rendelnem kellene a Hestore-ről cuccokat és mindjárt rendelhetnék a 12-24 volthoz is amit kell. Az a baj, hogy elég tanácstalan vagyok, hogy akkor most pontosan mit kéne hova beépíteni? Ha valakinek lenne esetleg érkezése, akkor írhatna nekem konkrétumokat, hogy mit kellene cserélgetnem, és mik azok az alkatrészek, amiket pontosana hestore-ről rendeljek? Felvetődött a dolog, hogy rossz az elrendezése az áramkörömnek. Megmondom őszintén, hogy fogalmam sincs, mit hogyan kéne elrendezni, mert azt sem tudom hogy működik. Egy másik kérdés: Olyan tápot, ami az autóerősítőkben van, nehéz építeni? Ha olyat tudtok mutatni nekem, akkor nekem az is jó lenne, mert végülis 30 volt is tökéletes nekem. Köszönöm!
Sziasztok! Köszönöm szépen mindenkinek, főleg Ecopityunak a 12-24voltos problémám kapcsán adott tanácsát! Végülis kaptam több jó tanácsot is, amik nagyvalószínűséggel jól hasznosíthatók, de végül az autós laptop töltő lehetősége mellett döntöttem. Egyszerűbbnek és gyorsabbnak tűnik. Idővel sajnos mint mindenki, én is hadilábon állok ezért pillanatnyilag a gorsabb és készebbnek tűnő megoldást volt célszerűbb választanom. A 12-24-es topikban tehát itt feltett kérdés sincs teljesen elvetve, mi szerint életre akarom kelteni az általam készített kétszerező áramkört, de most nem érek sajnos rá. Minden esetre rendeltem pár alkatrészt a Hestoréról ahhoz is, meglátjuk, mire lesz idő a közeljövőben. Egyenlőre mindenre várok, futárral fog érkezni. Sziasztok!
Sziasztok.
Kellene egy kis segítség. 12DC-->24DC átalakító kapcsolási rajzát keresem. 2A terhelhetőséggel, 24V-os motor lenne meghajtva. Az inputot egy pc-s táp 12V-os ága adná. Jó lenne még meghajtani egy fűtőszálat max 20A de ez csak hab lenne a tortán, elsődlegesen a motor meghajtása lenne a cél.
Szerintem elég lenne (ha már PC tápot használsz), hogy a -12 V ág diódáit kicseréled nagyobb áramúra, és akkor használhatod a + GND - 12 =24 V -ot
Hello! Nekem van egy 24V-os mágnesszelepem ami egy hidraulika vezérlőtömbben van. Na és ezt a szelepet szeretném 12V-ról üzemeltetni. Hogyan lehetséges ez?
Válaszotokat előre is köszönöm!
Hali nekem olyan gondom lenne adott egy 75 Ah 12 v aksi. ehhez kellene egy olyan egyszerű szerkezet14-15 volt legyen de legalább 15 A terhelhetőséggel.ha valaki tudna segíteni.valamely módon kompenzálnám köszi hali
Sziasztok! 12V DC ből szeretnék csinálni 24V DC-t. A terhelhetősége 24v-os oldalon 2-3A. Ha valaki tudna mellékelni egy kapcsolási rajzot nagyon megköszönném. Előre is köszönöm a segítséget!
Sziasztok!
Van egy trafóm ami 12V-ot ad ki de nekem 24V kellene hogy 3 darab 24V-os relét tudjak vele kapcsolni! Az lenne a kérdésem hogy milyen kapcsolással tudnám egyenirányítani és meg kétszerezni a feszültséget?
Pl. feszültségkétszerezővel?
Bővebben: Link
Sziasztok! Nagy szükségem lenne egy vf3 erősítő meghajtására 12v ból +-24v- ra. Ha valakinek van egy megépített konvertere, ami szépen müködik, szeretnék kérni egy nyáktervet, és a hozzá valókat. A fiam nevében is előre köszönöm.
Valakinek sikerült akkor 12V-ból 24-et csinálni? 2-3 A-en?? ha igen akkor hogyan?
Sziasztok!
Egy egyszerű kapcsolásra van szükségem. Autó akku 12V-ból szeretnék 24V-ot csinálni, áramerősség max 0,5-1A. Adott egy kompakt beépíthető lámpatest. LED-es, és 24V-ra van belőve, de zárt, nem szétszedhető ragasztott. Ehhez kellene. A lámpatest 6 LED-et, egy 470Ohmos ellenállást és az egyenirányító híd kockát tartalmaz. Az ellenállás megfelezése nem jó megoldás, mert nem szeretném széttörni a ragasztott lámpatestet.
Tesztelve nem volt.
Sziasztok!
Létezik, vagy esetleg tud valaki olyan házilag elkészíthető kapcsolásról, ami 12v Dc-ből 24v Dc-t csinál és 350-400W-ot tud?
Ez DC-DC konverter; esetleg abban a témában?
|
Bejelentkezés
Hirdetés |





