Fórum témák
» Több friss téma |
- Ez a felület kizárólag, az elektronikában kezdők kérdéseinek van fenntartva és nem elfelejtve, hogy hobbielektronika a fórumunk!
- Ami tehát azt jelenti, hogy a nagymama bevásárlását nem itt beszéljük meg, ill. ez nem üzenőfal! - Kerülendő az olyan kérdés, amit egy másik meglévő (több mint 17000 van), témában kellene kitárgyalni! - És végül büntetés terhe mellett kerülendő az MSN és egyéb szleng, a magyar helyesírás mellőzése, beleértve a mondateleji nagybetűket is!
Azért, mert nem működne jól a Stab. IC a kocsiban, ugyanis oda kellene.
Ha ennyire ragaszkodsz ehhez a megoldáshoz- de nem értem kocsiban miért nem jó a stab. IC- akkor itt egy hassonló kapcsolás megadott értékekkel.
Nekem jó lenne a stab. IC-s megoldás, de úgy tudom, hogy ha nincs meg a stabilizált és a "nyers" feszültség között legalább 3-4 V különbség, akkor a stab. IC nem működik rendesen. A kocsiban, pedig nem nagyon van ilyen feszültség, alig éri el a 15V-ot is.
Nekem jó lenne a stab. IC-s változat is, de úgy tudom, hogy, a stab. IC nem működik rendesen, ha a stabilizált, és a "nyers" fesültség között, nincs legalább 3-4 V különbség. a kocsiban, pedig alig éri el a 15V-ot is (max. túltöltéskor).
Ertem,valami ilyenre gondoltam en is,nem tudtam helyesen irtam e le,most akkor van arnyekolt kebel elnevezes,vagy nincs?Vagy jobb a koaxialis elnevezes?
Kosz a segitseget,olyan jo hogy itt az ember mindig valaszt kap a kerdeseire,konnyen lehet tanulni. Koszi
Elkészitettem az adót, de valami nem jó vele. örülök neki, ha szines képet látok a TV-z de az is anyira szemcsés, hogy csak na. Olyan cégér képet sugároz! már vagy egy órája próbálom hangolni, de nem sikerül. mindig csak a csunya szemcsés kép, vagy még anyi se. mi lehet a gond?
Nos... tehát, mivel ez a kapcsolás elég kis telljesítményű egy bizonyos távolson túl már csak egy kicsit, vagy egyáltalán nem sugározza a video jelet. Előszöris rakd bele valamilyen fémdobozba, ami leárnyékolja, mert elég érzékeny a zajokra, és sok zajt összeszed, ettől is lehet a szemcsés kép, ha így sem megy, akkor próbáld meg az összebarkácsolt kondenzátor helyett betenni egy elkot úgy, hogy a negatív pólusra jut a bemenő video jel. Amúgy a rossz működés oka lehet az is, amit már említettem, hogy sok esetben fontos az alkatrészek elhelyezése is az ilyen nagy frekvencián működő kapcsolásoknál.
Üdvöset!
Mostanába készülök szkópot venni, illetve a szkóp "megvan" csak mérőfej kellene hozzá. A kérdésem a következő: A mérőfej egyik tulajdonsága, az osztás mit jelent? Előre is köszönöm a türelmes és segítőkész fórumozótársak, remélhetőleg számomra is érthető válaszukat
Nekem igy néz ki. baj, hogy olyan helyen vana tekercs?ÉS akkora kondit hogy? de akkor már 4,7µF-os kondit rakjak bele nem?
Azt hittem egy müveleti erősitő nem fog ki rajtam, hát tévedtem.
Valaki elmagyarázná nekem mit csinálhatok az ofszettel. Tudom valamit tologatok de nem vagyok tisztában vele. pl a TL071 1-es és 5-ös lábai. Ha ezekre a lábakra nincs rákötve semmi akkor kb -5V ot mérek rajtuk. A rajz szerint asszimetrikus tápot kell kapjon az ic. -5V +12V valószinüleg az asszimetrikus erősités miatt. Eddig nem volt baj a kapcsolással csak egy 709-est ekartam helyettesiteni TL071-el és beletörött a bicskám. A poti hatására nem történik semmi. A fesz osztó elég nagy értékü ellenállásokbol van felépitve, és alig változik az offszerfeszültség. Ha kell mellékelem az eredeti rajzot.
Az osztás azt jelenti amit matek órán tanultál.
Ha tizes osztású a mérőfej tized része a mért (a kijövő) jel a bemenő jelnek . Tehát : 10 volt-os jelre 1 voltos kitérést mutat a szkóp ha tizes osztású a mérőfej .
Hello,keszulok venni egy oszcilloskopot,egy egycsatornasat,vagy hogy is mondjak,es azt szeretnem kerdezni,hogy nagyon nagy e lenne ennek a hatranya a 2 csatornas,vagy sugaras szkophoz kepest?Biztatast varnek,mert nem negyon van penzem dragat venni,ez meg amit en vennek,ez 10Mhz,meg egy channel
![]() Varom a velemenyeteket,mit tegyek?
Ahogy említettem én most vettem (csak kifizetés és postázás van hátra) használtan, szintén 10Mhz egysugaras szkópot, már a mérőzsinór is hasonlóan áll. Márcsak zsozsó kell és eltünök innen egy hétre a szkópommal
Szerény véleményem szerintem, hobbi célra bőven sok is Bár ezt a profik jobban tudják hogy melyik szkóp mielyen felhasználói rétegnek felel meg.Ma különösen fenkölt a fogalmazásom :vigyor3: Nyugodalmas(abb) szépestét mindenkinek...
Egy rajz sokat segitene a probléma alaposabb elemzése miatt. Elvileg kiváltható lenne a 709-es a TL071-re, de nem ládkompatibilis. Gondolom ezt figyelembe vetted! Viszont az asszimetrikus tápot ( -5V, +12V ) nem egészen értem! Bár ez már csak, részlet kérdés.
Az OFSZET, az egy egyenáramú hibajel a kimeneten. Ez a kimeneten egy eltolt nullváltást eredményez, amit a bemenenetek egyenfesz eltolásával lehet kompenzálni!!! Néhány típusnál erre külön lábkivezetés szolgál. Ezt a legtöbb adatlap tartalmazza... Az Uo ofszetfeszültséget "input offset voltage" nek nevezzük. Nagyságrendje néhány mV, ami legtöbb esetben elhanyagolható... Viszont értéke hőmérséklet és tápfeszfüggő. De ez csak kiélezett esetekben okoz gondot... ANALÓG ÉS DIGITÁLIS ÁRANKÖRÖK 89. és 133. oldal.
A fesz osztó átméretezésével megoldódott a probléma. Mostmár tovább van a baj. Nem késleltet eleget a CD4011-el felépitett kettös monostabil. De próbálok rájönni a hiba okára.
nem, mivel a tápfesz alapból rákötöd a hangfalra, de vannak még ott egyéb hibák is...
De mondjuk így már működhet....
Ja, és a hangszóró min. 8ohm és a tranyó npn legyen.
A kondi meg pl. 22uf
Köszi a gyors választ, de még egy kérdés: mér 8 ohm-osnak kell lennie a hangszórónak? nem lehet 4?
Szevasz. Bár az eredeti kérdésedet megválaszolták (mit jelent a tizes osztás) egy szkópkábelnál,szeretnék még pár gondolatot hozzáfűzni,még igy vásárlás előtt. Mivel nagyon fontos a lehető legkisebb kapacitás mindkét osztás állásban, (ez határozza meg a határfrekvenciát amin még hiteles képet kapunk),itt a belső, meleg ér nem rézből készült,hanem ellenálláshuzalból. Ez és a külső árnyékoló harisnya elosztott paraméterű hálózatot képezve javitja az átviteli tulajdonságokat. Maga a mérőfej 9 Mohmos ellenállást is tartalmaz egy trimmerkondenzátorral egyetemben a1/10 osztású fejeknél. A szkóp bemenőellenállása 1Mohm-igy a nagyobb osztásnál a tényleges terhelés a mérendő áramkörön csak 10Mohm,ami nagyon jó szolgálatot tesz érzékeny nagyimpedanciás fokozatok mérésekor. Tehát nem csak feszültségosztás szerepe van a fejnek. Természetesen ez is az egyik feladata. A 10-ed mérőállásban a fejet kalibrálni kell. A szkóp előlapján álltalában található egy csatlakozó (lemezfülecske) ahova is a fejet csatlakoztatva a fejben levő trimmerkondival a szkóp álltal generált,álltalában 1kHz gyorsaságú négyszögjel segitségével állithatjuk be a sarkas, túllövésektől mentes képet. A csatolt képek között található kábel adatlapján megfigyelhető,hogy a 10-es osztás milyen hatással van az eredő kábelkapacitásra,és igy a frekvenciamenetre. Gyakorlatilag a 10-es osztással a jelnagyság ugyan lecsökken,de a határfrekvencia tizszeresére növekszik. Rádiófrekvenciás és kapacitásérzékeny áramkörök mérésénél kizárólag az osztásos üzemmódot használom,ha a mérendő feszültség ezt lehetővé teszi.
Annyi biztos,hogy egy áramkörben lezajló változásokat szkópon egy jó mérőkábel segitségével megjeleniteni(ez nagyon sokáig csak a vágyam volt) - nagyon nagy segitséget jelent. Kivánom,hogy neked is sok kellemes percet szerezzen az új műszered. Üdv
Még pár kép...
Nagyonszépen köszönöm a kimerítő választ.
Bitosvagyok benne hogy segíteni fognak az elhangzottak.
A koaxiális kábel is egyfajta árnyékolt kábel aminek, ha megnézed a keresztmetszetét, nagyon pontos geometriai méretei vannak és a dielektrikuma ( az árnyékolás és a középső ér közötti teret nevezzük dielektrikumnak, ami lehet különböző anyagokkal kitöltve de akár küllős kialakítással levegőt is tartalmazhat ) is speciális.
Az árnyékolt kábelnél általában hullámellenállást nem definiálunk és kisfrekvenciás átvitelre használjuk.
Elég érdekes dolog fémkeresőt beállitani mühelybe.
Idézet: Itt mindenhol fém van, lévén hogy szük a hely. Ki pedig hiába megyek a szkópon nemsok látszana a naptól. Most azon gondolkozok hogy fellógatom a ruhaszáritó zsinorra a tekercset. És egy kicsit arrábköltözök szkóposzól. Az előzö verziónál is megjártam. Bellitom nagy nehezen, felvszem a tekercset a földröl elhalkul egészen. Tekerem az érzékenységet semmi. leteszem jelez. Hát nem vas volt a földbe? „Minden fémtárgyat távolitsunk el a keresőfej közeléböl.”
Sziasztok
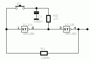
Csatoltam egy rajzot. Ez egy "Ki/Be kapcsoló egy nyomógomb-al" kapcsolás. Arra jó (ha minden igaz és jól sejtem ) hogy egy gombbal lehet egy relét kapcsolgatni.Az a gondom vele hogy nem tudom hogy mit hova kössek. Hova adjak neki feszt, hova kössem a relét... Valaki megmondaná nekem, vagy berajzolná kutyafuttában? Köszönöm szépen
Üdv! Honnét szerezted be a kapcsolást? Csak annyi lenne a probléma hogy hiányos! Amugy egy adatlap itt van. (Holnap korán kelek mentem pihenni, majd holnap 1 órától leszek akkor tudok válaszloni a krdéseidre.)
A 40106-os IC-t kell használnod, a lábak számai oda vannak írva a kapuk be- és kimeneteihez, a tápfesz a 14-es láb, GND pedig a 7-es.
A logikai ick 90%ánál úgy van hogy:
föld az ic lábszáma/2 azaz az első oldal utolsó lába, vpp pedig az utolsó láb. |
Bejelentkezés
Hirdetés |









Valaki elmagyarázná nekem mit csinálhatok az ofszettel. Tudom valamit tologatok de nem vagyok tisztában vele. pl a
Ha kell mellékelem az eredeti rajzot.

Bár ezt a profik jobban tudják hogy melyik szkóp mielyen felhasználói rétegnek felel meg.











miafene 




