Fórum témák

» Több friss téma
Fórum » Kormány távvezérlés autórádióhoz
Lapozás: OK   4 / 7
(#) Coupe29 hozzászólása Jan 24, 2015 /
 
Sziasztok!

Valaki nem találkozott valami olyan kapcsolással ami egy adott kormány távvezérléseit alakítja át utólagos rádió vezérlésé. Az ellenállás értékek megvannak mint az eredeti mint amire alakítani kellene. Valami hasonlóra gondolok: http://www.astraownersclub.com/vb/showthread.php/718457-Steering-Wh...roject
Esetleg ha ennek a PIC -nek a programozása mennyi lehet bonyolult?

Tippeket ötleteket előre is köszönöm!
(#) S.Roland válasza Coupe29 hozzászólására (») Jan 25, 2015 /
 
Üdv,
Ilyen univerzálisat ne is keress kapcsolásban. Ahhoz meg kell venni az eredetit. Mindenki aki fejleszt sajátot az az adott autóhoz és az adott rádióhoz van. Ennek a PIC-nek pont olyan bonyolult a programozása mint bármelyik másiknak szvsz ha értesz a programozáshoz akkor könnyű ha nem akkor meg nehéz.
Ha szerencséd van akkor ki tudod cserélni a távvezérlőben az ellenállásokat és összekötöd a rádióval. Ha nem akkor az már nehezebb dió.
(#) Coupe29 válasza S.Roland hozzászólására (») Jan 25, 2015 /
 
A PIC programozás sajnos még nem megy. De ma már leletem hozzá eredetit elég elfogadható árban, így valószínű azt veszem meg.

Köszönöm.
(#) bognarl hozzászólása Máj 17, 2015 /
 
Sziasztok!

Adott egy Pioneer MVH-350bt fejegység. Ehhez már lehet távirányítót kapcsolni az úgynevezett wired remote control szálon. Ezt kb már mindegyik új rádió tudja. A dolog lényege, hogy különböző ellenállásokkal adunk egy jelet a rádiónak. Találtam egy jó leirást hogy milyen ellenállások kellenek a kapcsolásba, de azt sehol nem találtam meg hogy a rádió menüjének előhívásához (ami ha már a menüben vagy az OK gomb is) mekora ellenállás szükséges. Itt egy link a kapcsoláshoz: http://jvde.net/node/7
(#) proba válasza bognarl hozzászólására (») Máj 17, 2015 /
 
Úgy látom , van két főcsoport, próbáld ki az első ellenállásait a másodikkal.ha ez nem jön be , akkor a potencióméter 0-200k ... Az oldalon van folytatás is, ha ott senki nem talált még rá esélytelennek érzem.
(#) utsy hozzászólása Dec 24, 2015 /
 
Üdv. Először is mindenkinek Boldog Karácsonyt kívánok.
És akkor most jönne a gondom : nekem van egy 2000 évjáratú citroen xsara m multikormánnyal és benne egy Pioneer DEH-1600UBG fejegység. Valaki rendelkezik erről valami információval hogy össze tudjam kötni és tudjam a kormányról vezérelni a rádiót?

A segítséget előre is köszönöm.
(#) Joe_001 válasza utsy hozzászólására (») Dec 25, 2015 /
 
Az első oldalon írják vannak autó- rádió függő átalakítók. Lehet e-bay olcsóbb.
(#) utsy válasza Joe_001 hozzászólására (») Dec 25, 2015 /
 
Hát igen 20 ezer ft.... Reményeim szerint azért olcsóbban is ki lehet hozni...
(#) csabexx hozzászólása Jan 27, 2016 /
 
Sziasztok. Van egy Opel Vectra B 1998 évjáratú jármű ami multifunkciós volánnal rendelkezik (6 db. gomb, 3 oldalanként) és ebben az autóban a gyári magnó helyett egy Sony MEX-N5100BT van bekötve erősítővel meg nem gyári hangfalakkal stb... Tökéletesen működik a fejegység és mivel ő Steering Wheel ready, vagyis előkészített ilyen célra (Jack kijövetel), így csak egy jack kábel kellene nekem amit összehangolok a volánon lévő gombokkal. Ugye ellenállás elven működik a 6 db. gomb és a magnó képes értelmezni az értékeket lenyomáskor és egy adott funkciót hozzárendelni a gombhoz amit én szeretnék. Van rajzom a Sonyhoz, de nem tudok kiigazodni rajta sajnos Csatolom a rajzot amelyben a remote funkcíó J801-ként van jelölve és ha megnézitek a 30-ik oldalon a 3 csatlakozásból egyik föld a másik kettő pedig RC_IN0 és RC_IN1 viszont vannak ott valami pufferek és valami 1K Remote ami gondolom 1KOhm ellenállás akar lenni, vagyis az lehet a határ talán, de nem vagyok benne biztos, mivel nem vagyok jártas a témában. Egy másik rajzon is látható a remote funkció, ez a 36 oldalon található és szintén J801-ként van jelölve.
Na most a kocsi gombjaitól állítólag 2 vezeték jön az ISO csatiba, de még nem szedtem szét a volánt, szóval csak amit a neten találtam az alapján írom... Ha a 2 vezetéket ami jön a volántól bekötöm egy Jackivel a magnóba, akkor számít hogy melyiket hova? In_1 vagy IN_0 ? Tönkre tehetem-e a magnót ha nem kötöm be helyesen, vagy csak egyszerűen nem fog működni?
Elnézést ha picit pontatlan voltam helyenként, de ha bármi kérdés van állok a rendelkezésetekre. Előre is köszönöm a segítséget Szép estét, Csaba.

UI: Elnézést, nem tudom csatolni mert 6 Mb A rajz erről a linkről tölthető le.
A hozzászólás módosítva: Jan 28, 2016
(#) kzozo válasza csabexx hozzászólására (») Jan 28, 2016 /
 
A gyári fejegység és az autó nagy valószínűséggel "valamilyen" adatbuszon kommunikált egymással (talán CAN). Emiatt a Sony-t nem lesz egyszerű bekötnöd...
(#) Inhouse válasza csabexx hozzászólására (») Jan 28, 2016 /
 
Ha nem jön össze a konvertálás, vehetsz hozzá vezetékes Joystick távirányítót, ha kiderül melyik az övé.
(#) csabexx válasza kzozo hozzászólására (») Jan 28, 2016 /
 
Nem, a regi rendszeres az autom, nem CAN-BUS-os... A lenyege annyi, hogy 2 vezetek jon ki a gomboktol mint kiderult... Minden gomb ellenallas elven mukodik, meg is talaltam a kocsinak a rajzat, mert vettem regebben egy ilyen "Igy csinald" konyvet. Belinkelem a kepeket, nezzetek meg tis is, es akkor itt jon ujra a kerdes, hogy ha a magnoban levo valamelyik bemenetre rakotom, akkor meghibasodhat? A rajzot nezted egyebkent? A fejegyseg menujeben csak belepek a st. wheel menube es amikor ranyomok a register buttonra, akkor villog es varja a jack-en keresztul a jelet, hogy ahhoz a jelhez majd milyen funkciot adjon hozza. Ime a kepek: 1 2 3 4
(#) csabexx válasza Inhouse hozzászólására (») Jan 28, 2016 /
 
Koszi, de nem szeretnek, hiszen ott vannak a gombok a volanban, ki szeretnem oket hasznalni foleg ugy hogy a fejegyseg elo van keszitve erre a funkciora is. Majd csak megoldom valahogy
(#) Hp41C válasza csabexx hozzászólására (») Jan 28, 2016 / 1
 
Nem vagyok sem autorádió sem járműelektronikai szakértő.
Pont azt a részt nem nézted (töltötted fel képként), ami a lényeget tartalmazza: 5-9. SCHEMATIC DIAGRAM - MAIN Section (4/4) bal alsó sarka (L-M-N , 2-3-4).
Itt két egyforma áramkör látható (buffer), amit egyszerre kapcsol a vezérlőtől jövő REMOTE-1K jel. A bufferekben egy PNP tranzisztor kapcsolja a 3.3V -os tápfeszültséget az RC_IN0 és az RC_IN1 vezetékekre egy-egy ellenállásosztón (R1368 - (R1370 + R1429) ill. R1367 - (R1369 + R1428)).
A Remote1 képen az X122 vezeték hova megy? A földre?
A két vezetéked egyik ere a PA1-1, a másik az X122?
A tranzisztorok a test felé bekövetkező rövidzárat biztosan túlélik (3mA, 3.3V, 10mW).
Nagy kár csak akkor keletkezhet, ha a kocsi 12V -ja vagy a lágzsák ennél nagyobb feszültsége jut a vezetékre.

buffer.JPG
    
(#) csabexx válasza Hp41C hozzászólására (») Jan 28, 2016 /
 
Szia. Nem vagy, de egy Isten vagy Végre elindultunk egy vonalon neked köszönhetően
Valóban nem néztem, de nem is értettem volna meg ennyire az áramkört amennyire részletesen te írtad le, szóval még1x nagyon szépen köszönöm Nos, az X122 igen, az föld, vagyis az aksinak a negatív pólusa tulajdonképpen. És igen, a 2 vezetékem amire én gondoltam a rajz alapján az valóban a PA1-1 és az X122. ( A rajz logikája az alsó sorban lévő számozásban rejlik. Pl. a remote1 képen az 1931 folytatódik a rem3 képen ahol ugyanúgy alól látszik a skálánál, hogy 1931 tartományban van és az is látszik, hogy az 1079 skáláról érkezik a vezeték. ) Ha megnézed, a remote3 képen, akkor ott az 1 lábra csatlakozik a H1 csatinál, ahol a H1 az ISO csati. Utánanéztem a neten és valóban több oldalon is az igazolódott vissza, hogy az 1-es láb az a str whl, vagyis a gomboknak a vezetéke ami ugye azért 1 vezeték, mert a másik az a föld. Itt egy példa . Szerintem erre az ágra semmiképp sem tud jutni 12V a kocsiról, mert nincs a közelében sehol jelen... Vagyis a légzsák csatiról kapják az SMD ledek a 12 V-ot, de a nyákon nincs hogy átfolyjon a PA1-1-re...
Szerinted melyikre próbáljam kötni első körben ezt a PA1-1-et? RC_IN0 vagy IN_1-re?
És köszönöm még egyszer a hozzászólásodat amivel nagyon sokat segítettél
(#) Hp41C válasza csabexx hozzászólására (») Jan 30, 2016 / 1
 
Áramkörileg a RC_IN0 és a RC_IN1 egyenértékű, a rádió vezérlőjének programja döntheti el, melyiket kezeli. Kezd a RC_IN0 -val.
Előbb mérj a kormánygombok vezetékein (X122 és PA1-1 között) ellenállást a különböző gombok megnyomásakor (egyszerre csak egy gombot megnyomva).
A hozzászólás módosítva: Jan 30, 2016
(#) csabexx válasza Hp41C hozzászólására (») Jan 31, 2016 /
 
Nagyon szépen köszönöm a segítséget Működik! RC_IN0-val kezdtem és tökéletesen működött egyből A javaslatod alapján rámértem előbb és szépen mutatta az értékeket, szóval flottul ment minden. Már be is kötöttem véglegesen a magnót, mert korábban ez a funkció volt az ami miatt még nem kötöttem be végleges állapotra. Ha Bp-i vagy, akkor meghívnálak valamire valamikor ha gondolod
(#) Hp41C válasza csabexx hozzászólására (») Feb 1, 2016 /
 
Örülök, hogy sikerült.
(#) zoltanfazakas hozzászólása Feb 23, 2016 /
 
Üdv mindenkinek!

Van egy problémám. Egy 2003-as Renault Laguna 2 kombi boldog tulajdonosa vagyok,érthető okokból a gyári kazettás magnó hamar kukába került , a helyébe egy "igazi" kinai dupla din-es dvd lejátszó került gps-el minden csilli villivel.
Működik (bár ezen magam is meglepődtem) az apró cseprő szoftveres hibák ellenére nincs vele különösebb gondom viszont szeretném használni a gyári kormány távvezérlőt.
A fejegységen van két db vezetékem, név szerint Key1 és Key2 max még GND lehetne, de ezt gondolom megoldották máshonnan, tehát külön vezetéke nincs.
A Lagunában viszont egy sárga mini iso csatlakozó van 5 vezetékkel. elvileg ezek között van a táv és a kijelző vezetéke is, és ha minden igaz akkor csak 2005-től van Can buszos rendszer....de itt megakadtam.
Elvileg ha analóg a távvezérlő ki tudnám mérni melyik az a két vezeték, de ezt nem tudom, egyszerűen semmi. A fejegység tudja kezelni a gyári távvezérlőt, erre külön menü is van bent amelyikben be lehet állitani a gombok funkcióit.....hát eddig jutottam.
Nem vagyok elektro-zseni, tehát ha lehet hanyagoljátok a húúúú de béna vagy, hogy ezt sem tudod megjegyzéseket, mert igazatok van, ha tudnám, nem kérdezném
Addig is várom a használható ötleteket, javaslatokat!
Köszönettel: Zoli
(#) S.Roland válasza zoltanfazakas hozzászólására (») Feb 23, 2016 /
 
Üdv,
Bővebben: Link
Amúgy a gyári rádió pontos típusának ismeretében a neten megtalálod a bekötését, esetleg service manualt és ebból megtudod , hogyan is van bekötve a távvezérlő szála.
A hozzászólás módosítva: Feb 23, 2016
(#) juhostt hozzászólása Ápr 7, 2016 /
 
Sziasztok!

Adott egy Opel vectra B caravan, 98-as évjárat.
Adott egy SAL VB2200 fejegység.

A kérdéseim: A gyári multikormányt rá tudom-e valahogyan kötni? Ha igen hogyan tudom megoldani? Továbbá az autó gyári kijelzőjét rá lehet-e kötni?
Főként a kormány távvezérlője lenne a fontos.

Ha netán nem kivitelezhető, esetleg tudtok javasolni olyan fejegységet (max 20 000 ftig) amelyet gond nélkül rá lehet kötni a kormány távvezérlésre?

Előre is köszönök minden választ és segítséget!
(#) etibor hozzászólása Máj 2, 2016 /
 
Sziasztok,

a következő projectbe fogtam.Van egy Blaupunkt gyártmányú Audi Delta CC tipusú rádióm,
ezt szeretném multikormánnyal vezérelni.A rádiónak van remote control bemenete(szabvány iso csatlakozós).Az autóban gyárilag nincs multikormány,csak légzsák a kormány amit szereztem ahhoz nem jók a gyári csatlakozó kábelek.

A kérdésem az hogy kell -e 12V-ot adni a kormánykapcsolóknak ha a rádió remote control bemenetén vezérelném a rádiót?

Hogy tudom meghatározni az ellenállás értékeket a rádió gombjainál?
Hogy kell rámérni a rádió gombjaira?A kocsiban nem tudom megoldani hogy
szét legyen szedve a rádió teteje hogy be tudjak mérni a gombnyomásra,helyezzem külső áramforrásra,bontsam szét és mérjem a panel belsejét amikor nyomom a gombot?

Köszönöm a válaszokat az amatör kérdéseimre.
(#) S.Roland válasza etibor hozzászólására (») Máj 8, 2016 /
 
Bővebben: Link
Letöltöd a rádiódnak megfelelő service manualt, és minden kérdésedre választ ad a rádió megbontása nélkül.
(#) Joe_001 válasza etibor hozzászólására (») Máj 8, 2016 /
 
Üdv!
Milyen autó?
(#) etibor válasza S.Roland hozzászólására (») Máj 13, 2016 /
 
Szia,

köszönöm a linket Közben egy másik leírásban találtam részletesebb infót.
Viszont az a helyzet hogy nem egyértelmű mert a csatornaváltás le(H851) és fel(H861)
gombjainál is ugyanakkora értékű ellenállás van (mindkettő 5,6K).
Így most nem értem hogy amikor gombnyomáskor ugynakkora ellenállás változást ad akkor
honnan tudja hogy melyik gomb nyomódott be.

gombok.png
    
(#) Inhouse válasza etibor hozzászólására (») Máj 13, 2016 /
 
2 ága van, tehát két szál külön ellenállásokkal. Az a két szál független, nincsenek közösítve, csak egy kötegben futnak, azért van így rajzolva.
(#) etibor hozzászólása Máj 14, 2016 /
 
Köszönöm a választ,tovább boncoltam a kapcs rajzot,
ez a távvezérlő az ST6285 mikrokontroller(katalógus szerint lcd vezérlő) FB bementére megy be.
Az mcu leírásban szerepel hogy ellenállás értékre reagál de még mindíg nem világos hogy
fogja az 5,6K-s ellenállásra tudni hogy az a fel gomb akart lenni és nem a le.
Köszönöm a további segítséget.

Frissítés:
Na jó közben azért rájöttem!
Ez a V2800 infratáviránytók jelének továbbítására van az MCU-ba.

Viszont megint meg vagyok lőve,láttam blaupunkthoz ilyen infra vevőket
de nekem nincs hozzá adóm hogy állítsam így elő a kormány gombokkal a jelet?
A hozzászólás módosítva: Máj 14, 2016

mc.png
    
(#) Inhouse válasza etibor hozzászólására (») Máj 14, 2016 /
 
Most már nem egészen értelek. Amit beraktál rajzot, akkor az nem a vezetékes távirányító ellenállásait mutatta, hanem az előlapét? Van ezen a szerkezeten egyáltalán vezetékes távirányító bemenet? Ha nem találsz, vagy nincs hozzá vezetékes távirányítós bemenet, ami ellenállásokat használ, de az előlapi gombok így működnek, esetleg megpróbálhatsz abból csinálni egy kivezetést. Jó zavarszűréssel, árnyékolással.
Van olyan vezetékes távirányítós fejegység, ahol nem ellenállásértékekkel kapcsol, hanem jelsorozatot vár.
A hozzászólás módosítva: Máj 14, 2016
(#) etibor válasza Inhouse hozzászólására (») Máj 14, 2016 /
 
Elnézést a pontatlan fogalamazásért.
Igen az első bemásolt kép az előlap gombjait mutatja,
mert eloszor ugye nem gondoltam hogy Pin 11 az infra
input lesz.

Ez alapján egy blaupunkt infra távirányítót kellene építenem
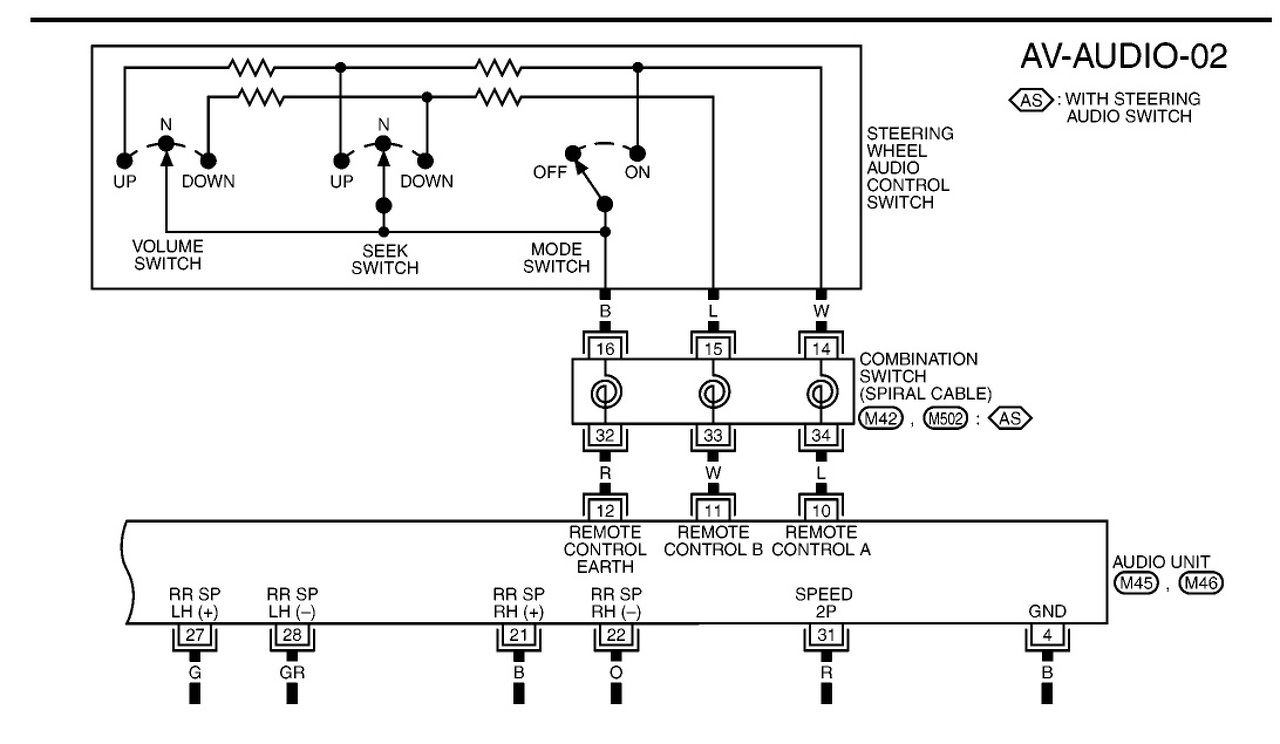
(#) szabadh hozzászólása Máj 23, 2016 /
 
Haliho,
Úgy látom él a forum. Hátha tud valaki segíteni.
Adott egy Nissan note. kormányon beépített távvezérlő. volume, bemenet, léptetés
A gyári autórádió balupunkt, lecseréltem egy szintén blaupunktra. Direkt a csatlakozó miatt, hogy így majd működik a kormánytávvezérlés. DE nem.
A képen a gyári rádió van. Az új rádió csatlakozója is ilyen.
Van ugye a zöld csati, ott a 10-11-12 ben vannak a szálak, és a sárgában is van egy. Azt nem tudom mi.
És egy kép a nissan note szerelési pdf-ből amin a kormánytáv kimenete van.

Arra gondoltam lehet egy vezetéket odébb kell tenni, vagy felcserélni. Mert ilyen interface modult nem találok.
Előre is köszönöm, ha valaki meglát valamit ami segíthet
Következő: »»   4 / 7
Bejelentkezés

Belépés

Hirdetés
XDT.hu
Az oldalon sütiket használunk a helyes működéshez. Bővebb információt az adatvédelmi szabályzatban olvashatsz. Megértettem