Fórum témák
» Több friss téma |
Úgy néz ki, igen, hogy a 2,4 csatornáknál megoldódott, az egyesnél a lehallgató süket
Vizsgáld meg az egyes csatornához tartozó átkötést ami a bementi panelhez megy, valamint csipogtasd ki bemenetváltó kapcsoló érintkezését.
Az átkötések és a kapcsoló rendben, a jel bejön, a kimeneten szól is, de a lehallgatón nem valamiért...
Módosítok: Szól a lehallgató, de a potinak nincs funkciója. A hozzászólás módosítva: Máj 23, 2016
Ha lehúzott csúszkánál a csúszka és a poti test láb között nem mérsz nulla közeli ellenállást akkor a poti hibás, ha igen, akkor nem megy a lábra a test - valamiért.
Aha, a poti a hibás, ~30k-t mérek kb...
Akkor ugrás az elejére
Csak félek, hogy szét kell furkálnom a nyák lemezt
Nézz bele a hibás potiba, hátha javítható.
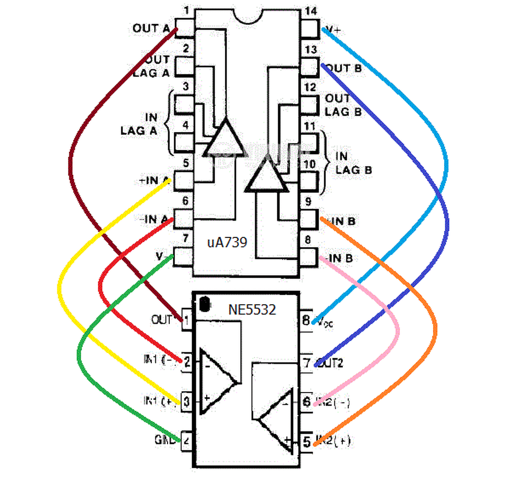
Megrajzoltam hogyan tudsz áttérni kisebb zajú bemeneti műveleti erősítőre. Tüskesorból és forrszemes próbanyákból egész korrektül elkészíthető.
Oké, köszönöm! A keverőben ua709pc van, nem tudom az befolyásol-e.
A 709-est NE5534-gyel válthatod ki. Ha a két lábkiosztást az előbbiek szerint egymás mellé teszed, látod az milyen egyszerű, mint arról korábban már beszéltünk. A pc a 709 után a közönséges (nem katonai) változatot jelöli.
Értem. Akkor az ábrád szerint csináljak egy kis nyáklapot ami ennek megfelelően felcseréli a lábakat és ennyi? Vagy most melyikre gondolsz?
Erre a két IC-re gondolok, ezek cseréjétől csökken a mikrofon előerősítő zaja.
A keverő rész uA709-esei egy másik téma. Abból vagy két csatornát hoznék egyelőre rendbe.
Oké, értem köszönöm. Az a helyzet, hogy kicseréltem a potit, és ugyan úgy nem némul el a mikrofon lehúzott állásban... :/
Sikerült jól bekötnöm, rendben működik! Köszönöm a segítséget, a modernizációt végig gondolom, hogy hogyan lehetne. Jó éjszakát!
Sziasztok!Az akt 408-ban az összes tolópotméter 10KB?
Úgy tudom igen.
Köszi!Csak azért kérdeztem mert recsegett nagyon.Kiszedtem mindet megtakariottam azóta valamoi sipoló hangot ad ki ha feltolom a csatorna hangerő potit a feléig.Vagy a főhangerőt.Eszem nincs mi lelte.
Még a gyüjtősinnél sem szol.... A hozzászólás módosítva: Jún 12, 2016
Közben javult a helyzet,a TK 125 M trafòt kiszedtem mert azon keresztül semmi hang nem jött ki.Szerintem tönkre mehetett,gondolom én.Most a keverő fő kimenetről szól.A mikrofon illesztő trafókat is kiszedtem,egy csatornàn nem tudom àllitani a hangerőt.A többi mind jó.Amúgy a TK125M mi célt szolgáàlt benne?A sipoló hang azért lehetett mert véletlen leszakadt egy testkábel a panelről.Koràhoz képest jól szól csak van egy kis alapzaja.Ezt nem lehet valahogy csökkenteni?
A hozzászólás módosítva: Jún 12, 2016
Szia! A zajjal kapcsolatban pár sorral lejjebb írtam ajánlást, nézd meg!
Akkor az ic csere megoldanà?Mikrofon részét nem hasnàlom,az kilett szedve.
Az uA709-esek cseréje NE5534-re jelentős javulást fog okozni.
Köszi a segítséget!
Sziasztok!
Beag akt408 valamiért nem ad mélyeket főkimeneten hiába van kikapcsolva a mélylevágás és a vu se megy rajta. Room controlon jó a hang ha a mikrofon bemenetre adok jelet, vonal bemeneten ugyan úgy nincs mély. Ellenálásokat átnéztem egy 10k sat cseréltem, bd128 at cseréltem plusz a púpos kondikat is kukáztam, de mélyek még mindíg nincsenek. Mi lehet még a gond?
Szia! Én anno minden elkót cseréltem, nem csak a púposakat. Nekem régebben volt hasonló zűr vele, és az összes elkó cseréje megoldotta a dolgot. Ezeket is cserélted?
Sziasztok. Volna itthon egy Beag AKT-400-as keverőm. A gond ott kezdődik vele (azon kívül hogy zajos egy picit), hogy mély hang egyáltalán nem jön ki belőle. A magasat ha letekerem teljesen és a mély potmétert maxra akkor már egy nagyon pici, de ez 200W-nál a hangszórón nem látszik hogy "mély" hang is jelen lenne. A kapcsolási rajz ITT található meg, viszont értékeket sajnos nem közöltek le rajta.
ITT minden megvan pontosan.
Köszönöm a választ.
Megmértem közben a potmétert is nem szakadt és szabályoz rendesen, a két kondenzátor is jó ami rá van kapcsolva. Hol keressem még a hibát?
Csatoló és hidegítő elkokat nézd át.
Szkóp + hanggenerátor segítségével gyorsan megtalálható.
Melyik bemenetét használod a keverőnek? A négy bemenete közül csak az egyiket lehet átkapcsolni aszimmetrikusra, a többi csak szimmetrikus. Ha bambán aszimmetrikus forrást kapcsolsz szimmetrikusra, félágas lesz, és a mélyek hiányozni fognak. (innen lehet tudni, hogy rossz a bekötés) Mivel trafós a bemenet, nyugodtan kötheted az aszimmetrikus jelforrást a trafó bemenetére, legalább biztos lehetsz benne, hogy nem lesz földhurok.
A keverő eredetileg mikrofonok keverésére készült, az egyetlen átkapcsolható bemenet kivételével, de oda is lemezjátszót szántak, jól leterhelve. Tehát a bemenetek nagyérzékenységűek, és kis impedanciás jelforrásokhoz készültek. Ezért nagy az erősítés a bemenetekről, és ha nagyobb impedanciájú jelforrást csatlakoztatsz, (nem pár ohmost) akkor zajos is lesz. Kellene készíteni egy ötödik bemenetet, ami közvetlenül az összegző sínre keveri rá a nagyszintű bemenetet. A hozzászólás módosítva: Nov 13, 2017
Mit kapcsolsz rá? - mert ez egyébként mikrofon előerősítő-keverő, nem szereti a nagyjelű műsorforrásokat és ezért nem lesz mélyhangja sem.
Azt is vedd figyelembe az előttem írtak után, hogy kb. 600 Ohm a bemeneti impedanciája mindegyik bemeneten, kivéve, ha az 1-es bemenetet átkapcsolod, akkor ott néhányszor 10kOhm-os bemeneti impedanciája lesz. Nos ez a 600 Ohm ez bizony sok készülék kimenetének már nagy terhelés és ezért sincs elég mélyhangja. Üdv! |
Bejelentkezés
Hirdetés |












