Fórum témák
» Több friss téma |
Fórum » PC táp javítása
Az én tippem, a 12 voltos dióda egyik fele szakadt. (kiforrasztva mérendő)
Terheletlenül ne csodálkozz ezen. Terheld meg egy 21 W-os izzóval, és az 5 V-os ágat is, majd akkor mérj. Szakadt diódánál pont terheletlenül nem bukik le a dolog, mert csúcsértékre a félperiódus is elég feltölteni, az ilyen hibás tápok terhelésre esnek össze.
A készenléti táp szekunder oldalán van egy TL431, azt cserélted már?
Megnéztem terhelve, úgy még lejjebb esik a feszültség, nem áll be a 12V.
Sziasztok,
Van egy kb 4 éves Chieftec 550 80p tápom, semmi probléma nem volt vele, amíg le nem cseréltem a videokártyát egy erősebbre. A hiba, hogy 3D alatt fagy a gép. Minden lehetséges okot kizártam, a táppal nincs rendben valami.(Egy papíron gyengébb táppal minden rendben van) Multiméterrel mérve a 12V os ág feszültsége nem esik 11.8V alá terhelt állapotban, ez még bőven benne van a tűrésben. Az összes elkót kicseréltem, ugyanolyanra, mint ami eredetileg volt benne, ez javított a helyzeten, a videokartya alulfeszelve, alacsonyabb órajelen már használható, de nagyon messze van még a gyári órajeltől illetve feszültségtől. A tápnak simán bírnia kéne a terhelést, egy AMD 7970 videokártya, és egy AMD 955 CPU a főbb fogyasztók, ezek mellett csak a szokásos HDD etc.. Van valakinek valami ötlete?
Üdv!
Nem biztos, hogy a 12V okozza a fagyást, lehet az alaplapnak fogy el a tápja. Szóval mérj le minden feszültséget. Lehet az 5V lecsökken vagy a 3.3V.
Hello,
Az összes feszültség rendben van. 5.05V illetve 3.33V. Egyszerűen nem értem. A csatlakozósarukatis megtisztítottam, hátha ott lenne valami baj, de semmi változás..
Akkor Mugab kolléga ötletét próbáld meg.
Az a csíftek táp két, 25 A-es áramkorláttal ellátott 12 V-os ágat szolgál. A kártya TDP-je 300 W, tehát pont egybeesik a két érték-habár a TDP elérése nem valószínű, az áramkorlát szórása miatt lehet gond, ugyanakkor az áramkorlát belépésekor nem fagynia kéne, hanem leállnia a gépnek és úgy maradnia, amíg a 230-at el nem veszed tőle. Mérni nem biztos, hogy tudod az esetleges belengéseket, ahhoz oszcilloszkóp kellene, a kártya áramfelvétele olyan rövid idő alatt változik igen meredeken, hogy azt egy DMM nem tudja lekövetni.
Szia,
Az igaz, hogy két 25A es ágat ír, de fizikailag össze van forrasztva az a két ág +12V ja, legalábbis a multiméter sípol. Azt tudom, ha túlterhelem, akkor kikapcsolja magát a tápegység, ebből gondolom, hogy nem az a baj, mert nem ez történik. A másik pedig, hogy egy 12V 2x18A-es táp elbírta, fagyás nélkül működött. A 12V os kimenetnél a kondik kapacitását megdupláztam, de ugyanaz a helyzet.
A két 25 A-es ág azt jelenti, hogy egy közös egyenirányítás után kétfelé ágazik és egy-egy saját sönttel haladnak tovább, így a multiméter közöttük zárlatot mér. Valódi több ágú megoldás igen ritka. A 2x18A-es tápnál lehet, hogy a védelem sokkal engedékenyebb, a tipikus érték 110-160 % között akármi lehet, plusz az érzékenysége is eltérhet. A megduplázott kapacitással nem sokat érsz, a kapacitás mennyisége azon az üzemi frekvencián bőséggel a szükséges felett van, az ESR a lényeg itt-ezen is segít, ha párhuzamosan van kötve még kondi, de emiatt kell ide alacsony ESR-ű, magas csúcsáramokat elviselő konditípus. Hogy az áramkorlátot kizárjuk, mint lehetséges ok, próbáld meg a söntök után egy igen combos (kétszer kettőfeles, vagy négyes), minél rövidebb (amekkora egyenesen szükséges) vezetékdarabbal összekötni a két ágat. A söntöket könnyen felismered, két, egyenes drótdarabnak fognak tűnni. Ha így stabil, akkor ezt így is hagyhatod, az ágankénti maximált teljesítmény egy nem túl ésszerű teljesítménykorlát miatt került bele az ATX szabványba, de amúgy semmi értelme. A közös korlát maradjon meg mindenképpen.
Határozottan jobb lett, eddig 800MHz 0.93V on birta, mostmár 1000MHz 1 05V is stabil igy első blikkre, de még mindig nem az igazi.Ha 11.9V alá megy a 12V os ág, akkor fagy . (gyárilag 1100MHz 1.25V egyebkent)
Még egy ötlet: Az 5 V-os ágra tudsz rakni valamekkora terhelést? 5-10 W-nyi elég elsőre.
8A rel terhelve is működött, úgy is, hogy a 12V os ág is terhelve volt.
meh.. az egyik HDD nem volt bedugva, ezt csatlakoztatva minden maradt a regi, azaz a 800MHz..
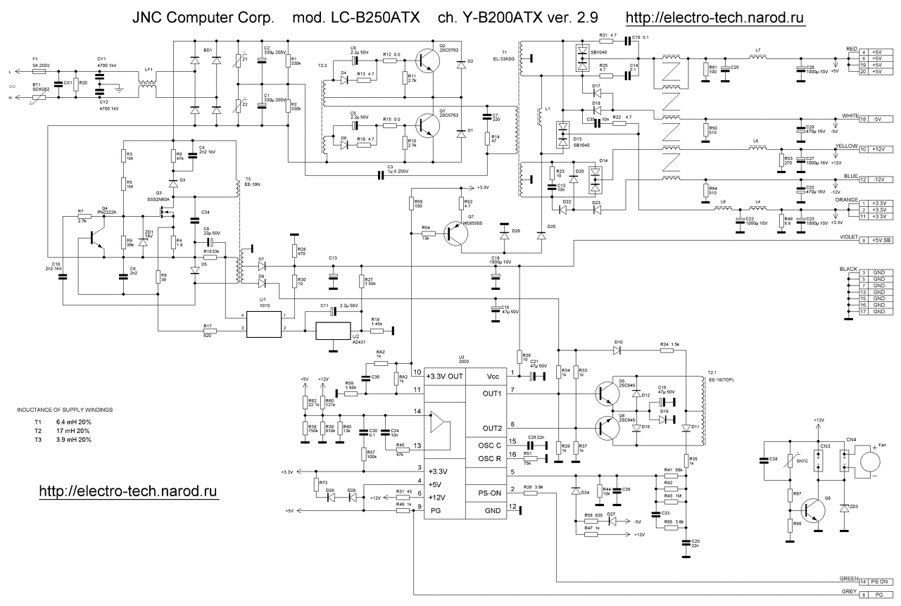
Udv Mindenkinek!
Van egy regi pc tapom ami eleg gyenge darab,mellekelem a kapcsolasi rajzat. a keszenleti 5V-nal csereltem a kondit az pupos volt,es a 12V-nal a diodat,most a +5VSB az ok es a PS ON-on 4.8V-ot merek,mikor inditom a tapot meg jelennek a feszultsegek a kimeneten de egy masodperc utan el is tunnek.Akondikat vegig mertem azok jok. Segitseget szeretnek kerni hogy hol keressem a hibat vagy,hogy mi okozhatja ezt. A segitsegeket elore is koszonom.
Üdv.
Nekem is pont ezt csinálta egy hasonló táp. Azt meglehet próbálni, hogy primer kondit tenni még rá és megnézni úgy megy-e. Meddig tárolja a primer kondi a feszültséget? Standby táp nem omlik hirtelen össze mikor indítani kéne?
kiprobaltam nagyobb kondival 1000uF,de nem indul a tap. A standby tap feszultsege nem valtozik 5V akkor is mikor inditom a tapot. A primer kondi feszultsege eleg hamar leesik kb 17V-ra,mikor kikapcsolom a tapot. Az IC-t lelehet ellenorizni,hogy mukodik-e es ha igen akkor hogyan?
Udv Mindenkinek!
Segitsegeteket szeretnem kerni a kovetkezo problemaban,mikor bekapcsolom a szamitogepet felporognek a ventilatorok es ugy nez ki,hogy indul szepen a gep,de 2-3 masodperc utan leall minden,de ha ujra megnyomom a gombot,akkor szepen indul a gep. Ezt eljatsza mostanaban a gepem eleg surun,szerintetek mi okozza ezt a jelenseget? En a tapra tippelek.
Üdv!
Meglehet. Ma szórakoztam egy áramkorlátos táppal, első indításkor áramkorláttal indul, amikor nem merül le teljesen a kondi akkor áramkorlát nélkül. A te esetedben szerintem áramkorláttal indul, ami azt jelenti a kondik ki vannak sülve teljesen és nincs elég "power" benne. Valamelyik kondi, nézd meg nem-e puklisodik valamelyik. Amikor a tápot bedugtam 230V-ba közvetlenül akkor sípolt és 110V jött le az 55V helyett (nincs szabályozás, meg nem is számítógéphez kell, hanem erősítőhöz. Ezt csak azért írom le, hogy tudd nem mindig jó a jónak tűnő kondi), furcsa volt nagyon. Akkor találtam egy kondit ami púpos lett, pedig még amikor betettem a nyákba jó volt és leválasztó trafóval és jól ment a táp, az első éles konnektoros teszttől meg bepuklisodott.
Üdv!
Köszönöm a gyors segítséget, holnap szétkapom a tápot és átnézem a kondikat.
Sziasztok!
Sok éve javítok pécéket, most jutottam el odáig, hogy kéne valami normális táp mérő. Szerintetek deprez műszerrel ki lehet szűrni a táphibát? Arra gondolok, hogy vagy AC-t mérek vele a szekunderen, vagy valami offsetelhető erősítővel mondjuk 10V a 0, mutató teljes kitérése 14V. Ezzel kapok vajon értékelhető eredményt olyan hibára, amikor a táp miatt fagyogat a gép? Elkezd vajon rángatózni a mutató, ha valami egy elfáradt, vagy alapban gyenge tápot megrángat?
Szia! DC-t kell, hogy mérj. Egyébként lehet kapni digitális kijelzésű tesztereket, amelyek mindhárom feszültséget mérik.
Azt minden hülye tud egy ötszázforintos multiméterrel. Engem a tápon levő időszakos berogyások, nagyfrekis zavarok, egyéb fagyást okozó dolgok érdekelnének. Erre keresek megoldást, úgy hogy ne kelljen egy szkópot kicipelni az userhez.
Az időszakos problémákhoz adatgyűjtős eszköz kell (ha nem vagy jelen), de ha te szeretnéd figyelemmel kísérni a feszültségváltozásokat akkor, amikor ott vagy, akkor feszültségmérőket kell rákötnöd a tápokra és úgy figyelni az esetleges változást. A zavarok nézegetéséhez bizony szkóp kell,azt nem úszod meg.
A hozzászólás módosítva: Jún 15, 2016
Időszakos probléma generálható egy stresszteszt progival bármikor. A digit multiméter lassú hogy ilyen hibát kimutasson. Azért gondoltam valami deprezes megoldásra. Lehet hogy hülyeség az elképzelés, de akár működhet is. Azért írtam ide, mert nincs deprez műszerem, nem tudtam, érdemes-e egyet szerezni. Szerintem innen nem is fog kiderülni. Veszek egyet, majd a próbákból kiderül.
A Deprez meg még lassabb. A mutatónak meg a mozgó tekercsnek tömege van, aminek a megmozgatása időbe telik.
Azért gondoltam AC-t mérni. Egy nagyon zsibbadt táp kimenetén nyilván van ac komponens is. Egy műverősítő után valószínű mérhető. Csinálok valami átkapcsolható elektronikát, ami a 3.3 voltot 2V-4V-ig, 5 voltot 4V-6-ig, a 12-t 10-14-ig, AC-t meg jól felerősítve mutatja. Etalonnak mondjuk egy 600W FSP. AC erősítését úgy állítom, hogy az FSP táppal az első vonalon legyen a mutató. Valószínű egy pupos kondis vargánénál az a mutató kivágódik a skála közepéig. De az is lehet, hogy nem. Puding próbája az evés.
Én úgy gondolom, hogy az alaplap meg a meghajtók, stb. DC-t igényelnek és annak a változását lenne jó mérni. Ha nekem ilyen problémám lenne, akkor így tennék.
Idézet: „Én úgy gondolom, hogy az alaplap meg a meghajtók, stb. DC-t igényelnek” Azta! Nem mondod? Ha ezt nem írod le, hülyén halok meg. Szerinted a DC változása nem AC? Kedvedért részletesen: 12V DC!!! - csatolókondi - műverősítő - műszer. Szerintem hagyjuk ezt a beszélgetést... Kár volt ide írnom. Ennyi idő alatt már vehettem volna egy deprez műszert. A hozzászólás módosítva: Jún 15, 2016
|
Bejelentkezés
Hirdetés |











