Fórum témák
» Több friss téma |
Fórum » Inverteres hegesztőtrafó
Úgy néz ki hogy beindítottam a masinát!
Igaz hogy a primer tekercs nem 26*0.3, csak 20*03 vezetékből fért el, de elindult! Fetekkel indítottam el,csak teszt miatt! Persze így csak lámpával tudtam kipróbálni de eddig jó , nem marad égve az izzó! a szekunderen 47 volt dc van. a vezérlésen nincs 5.2 volt csupán csak 4.8 de megy így is!Primernek 26 menetet tekertem, szekundernek 6-ot. Eddig minden stimmel , így mostmár megrendelem az igbtket, mert eddig nem tettem , mivel lőtte a feteket, de így már minden rendben lesz, remélem
Mi a tipusa a fetnek?Fettel is ugyan úgy kell menni.
Működik is a fetekkel , csak sajna gyenguszok!
![]() egyébként a pontos típus, 2sk3304
Ja ez tényleg gyengusz.Mijen igbt rendeltél?
Még egyelőre nem rendeltem meg , de legalább irg4pc40w vagy jobbat.
Egyébként meg ha nagyon feltekerem az áramszabályzó potit , akkor olyan hangot ad a főtrafó , mint artu ditu a csillagok háborújában! Gondolom ez azért is van mert nagyon gyengék a fetek, meg terheléskor leesik a primerfesz, mivel az izzó veszi fel a többletáramot! Jól gondolom?
Ha a betápon még ott a soros izzó,ne terheld a kimenetet pláne ilyen gyenge fettel.Ajánlanám a HGTG 20N60A4D 100 fokon még tud 40A,25fokon 70A.Ebből 1-1 darab elég,míg az irg ből 2-2 darab sem tud ennyit.
Még annyit hozzátennék , hogy honnan lehetne jó áron szerválni bimetálos hőkapcsolókat?
Amiket én találtam neten azok drágák. A három hőkapcsoló drágább mint az egész gép!!
Arany árban vannak.A cikkek között találsz megfelelő kapcsolást a kapcsolók helyettesítésére.
Van itthon egy pár darab de olyan 130 fokosak lehetnek kb!
Forrasztóval melegítve elég sokára kapcsol szét!
Természetesen nem jó ide.Nézz szét a cikkek között,pár alkatrész az egész.Van venti fordulat szabályzós is.
Köszi meglesem, de ha mégis tudnék szerválni kapcsolót , akk kb hány fokosat érdemes ide berakni?
Ha van ismerősöd Nagyváradon akkor itt nagyon olcsón lehet ilyen hőkapcsolókat (van normál zárt vagy nyitott) vásárolni.
A hőkapcsolónak nincs vészes ára, a baj inkább az hogy nincs készlet, tehát nem tartanak belőle csak 1-2 félét, és az is csak mondjuk nyitott vagy zárt.
Pedig létezik belőle 40-től 130 fokig 5 fokonként sokféle (lásd kép). Meg van a nagyobb fajta, az ára annak sem vészes, csak abból sincs választék...
https://www.digchip.com/datasheets/parts/datasheet/244/IXFH26N60Q-pdf.php
Mit gondolsz ezekkel merjem elindítani izzó nélkül? Meddig bírnák?
2,de inkább 3 oldalanként.100 fokon már csak kb 15A tud.
csak próbára szeretném mert , ma megrendeltem az igbtket! Próba képen hogy van e ív , addig csak nem lövi el?Vagy mégis?Azért ezek már elég erős fetek nemde?
Választ szeretnék a kérdésemre , és bocs hogy sürgetem a dolgot , de ki kellene már próbálnom ,de csak ha lehetséges ezzel a felállással! Szóval csak próba lenne , nem várnám meg hogy felmelegedjen a 2 fet amivel próbálnám :. https://www.digchip.com/datasheets/parts/datasheet/244/IXFH26N60Q-pdf.php
Kérdésem pedig , hogy azonnal ellőné a 2 fetet izzó nélkül, vagy egy pár másodpercig próbálhatom e hogy fogja e az ívet ?
A türelmetlenség füstöt terem. Amúgy "2-3 db oldalanként" ez nekem egyértelmű.
Régen már csináltam hasonlót , hegesztőprojektbe kezdtem, nem volt rá időm a munkám mellett ,ahogy most sincs , ezért is sürgetem! Érthető mivel hetek óta csinálok egy 2-3 napos projektet!
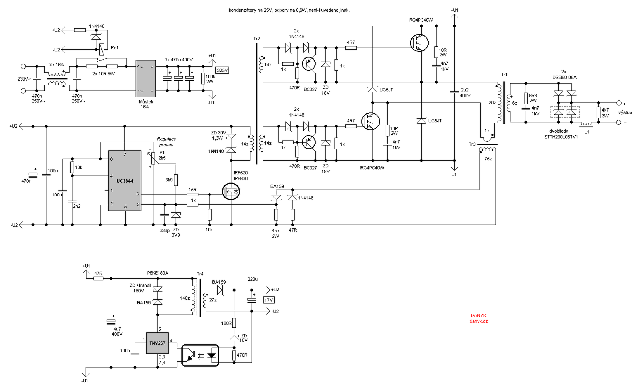
Egyébként amivel próbálkoztam mellékelem a rajzát. Ez elindult izzó nélkül 2 db 2sk2837 fettel , majdnemhogy ívet is fogott ,de ahogy feljebb tekertem az áramszabályzót , na akkor kinyuvadtak! Azért ez a 2 fet erősebb , és ezért is kérdezem nálam okosabb emberektől! Köszönöm.
A rajzon 40A es IGBT van ,a te FET ed meg 26A es..
A hozzászólás módosítva: Jún 20, 2016
|
Bejelentkezés
Hirdetés |






