Fórum témák
» Több friss téma |
Mielőtt kérdezel, a következő két dolgot ellenőrizd!
I. A helyes tápfeszültségek megléte.
II. A kimeneten van-e egyenfeszültség.
Élesztés.
igazság szerint mindkettöre szeretném használni,egy univerzális erősítöt szeretnék építeni amit kisseb bulikon is használhatok és kellő tartalékkal randelkezik!
szerinted ennek az áramkörnek a megépítésével ez teljesülhet? Köszi a h válaszoltál! Üdv!!
Epitsd meg pl. a KD mester fele B5-os erositot csokkentett tapfeszultseggel. Ehhez 1-2 alkatresz erteket ujra kell szamolni, de ez nem nehez tudunk benne segiteni. Vagy ott a B7-is az asszem alapbol kisebb teljesitmenyu, de nem vagyok benne 100% biztos, fejbol hirtelen most nem tudom.
A Quad 405-öt már elég jól kivesézték, az ettől sokkal jobb, bár nem rendelkezik hangszínszabályzóval. Az MZR756 is jónak ígérkezik, de még nagyon sok kapcsolást találni erre-arra.
köszi szépen Látni ,hogy nem egyszerű kis rajz szal gondolom eléggé szépen szól de ez hány Watt?
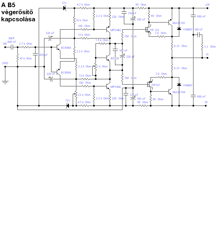
80W környékén jön ki belőle, Záborszky László villamosmérnök tervezte. Ezzel a kapcsolással az volt a célja, hogy a mai technikai tudást, és lehetőséget felhasználva, hogy lehet egy olyan áramkört kivitelezni, mely a lehető legjobban "tudja a leckét".
Ezt a rajzot elrakom mert később kelleni fog de most nekem max egy 20Wattos kellen.Talán még a 30W belefér.
Ilyen kapcsolásod nincsen véletlenül?
Szerintem ez sem rossz, bár nem annyira kidolgozott.
A felvezetok szama es a hangminoseg nincs olyan kapcsolatban mint ahogy gondolod
Ja akkor okés köszönöm szépen a felvilágosítást.
Akkor attól fögg, hogy a munkapont mennyire van jól beállítva és a tranzisztoroktól is függ a minőség? (még mostanában tanuljuk ezeket ) Imi65 köszi a rajzot.
Szia!
Szerintem látogass el az A-osztályú topicba, hátha találsz ott fogadnak valót. Ajánlani tudom esetleg a Hiraga-t nekem nagyon bejött. 15-25W a tápodtól függően. Igaz hatalmas hűtés kell neki, de a táp fesztől függ mekkora is kell valójában. Szóval nem túl olcsó a tápja, de JÓ a hangja. Én nem bántam meg hogy építettem egyet.
Ha nincs igazán nagy építési tapasztalatod, szerintem ne fogj bele. Ennél egyszerűbb kapcsolások is jók bulizni, lakásba meg bűncselekmény ekkora teljesítményt bevinni. Ha viszont úgy érzed, hogy minden további nélkül meg tudod építeni, akkor nem akarlak akadályozni benne. De elég sok buktatója lehet. Ha mégis megépíted, monoblokkba gondolkozz.
Rendben köszi szépen
Egyébként a minőségben igazam volt? vagy ez hogyan műkszik?
A félvezetős erősítők hangminősége (amit a fülünkkel hallunk) nehezen jellemezhető a mért torzításadatokkal (Jellemzően a csöves kapcsolások 10x-es torzítást produkálnak, mégsem halljuk rosszabbnak őket a félvezetősöktől, sőt), a legtöbb erősítő harmonikus torzítása meglehetősen alacsony. Ennek ellenére egyik sokkal kellemesebb, mint a másik. Egy jól eltalált tranzisztortípus, és topológia többet nyom a latban, mint sokszor a túlbonyolított kapcsolástechnika. Erre akarta a figyelmedet felhívni lamalas.
A minoseg sokmindentol fugg: kapcsolastechnika, alkatreszek, aktiv alkatreszek munkapontbeallitasa, tapegyseg, stb. Egy kapcsolasrol ranezes alapjan nem lehet eldonteni, hogy milyen hangja van. Na jo, bizonyos korulmenyek kozott lehet sejteni, hogy valami jobb vagy kevesbe jo, de mondjuk ez inkabb a szelsoseges esetekre vonatkozik. En meg mindig azt ajanlom, hogy a B5-ot keszitsd el kisebb tapfeszultseggel, sztem nem fogod megbanni, de Te tudod melyik erosito szimpatikus neked.
A B5 már itt muzsikál nekem
Én azért montam,hogy még ennél is jobb minőségűt(kicsit lehet rosszabb vagy olyan mint a B5-ös) szeretnék építeni mert most unatkozok és valamit építeni akarok. Ja és köszi mindkettőtök segítségét.
Ja, bocs ... en nem tudom nyomon kovetni ki mikor mit epitett
VF2-tot csinaltal mar? Azt is meg lehet kisebb teljesitmenyure csinalni. A osztalyu erositot csinaltal mar? Azok a jelleguknel fogva is kisebb teljesitmenyuek, de lehet 2x100W-os tiszta A osztalyu erositot is kesziteni, csak melyen a zsebedbe kell nyulni, hogy megfelelo trafot es hutobordakat szerezz .... ez utobbira nem is biztatnalak Csoves erositot keszitettel mar? Van sokfele felvezetos es csoves erosito millio felet lehet epiteni. Vagy hibrid erositoket is keszithetsz. Ha nekem annyi idom lenne, hogy unatkozzak biztos nem unatkoznek, mert mar most is annyi minden van, hogy evekre elore le tudnam foglalni magam! Barcsak ne kellene dolgozni a mindennapi betevoert
Tudnám ajánlani a csöves erősítő készítése topicot, ott is áldozunk a hangminőség oltárán.
Hali!
Szeretnék építeni egy tranzisztoros erősítőt csak nem tom h mennyiből jönne ki! Meg tudja vki mondani h mennyibe kerülhetnek ehez az erősítőhöz a tranzisztorok???
Udv,
A vegtranzisztorok egyenkent kb. 8-900Ft-ba kerulhetnek ... lehet kicsit olcsobb v. dragabb is attol fugg honnan tudod beszerezni. A tobbi alkatresz ehhez kepest nem draga, de sok kicsi sokra megy es termeszetesen hogy mi draga es mi nem az relativ dolog.
Hát még a csöves erősítőre nem vagyok felkészülve nekem az még nagyon nagy darab lenne.
A VF2-tőt még nem csináltam meg. A VF2-tőt megnézném,kapcsolási rajza merre található? Hibrid erősítő? (az milyen? ) A osztályút nem csináltam még. (őőő vagy is de lehet, hogy csináltam de már régen) Az A osztályút nem nehezebb megcsinálni mint az AB osztályút ugye? Vagy most nagyot tévedtem?
Köszi a figyelmeztetést de a Fet-es végfok egyenlöre egyszerübbnek látszik mint egy PWM.
próba képpen megpróbálkozom egy ilyennel,az biztos hogy tanulságos lessz ![]() Üdv!!
A VF2-t itt is megtalálod.
Nem hibrid. A hibrid olyan áramköri elrendezés, ahol többnyire csöves feszültségerősítőt használnak, és félvezetős végerősítőt (vagy fordítva). Az A osztály nem nehezebb építési szempontból, csak a hűtéssel van több macera (mert folyamatosan, és cefetül melegszik). Nem tévedtél kicsit se.
Ezt nem találod egyszerűbbnek?
Rendben köszi akkor nem volt hiábavaló a tanulásom a suliba
Így még az is eszembejutott,hogy csináltam már A osztáyú erölködőt és az is nagyon melegedett.
de egyszerübbnek látszik csak egy FET-es vég gyorsabb és szebben szól mint a tranyós ha jól tudom?
Amugy köszi a rajzot! Strapabíró erősítöt szeretnék építeni ha jól tudom a FET-ek strapabiróbbak mint a tranyók?jól tudom?
Igazábol a kapcsolástechnológián múlik, hogy mennyire "strapabíró" az erősítőd. Mit értesz strapabíró alatt? Rövidzár védett? Éjszakákon át tudjon teljes teljesítményen dolgozni? Igazábol hangminőségre jobb a tranzisztoros. FET-es végfokot nagy teljesítményre szoktak alkalmazni, mert ott nem annyira fontos a hangminőség. Most is lesz olyan ember, aki meg fog cáfonli, ezt mindenki maga dönti el, hogy neki mi tetszik jobban: FET, vagy tranzisztor.
sziasztok igen jol tudod tényleg strapa birobbak
én már nem eggy fetes végfokot csináltam és nekem jobban bevált mint a tranyos lassan 3 éve csináltam egy 2x400-ast és még a mai napig se kellett hozzá nyulnom
milye4n kapcsolási rajz alapján építetted?az általam megépíteni kivánt kapcsolás itt van a topicon ha visszalapozol 3-4 oldalt
![]() Tomi 20:igen olyan végfokot szeretnék építeni amit megbízhatóan tudok hajtani nagy teljesítményen is hosszabb időn keresztül. Azt szeretném h legyen benne tartalék és ne fulladozzon ![]()
Szia PPetya!
1-2 oldallal ezelőt írtam erről. Tehát Én nekem van itthon végtranyóim sok (BD245/246) Ezek a tranyók nélkül az alkatrészek 800Ft-ból megvoltak nekem, de ha vásároltam volna ezeket a tranyókat akkor kb 1200 Ft egy panel erősítő! Én azt ajánlom, ha nem vagy gyakorlott a készítésben akkor olcsóbb végtryanyóval készísd el pl a fentebb említettel(+-36V max), mert én 3 pár végtranyót pusztíttottam el csupán a figyelmetlenségemmel, de aztán rájöttem egykét dologra magamtól is meg segítettek.Ha minden jól megy munkapont és a kimeneti offset is jó akkor mehet a zene próba. Én utoljára veszem meg a MJ tranyókat, ha kész a komplett erősítőm, mert nem akarom elbénázni a jó tranyót, meg drága is, de megéri(1500 Ft nekem Szegeden darabja) Tehát jó munkát akkor |
Bejelentkezés
Hirdetés |






VF2-tot csinaltal mar? Azt is meg lehet kisebb teljesitmenyure csinalni. A osztalyu erositot csinaltal mar? Azok a jelleguknel fogva is kisebb teljesitmenyuek, de lehet 2x100W-os tiszta A osztalyu erositot is kesziteni, csak melyen a zsebedbe kell nyulni, hogy megfelelo trafot es hutobordakat szerezz .... ez utobbira nem is biztatnalak


csupán a figyelmetlenségemmel, de aztán rájöttem egykét dologra magamtól is meg segítettek.
darabja) 