Fórum témák
» Több friss téma |
Fórum » ATX-táp problémák, meghibásodás
Szabványt és életvédelmi megoldásokat szeg meg aki ketős szigetelésű készüléket lefölddel vagy földelt készüléket földeletlenül üzemeltet. Nézz szét a tápegység AC bemenete körül és rájössz.
Á, annál csak a zavarvédelem miatt van a védővezető kivezetve. Az érintésvédelmi követelményeket védővezető csatlakoztatása nélkül is kielégíti az ATX-tápegység.
Á.... Ezt nem fogja senki elfogadni egy esetleges kondenzátor meghibásodásnál. Ha ilyenkor bármi baj van az a hunyó aki így alakította át vagy így üzemelteti a készüléket. Függetlenül a kondiktól, nem felel meg az érintésvédelmi követelményeknek. Más kérdés, hogy volt-e már ebből probléma. De ez nem csökkenti a felelősséget. Számítógép alaplaplap elhalálozásához már vezetett 6 alkalommal a környezetemben. Igaz ipari környezet volt, de egyértelműen a földelés hiánya okazta a hibát.
Ipari környezetben védővezető hiány? Na az az igazi probléma.
Arra a 28A-ra azért ne vegyél mérget. Régen szedtem már szét trafót, de emlékeim szerint abban sincs több mint 1 szál 0,7-es vagy 0,8-as huzal azon az ágon. Meg a diódát is el szokták intézni egy 16 vagy 20A-essel.
Valóban az a fő probléma, ezt senki sem vitatta. Az sem mentesít senkit hogy egy gyár területén egy irodaépületben volt. A gépen kívül senkinek semmi baja nem lett. Ezek viszont csak erősítik azt a tényt hogy a meghibásodást a védővezető hiánya okozta. A tiltáson, szabványosságon az a tény sem változtat, hogy én is használtam otthon PC-t földeletlen konnektorba dugva. Ezektől fűggetlenül is tilos és veszélyes.
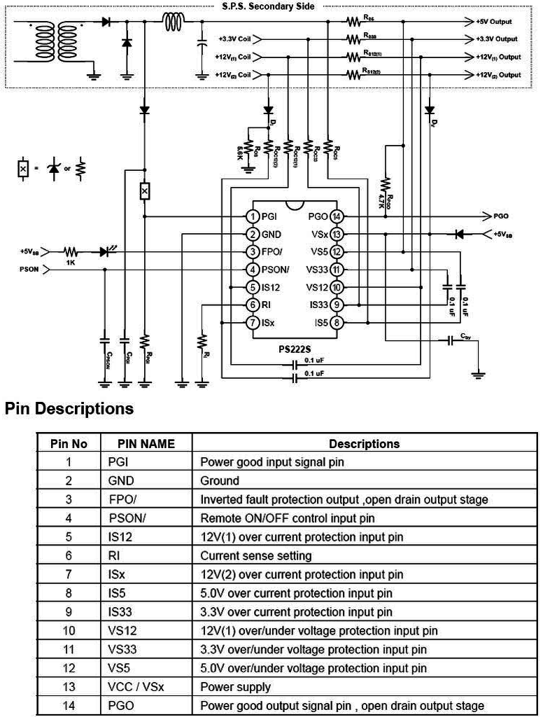
Egy régebben hibásan elrakott tápomat vettem elő javításra. Típusa: Thermaltake Purepower TWV 500W A gond vele az, hogy a PS_ON és GND összekötésével nem akar indulni. Az 5VSB megvan. Elsőnek arra gondoltam, hogy valami kondenzátor probléma, mert voltak benne púpos kondik, azok cserélve, a nem púpos meg bemérve műszerrel, és ami olyan volt csere. Lábak közt el van távolítva a gyantamaradék, zárlat nincs. Továbbra se akarja az igazságot. Az IC ami ugye figyeli a fesz adatokat, indítaná a tápot stb, PS2222s. Itt a z ic tápfeszénél 4,87Vot mérek. Esetleg tudna nekem valaki további fesz adatokat mondani, hogy melyik lábon milyen értékeknek kellene lennie?
Sziasztok!
Van egy DR-C2002 ic -vel felépített tápom. Nincs Power Good jelem, azonkívül a működik. Amit találtam hozzá kapcsolási rajzot az egyik sem hasonlít az enyémhez. Nálam az IC 3-as lába nem a 3,3V-ra csatlakozik hanem egy ellenálláson(elégett) keresztül a 12V-ra. Mekkora értékű ellenállás letehet? Feltételezem hogy az IC ezen része meghalt mivel a 3 láb és a GND között rövidzárlat mérek. Meg lehet-e javítani?
Helló! Ha az alaplapi csatlakozóból kihúzod a Power good jelzés vezetékét, akkor működni fog a gép vele... A feszültségeket ugyan nem fogja figyelni semmi, de sok tápegységben gyárilag nem figyeli semmi. Nekem is van egy így javított tépegységem ami évek óta így működik már gond nélkül.
Sziasztok. Olyan kérdésem lenne, hogy egy aktív pfc Táp meghalhat e ha nincs földelés a lakásban??? Már három táp ment vissza garanciás cserére.
Elvileg nem. De nem ok nélkül várják el minden PC-s eszköznél a védővezetéket.
Ez így van, de ennek oka a fémház, bármilyen táp lakik benne (Trafóra gondolok).
Maga a PC táp ettől nem mehet tönkre, de azzal kell számolni, hogy a fémházon - az Y kondenzátorpár által képzett feszültség osztó miatt - 115V AC jelenik meg a földhöz képest. Ez még mindig nem gond ha az ember tud róla, de más készülékek PC-re csatlakoztatásakor néha azok halálát okozhatja.
Olyan lehet e, hogy ha tegyük, fel vissza esik a bemeneti feszültség egy pillanatra és ez öli meg az aktív pfc-és pc tápot. Mert azt olvastam, hogy ezek a fajta tápok képesek 110v és 220v is működni. És mivel ha ilyen van, nem lehet, hogy átvált 110v-ra és azért hal meg?
PFC-nél nem tudok ilyenről, az újabb tápok kb 180V-tól 240V-ig folyamatos szabályzással tudnak dolgozni.
Régebbi típusoknál találtam benne egy IC-t, ami az automatikus átkapcsolást volt hivatott biztosítani. (mint a kézi átkapcsoló, ami a graetz kétütemű egyenirányítást kapcsolta át feszültség-kétszerezésre 110V esetén). Ezeknél gyakran megtörtént az említett eset, ki is hajigáltam a kezembe került darabokból - már csak önvédelemből is...
Sziasztok!
Segítségeteket szeretném kérni, hogy mi lehet a baj egy nbase 400W-os ATX tápegységgel. A probléma a következő: - a gép nem kapcsol be vele - tápteszterrel megnézve csak készenléti 5V-ot ad le, de el nem indul a táp - biztosíték és egyéb "fizikai/szemmel látható" sérülést nem tapasztaltam. A tápegység tökéletesen működött, ám a reggel már nem volt hajlandó bekapcsolni a gép vele. Előre is köszönöm az észrevételeket. Üdv, Gábor
A szekuder oldalról egy képet dobjál már fel belenézünk hátha látunk valamit .
Sziasztok! Tudna nekem segíteni valaki ebben a témában. Nem feltétlenül szeretném megjavítani. Csak elméleti szinten érdekel. Köszönöm.
Mindenképpen mérni kellene sokszor nem látszik a hiba.Nem ártana teljesen felemelni a táp alap lapját a háztól hátha közzé esett valami , ami miatt zárlat van.A primer körben van zárlat addig nem is érdemes bekapcsolni , mert mindig atomvillanás lesz , amig a hiba meg nem szünik.Indulhatsz teljesen az elejétől bitosíték grétz , és így tovább.
Köszönöm. Ezeken már túl vagyok. Nem volt zárlatra utaló jel, illetve zárlati mérés. A panelt felemeltem. Vastagon állt alatta por illetve a porcica. Ezért gondoltam, hogy a fémház felé átvezetett a "nedves" por. Ami miatt lement a FI relé. De kitakarítva is jött a "zárlat". Azután láttam, hogy az egyik Y kondi el van repedve. Nem jelöltem be de a közelebbin látszik egy kis fekete pont. Onnan hiányzik is a kondi tetejéből. Feltételezem, hogy az vakuzott illetve vezette a fázis a föld felé. Mert a biztosíték nem égett ki a tápban. Még kisautómata sem oldott le. Hanem a FI relét csapta le mindkét esetben. De kíváncsiság kedvéért újra mérek benne mindent a primer oldalon.
A hozzászólás módosítva: Okt 25, 2016
Kondikat ellenőrizd a primer körben is. Itt főleg az 1- 10- µF kondi száradása miatt, hálózat kimaradás esetén nem tud beindulni.
Nos, ezeket a képeket tudtam készíteni. Most látom, hogy figyelmetlen voltam, és az egyik puferkondi 200V 330µF amelyiknek a tetején van egy zöld qcpass matrica, púpos. Ezt kicserélem és meglátom hogy hogyan tovább.
Kicseréltem, de sajnos ugyan az a helyzet.
Ha csak a Fi relé oldott le, akkor ott valószínűleg vagy a fázis és test, vagy a nulla és test között van a zárlat.
(A Fi relé feladata tulajdonképpen annyi, hogy méri a fázison befolyó áram erősséget, és összehasonlítja a nullán visszafolyó áram erősségével. Ha a kettő nem egyenlő, tehát különbség van közte, "szól", hogy valami nem stimmel, és megszakítja az áramkört. Ugyanis, ha a nullán kevesebb folyik vissza, akkor valahol máshol, pl rajtad (vagy jobb esetben a készülékházon) a földvezetéken keresztül folyik vissza a hiányzó áram. Ez által joggal feltételezi azt, hogy ideje gyorsan cselekednie, mert nagy esélye van, hogy te épp a brakedance -t járod, és nem biztos hogy még sokáig bírod. )Jobb alsó sarokban a két világoskék alkatrész hibásodhatott meg ahogy említetted is. Ki kell cserélni, aztán mielőtt bedugnád, legalább a primer oldali félvezetőket mérd meg, nehogy zárlatos legyen valamelyík... A hozzászólás módosítva: Okt 26, 2016
Köszi! Tisztában vagyok a FI relé működésével. Mint írtam végigmértem. Nem volt zárlat. A kitakarítás után. Ezért is dugtam/kapcsoltam be újra. Csak az újabb leoldás után néztem meg tüzetesebben azt kondenzátort. Szemmel alig látni inkább körömmel éreztem, hogy el van repedve. A kérdésem inkább az lett volna, hogy a táp további része károsodhatott-e ettől a kis turtúrától. Illetve a nedves por okozhatta-e ezt a hibát. Vagy csak véletlen egybeesés.
Sziasztok!
1. Mitől lesz 80+-os egy táp, főleg Gold-os? Gondolom a félvezetők minősége számíthat főként? Van itthon egy 400W-os tápom, de jóval komolyabb a borda, meg az alkatrészek benne, mint egy 500W-osba. Az a problémám vele, hogy régi 10-15éves. Az elkókat cserélni kéne. 2. Nem tudom a félvezetők mennyire öregszenek? Egy 20000h biztos van benne, de 100W-osan volt kb. csak terhelve. 3. Problémája az, hogy főleg a 12V-ot akarnám használni, de ott csak 15A van. Viszont az 5V-os ágon meg 40A. Meg-e lehet cserélni a két félvezetőt és erősebbre kondizni a 12V-ot?
A harmadik pontodhoz tudok hozzá szólni, altalában a trafó szekunder tekercselése nem olyan, hogy bírja az átalakítást ilyen egyszerűen, illetve a szabályozásába is bele kellene nyúlnod vélhetően.
A típusát nem tudom, inkább az utóbbi években találkozok olyan tápokkal, (A PC-mben is olyan van), ami 95...235V között működik. Nincs bennük átkapcsoló, csak a kitöltési tényezővel manipulál. Amelyik 115-230V os azt a hátán át kell kapcsolni. 115V-os állásban feszültség kétszerezőként megy az egyenirányító.
A hozzászólás módosítva: Jan 25, 2018
Moderátor által szerkesztve
|
Bejelentkezés
Hirdetés |









)