Fórum témák

» Több friss téma
Fórum » Kapcsolási rajzot keresek
 
Témaindító: Kallai Csaba, idő: Márc 11, 2006
Témakörök:
Lapozás: OK   17 / 386
(#) PCB válasza DJ_Tacee hozzászólására (») Márc 8, 2008 /
 
Szia !

Ha a sasszé száma CP320, akkor holnap reggel megtudom osztani veled.

Üdv!
(#) brato hozzászólása Márc 9, 2008 /
 
Üdv!

Tensai TCT54BKX televízió kapcsolási rajzát keresem.
Előre is köszönöm.
(#) aflmor válasza DJ_Tacee hozzászólására (») Márc 9, 2008 /
 
:nezze:
(#) proba válasza Directors hozzászólására (») Márc 9, 2008 /
 
Ezek álltalában egyszerűen a benne lévő ic-k alapkapcsolásait használják (ic típusát leolvasod és ha szerencséd van a http://www.alldatasheet.com/ -on megtalálod a bekötését.)
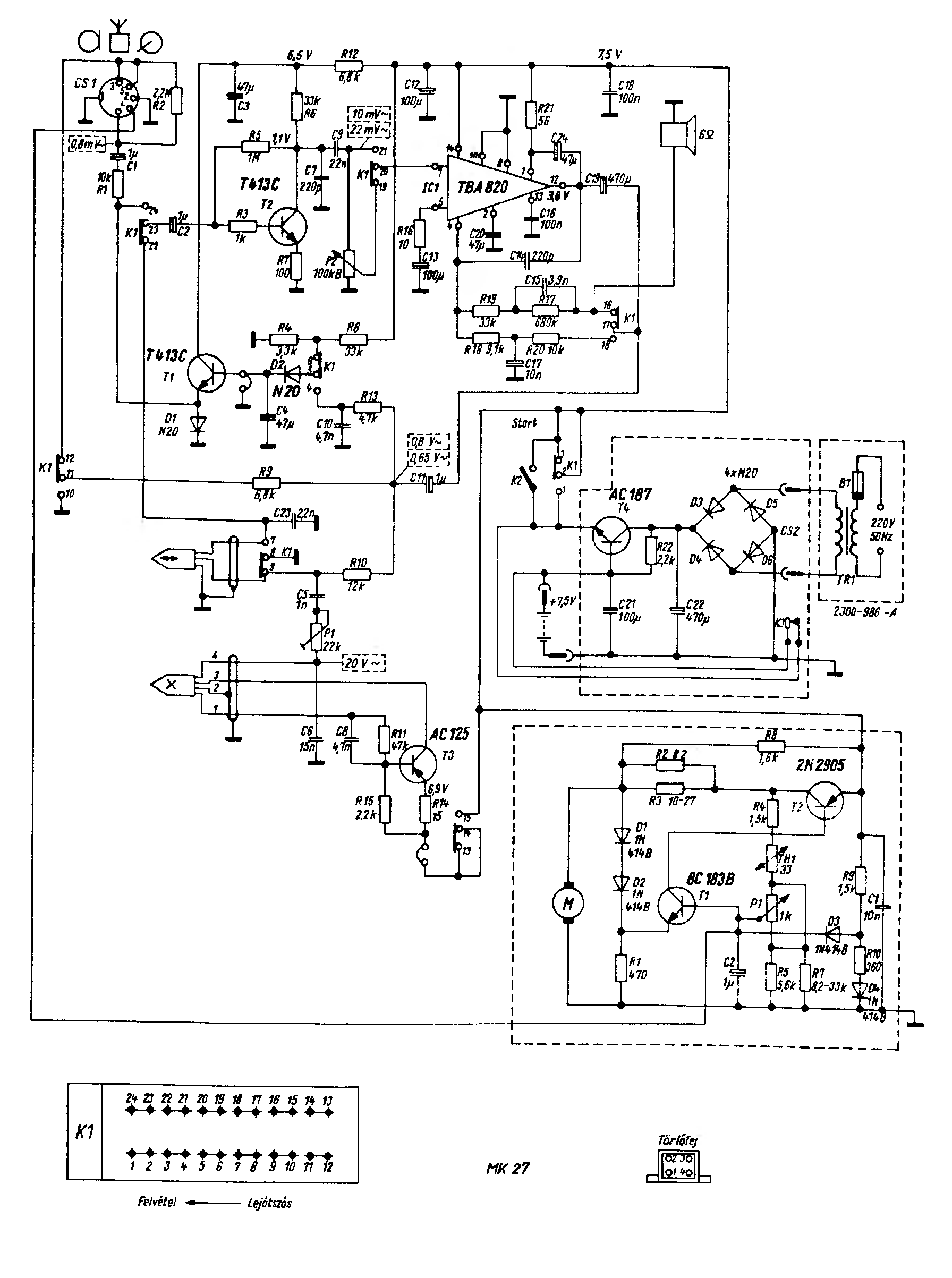
(#) Sebi hozzászólása Márc 10, 2008 /
 
Kérésre: MK27

MK27.GIF
    
(#) Ifjbockgaben válasza perlaci hozzászólására (») Márc 17, 2008 /
 
Sziasztok...

Nekem van egy O. 4200m és kéne hozzá egy kapcsirajz...legalább a kijelző részére
(#) zuhi_ hozzászólása Márc 20, 2008 /
 
Sziasztok!

Sony DXA-D9 hifihez keresek kapcsolási rajzot. Ha valaki tudna segíteni ebben megköszönném.
(#) zuhi_ hozzászólása Márc 20, 2008 /
 
Ha valakinek van "USB to ISA" kapcsolási rajza, kölcsön adhatná.
(#) bekeipeter hozzászólása Márc 20, 2008 /
 
Nincsen meg valakinek a Videoton RA6386 rádióerősítő kapcsolási rajza? Ez volt a Videoton utolsó rádióerősítője. Nagyon fontos lenne, főleg a hangszín fokozat miatt.
(#) szamóca válasza bekeipeter hozzászólására (») Márc 20, 2008 /
 
Üdv!
Most nézem ez a 83-as erősítőé. Parázs Gabinak azt hiszem megvan.
(#) bekeipeter válasza szamóca hozzászólására (») Márc 20, 2008 /
 
Köszönöm szépen, de ez nem az a rajz, az amit kereset az EA7386 és az RT7300 típusokkal egy korosztály, feszültségvezérelt hangerővel és hangszínszabályzóval megspékelve.
(#) Sebi válasza bekeipeter hozzászólására (») Márc 20, 2008 /
 
Inkább ez az...

EA7386S.djvu
    
(#) zuhi_ hozzászólása Márc 25, 2008 /
 
Sony DXA-D9 kapcs. rajz senkinek nincs?
(#) bekeipeter válasza Sebi hozzászólására (») Márc 25, 2008 /
 
Köszönöm szépen, de z a rajz is megvan, de sajnos az én rádiómmal a végfok modulon kívül semmivel sem egyezik
(#) attila200 válasza Kallai Csaba hozzászólására (») Márc 25, 2008 /
 
Nem tud valaki egy nagyon egyszerű tervrajzot küldeni egy egyszerű poloskáról?
(#) bekeipeter válasza attila200 hozzászólására (») Márc 25, 2008 /
 
Itt van egy pár rajz, csemegézz belőlük!

1.rar
    
(#) sinya válasza huhuu hozzászólására (») Márc 25, 2008 /
 
Ezermester honlapon nézd meg
(#) proba hozzászólása Márc 27, 2008 /
 
Tesla 4fp11105 típusú kaputelefon (MDS07.2) -hoz keresek rajzot ,vagy olyat aki a benne lévő ic-k helyettesítőit ismerí.
(#) bekeipeter válasza proba hozzászólására (») Márc 27, 2008 /
 
Mi az IC típusa?
(#) proba válasza proba hozzászólására (») Márc 27, 2008 /
 
Hát azért kérdeztem mert ez nem működött.Egy 555 ,egy tl.. ,és egy ismeretlen 14 lábú aminek a bekötését semilyen általam ismert műveleti erősítővel illetve egyébb ic-vel nem tudtam összeegyeztetni (nem stimmeltek a tápok és az általam kimenetnek vélt láb sem.) Lehet hogy az említett ick-re rosszul emlékszem ,de kb ezek voltak benne.A leolvasás nem működik mert le van köszörülve az összes felirat az összes icről.
(#) oldman válasza proba hozzászólására (») Márc 27, 2008 /
 
Ha lecsiszolták a tipusszámot nem lehet egy nagy durranás! Néha segít a tokra cseppentett alkohol esetleg viz meglátni a tipusszámot. Egy foto és a visszarajzolás talán segítene.
(#) proba válasza oldman hozzászólására (») Márc 27, 2008 /
 
sajnos a köszörű kegyetlen ... Csak karc és kész .visszarajzolni nem fogom teli van SMD-vel a kapcsolástechnikáját nem ismerem nincs támpont hogy nagyjából mit kellene csinálnia.A többit hasonló módszerekkel derítettem fel ,de ezt reménytelennek ítéltem Egyszer kétszer saját magába visszajutottam mivel nem tudam kideríteni mi a kimenet és mi a be feladtam.A műveleti erősítő katalógusunkban nem találtam olyan tokot ami legalább a tápokat ott kapja ,és az általam erősen kimenet gyanus láb is stimmel.(lm324 nem jó bele szerintem)
(#) googa hozzászólása Márc 28, 2008 /
 
Sziasztok!

A mellékelt képről szeretnék segítséget kérni!!!

Van egy BT139 (triak?) a rajzban, és segítsetek abban, hogy megmondjátok melyik az 1-es, 2-es, 3-as lába a mellette lévő számozott rajzhoz képest! Köszi szépen!

bt139.GIF
    
(#) PCB válasza googa hozzászólására (») Márc 28, 2008 /
 
Szia !

1 láb 18-24V felöl
2.láb 390 ohm
3.láb MOC3061

Plusz elárulom, ha a BT139 adatlapját megnézed ott le van írva / rajzolva. Ez vonatkozik természetesen más félvezetők adatlapjára is.

Üdv!
(#) Sebi válasza PCB hozzászólására (») Márc 28, 2008 /
 
Hát... a szimbólumból valóban az következtethető amit írtál, de a kapcsolás ellentmond neki.

MOC a soros 330 ohmjával az MT2 és gate közt kell hogy legyen, tehát az 1 és 2 láb cseréje látszik.
Az érzékenység-csökkentő ellenállás MT1 és gate közé nem igazán kell, illetve kevésnek tűnik a 390 ohm, feleslegesen ront az egyébként sem túl érzékeny BT-n.
(#) googa válasza Sebi hozzászólására (») Márc 28, 2008 /
 
Közben én is rájöttem, hogy téved... Köszönöm Nektek!
(#) hbal hozzászólása Márc 30, 2008 /
 
Sziasztok!

Keresem a téma címében szereplő erősítő kapcsolási rajzát.

BEAG KEP 5001, EBE 5305

Előre is köszönöm!
(#) Tápos Lajos válasza spongebob13 hozzászólására (») Márc 31, 2008 /
 
Nem 100% h hangvégfok hiba,keres meg ezeket javítom:ai9@freemail.hu Miskolc.Hangvégfok IC:uPC1182H vagy uPC1242H,mindkettő jó bele.(műPC...)
(#) kornel hozzászólása Márc 31, 2008 /
 
Sziasztok.
BEAG Minimix AKT408 keverő kapcsolási rajzát keresném.Már végig kutattam szinte mindent ,és nem találok sehol sem.Valakinek lenne esetleg?
(#) Sebi válasza kornel hozzászólására (») Márc 31, 2008 /
 
Íme...

AKT408.GIF
    
Következő: »»   17 / 386
Bejelentkezés

Belépés

Hirdetés
XDT.hu
Az oldalon sütiket használunk a helyes működéshez. Bővebb információt az adatvédelmi szabályzatban olvashatsz. Megértettem