Fórum témák
» Több friss téma |
Ilyen lett!
A hozzászólás módosítva: Ápr 1, 2016
Sziasztok!
"Épitettem" egy egytranyós vackot ami zenére villog, bent a házban az erősítőn végzi is a dolgát. Viszont én az autóban szeretném használni, de ott nem csinál semmit. Ugy gondolom azért mert gyenge a jel amit kap. Szeretnék kérni egy jelerősítő kapcsolást hozzá. Előre is köszönöm a segítséget.
Sziasztok,azt kérdezném van-e olyan kapcsolás(lm3914 vagy pic-es is jó)ami fülhallgató kimeneti
jelétől függően kb 10 ledet vezérelne ,pl 1.led 500 Hz, 2.led 1500 Hz 3.led 3000 Hz ... 5V adott hozzá ,RGB ledes megoldás is jó,a lényeg,hogy vagy fülhallgatóhoz lehetne kapcsolni, vagy mikrofonnal kombinálni,mert hangszóró is adott. Köszi ha segítetek...
Az alap áramkörnek hagyd meg a 9V-ot, és a T4 tranyó elé köss egy LM317-et potméterrel a szabvány bekötését. Máris tudod állítani a feszültséget így a fényerőt is.
Köszi a választ! Már megoldódott.
![]() Így sikerült! Működik tökéletesen.
Sziasztok!
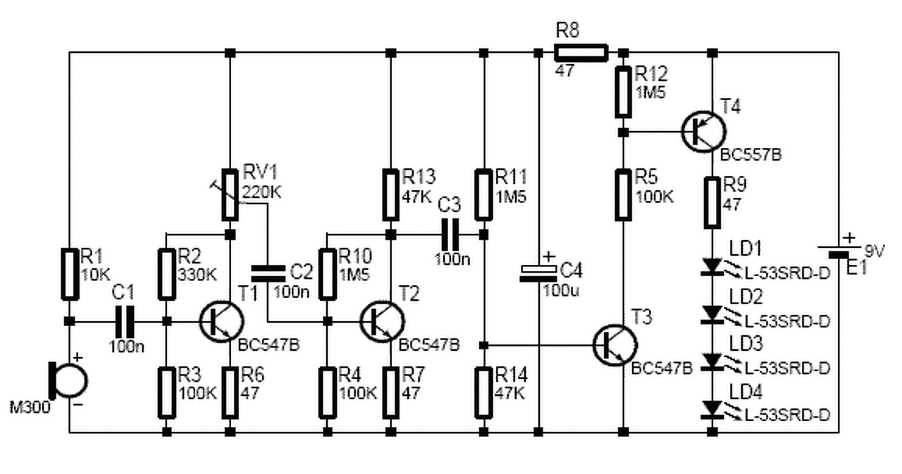
Már megint itt a kapcsolás amit megépítettem. Csak annyi kérdés, hogy mit kellene módosítani rajta, hogy még inkább csak a mély hangokra működjön? Köszönöm a válaszokat!
Hello! Elsőként az 100nF-os kondikat cseréld ki 1µF-ra, és az első tranyó kollektora és a GND közé tegyél egy 4,7nF-os kondit. És akkor nem az alsó határfrekvencia lesz a 400Hz, hanem a felső..
A hozzászólás módosítva: Júl 8, 2016
Köszi szépen!
Holnap ki is próbálom!
Üdv!
Megépítettem @lajos1969 tervét. Viszont nem működik! Ami feltűnt, hogy az általa feltöltött képen van egy tranzisztor, ami a terven nincs, illetve a trimmer potméter nincs bent. Ez lehet a gond? Előre is köszönöm!
Ez egy feleslegesen megbonyolított kapcsolás, tele átgondolatlan részekkel, fokozatokkal. Az a csoda, ha egyáltalán működik...
Sziasztok! Azt hogyan tudnám azt megoldani, hogy 20db LED villogjon a zene ütemére (mély hangokra)?
Találtam már kapcsolási rajzokat, de ott csak pár darab LED-et kötöttek sorba. A segítséget előre is köszönöm!
Szia!
Ha a kapcsolásod tápfeszültsége kötött, akkor több soros ágat köss párhuzamosan, pl. 6-7 x 3 led sorban. Mindegyik ágnak saját korlátozó ellenállása legyen. Csupán az a feltétel, hogy a meghajtó tranzisztor bírja ki a kb. 100 ( 6-7 x 10-15 mA ) áramot. Idézet: „villogjon a zene ütemére (mély hangokra)” Ezzel meg is fogalmaztad a probléma gyökerét ![]() Mert nem az a fontos kérdés, hogy "mennyi LED", hanem hogy "hogyan villog"... Irtad hogy sok kapcsolásod van, melyikbe szerettetél bele? ![]() Ha olvassa Moderátor/Topi, akkor van egy ötletem a 2017 találkozó versenyre: Zenére villogó LED
Bocs csak most látom a reagálást!
A trimmer nem kell bele, helyette ott a poti /bal oldali a képen/! A tranyó nem fontos bele, az utolsó nyák jó nekem is az van megcsinálva. Így megy most is. Bővebben: Link
Én ezt a kapcsolást néztem... de itt 4 LED van sorosan kötve. Ha több LED-et akarok rá kötni akkor a sorba kötött LED-ekre párhuzamosan kössem? És hova és mekkora ellenállást tegyek?
Szerintem felejtsd el ezt a kapcsolást, csomószor került már elő de szerintem még nem volt olyan ember akinek működött. Úgy gondolom ha ezt a kapcsolást építed nem nyúlhatsz félre, tudom picit más de könnyen át lehet alakítani, az előtét ellenállások módosításával több ledet is tehetsz be.
Hát, amit én szeretnék, ahhoz egy picit bonyolult...
Mit szeretnél?
![]() Mihez/miért/minek? Már ugye ha nem titok...
Természetesen nem titok!
LED- eket szeretnék villogtatni mély hangokra, olyan 15-20db-ot. Egy mélynyomóhoz szeretném, amit egy 100W-os erősítő hajt. (Vagyis hogy fog, mert igazából még nem készült el ) Igazából én arra a kapcsolási rajzra gondoltam, amit már pár kommenttel feljebb küldtem, vagyis a sorba kötött LED-ekre kötnék még párhuzamosan több LED-et. Nem vagyok benne biztos, hogy ez így jó lesz… Esetleg más ötlet?
Tegnap megírtam, hogyan méretezz több párhuzamos led-sort...
100 wattos erősítőre nem kell tranzisztor sem.... kiszámolod a hangsugárzód impedanciájától függően a rá jutó max váltófeszt, aztán csúcsra méretezel 1-1 sort saját előtét ellenállással. Ha biztosra akarsz menni, mindegyikkel sorbakötsz egy 100-200 voltos diódát nyitóirányban és védve lesznek záróirányban. Minden 2. sort fordítva kötsz, így minden félperiódusban villognak a ledek. Megteheted azt is, hogy 1-1 ledet ellenpárhuzamosan kötsz be, akkor minden félperiódus ki lesz használva 1 soron és spórolsz 1 ellenállást és dióda se kell.. Term. ez már tőled függ.
Csak van vele egy kis gond borzasztóan nagyon erősíti a basszust!
/ most pont ez nem jó/Valami megoldás? Az egyik módban ez kell pont de a másik zene módban elnyomja nagyon a másik két színt!
Hát nekem ez túl bonyolult… Én inkább maradnék az egyszerűbb kapcsolásnál, amit az előző kommentekben küldtem, csak nem négy LED-et kötök sorba, hanem egy 12V-os LED szalagot használok, ahogy ezen a videón: https://www.youtube.com/watch?v=qj_et6cF-Oc
Csak még a mélyhangok szűrését kellene kitalálni, mert a videón szinte folyamatosan világít, nem csak mélyhangokra villan fel. Ezt milyen, mekkora kondival oldhatnám meg? Igazából ahhoz a mélynyomóhoz, amihez én használni akarom, annak a hangváltójára nem lehetne kötni? Vagy a tranzisztor nem bírná a 100W-os erős jelet? Köszi a segítséget!
Ha mindenhogyan ragaszkodsz a tranyós + dc tápos megoldáshoz, akkor a szalagot beteszed a TIP31 kollektora és a +12 volt közé, emittere a negatívra menjen.
A táp negatívot összekötöd a mélynyomó egyik végével, a tranyó bázisát pedig első körben egy 2k2-es ellenállással a mélynyomó másik végére. A bázist és az emittert egy kis diódával kösd át, anódja az emitter felé. Ennél egyszerűbben nehéz... én kiszámoltam volna a váltófeszt a mélynyomón és 1-2 szalagdarabbal megoldottam volna ellenpárhuzamosan.
Ilyen lett!
Bővebben: Link
Szia. Esetleg a programja publikus? Át lehet forgatni arduinora? ( csak azért kérdezem mert AVR mindkettő tudtommal).
Szia!
Csak a hex van meg az oldalon!? |
Bejelentkezés
Hirdetés |















/ most pont ez nem jó/




