Fórum témák
» Több friss téma |
Sziasztok!
Elnézést, hogy új témát nyitok, de lenne egy problémám. Kellene nekem egy olyan kapcsolás, ami ha 5V-ot kap, akkor pl. 5 ledet felvillant egymás után. De úgy kellene, hogy a ledek úgy is maradjanak, ameddig áramot kap a kapcsolás. A felvillanás sebessége olyan legyen, hogy lehessen látni hogy egymás után villannak fel a ledek, amúgy pedig gyors. Sajnos PIC - es megoldás nem jöhet szóba. Előre is kösz a segítséget. Üdv. Balázs
Talán ezzel az Ic vel meg tudod oldani, most hirtelen nem találtam más kapcsolást hozzá. Talán ha a bemeneten egy kondenzátor töltődik, egy megfelelő ellenálláson, akkor a ledek folyamatosan gyulladnak ki és úgy is maradnak. Remélem jól tudom, ez vonal kijelző nem futópontos!
Kösz!
Fel tudnád tenni a képet nagyobb felbontásban, mert ebből sajnos semmit sem tudok kivenni!
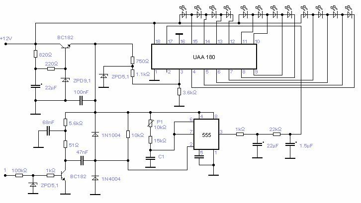
Vagy ez jobb lesz, mert az előző azt hiszem futópontos,
annak van "vonalas változata, és nem is biztos , hogy beszerezhetők... ehhez van sok kapcsolás a neten az első 5 ledet használod és kész ...
Kösz!
Megnézem, mit lehet kihozni belőle! Ha nem jön más segítség, akkor kapod a pontot, de egy kicsit még várok! Üdv. Balázs
Még ezt is használják hasonló célra, itt pl az 555 körüli részt elhagyod, és helyére valami lassan feltöltődő kondi- ellenállás kapcsolatot teszel...Ezt egyébként autókba ford.mérőnek használtás régebben a megszakítóra kötve...Itt a 17. lábra adott feszültséggel lehet a ledsort meghajtani...
Ez egymás után sorban (kis szünetekkel ) gyújtja ki a ledeket nem tudom erre gondoltál-e.A ledek sorok száma tetszőleges (újabb icével +4,ha nem kell ennyi csak a szükséges kimenetig kell bekötni ) Az a lényege ,hogy minden órajelre arrébb lép a kimenő + (az előző helyen megmarad.)
Mennyire kötött az 5V? mert ha elsődleges akkor valami logikai IC-ből kell egy megoldást, ha nem lehet PIC... Mert Pl pic 12f675 belsőoszcillátorral egy kis progival tudja ezt.
(8lábu), vagy 16f628 szintén belső oszcillátorral (18lábu) ezek ára 500ft alatt van... Ha mégis lenne akivel beégetteted a PIC-et itt van két progi a 16f628-ra, vagy (16f628A) egyik 100ms a másik 300ms-onkét fut ki és úgy marad a sor....
Korrigáltam a progin, igy biztosan indul mindig ha ráteszed az 5V tápot...
Szerintem ezt a legegyszerűbben egy 555-s időzítővel lehetne megoldani, ami egy 4017-et vezérelne... nem kell több ide.
és a bemenetére egy kaput ami 5 pulza után leállítja a bemenetre jutását az 555ről a jeleknek... vagy az 555 oszciját leállítani, -vagy most nincs előttem a 4017 doksija
leállítható a számláló máshogy is? mertha igen akkor ez a két IC elég ...
Ha az utolsó lábat a 4017 clk en re kötöd leáll.Én nem igazán értettem a működést ,mit jelent a felvillan majd úgy marad ???? kifejezés.A led Kigyullad kialszik következő kigyulad kialszik ....és vége vagy sorban kigyullad egymás után kis szünettel és vége?
Elsö eset 4017 második pedig 4017 +tároló vagy .... Ja a 4017 csak 10 ledig jó max.
Ez a klasszikus "bináris feltöltés " képet adja ,(vagy nem?) nem biztos hogy pont ez kell az eredeti megfogalmazás szerint...
Én úgy értelmeztem, hogy ha ráadjuk a tápot, 1-5 ig folyamatosan feltelik a ledsor és égve marad, amig le nem kapcsoljuk a tápot... amit írtam progit az ilyen (kb 10 perc alatt írtam) kétféle időzízésel küldtem...
kigyullad a Qa egy órajel szünet (természetesen a Qa marad) Qc_Qe_2Qa_2Qc ... ,hogy a kérdezőnek mi kell ,azt mint az előbb említettem nem tudom.Szerintem mndkét esetre talál megoldást.
Köszönöm a segítséget!
proba: Pont ilyet kerestem! Sztem ezt fogom megépíteni. dcsabi: Kösz a PIC-es megoldást, nemsokára el kezdek foglalkozni PIC égetéssel, és akkor lehet ez lesz az első "alkotásom". Sajnos jelen esetben kötött az 5 V. A másik megoldás sem rossz! Üdv. Balázs
Szerintem ide is nyugodtan feltehetted volna a kérdésed:
LED-ek sorban történő léptetése. ... vagy ez másról szól!? Lehet hogy már van megoldás is... !?
Bocs az OFF-ért közben végigolvastam a hozzászólásokat és frappáns PIC-es megoldás is született
Amit bárhol lehet kapni az az AN6884 5 LED-et vezérlő kivezérlés jelző és ha ráteszel a bemenetére egy kondit feltöltöd akkor egymás után gyullad ki az 5 LED. Egyszerű és nagyszerű!
Kb kemény 250Ft az IC! A HESTORE ár feléért is beszerezhető egyébként! A hozzászólás módosítva: Ápr 19, 2013
|
Bejelentkezés
Hirdetés |









Kb kemény 250Ft az IC!
A HESTORE ár feléért is beszerezhető egyébként! 





