Fórum témák
» Több friss téma |
Fórum » Telefonkártyázás
Sziasztok! Vágjunk a közepibe. Hajdan telefonkárty gyűjtő voltam. Ma már, vagy még van egy csomó lejárt telefonkártyám. A minap az egyiken csináltam egy lyukat a chip felett, a kártya hátoldalán jól látható, hogy hol kezdje az ember. Szóval felnyitottam, és azt vettem észre, hogy néhány típusnál a chip átlátszó masszával van "tokozva" vagyis valami van rajta, de az alatt a chip látszik teljes valójában. A kérdésem: Lehet-e egy ilyen kártyát UW fénnyel törölni, és aztán másra használni? És ha igen, akkor milyen E(e)promnak, vagy urambocsá mikrovezérlővel egyenlő a "tudása"? És minden infó érdekelne, hogy mire lehetne még használni. Úgyértem poháralátéten, és könyvjelzőn kívül? Köszönök minden infót.
Nah!
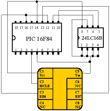
Ezeknek a kártyáknak mindegyike hordoz magában egy mikrovezérlőt és egy EEPROM-ot. Microvezérlő általában PIC16F84 vagy ATMEL mikrovezérlő. Az EEPROM meg 24Cxx típúsú. Tehát nem kell UV fénnyel tötölni hanem elektronikus úton újra lehet programozni. Idézet: „Akár újra fel is lehet tölteni.” Kapcsolás meg van sok a neten szerte széjjel. Keress így rá: Gold Card, Silver Card, Smart Card
Javítottam a téma címét. Először azt hittem, hogy elolvastam, hogy teflonkártya, de nem. Telfonkártya.
. Nem baj, előfordul mindenkivel, hogy elír valamit. Üdv.
Hy!
Nem tom mit szóljak hozzá,talán csak annyit,ha van oroszlános és rák horoszkópos,akkor szivesen elcserélném,egy Ady endre sorozatra mert abból kettő van.A horoszkópból pedig azok hiányoznak Amúgy szerintem ezek a telefonkártyák egyszer használatosak,A maguk 8 bites 12k eprommal amiben egy sms sem fér el...Egységszámlálójuk ha -1 hez ér akkor használhatatlanok lesznek.És ez a volt Matáv hírközleményéből van,tehát kamu a végtelenített telefonkártya és miegymás.Nálunk sokkal okosabb emberek kitalálták ezt 1985 ben németországban,ma Deutche Telecom lett belőle......szerintem a csere-berén kívül halott ügy.
Ha megvan hogy hogy működik a dolog lehet hasonlót építeni amit aztán vissza lehet tölteni... vagy nem?
Én inkább maradok csendben a csere bere dolognál...persze hogy lehet, ha egyszer azt valaki legyártotta, akkor azt más is le tudja...Ernike
Ha nagyon meg akarsz bizonyosodni mi van benne akkor egyet szétkapsz és berakod mikroszkóp alá.
Biztos találsz a chip-en valami logo-t vagy feliratot. Én anno a Comodore-prociját nyitittam fel és abba szépen belevolt rajzolva a Commodore logo-ja. És szerintem ezek a kártyák mind 1kaptafára készülnek. A UPC-s kártyá, MOL smart kártya, telefon SIM kártya, stb.... Mindegyikben van egy PIC és egy EEPROM. A PIC vezérli az EEPROM kiolvasását és az dekódolja a benne lévő adatokat, mivel azokak titkosítják. Azt is figyelembe kell venni hogy nálunk mikortól lehetett kártyával telefonálni. 1990-ben biztos nem volt még(legalábbis nem emlékszem rá hogy lett volna). A Microchip viszont 1990-óta gyárt mikrovezérlőket. Úgyhogy bőven belefér hogy legyen benne PIC. Valószínű ezt is Szabvány szabályozza ,hogy minek kell benne lennie, hogy 1000 gyártó ne készítsen 1000 külömböző kártyát és ahhoz ne gyártsanak 1000 külömböző író/olvasó készüléket.
hello, én is úgy tudom, hogy PIC van rajta... azt tudom még elképzelni, hogy a programozáshoz használt lábak nincsenek kivezetve... viszont ha mégis lehet valahogy használni, akkor az érdekelne, hogy a diákigazolványon is ilyenek vannak-é ?
Nah itt Gold Card bekötési rajza. Ha jól tudom akkor a PIC-be gyárilag bent van egy bootloader és a PIC saját magát programozza fel azzal a programmal amit bele írunk. de csak egyszer lehet a PIC-et ilyen módon felprogramozni.
Ahogy elnézem a kapcsolást, sima égetővel is fel lehet programozni. tehát alkalmazni lehet bármire.
Szerintem ki kéne próbálni, hogy egy Led villogtató progit irni és bele tölteni. Lehet, hogy mükődne.
Szerintem menne. Most úgyis van egy lejárt UPC smart kártyám. lehet kipróbálom.
Persze előtte lementem ami benne van....
A visszatöltésről annyit, hogy csináltak már ilyet.
Egy darabig. Amíg nem látták el a kártyákat azonosítóval. Azóta a rendszer lekérdezi, és tudja, hogy milyen azonosítóval ellátott kártya került forgalomba, és még nem járt le a rendelkezésre állási ideje. Állítólag.
Köszönöm az eddigi hozzászólásokat is, annyit tennék hozzá, hogy nem kalózkártyát akatok gyártani, csak érdekelne az alternatív felhasználás. Ez a ledet villogtatni, stb szerintem izgalmas dolog, legalábbis úgy hangzik.
Én sem akartam kalózkodásra buzdítan senkit, de csak így lehet megérteni a működését.
Szerinetm....
Lehet hogy nem ide vág a kérdés de ami a mobilokban van SIM kártya az milyen módon működik?? VAgyis mi van benne?
Amíg volt, én is gyűjtöttem telefonkártyát, van egy csomó különlegességem, pl cseh, ami nem a magyar csipes megoldású, hanem mágnescsík van az oldalán, de van 4 db német kártyám, ami átlátszó csipes. Szóval erről fogok néhány képet nemsokára fölpakoni.
Hali!
A telefonkártya trükkös dolog. A régi telefonkártyák egyszerű EPROM-ok voltak, azokat lehetet végteleníteni. Pontosan nem azokat, hanem mondjuk egy mikrovezérlő által emuláltak az epromot. A mai telefonkártyák olyanok már, hogy egy kis chip van rajta, amiben csak azonosító van. Ezt elküldi a központba és ott van nyilvántartva az adott kódhoz tartozó forint... A SIM is valami ilyesmi. Az epromos telefonkártyákban is volt egy egyedi azonosító. Nálunk például ilyen telefonkártya-beléptető rendszer volt. (Ha valamit elírtam szóljatok, már régen olvastam erről a témáról.) üdv Idézet: „A mai telefonkártyák olyanok már, hogy egy kis chip van rajta, amiben csak azonosító van. Ezt elküldi a központba és ott van nyilvántartva az adott kódhoz tartozó forint...” üdv! Ez igy van, de azért vitatkoznék azon, hogy lehet e hackolni. Márpedig lehet, Görög barátom megcsinálta, a legutóbbi frissítésben beletette a Hungaryan verziót is ![]() Természetesen lehet a mai magyar telcsikártyákat is programozni, asszem SLE44-es kártyák, de ebben nem vok biztos, az én Chipdrive Externem kiolvassa, viszont Write protectet ír ki íráskor, de egy SLE44-es printerportos kapcsolással írható is. Nos Ha sikerált kiolvasni a kártyát, akkor a tartalma könnyedén értelmezhető. Az első 4 byte az országot és a gyártót, a második 4 byte a serial számot, a következő 5byte a számláló. Persze én sem szeretnék itt kalózkodásra buzdítani, csak a jobb megismerés miatt irtam le. üdv
Na, akkor jól sejtettem, hogy a 2 témát egyesíteni kell. Itt vki beléptetőt akar csinálni, én meg mondtam, hogy át kell programozni egy (2-3-4...akárhány) lehervadt telcsikártyát, és a beléptetőnek azokat az azonosítókat kell megadni, és sirály!
Nem megy xarrá a lépcsőház zárja, sőt bejárati ajtó is nyílhatna ugyanazzal a kártyával (persze a lakás ajtaja már csak az oda tartozó kártyákat fogadná ellll).
van egy ilyenem, ha valakinek netán felkeltette az érdeklődését, ne csigázon
![]() meg lehet egyezni sztem ![]() 10vac 1.5A kell neki.. írj ! :yes:
Őőő! vász íszt dász? szalagos számológép?
nem!
tod ez ilyen "bankómat" vagy mi.. így néz ki 4 sim kártya hely, 2 helyre lehet dugni "telókártyát?", meg a bank kártyát letod olvasni.. meg lcd, hő nyomtató, 5 db cat-x -es csati(mint a teló meg a cat-5 -s de ez 6 vezetékes..) ehhez hassonló készülék
Aha! most már vágom hogy micsoda! csak az első képen nem látszott rendesen a lehúzó rés a burkolaton.
Nekem meg eredeti tescós pénztár fejegységem van Lcd-vel billencsel kártyalaolvasóval. Megnéztem a mágneskártyaleolvasója, csak olvas nem ir
Még jó hogy nem ír rá! szépen néznénk ki hogy ha a tacskósok szépen átírkálnák az adatainkat.....
és ha "lovét írna jóvá?"
![]() nem levon hanem hozzáadja
Akkor az jó lenne. de a kártyán csak a személyes adatok vannak az átutalást a bank intézi.
|
Bejelentkezés
Hirdetés |




. Nem baj, előfordul mindenkivel, hogy elír valamit. Üdv.










