Fórum témák
» Több friss téma |
Mielőtt kérdezel, a következő két dolgot ellenőrizd!
I. A helyes tápfeszültségek megléte.
II. A kimeneten van-e egyenfeszültség.
Élesztés.
Sziasztok!
Életre szeretnék kelteni egy nagyon régi erősítőt. Grundig V5000 névre hallgat. Teljesen új tápegységet kapott, új végfokokkal. Ugyanis ezeket nem kaptam meg. Végfok hiányzott belőle, amit egybeépítettek a tápegységgel. Egy gondom van, hogy az előerősítő áramköreit nem tudtam eddig beindítani. Az előerősítő a képen lévő szürke 3 eres szalagkábelenkaphatott tápfeszültséget. a Transzformátor 4X30V 1X70V váltófeszültségű szekunderekkeel van ellátva. A végfokok a 4 nagyáramú szekunderről vannak megtáplálva. A maradék 70V láthatta e az előfokozatot? Hogy tudnám elindítani az előfokozatokat? Mekkora feszültséggel üzemeltek?
A szervizmanuál sok segítséget nyújthat :Bővebben: Link. Várd meg, míg megjelenik alul a "get manual" felirat, majd katt rá.
Sziasztok.
Van nálam egy Voice-Kraft AMP205 keverő erősítő aminek az egyik oldala hibás. Sehol nem találtam róla kapcsolási rajzot. Akinél volt javitáson a rossz alkatrészeket kiszedte, de már meg nem javitotta. Ismeri valaki ezt a kapcsolást esetleg? A hozzászólás módosítva: Jan 14, 2017
Idézet: „Akinél volt javitáson a rossz alkatrészeket kiszedte, de már meg nem javitotta.” Ez már a vicces topic-ba illene
Hozzám is került egy erősítő. STK végfokos. Kiszedették velem az IC-ket, és annyi. Nagyon drága bele azt mondták. De én előrelátólag ráírtam a panelra "alko-hol-os filctollal a számát.
Igen vicces a dolog. Bár annyira azért nem, mert más kontár munkája után már nem szeretek rajta melózni. Forrasztás amit ott hagyott az hagy némi kívánni valót maga után.
A kapcsolás nem ismerős de ott vannak az alkatrész azonosítók leírva szintén filccel. A bal oldalon 2sa1302 jobb oldalon 2sc5200. A többit nem bírom kiolvasni az alkatrész lábaktól.
Eddig okés. Csak jó lett volna valami leírás róla, hogy mekkora nyugalmi áram kell és a feszültség értékek is jók lettek volna. De mindegy, valahogy csak sikerül megjavítani.
Szia! Úgy értem van egy működőképes csatornád. Onnan nem tudod másolni?
Hali. Elvileg tudom, csak nagyon gány már a fólia oldal.
Tényleg nem szép, de ezek szerint nem láttál még igazi gányolást
![]() Először mosd le (denszesz, nitró) a forrasztási oldalt!
Sziasztok.
Ismeritek a MÁR-TON BT végfokokat? Holnap megyek egy MAT-TON MVE 400 asért ami 2x8 Ohm illetve 100V os kimenete van. Elvileg a 2x8 Ohm 200W. De a bemenet elvileg szimmetrikus, és a kép szerint mono mert csak egy van. Csak akkor a kimenet nem tudom hogy lehet szimmetrikus. A gyártótól próbáltam infót kérni és nagyon modortalan stílusban csak annyit írt hogy nem adnak ki rajzot és 400W os szimmetrikus ki és bemenettel. Hallottatok már szimmetrikus Ohmos vagy 100V-os kimenetről? Ami még érdekes a csatlakozók szerintem fordítva vannak mint szoktak, bemenet jó hogy fűzhető, de a kimenet nem ilyen szokott lenni. Ötlet?
Szia! A 200W/8Ω az 40V-os kimeneti feszültséget jelent. Ha szimmetrikus jelet kötsz a bemenetre a kimeneti pontok között 80V érhető el - az már majdnem 100
Szia!
Ne csodálkozz,hogy a gyártók nem szeretnek infót kiadni. Annak idején én is kértem az Univox-tól infót,de neked még szerencséd is volt mert válaszoltak,de nekem meg semmi válasz nem jött. Na ennyit a gyártóktól. A hozzászólás módosítva: Jan 15, 2017
Köszi!
Akkor ez egy szimmetrikus mono jellel hajtott hídkapcsolású erőlködő lehet. Vagy 2x 8 ohm vagy 1x 100V. Emiatt lehet, hogy a nem szabványos csatlakozó tettek rá? Van gyakorlatban ilyen megoldással 100V os erősítő? Mert nagyon jó ötletnek tűnik.
Sajnos ez van. Egy régi cuccnál ami már biztos nem rontaná az üzletüket nem tudom miért nem segítenek. Még öregbítené a nevüket ha minél hosszabb ideig működnénk a régi vasak.
Sziasztok!
Eddig csöves erősítőket építgettem, most egy tranzisztorost kellene összehoznom. Nem a teljesítmény, hanem a jó hangminőség lenne a célom. Nekem 2x20-30W elég lenne... Milyen kapcsolást ajánlatok? Quad sorozatból ahogy olvasom a 405-ös a nagyon sokak által megépített/kedvelt erősítő. (de még létezik 606, 707, 909 is, ezek miben térnek el?) Milyen kiegészítő áramköröket érdemes hozzá építeni? Hangszín szabályozó, kivezérlés jelző? Koppanás gátló?
Mi szeretnénk hogy így legyen,de ők nem
Sziasztok!
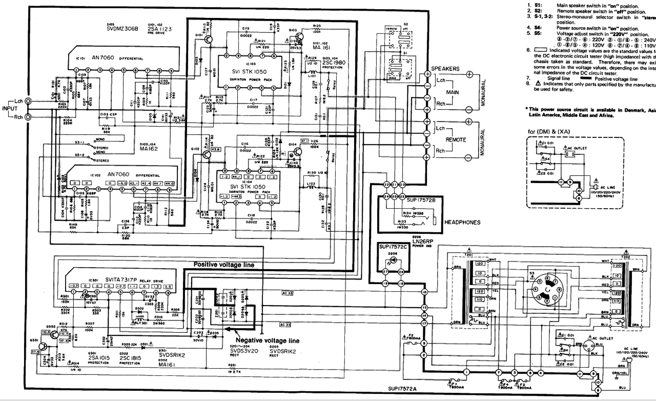
Érdeklődni szeretnék,hogy a képen látható végfok rajzhoz,nem e volna meg valakinek a nyák terve? Ha meg volna valakinek,meg kérném szépen hogy legyen kedves fel tenni. Előre is köszönöm! A hozzászólás módosítva: Jan 15, 2017
Üdv.A csatolt kapcsolással kapcsolatban szeretnék kérdezni.Ez egy dual mono végfok két trafóval,a két trafó valóban külön hajtja meg a végfokokat ebben a kapcsolásban?Én egy egyenirányítót látok a rajzon,ez zavart meg,ha nem külön hajtják a trafók a végfokokat akkor így mi az értelme?Erről szeretném kérdezni a véleményeteket.Üdv.
Ez így ránézésre elég érdekes,ettől függetlenül még működhet.Csak a jelet XLR papával viszik be én úgy tudom,akkor itt át kell alakítani majd a csatlakozókat.
Nekem annak idején komplett kapcsirajzot küldtek az ujabb tranyós erősítőtől
igaz igazoltam, hogy számlásan vettem olyat és a kimenetre 230-at kötöttet és elszállt A hozzászólás módosítva: Jan 15, 2017
Hídba Te kötöd, ha akarod, ahogy elnézem sztereóban is használható, mert független a két csatorna.
Az eljárás ismert és alkalmazott, elvi ±70V tápfeszültség hídban 100V kimenőfeszültséget eredményez.
Üdv! Láthatod a trafó rajzán, hogy a két szekunder egy ponton össze van kötve. Ez egyenértékű egy középmegcsapolásos szekunderrel. Szó sincs dual-monóról.
Ne keresed az értelmét, mert nem sok van. Nem egy db középmegcsapolásos trafót használt, hanem 2db normál trafót...
Köszönöm a válaszokat,akkor nem veszem meg az erősítőt.
Ez a tápegységtől függetlenül is helyes döntés
Erre valaki?
Milyen bevált kapcsolás ajánlott? Esetleg NYÁK terv is ha van főleg SprintLayoutban az lenne a legjobb.
Nos túl vagyok a ketyere javításán.
A puffereket kicseréltem 105°-os kondikra, akkora hőt úgysem produkálnak azok a bordák, főleg hogy a tulajdonosa nem szokta csúcsra járatni. A sörét zaj rögtön megszünt. Sejtettem, hogy a pufferkondi lehet a ludas, de nem gondoltam, hogy ennyit jelent! Állítólag még jobban is szól, mint a régi pufferekkel. A tranyókkal nincs gond, maga az egész konstrukció szemétre való, de így legalább már csak brummos a trafó miatt, de azzal nem foglalkoztam már. Köszönöm a segítséget! |
Bejelentkezés
Hirdetés |


















