Fórum témák
» Több friss téma |
Magyarországon az elfogadott neve szinkrodin vevő. Semmi furcsaság nincs benne. A DC jelzés, meg többfélét is jelenthet
Ez rendben is van. De tudtommal Polyakov keverőnél a helyi oszcillátor frekvenciája fele a vételi frekvenciának. Ebben a rajzban pedig nem. Jó értem én, hogy nem 7MHz-re akarja megépíteni, de a felsőbb sávokon is így van.
A kapcsolás amúgy a
Idézet: -ban jelent meg a 111. oldalon. Mellékelem a bővebb rajzot, amin szerepelnek az eredeti tekercsadatok (40 méterhez!). Viszont a leírás a könyvben sem tesz említést arról, hogy a Polyakov keverőnél a VFO frekvencia fele a vételi frekvenciának.„W1FB Design Notebook” Most direkt utána néztem a neten, hátha én maradtam le valamiről, de nem. Megtaláltam az eredeti cikket, ami a G3VA's book "amateur radio techniques! 6th edition, RSGB, 1978-ban jelent meg.
Idézet: „Viszont a leírás a könyvben sem tesz említést arról, hogy a Polyakov keverőnél a VFO frekvencia fele a vételi frekvenciának.” Mert nem nevezi Polyakov keverőnek, hanem egyszerűen "product detektor" -nak. Ne aggódj, működik az a vételi frekvencián működő VFO -val is. A hozzászólás módosítva: Ápr 14, 2017
Elhiszem neked, csak kicsit furcsa volt, hogy mindenhol a felén jár, akkor itt miért nem.
Amúgy Polyakovnak nevezi a cikk, csak a működési leírást nem töltöttem fel, de hátha jól jön a kérdezőnek, megteszem.
Köszönjük a cikket.
Ezzel kapcsolatban csak annyi problémát látok, hogy nagyon kevesen olvasnak, netán vissza. Ezért sajnos ezt sem fogják sokan elolvasni, pláne ha már lekerült az oldalról. Jön az új kérdező, és várja a megoldást, neki külön, és most. Aki esetleg emlékszik, az visszalinkeli, de ha nem, az infó az ismeretlenség homályába vész. Sajna, ez a tapasztalatom.
Azért mert a az első fokozat sávra van hangolva és úgymond átjön ami átjön. Nem sokat tévedtem a toroid számításommal.
Igen ez olyan szinkrodin vevő aminél a VFOnak fele frekin kell járni a 2 szembe kapcsolt dióda miatt .
Ebben az is jó még hogy kisebb frekvenciás LC rezgőkör stabilabban építhető meg mint a kétszer nagyobb frekvenciájú. ezért is szeretik a "Polyakov" elvű szinkrodint . Igaz ha az egyik dióda ágba kapcsolót helyezel akkor egyszerűen 2 sávossá tudod alakítani a vevőt. Persze a bemeneti szelektor kört is sáv váltani kell. 1 diódával VFO frekijén dolgozik mint direkt konverziós / szinkrodin . 2 diódával a VFO 2-szeres frekvenciáján dolgozik mint polyakov szinkrodin vevő. Nem kevés találatot kapsz majd a "varázs szavakra" : "polyakov mixer receiver" A hozzászólás módosítva: Ápr 14, 2017
Nagyon köszönöm mindannyiótok hozzászólását!
Tehát akkor 1 diódával azonos, 2 diódával fele lokál freki kell. Csináltam már SA612 IC-s keverőt, az könnyen sikerült. BC547-tel, ahol az emitterre ment a lokál jel, a bázisra az antennáról jövő, a kollektorról szedtem le a keveréket. Most ezt a típust szemeltem ki. Ja és 21Mhz környékére akarom megépíteni. Még egyszer köszönöm a segítséget!
Az "RH sáv felső része" nem megfogható műszaki tartalom méretezés szempontjából.
Idézet: „Ja és 21Mhz környékére akarom megépíteni.” Előtted levő hozzászólásában megírta. Így a válaszod okafogyottá vált, mikor észrevetted, törölhetted volna.
Sajnos nem láttam, amikor írtam. Azonos időben írtuk... A másik, hogy 21 Mhz-re pontosan ugyanígy kell méretezni, más bemenő adatokkal. 21-en nem fog stabilan működni. Egyszerűen túl magas a freki egy-egy tranzisztoros VFO-val, egyenes rendszerben. 7 Mhz is határeset. Ez a kapcsolás elavult és csak a szívás van vele vételkor, mert instabil. Nincs a VFO nak stabil tápfesze, nincs elválasztva, egyenes rendszerű, egy hangolt körös. Tapasztalatot szerezni jó, de nem 21-en.
A hozzászólás módosítva: Ápr 18, 2017
Bár tranyoval már gondolom már más kapcsolás fele nézeget, ennek a kapcsolásnak tényleg az az előnye, hogy az oszcillátora 10.5 MHz környékén, még viszonylag stabilra megépíthető.
A kapcsolás egyébként szinkrodin rendszerű azaz nem alkalmas AM/FM (tudom, a félrehangolás segít) vételére erre a kérdésre nem kaptunk választ a kérdezőtől. Amennyiben AM/FM mód vétele a cél, magasabb frekvencián csak a szuper rendszerű vevő jöhet szóba, illetve SDR. Magasabb frekvencián -köszönet az alacsonyabb zajszintnek- érdemes előerősítőt alkalmazni, főleg olyan esetekben, amikor maga a keverő is veszteséges. 10MHz alatt nem érdemes előerősítőt használni, mivel csak rontja a vevő dinamikáját, ami a zaj növekedését okozza. Az NE612 tartalmaz előerősítőt, ami miatt hallásra jó rádiót lehet vele építeni, de a paraméterei már gyászosak. A bemeneti kör méretezését szendi001-vel ellentétben én, azonban az antenna illetve a keverő impedanciájához igazítanám az sokkal fontosabb lenne, mint a bemeneti kör sávszűrő szerepe. Még 7 MHz sincs akkora szelektivitása egy körnek, hogy érdemben csökkentse a nem kívánt jelek elnyomását. Ma már jellemzően nem alkalmaznak szelektív szűrőt a bemeneteken, de régebben az alacsony KF miatt a tükörszelektivitásban volt fontos szerepe. Én olyan vevőt építenék magasabb frekvenciára, ami szélessávú szűrővel indul - hangolni sem kell - majd egy tranzisztoros előerősítő után következne a keverő, ugyanis műszerezettség hiányában csak így biztosítható a minimális veszteség (=zaj) a bemeneten.
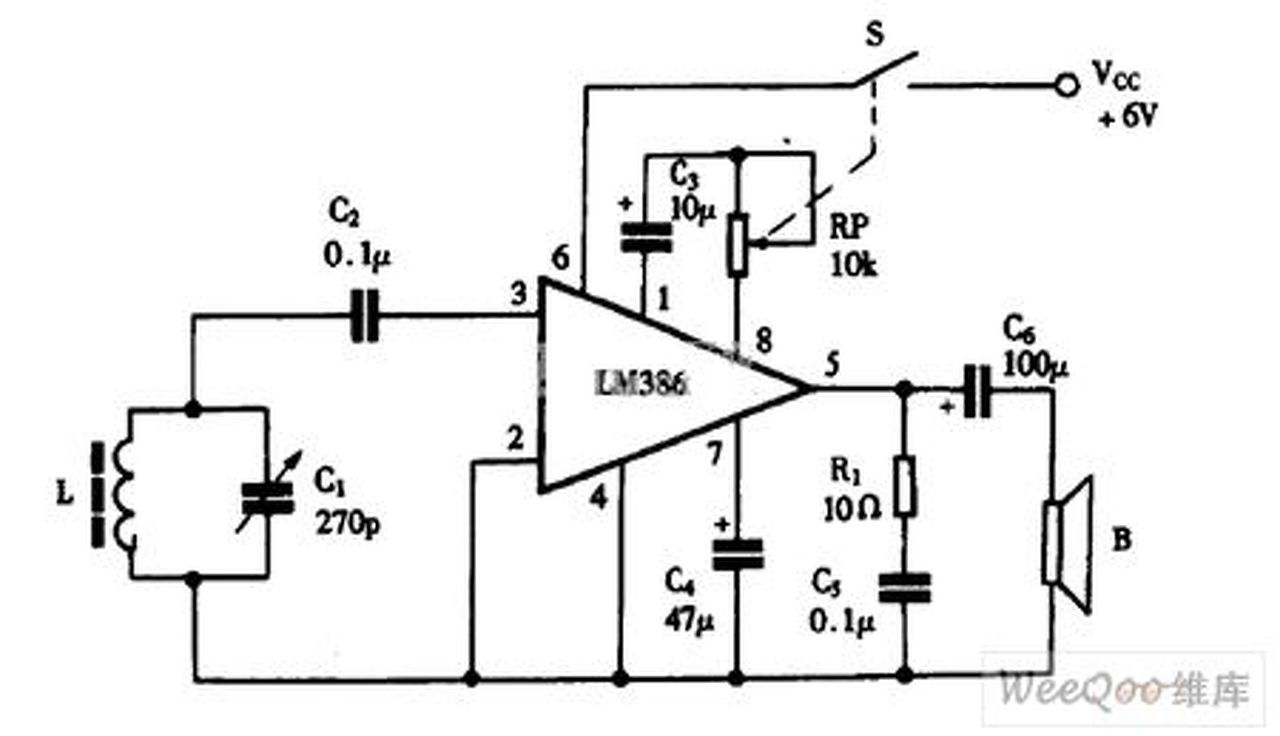
Egy ötlet,audion,nem visszacstolt,egyetlen egy lm 386-os ic-ből.
Sziasztok! Időm engedte aztán gondoltam feltöltöm a régebben itt tárgyalt Rt-Ék2001 -es Kétszer transzponált sztereó vevő cikkét!Az a helyzet hogy nagyon afelé hajlok hogy megépítem ezt a vevőkészüléket aminek a nagyrésze nem is okozna problémát de viszont ott azok a fránya rezgőkörök,tekercsek amik az igazat megvallva eléggé bosszantanak ,szóval ezekkel kapcsolatosan kellene valami info hogy hogyan is tudnám kivitelezni egyszerűbben esetleg mivel tudnám helyettesíteni őket .Továbbá annyival még egyszerűsödne a helyzet hogy az AM -rész teljes egészében kimaradna ,valamint ha jól értelmeztem az FM egységből a 150kHz-es áramkört is lehetne mellőzni mivel csak a sztereofonikus vételre lenne szükségem.
A hozzászólás módosítva: Jún 5, 2017
Folytatás...
Én már a '70-es évek televízióit sem tudtam soha megérteni, hogy miért volt full elektroncsöves, csak a hang KF az egyedüli IC, mikor a lehetőségek adottak voltak, hordozhatóban már léteztek teljesen félvezetős kivitelűek.Teljesen 21.századi a feladat. Az az R 105 katonai rádióból kiszerelt 4-es forgó megvan hozzá?
Teljes csöves felépítést szeretnék ,tehát az ic kimenőfokozatokat is leváltanám csövekkel ,de ezzel nincs is gond ,a probléma inkább ezekkel a rezgőkörökkel volna ,valamint a forgót még be kell szereznem mivel amik vannak azok mind 3-asak csak.A csöves felépítést pedig a kellemes hangzásvilág miatt szeretném kivitelezni. A frekvenciatartomány pedig elég lenne 88Mhz-108Mhz -ig.
A hozzászólás módosítva: Jún 5, 2017
Azért a 70-es években már a tuner is félvezetős volt.
Szerintem azért voltak csövesek a tv-k, mert akkora erősítést olyan megbízhatósággal az itthon elérhető félvezetők még nem tudtak. Amit egy összetett csővel megvalósíthattak megbízhatóan, azt 6-8-ször annyi félvezetőt igényelt volna. És akkoriban a tranzisztorok (főleg a megbízhatóbb szilíciumok) nem voltak olcsók.
Idézet: „Továbbá annyival még egyszerűsödne a helyzet hogy az AM -rész teljes egészében kimaradna ,valamint ha jól értelmeztem az FM egységből a 150kHz-es áramkört is lehetne mellőzni mivel csak a sztereofonikus vételre lenne szükségem. ” Ezek szerint nem csak a tekercsekkel van bajod ![]() Ha tisztában lennél ezen rádió működési elvével akkor ilyen kijelentéseket nem is tennél! Légyszíves sokkal mélyebben értelmezd és ismerd meg a dokumentáció alapján a rendszer működését!
Köszönöm a hasznos információt ,elképesztően sokat segítettél vele.Bízom benne hogy még sok ilyen hasznos segítséget kapok!
Idézet: „hogy az AM -rész teljes egészében kimaradna” Ekkor elveszítenéd az vevő AGC szabályozási körét. Habár FM-ben nem nagyon van rá szükség de azért mégis van a tunerekbe AGC visszacsatolás az erősítő fokozatokra. Idézet: „FM egységből a 150kHz-es áramkört is lehetne mellőzni mivel csak a sztereofonikus vételre lenne szükségem.” Ettől még nem nagyon lennél előbbre, sztereó vételhez sokkal nagyobb térerőre van szükség, ennél fogva jobb antenna se árt, nem csak valami provizórikus. Ha kisebb a térerő (zajos a jel avagy ki ki esik a pilot és nem sztereo), akkor érdemesebb beáldozni a térhatást és vissza váltani a mono üzemmódra.
A térerő problémát megoldanám mivel elég magasan lakom valamint az erősítővel elátott antenna se probléma de mindenképpen stereoban szeretném halgatni a műsorszórást, ha nem stereo egyszerűen csatornát váltok.
Idézet: „ha nem stereo egyszerűen csatornát váltok.” Vagy fordítsd jó irányba a YAGI antennát !
Ha csak FM adásokat szeretnél venni, az egész koncepció hibás. Ugyanis van némi eltérés az AM, és az FM vételtechnika között. Ezért egy ilyen két modulációt kezelni tudó vevő eléggé kompromisszumos. Az AM vételhez lineáris átvitelű erősítő kell a bemenettől a demodulátorig. Az FM vételhez pedig ez nem szükséges, sőt határolás (jelentős túlvezérlés) kell. Így lehet elérni a legnagyobb zajhatárolt érzékenységet. Tehát ami jó az AM -re, az nem jó az FM -re, nem lesz elég érzékeny, és viszont. Ezen segíthet némileg az AGC, de azért nem az igazi.
Csak FM vételénél nem igazán van szükség az AGC -re, talán a bemenet túlvezérlése, leültetésének elkerülésére. Állandóhelyű vétel esetén ilyenre nem nagyon van szükség, Ha mégis, többet ér egy bemeneti csillapító. Az AGC -s szabályozást főleg mobil (autórádió) alkalmazásokban használják. Ha nem kifejezetten DX célokra építed a vevődet, akkor a szűkebb sávszélesség hanyagolható (a sok fogható állomás miatt ez amúgy is problémás), ezzel az érzékenységed kb. 6 dB -el csökken. Ha mint mondod magas helyen laksz, az antenna erősítő sok problémát tud okozni, azt tényleg AGC -zni kellene, mert van nagy, és kis térerejű fogható állomás is, ráadásul mivel szélessávú (nem hangolt) erősítőről van szó igen nagy az intermoduláció kialakulásának a veszélye. Akkor pedig a legnagyobb térerővel rendelkező állomásokat kivéve nem fogsz tudni mást hallgatni, vagy több állomást együtt.
Értem és köszi az infot. Akkor te mit javasolnál nekem megoldaásnak,esetleg keressek valami másik rádióvevő kapcsolást?
Igazából az lenne a legjobb, bár nem hiszem, hogy találni fogsz. Tapasztalat szerzésnek ez is jó, az egyszerűsítéseket is elvégezheted, valószínűleg egy plusz KF fokozattal növelni kéne az erősítést, mondjuk az I KF fokozatban, de nem fontos, legfeljebb nem lesz elég érzékeny.
Na ez jól hangzik és milyen erősítést ezközölnél a I KF fokozatban ,pontosan mivel egészítenéd ki?
Megismételném a meglevő fokozatot.
A kettős keverés egyik legfontosabb hozadéka, hogy nem kell egy frekvencián jelentős erősítést alkalmazni. Ha egy (KF) frekvencián nagyjából 60 dB -nél nagyobb erősítést alkalmazol, megfelelő fokozatonkénti árnyékolás hiányában igen nagy a gerjedés veszély. 10 - 20 uV bemeneti érzékenység eléréséhez azért 60 dB -nél nagyobb erősítés szükséges.
Sziasztok!
Valahonnan halásztam a webről ezt az oldalt, de nincs meg az alkatrész adat egy sem. Valaki tudna segíteni, hogy megépítsem ezt az egyszerű rádiót? Megköszönném. Ferenc |
Bejelentkezés
Hirdetés |






ezért is szeretik a "Polyakov" elvű szinkrodint . 





















