Fórum témák
» Több friss téma |
Fórum » Keverőpult építése, javítása
Gondolkodásra itt van egy egyszerü konstrukcio. Nincs benne sem mikrofon erösitö, sem fejhallgato kimenet.
Mixer
Ez a TL084 egy darab chip lenne 4 csatornával van, ha jól látom. vagy tévedek?
Igy van, de ne vedd ezt kész rajznak, csak egynek amit gyorsan találtam, az sem biztos hogy pontos minden részletében. De minden ajto nyitva áll elötted, keress, vagy probáld ezt ki.
Nagyszerű ☺
Ami még kérdéses számomra, hogy van e lényeges különbség szimmetrikus vagy aszimmetrikus kötések között.. Gondolom aszimmetrikus kötésnél a (-) mind testre van kötve. Szimmetrikusnál meg abszolút nincs kötve testre semmi?!? Nem találtam bár kerestem szimetrikus kötést. Egy egyszerű kapcsolásirajzot, ha linkelnél szerintem sokat segítene nekem Köszönöm. A hozzászólás módosítva: Jún 22, 2017
Általában van, és ezért rossz az ötleted, hogy te a kis keveröben a földre kötöd a mikrofon egyik kivezetését, majd tovább küldöd a keveröbe.
Sok helyen a szimmetrikus vezetéken mág phantom feszültség is van, amit szinté tönktre teszel, ha igy használod. A keresést is meg kell tanulnod, azaz fel a fejjel. A hozzászólás módosítva: Jún 22, 2017
Javítsatok ki ha tévedek.
Szimmetrikus kapcsolás egy fázis fordítás? :O Ez működőképes ? A hozzászólás módosítva: Jún 24, 2017
Nem!
A szimmetrikus kapcsolás az amikor a két vezeték a földtöl függetlenül kerül az erösitöre pl a kapcsolásban egy hasonlo IC 2,3 lábára, majd onnan a keverö potira. Azaz a mixeren belül már nem szimmetrikus a jel. Ezért leszel gondba ha ragaszkodsz az eredeti ötletedhez.
nos akkor az az utolsó erősítés miért is kell?
(fázis fordítás miatt csak?) A hozzászólás módosítva: Jún 24, 2017
Mert itt szimmetrikus a kimenet, de nem a bemenet. A kimeneti jel a két erösitö kimenetei között van és ilyenkor természetesen forditott az egyiken a fázis.
De ez oda is van irva: balanced output A hozzászólás módosítva: Jún 24, 2017
Azaz ha egy végfokot raknék az out (-) és Out (+) akkor az szólna
Már majdnem elbizonytalanodtam az első Nem után, csak rosszul fejeztem ki magam ...
Ezt a két kapcsolással lehet hallható hangot produkálni fülhallgatóra?
Üdv.
Az elsö rajz kimenetét kösd a bementre. Az utolso IC 1-s lábán már kapsz valamilyen hangot amihez egy kimeneti (fejhallgato) erösitö kell.
Sziasztok!
A témakör címében is említett kérdéssel fordulnék hozzátok! Az elképzelés az volna, hogy két audio jelet kellene csatlakoztatni az erősítőnek a bemenetére! Pl. egy cd-lejátszó vagy laptop ami a zenét szolgáltatja, a másik pedig egy vezeték nélküli mikrofon lenne, ami szintén vonalszintű jel leadására képes (hangereje is szabályozható!), így lehetne mondjuk Karaokezni! Az erősítő (házimozi) RCA bemenettel rendelkezik, a mikrofonon 6,3-as mono Jack található, a hanganyagot biztosító gépezeten pedig általában RCA vagy stereo jack! Gondoltam arra, hogy egy 2 RCA kábelre készítek egy 6,3-as Jack aljzatot és egy 2 RCA aljzatot, azoknak GND illetve jel részeit azonosan összekötve, melyekhez így egyszerűen lehetne bármit csatlakoztatni, de nem vagyok benne biztos, hogy ez így jól működhet, s mind e-mellett biztos hogy nem is szakszerű megoldás születne így! Tudom, normális esetben ezt egy keverőpulttal volna a legcélszerűbb és ésszerűbb megoldani, de ha volna erre más alternatíva, akár passzív akár aktív kivitelben, akkor az érdekelne! Esetleg ha valaki készített/épített már ilyet, akkor szívesen fogadom a tapasztalatból eredő tanácsokat, megoldási lehetőségeket! Előre is köszönöm a segítségeteket!
Tetszik, nem tetszi, egy alapszintű keverőt kell építened.
Értem!
Egy ilyen alapszintű keverőnek miből kellene állnia?
Pl. három egyforma (10 kohm) ellenállásból. egyet egyet a két forrással sorba, másik végét közösíted, és a közös pontra, és a föld közé a harmadikat. Az erősítő bemenete a közös pont, és a test között van. Sztereójel esetén kettőt kell építened.
Hello! Azt elfelejtette írni Pucuka, hogy ez a megoldás csak akkor megfelelő, ha tartalék jelszinttel rendelkezel. Mert a kimeneti jelet kb. az 1/3-ad részére osztja le. Feltéve hogy a végfok bementi ellenállása sokkal nagyobb mint 10kohm.. De bárhogy is alakul az ellenállások értéke 50%-nál kisebb csillapítást (-6dB) nem lehet megoldani a passzív úton.
Mindenképpen építeni szeretnéd?
1,5 éve 10000-ért találtam egy Behringer MX602A-t ugyanerre a célra.
Azért egy normális erősítőnek kell hogy legyen 6 - 8 dB erősítés tartaléka. Egy verősítőt ritkán hajtanak otthoni körülmények között csontig kihajtva, úgyhogy elegendő egy kicsit feltekerni az erősítő hangerő szabályzóját. Ha meg iparos felhasználásra kell, (közönségnek) akkor tessék beruházni, tisztességes keverőre, és nem minimalista megoldásban gondolkodni.
Sziasztok!
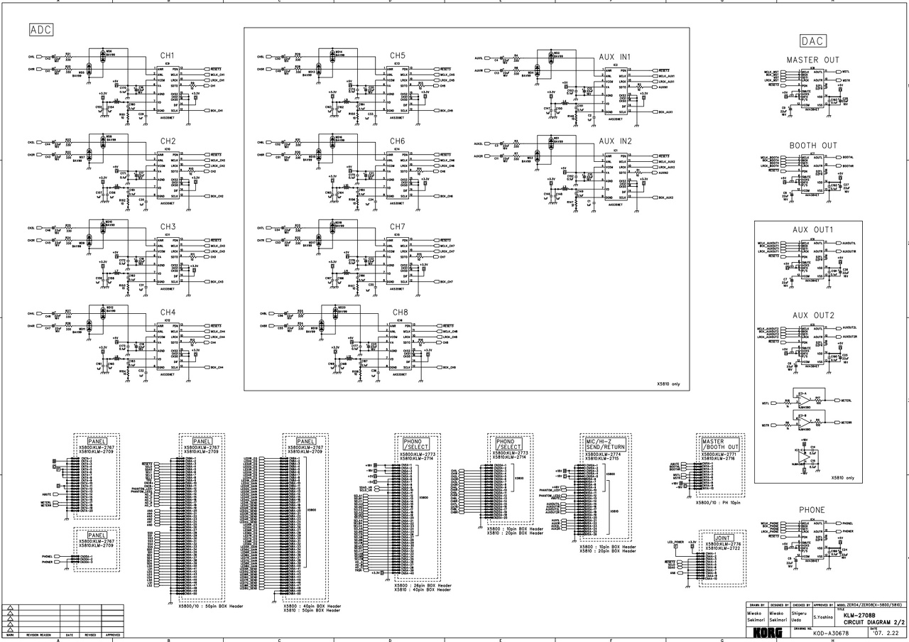
Felmerült egy kis problémám egy korg zero8 típusú keverőnél és nem igazán találom a hiba okát. A +48V és a +18V tápfeszültségek esetében valamiért rövidzár lép fel és nem találom a hibás alkatrészt. Elég bonyolult a cucc, csatolom a dokumentáció idetartozó részét ami ezt a panelt érinti. A készülék tápegysége elégé melegszik de ez sajnos sajátossága ennek a cuccnak. Bármilyen ötletet szívesen fogadok mert lehet hogy túlgondolom a dolgot és valami banális apróságot nem veszek figyelembe. A tápegység jól leadja a tápfeszültségeket terhelés alatt is, ezt már ellenőriztem. A hiba talán a master kimenet zárlatosodásából indult ki de lehet hogy csak egy kondi vacakol csak nem találom.
Szia! A készülékről fellehető fotók alapján a +48 V fantomtáp a két mikrofon bemenetnél jelenik meg, ott keresném a hibát. Az arról feltett rajz alapján tudnánk tanácsot adni.
Szia! Ma készítek fotókat a készülékről és belinkelem majd a teljes Serviz manualt is holnap. De ez már más nézőpontba helyezte a dolgot nálam is.
Remélhetőleg már a szemrevételezés is sokat elárul.
Rajzot csak 2MB terjedelemig tudsz feltölteni, javaslom az érintett oldalt virtuális nyomtatóval nyomtasd fájlba és azt tedd fel! |
Bejelentkezés
Hirdetés |













