Fórum témák
» Több friss téma |
Véletlenül se szeretnék unatkozni, ezért kitaláltam, hogy építenék egy moduláris analóg szintetizátort. A témát alapvetően azért nyitom, mert jó lenne, ha lenne még 1-2 hasonlóan elvetemült egyén, és így a nyák-gyártáson, és a speciális alkatrészeken tudnánk spórolni egy keveset.
Miről is van szó? A szintetizátorok megjelenésekor használtak hasonló rendszereket, de ma újra divatját éli. Van egy rack doboz a tápegységgel, és abba be lehet dugdosni különböző modulokat, amiket az előlapon összehuzalozva végtelen variációban tudunk hangkeltő eszközöket létrehozni. Hogy lássátok, mit lehet egy ilyen rendszerrel összehozni: Klaus Schulze És egy kicsit modernebb megközelítés - Colin Benders Alapelemek VCO - feszültségvezérelt oszcillátor A(DS)R Envelope - burkológörbe generátor Zajgenerátor LFO - alacsonyfrekgenviájú oszcillátor, vezérlőfeszültségek előállításához, modulációhoz. VCA - feszültségvezérelt erősítő VCF - feszültségvezérelt szűrő Sequencer - automatikus hangszekvenciák előállításához Kiegészítők Visszhang Reverb Sample&hold Midi to CV/Gate - MIDI jelből állítja elő a vezérlőfeszültséget és a kapujeleket Ringmodulátor Vagy bármi, amit elképzelhetünk. Némi gyári infó itt Építéshez pedig itt Elkezdtem megtervezni a NYÁK-okat Eagle-ben, hogy le tudjam gyártatni őket, ha van rá érdeklődés, kirakom ide is, illetve rendelhetünk közösen.
Egy kicsit lekéstél.
![]() 1982- re készült el az enyém ( az Elektor meg a Moog kombinácioja). Sokáig használtam, azután szétszedtem.... ![]() De jonak tünik amit itt linkeltél.
Hát, én nem sokkal '82 előtt váltam le az anyatejről.
Most épp a VCO-t tervezem, karácsonyra talán lesz is valami a cuccból.
Azzal akkoriban nagyot szivtam a linearitás (3 oktáv) meg a höstabilitás volt a gond. Nagyon hasonlitott a jelenlegi megoldáshoz, akkor egy méregdrága differenciál duplatranzisztorral. Minden más szinte az elsö bekapcsolásra müködött, csak a 3 VCO volt eléggé instabil.
Még szerencse, hogy csak 2,5 oktávnyi klaviaturám volt. A hozzászólás módosítva: Júl 14, 2017
Itt is duplatranzisztort használnak, SSM2210, 2212, de fillérekért vehetek egy marék 2N3904-et, és válogatok belőle, aztán összeműgyantázom a PTC-vel amit mondjuk csak Angliában találtam, és remélhetőleg jó lesz.
Én igy spekulátam, de még a méregdrága belsö fütésü ikertranzisztorral is gondjaim voltak. Egy olyan tranyo akkor többe került, ha jol emlékszem, mint az összes többi alkatrész.
![]() Sajnos már a nevére sem emlékszem, de az akkori Elektorbol talán elö lehetne kotorni.
Valamilyen szinten érintett vagyok kicsit. Egy gyári Moog Prodigy alapot tunningoltam. Volt kiegészítő billentyűzet 4 oktávra. Ez épített volt. A VCO ellenálláslétráját kihoztam oktávonként, aztán lehetett trimmelni. A bátyám rádió témában volt otthon (R.I.P.), ő segített kályhát készíteni a hőmérsékletfüggő alkatrészek termosztátos fűtéséhez. Nála a kvarcok miatt volt szükség rá.
Amit nem tudtam befejezni, az egy szalagos sampler volt, aminek a motor fordulatszámát szerettem volna modulálni a VCO feszültségével. Csodálatos régi szép idők! Szerintem embertelen munka. De le a kalappal, ha valaki belefog.
Én is eltöltöttem vagy 4 évet az épitéssel a 70-s évek végén az akkori lehetöségekkel. A VCO- k miatt rengeteg idöt vesztettem, a 4 évböl legalább 3 erre ment rá ( az alaktrészek beszerzése kisérlezgetés - feladás majd ujra kezdés.
![]() Csak valamivel hosszabb ideig élveztem a játékot és a gyönyörü szintetikus hangokat - igaz az orosz klaviatura nem volt nagyon jo, a kapott pianino átalakitásához meg mégsem fogtam neki.... ![]() Aztán sok éves csend után vettem egy Yamaha szintit, saját magam szorakoztatására....
Szia!
Ifjú koromban engem is megcsapott a téma szele, volt egy könyv is erről a témáról, de az itt lévő linkeken lévő rajzokhoz képest sokkal gyengébb megoldásokkal. A dupla tranzisztorokról; szerintem az összeragasztott tranzisztorok sokkal gyengébben futnak együtt az közös tokozásúakhoz képest. Ha olcsóbbítani akarsz, akkor inkább a fillérekért kapható közös tokozású smd tranzisztorok közül válogass. Az iparban elterjedt a VFC32 áramkör, ami elvében hasonló, viszonylag stabil VCO. Nem olcsó, de lehet megfelelő lenne ide is. Bennem felmerült már más téma kapcsán, hogy olcsóbb, pontosabb VCO-t lehetne már mikrovezérlővel készíteni; az ADC és a kvarc pontossága lenne a meghatározó.
Az ilyen digitális VCO lehet, hogy egyszerübb, de elveszted az analog feelinget meg annak a varázsát, meg esetleg digitális zajt viszel be a hangzásba.
Gyakorlatilag ezt teszik a késöbbi szintik.
Megpróbálkozom ezzel a megoldással elsőre, ha zenéhez nem is, de a dobgéphez, effektekhez még akkor is lehet használni, ha a V/oct nem pontos.
Digitálisan lehet pontosítani egyébként anélkül is, hogy a hangkeltés digitális lenne, majd kipróbálom.
Az analóg szinti fíling azért megmaradt, de most már digitális alapon. Egy öreg Kawai K1, hangkártya, PC, meg persze szoftver. Csak még kellene egy midi kontroller, amin egy lapátnyi poti meg kapcsoló van. Tehát megint építés.
Nekem nem orosz, hanem olasz (italy) billentyűzet volt a 4 oktávos. Egy Logan Strings förmedvény. Vonós hangja volt, polifónikus, csak akkora zaja volt, hogy nem volt jó semmire. Pedig még Jean Michael Jarre is használt ilyet. Huh! Most megint megdobbant a szívem.
Nekem is volt szerencsém a Loganhoz, igy tudom mit tud.
A régi szép idök.. Amikor én épitettem én is inkább tanulni akartam, igy jól jött a kis orosz zongora a maga 2,5 oktavos billentyüzetével ( a MiniMoognak sem volt sokkal több ). Amikorra elkészültem és müködött is, az apám szerzett egy elég vacak pianinot, hogy abbol vegyem ki a billentyüzetet, persze az meg nagy volt a VCO linearitásához képest, igy feladtam a tervet.
Ha esetleg valakit érdekel van egy furatlan, kész NYAKom az Elektor Format szintiben használt ADSR modulhoz.
Én meg megrajzoltam eagle-ben (6.5.0) az MFOS féle VCO-t és VCF-et, a kezdő posztból elindulva megtalálható a leírás is. Ha lesz érdeklődés, elképzelhető, hogy fordítok hozzá magyarra is, de nem ígérek semmit. Ha megrendelem kínaitól a nyákot, 10 darabnál ezerpárszáz forintra jön ki a gyártás ezekre a méretekre, kétoldalas furatgalvános, védőlakkos, pozícióábrás kivitelben.
Ahogy időm engedi berajzolgatom a többit is, ha összejön annyi amivel el lehet indulni, rendelni is fogok, ha valaki szeretne, beszállhat. Inspirációnak meg itt van még egy kis zene.
Köszöntöm a nem unatkozók társaságát!
Felújítottam egy 1986-ban épített szintimet, már majdnem kész. Itt tartok most. Üdv.
Sajnos nem nyithato a videod ( talan rakd fel a youtubra, hogy lássuk).
Közzétettem a youtubon itt a linkje
https://www.youtube.com/watch?v=PAJWNcn2zMQ Felújítás 2017 címmel kereshető
Azt elhiszem, ha nagyon akarnám akkor én is talán letudnám. Csak hát vannak a PC-n kivül más gépek is, amiken nincs VLC és nem támogatnak mindenféle formátumokat. Erre lettek kitalálva az egységes formátumok, video megosztok stb, hogy ne kelljen büvészkedni mindenféle exotikus adatformátummal.
Ezt illene fejben tartani, ha valamit közzé akarsz tenni.
Kösz itt már jol láthato. Egész jol néz ki. Gratula.
Üdv!
Nemrég belekezdtem én is egy modulos rendszer építésébe, de nem találok anyagot arról, hogy működik egy CV billentyűzet, márpedig azért nem ártana egy kicsike a modulok mögé, máskülönben nem sok értelme van. Esetleg nincs valakinél egy kapcsolási rajz, vagy leírás az elvi működésről?
Kedves Barátom! Szívesen segítek a CV billentyűzeted megvalósításában. Leirásban, Rajzban, elvi működésen, akár építésben is.
Első kérdés a megoldáshoz: Lineáris vagy exponenciális a VCO-d ? Második: Milyen bill mechanikád van? Megkereshetsz a vargapapa52 gmailes címen is ui: vérge valaki aki épít valamit, nem csak én.
Szia!
Exponenciális VCO-m van, ami ezen leíráson alapul: Oszcillátor (instructables) Még nincs átalakítható billentyűzetem, de felteszem, megteszi egy olcsó, pár ezres játék szinti, ami aukciós oldalakon kapható két-három ezresért, sajnos ezeknek nem tudom, milyen mechanikája van.
Nem tudom mennyire játékra gondoltál, de az ára alapján sejtem. Sajnos ezek igen gagyik és szervizelhetetlenek belül. Kettővel volt mostanában dolgom, én egy USB billentyűzetet gondoltam rákötni és így vezérelni a Caustic3-at. Az egyik egy komolyabbnak kinéző Casio volt, a másik tényleg kisgyerek játék és mindkettőnél a felső negyed billentyűi halottak. A panel bakelit, felhordott vezetősávok, mint a távirányítóknál. Ezekből szakad meg valamelyik átkötés, vagy furatgalván. Forrasztani nem lehet, mire leköveted hova megy kiesik a szemed és befut valami nehezen hozzáférhető helyre, vagy közvetlenül a pötty IC alá...
Ezt az USB billentyűzetes dolgot én is tervbe vettem, csak én FL Studiohoz és Cubase-hez használnám.
Igazából rá vagyok kényszerülve az olcsó megoldásokra, ha meg tudok valamit oldani sok munkával, gyengébb alkatrészekkel, akkor azt meg is oldom, máskülönben nyugdíjas koromra se lenne kész szintim Én sem örülök neki, de be kell érnem vele
Megnéztem a VCO elképzelésedet. Szerintem ezzel a kapcsolással hangkeltésre alkalmas eszközt építhetsz, de hangszert nem. Úgy gondolom, hogy a játékhangszer kategóriában olcsón találsz különb dolgot.
Értem.
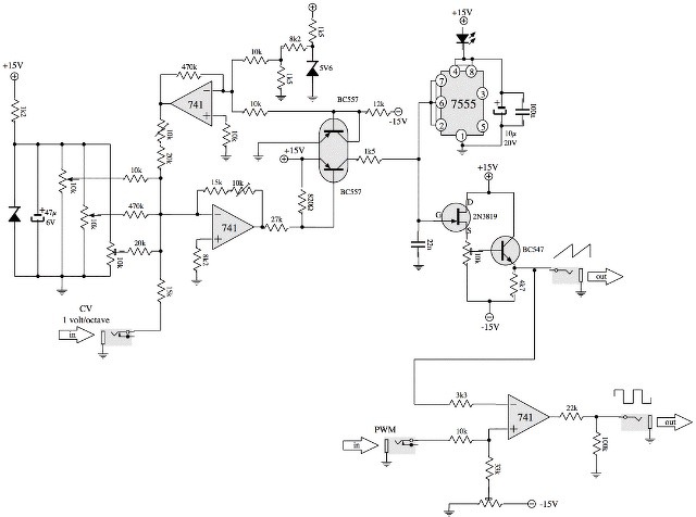
Nos, mivel feltehetőleg tapasztaltabb vagy, mint én, hallgatok rád, és építek egy komolyabb cuccot. Mondjuk ez (kép) megfelelhet?
Itt felettébb érdekes a 7555 IC funkcioja.
Ez majdnem olyan, mint a hires WOM (write only memory), illetve a nemrégen a HE-n tárgyalt áramkör, ahol a bajtárs a drága IC-ket a LED elötét ellenállásának használta.... ![]() Az áramkör többi részlete sem nagyon bizalomkeltö. Korábban beraktunk ide néhány forrást amik sokkal jobb kiindulási pontot adnak. A hozzászólás módosítva: Ápr 12, 2018
|
Bejelentkezés
Hirdetés |









Én sem örülök neki, de be kell érnem vele






