Fórum témák

» Több friss téma
Fórum » 555-ös inverter
 
Témaindító: Sly, idő: Ápr 9, 2008
Témakörök:
Lapozás: OK   1 / 2
(#) Sly hozzászólása Ápr 9, 2008 /
 
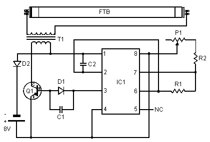
Sziasztok!Megépitettem itt a hobbielektronikán közzétet cikkben szereplő 12voltról működő neon invertert amit Topi irt.A kapcsolás működőképes igaz sokat keresgéltem ideális "kis sárga inverter trafó" után ahogy azt topi leirta de sehol sem találtam ijent a üzletekben nemis hallottak róla.Találtam egy szerintem nagyon jó megoldást miszerint vettem egy 1.5voltos ceruzaelemmel működő gázgyujtót amibe van egy kis elektronika és egy magasfeszültségű transzformátor na én ezt a transzformátort tettem bele az inverterbe és jó is lett a baj csak annyi hogy elég gyengén világit a neon amit rákötöttem(20watt).Ha 12-voltról táplálom és teljesen feltekerem a 10k-s potit akor szép erős a fénye de viszont ilyenkor az 555-ös melegszik de nagyon mivel ugye sok neki a feszültség... Mit tehetnék ilyenkor? Valaki tud megoldást?Várom a válaszokat!Köszi mellékelem a kapcsolást is!
(#) kobold válasza Sly hozzászólására (») Ápr 9, 2008 /
 
A 12 V nem probléma az 555 tápjának, 18-ig bírja. Szerintem inkább túl nagy áramot nyel Q1 bázisa felől, amikor alacsony a kimenete (ez max. 200 mA lehetne). A tranzisztortól függően be lehetne tenni egy ellenállást a D1 diódával sorba, úgy, hogy a C1 kondi ne csak D1-el, hanem a D1-R taggal legyen párhuzamosan kötve. Elsőre kipróbálnám pl. egy 220 Ohm-os ellenállással 12 V mellett, ha nem elég a fényerő, óvatosan lehet csökkenteni az értékét.
(#) Sly válasza kobold hozzászólására (») Ápr 9, 2008 /
 
Szia!Hát nemsikerült a megoldásod igyis melegedett az ic és sikerült is a menyországba küldeni... Majd holnap beszerzek egy másikat de még mindig nemtudom mit tegyek esetleg ha volna valami kapcsolás ami tranzisztoros és pont ekkora frekvenciát ad le amit ebben az esetben az 555-ös az szerintem megoldaná a problémát mert a tranzisztorokat lehet hűteni is meg jobban birják a terhelést mint az ic! Valami multivibrátor kellene 2tranzisztorbol..... Mert a transzformátor szerintem jolenne ahoz is....Ha tudsz segiteni irj! Köszi
(#) ferci válasza Sly hozzászólására (») Ápr 9, 2008 /
 
A 220 ohm-mal vidáman kellene menni neki ( 50 mA...), max. kicsi a meghajtás még.... tegyél be fetet.
Az IC valszín azért halt meg, mert a trafó vissza tud pofázni a tápra - semmi szűrés nincs...
Másik dolog: a trafóhoz hozzá kellene "hangolni" mind a frekit, mind az impulzus szélességét, mert pillanatnyilag csak úgy vakon megy az egész.
(#) kobold válasza Sly hozzászólására (») Ápr 9, 2008 /
 
Tranzisztoros astabil kapcsolást kismilliót találsz a neten, és az ellenállás-kondi párokkal oda teszed a frekvenciát, ahová csak szeretnéd. De ha az 555-öst akarod jobban védeni, akkor a kimenetére tehetsz Darlington-t is, vagy két tranzisztorból megoldod. Ennél a hozzászólásnál a jobb oldali rajzon egy pnp-s erősítőfokozat van, azt beépítve maradhatna az 555 is.
Esetleg egy szűrőkondi nem ártana a tápra, az 555 8-as lába mellé egy pár 100 nF-os kerámia sem, ártani nem fog...
(#) _ampervadasz_ hozzászólása Ápr 9, 2008 /
 
Nekem is van fénycső inverterem, de 555 nélkül. Nekem tökéletesen ment 36W-ossal is! Kapcsi rajzot csak akkor tudok küldeni, ha tudna valaki dobni egy INF111200 tipusú transzformátorhoz adatlapot, mert a tekercselését nem tudom. Az áramkör 8,4 V -ról 210-250mA -t vett fel. Valószínű, nem nehéz megtekercselni. Az áramkör nagyon kevés alkatrészt igényel. (2db tranyó,ellenállás 1db rétegkondi 1db zavarszűrő tekercs, meg persze maga a trafó)

INF111200.JPG
    
(#) Sly válasza kobold hozzászólására (») Ápr 9, 2008 /
 
Szóval akor egy nagyobb tranyó kell meg szűrés a tápnak hát majd holnap összehozom és meglátom mileszsz belőle de valószinű hogy működni fog mert énis a tanzisztorra gyanitottam.. Namajd kiderűl egyébként meg ampervadasznak üzenem hogy köszi a hozzászólását de nemakarok semilyen tekercseléssel foglalatoskodni meg ilyesmi ... direkt ezt a megoldást akarom megépiteni azért köszi a segitséget! Majd holnap irok hogy milett az egésszel...Még annyit hogy a darlinghtont simán bekötöm a tranyó helyére semi külön bekötés átkötés nemkell hozzá?Köszi! és pl egy bdw 8-as megfelelne erre a célra mert épp van egy pár itthon
(#) kobold válasza Sly hozzászólására (») Ápr 9, 2008 /
 
Csak a DOS-os katalógusomat néztem, de BDW8-as nem volt benne, BDW84-ként már volt megfelelő, pnp-s, szerintem beépíthető egyéb átalakítás nélkül.
(#) Sly válasza kobold hozzászólására (») Ápr 9, 2008 /
 
Bocsi kimaradt a 3-as vagy 4-es nemis tudom pontosan melyik npn-es azért kösz a segitséget!
(#) ferci válasza Sly hozzászólására (») Ápr 10, 2008 /
 
BDW84, A , B, C, D PNP darlington belső diódával
(.......83, A , B, C, D NPN darlington belső diódával )
(#) Sly válasza kobold hozzászólására (») Ápr 10, 2008 /
 
Szia!Hát azt hiszem h BDW 83-al nemigazán megy... nemcsinál semmit... De van mégegy gond itt van a bementen a pozitiv feszültséget ahol kapja ott van egy dioda azis melegedik... Valószinű hogy sok áramot vesz fel a kapcsolás?Ha igen ez mért lehet?Különben a tápszürés szerintem megvan oldva mivel egy régebbi tipusó pc tápegységröl üzemeltettem be a kapcsolást....Ez baj lehet?
(#) Sly válasza Sly hozzászólására (») Ápr 10, 2008 /
 
Hát.... Kicseréltem dbw84-re mert utobb rájöttem hogy ez a pnp-s és most aránylag jól mük9dik és nemis melegedik az ic csak az a dióda a pozitiv tápnál azzal mit lehetne tenni?
(#) ferci válasza Sly hozzászólására (») Ápr 10, 2008 /
 
Hát... 2-vel ezelőtt írtam, meg kobold is, hogy a 84-es a pnp..
A soros diódán átmegy x amper (mérd meg), azért melegszik... - cseréld nagyobbra. ... lehet fél amper körül. Hány wattos a cső, ahhoz saccolj.
(#) (Felhasználó 3343) hozzászólása Ápr 10, 2008 /
 
Sziasztok! Sly : én is megépítettem csak fet-et használtam és a pozitív feszt a tekercs kapta a negatívat meg a fet kapcsolgatta rá. A trafót én saját magam készítettem el primer asszem 20 menet volt a szekunder meg vagy 600 körül minden réteg jól elszigetelve egymástól. A vasnak egy monitor légréses magját használtam, de próbálkozásaim során pc-táp trafóval is tökéletesen működött, és az áramkör nem kényes a trafóra. Egyedül egy problémám volt hogy a FET iszonyatosan melegedett de egy 2k-s heli trimmert tettem egyik ellenállás helyére és azzal gyönyörűen lehet szabályozni a felvett áramot/fényerőt és így mindenki csak belövi a fénycső teljesítményére és kész. Habár ez nem a legjobb megoldás, gondoltam egy félhidas inverter megoldásra IR fetmeghajtóval... de most a maxim félhídas ic-jével akarok próbálkozni
(#) perlaci válasza Sly hozzászólására (») Ápr 10, 2008 /
 
Szia
Tetszik nekem ez a kapcsolás, megírnád hol találtad pontosan, mert arajzodon nincsenek meg az alkatrészértékek.
Köszi
(#) torpiken1 válasza perlaci hozzászólására (») Ápr 10, 2008 /
 
Szia!

A kapcsolás lelőhelye az szővegkörnyezetből ítélve itt van az oldalon.
kapcsolás
(#) Hsanyi79 hozzászólása Ápr 19, 2008 /
 
Sziasztok.Tudnátok segíteni??az alábbi kapcsolás megépítve csak 110 V-ot produkál.
Mi lehet a gond vele??

köszi előre is köszönöm a válaszokat.

555 Inverter Diagram
(#) Hsanyi79 válasza Hsanyi79 hozzászólására (») Ápr 19, 2008 /
 
bocs nem sikerült beilleszteni...

ezen a linken található:
http://www.ivanov.eu/?q=taxonomy/term/53

egy dc-ac konverter 555-el.

előre is köszi.
(#) _ampervadasz_ válasza Hsanyi79 hozzászólására (») Ápr 19, 2008 /
 
A rajz hibás, 2, és 7-es lábat felcserélni!
Ha ez megtörtént akkor próba, emelni kell az oszci frekiét.
Közben mérni a trafó, szekunder, áramkörében!
Ha nagyon fontos betartani az 50-60Hz-et akkor még javasolnám mérd meg frekimérővel!
Esetleg, mérd meg a kapocsfeszültséget is amit a trafódra kötöttél!
(#) mex válasza _ampervadasz_ hozzászólására (») Ápr 19, 2008 /
 
Szerintem meg nem!
Ha felcseréled akkor a büdös életbe nem indul el...
(#) titi válasza Hsanyi79 hozzászólására (») Ápr 19, 2008 /
 
Nagyobb fesz.-hez a trafót kell cserélni.
(#) m.joco hozzászólása Ápr 19, 2008 /
 
Ezt a kapcsolást én is megépítettem, és nekem is csak kb 100V van a szekunderen. Amúgy ha menet közben rámérek a primerre multiméterrel, akkor ott csak kb 5-6V-ot mérek. És kb 5-6V-ot mérek a kondezátoron is.
Szerintem ezért nincs meg a megfelelő szekunder fesz. Lehet ez ellen tenni valamit, vagy az egész kapcsolás nem ér semmit???
Én darlington teljesítménytranyókat használtam. 1uH-s induktivitásnak pedig 1menet rézdrót, kb 2cm hosszan, kb 0,5cm-es csévetest átmérővel.
Üdv.
(#) titi válasza m.joco hozzászólására (») Ápr 19, 2008 /
 
Nem néztem meg a linkelt oldalt, de gondolom 12/220V-os trafót írnak hozzá, fordítva bekötve.
Szóval nagyobb fesz.-hez pl 6/220V-os trafó kell.
(#) m.joco válasza titi hozzászólására (») Ápr 19, 2008 /
 
Ki is próbáltam anno egy 25W-os, 220-as izzóval. Az izzó izzott , de ha jól emlékszem jól leesett ilyenkor terheléskor a fesz. Próbáltam a frekit is növelni, akkor be lehetett állítani akár 300V-ot is, viszont ilyenkor nyugodtan lehetett taperolni a kivezetéseket, mert nem rázott, nem tudott teljesítményt leadni.
Szerintem a fő probléma az lehet, hogy a trafónak a 12V-os tekercsének nagyon kicsi az ellenállása, multival nem is tudtam megmérni, és ezért kerülhet rá kevés fesz. Vagy nem?
Esetleg át lehetne úgy alakítani a kapcsolást, hogy kihagyni a kondenzátort, 2x12V-os trafót használni, aminek a középső kivezetésre volna rákötve a 0, a két szélsőre pedig kapcsolgatnák a teljesítménytranyók(NPN + PNP) a tápot???
Üdv.
(#) proba válasza m.joco hozzászólására (») Ápr 19, 2008 /
 
Ami szerintem alapvető probléma (bár nem biztos) az 555 nem tud szimmetrikus jelet kiadni .Ezen esetleg még lehetne javítani ha a 10K -t kicserélnétek 1K ra.(Az aszimetria lehet a direkt trafó kapcsolgatásnak eggyik buktatója.A másik, ami még esetleg javítana rajta különböző induktivitású transzformátorok használata (hátha valamelyikkel rezgőkört alkot a kondi 50hz-n)
(#) m.joco válasza proba hozzászólására (») Ápr 19, 2008 /
 
De ha valahogy meg tudnám határozni a trafó tekercsének az induktivitását, akkor ahhoz már lehetne választani kondit, nem? Vagy esetleg trimmer kondival kiegészíteni, és pontosan beállítani. De hogy határozzam meg a trafó tekercsének induktivitását??? Vagy azzal ne foglalkozzak, hanem a kondival sorbakötött 1uH-s induktivitást változtassam meg olyanra, ami a kondival 50Hz-es rezgőkört alkot?
És szerintetek ha ezek ki lennének javitva, akkor milyen teljesítményű lenne?
Üdv.
(#) jdani hozzászólása Ápr 19, 2008 /
 
HElló. Áruljátok már el, hogy ide milyen tranyók mehetnének. mert ami eredetileg van oda tervezve, oylant nem tudok beszerezni.
(#) kaqkk válasza jdani hozzászólására (») Ápr 19, 2008 /
 
Mondjuk BD250
(#) jdani válasza kaqkk hozzászólására (») Ápr 19, 2008 /
 
Nah, oylan még itthon is van
és...
C1 1 0.0047ľF (4,7nF) Mono kondenzátor
ez egy egyszerű 4,7 nanos kondi, vagy valami speci?
(#) kaqkk válasza jdani hozzászólására (») Ápr 19, 2008 /
 
Monolit kondi lenne de kipróbálhatsz más fajtát is
(a tekercselt fólia kondit lehetőleg kerüld)
Következő: »»   1 / 2
Bejelentkezés

Belépés

Hirdetés
XDT.hu
Az oldalon sütiket használunk a helyes működéshez. Bővebb információt az adatvédelmi szabályzatban olvashatsz. Megértettem