Fórum témák
» Több friss téma |
Szia. Én úgy tudom hogy 1cm2/2t-ra vannak méretezve a munkahengerek. A tiéd kb 25-30t bírna megemelni. De csak akkor, ha egy irányú. De mivel fa hasogató két irányúról van szó vagyis kb osztani kell 3-mal. Nyomó 8-10t, húzó 4-6t.
Lincosékat kérdezd meg, ők bővebb felvilágosítást tudnak adni. Bővebben: Lincos
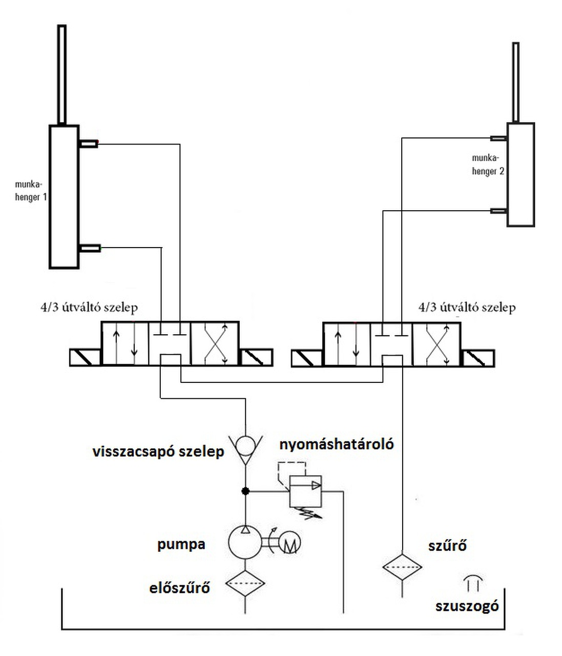
Segítségre van szükségem egy hidraulikus rendszer tervezéséhez. (lásd a képet) 2 db. kettős működésű hidraulikus munkahenger lesz felszerelve. A második hidraulikus henger csak az első munkahenger végállása után kerül működésbe! Ezért terveztem be a nyomásszabályozót. Az egész rendszert majd a második munkahenger végállása után egy mikrokapcsolóval állítom le. A visszacsapó szelep biztosítja, hogy a munkahengerek végállásban maradjanak.
A munkahengerek visszahúzása pontosan fordított sorrendben történjen. Tehát először, a második henger visszahúzása, majd az első. A rendszert ismét majd egy mikrokapcsolóval állítom le. Költséghatékony megoldást keresek. Köszönöm.
Jó kis feladat, de mi benne a hobbielektronikai téma?
2 db útváltóval nem lenne egyszerübb a vezérlés?
Ha esetleg zuhanásgátló is kell ? A hozzászólás módosítva: Nov 13, 2017
Keres meg egy hozzáértőt a problémáddal, oldja meg ő a gondot. Már egyetlen hibával nagy kárt fogsz csinálni.
Legolcsóbb és egyszerűbb megoldás két 4/3as elektromágneses szelep. Ezek külön külön vezérlik a két hengert. Ha egyik sem üzemel, akkor körbeforgatja az olajt a szivattyú. (egyszerre csak egy funkció). Nyomáshatároló, szűrő hol van? Neked nem nyomásszabályzó kellene, hanem nyomáskapcsoló. Amennyiben a hengereket rögzíteni kell, akkor olyan hengereket kell beszerezni, amik szeleppel ellátottak. Ha nincs a másik vezetéken nyomás nem engedi ki az olajat az egyikből. Ha hidraulikusan akarod megoldani, az biztos drágábban fog kijönni. Olcsóbb lehet a teljes elektronika, mint egyetlen elem a hidraulikához.
Szia.
Csináltam most egy rajzot, 2 db. 4/3-as útváltóval. Remélem jól raktam össze. A nyomáskapcsoló is jó ötlet. A jellenlegi tervem a következö: A 4/3as útváltó szelepek alapjáraton üresben vannak (tehát közép). Az elöre haladó folyamat (bal oldali ábra) úgy kezdödik hogy a bal oldali 4/3-as útváltó szelep átkapcsol balra (szval. elöre/nyomás). Amint elérte az elsö munkahenger a végállását a nyomáskapcsoló átkapcsolja a jobb oldali útvaltó szelepet balra és a második munkahenger is elöre halad. Majd végállásnál üresbe rakja az útváltó szelepeket és lekapcsolja a pumpát. A hátrafelé folyamat meg úgy kezdödik hogy a jobb oldali ábrán a jobb oldalt lévö útváltó szelep jobbra kapcsol majd a pumpa is bekapcsol. A visszacsapószelep vezérlönyomást kap és munkahenger 2 visszahúzódik. Majd a végállása után egy mikrokapcsoló segítségével átkapcsolom a bal oldali útváltó szelepet és a munkahenger 1 is visszahúzódik. Majd a végállás után egy mikrokapcsolóval a szelepep üresbe kapcsolódnak és a pumpa leál. Szüröre szükség van?
Szűrő és egy nyomásszabályzó szelep is kell a rendszerbe. A nyomáskapcsoló honnan fogja tudni,hogy az első munkahenger a végállásánál van,s nem csak elakadt valami miatt félúton?
A szűrőt közvetlen a pumpa után kell beépíteni még az útváltók elött? Honnan jön a kosz? Egy ilyen pumpára gondoltam: https://www.ebay.de/itm/55343-Hydraulikaggregat-8L-Hydraulikpumpe-P...RY~gAc
Én inkább a pumpa elé építeném a szűrőt...
Szia!
Törekszel, ez már jó. Szűrő kell, minden rendszerben. Mitől a szemét: a legszennyezőbb minden rendszerben a henger, minden behúzáskor viszi be a szemetet. (Hidromotor nem sok szemetet szed be) Nyomáshatároló: adott nyomás után kinyit, nem engedi a nyomást egy érték fölé a rendszerben. Nyomáskapcsoló: adott nyomás fölött kapcsol, akár elektromosan mint a kocsikban az olajgomba, itt olyanra gondoltam, ami adott nyomás fölött engedi tovább az olajt, addig nem. (ez kisebb érték, kell, hogy legyen mint a nyomáshatároló értéke) (ezzel lehet egymás utáni lépéseket beállítani) Nyomásszabályzó: a kimeneti értéket nem engedi adott nyomás fölé. De még kisebb a nyomás az jelentkezik a kimeneten. (belső kialakítás sokat befolyásol!) (egymás utáni lépésekre nem alkalmas!) Még pneumatikában nyomásszabályzót raknak a rendszerek elé SOROSAN, és ez az adott gépre állítja be a nyomást, a teljes rendszerben pedig nagyobb nyomás uralkodik. Addig a hidraulikában nyomáshatárolót használnak PÁRHUZAMOSAN, a nyitási értéknél nagyobb nem lehet sehol. (általánosan elterjedt, egyedi megoldások létezhetnek) Pneumatika, általánosságban állandó nyomással lehet számolni, hidraulikában kaotikus a nyomás. Mellékelek egy egyszerű megoldást. Ha nem akarod így első körben szerezhetsz kézi működésű szelepeket (útválasztókat). Ez az elterjedt megoldás teherautók rakodógémjénél. A szelepblokk egy helyen kapja az olajnyomást, kapcsolhatók a hengerek, ha semmi sincs kapcsolva, akkor az olaj a szűrőn keresztül megy a tartályban. Ekkor a nyomás közel nulla, nincs energia, nem melegszik az olaj. Itt mindig egyszerre csak egy szelep kapcsolható, ha többet kapcsolnak akkor fura dolgok történnek. A végállás érzékelést próbáld meg megoldani elektromosan, arról vezéreld a szelepeket. Olcsóbb. Ha kell a vezérelt visszacsapókat, beépítheted a hengerek tövébe. (leesésgátló) Ami pumpát linkeltél mellékeltem róla az ott talált adatlapot, kicsit megszerkesztve. Ez egy egyszeres működésű emelőhöz való. 1600W 12V 140A!!! Ezt táplálni is kell. Ez nem csak pumpa, a tartály mellett itt van szuszogója a tartálynak (apró szellőző lyuk), előszűrő a pumpára (~2mm-es szemétre), visszacsapószelep, nyomáshatároló, ez eddig jó. Csak egy kimenet van P, G nincs kivezetve, jelöltem, szerintem hol lehet. Viszont a visszafolyó ág állítható mértékben fojtott (emelő leengedési sebessége), és szelep kapcsolja. Fojtást ki kell nyitni, szelepet állandóan bekapcsolva tartani. De ekkor a pumpa önmagában forog, nincs szétválasztva a kimenő (nyomás) oldal és a visszatérő oldal. Ezt nem tudom hogy lehetne kivitelezni. Esetleg, csak kimenetként használni, a visszatérést pedig külön kiépíteni egy visszatérő ági szűrővel (ami láttam eddig az tartályra szerelődik, ezt kicsit érdekes lesz a kis műanyag tartályra rászerelni, ilyen) Szóval van itt egy rakás nyitott kérdés. A pontos feladatot nem ismerjük. Elvileg amit mellékeltem az hidraulikus oldalról megfelelő, meg kell támogatni elektromos vezérléssel. (ha lefele áll a henger, ha húzza valami, ha akármi, az kihathat a dolgokra)
Szia!
Először is nagyon köszönöm a segítségedet. A megoldásod tetszik. A szelepblokknál egyenként 2 db. mágnes van felszerelve? Tudnál egyet belinkelni? A végállás érzékelést elektronikusan oldom meg egy mikrokapcsolóval, ha netán az tönkre menne, akkor a nyomáshatároló lép képbe és a pumpának az áram ellátása is idő korlátra van kötve. Pld. egy munkamenetre szükség van 45 másodpercre, akkor beállítanám, hogy 60 másodperc után kapcsolja le az áramellátást, így a pumpát is védem. A megoldásoddal szerintem a visszacsapó szelepet is meglehetne spórolni, mivel a szelepblokkoknál zsákutcába megy a nyomás! A pumpát milyen aksival kéne táplálni, ha pld. az előre munkamenet 45 másodpercig és hátrafelé 35 másodpercig tart? Az aksi egy töltőn lógna. Nem lenne egyszerűbb egy kettős működésű pumpát használni mint pld. ezt: https://www.ebay.de/itm/4L-Hydraulikaggregat-Hydraulik-Pumpe-12-V-V....m1851 A munkahenger 1 függőlegesen ál a második meg vízszintesen.
Sziasztok!
Szeretném lezárni a tervezést de van még pár lezáratlan kérdés, lásd a elözö hozzászólásomat! Tud esetleg ebben még valaki segíteni? Köszönöm!
Bocs a késői válaszért, de sajnos nincs sok szabadidőm.
3 állású szelephez muszáj két működtető egység, ha kézi karral vezérled azt is tudod előre és hátra is mozgatni. Rugókkal középre kell, hogy legyen beállítva. Ez például ilyen, megfelelő belső kialakítása van. A visszacsapó szelepek a henger tövében arra vannak, ha el talál durranni a gumicső, akkor se tudjon leengedni a henger (mivel ez nagyon közel van a munkahengerhez (vagy benne) és szinte mindig fém csővel bekötve). Olyan pumpát egyszerűbb használni, ahol külön ki van vezetve a visszatérő ág, akkor csak a dugót kell kivenni. (azok is fel, le távirányítósak, de akkor ott csak a fel-lel kapcsolod a pumpát, a többit nem használod) Ha csak hobbiból és ritkán használod, akkor lehet, hogy elhagyható a szűrő, de azért időnként olajcsere esedékes. Egy ciklus 80s, 140A mellett ez 3,2Ah kapacitás. Kell olyan akku ami bírja "tartósan" a 140A-es áramot. Az előbbi gondolatom itt is megjelenik, ha csak ritkán és hobbiból akkor meg lehet próbálni egy legalább 36Ah 12Vos ólmos autó (indító) akkut. A motor működése előtt én lekapcsolnám az akkutöltőt, relével megszakítanám, hogy ne tudja azt leégetni. Két ciklus között a töltőnek vissza kell tölteni legalább ennyi energiát. Egy egyszerűbb töltő 2A körül tölt, akkor annak kell 96perc, hogy pótolja a kivett energiát. 45 másodperc előremenet alatt legfeljebb 6 liter olajat tol az előzőleg linkelt pumpa, hogy ez elegendő-e azt ellenőrizd.
szuper
Felsorolom amiböl összeraknám a rendszert!1. Ez a 4/3as szelep ugyanaz amit te belinkeltél? https://www.ebay.de/itm/Hydraulikventil-E-Steuerventil-12-V-1-Sekti...NYdetT 2. vezérelt visszacsapó szelep? https://www.ebay.de/itm/Sperrblock-Ruckschlagventil-Oberlenker-Ruck...pZ74Oc 3. szürö https://www.ebay.de/itm/MP-Filtri-MPF-8-F8-20-Hydraulik-Filter-Filt....m2042 4. pumpa https://www.ebay.de/itm/55343-Hydraulikaggregat-8L-Hydraulikpumpe-P...RY~gAc Ahol feltöltöm olajjal oda kötném be a visszavezetöi ágot, a rést pedig vagy szivacsal kitömném vagy csináltatok egy adaptert. A tartályon a nagy piros valami lenne a szuszogó? Köszönöm.
Meglátod melyik a szuszogó, olyan sapka, ami belül osztott, mint az autónak a hőtővíz tartályon a túlnyomásszelep.
Ez a szűrő beleépíthető a tartályba, kivágod a neki szükséges nyílást és rászereled, ezzel megoldottad a visszatérő ágat. A szelep felépítése úgy látom azonos, ez megfelelő.
Sziasztok. Vásároltam egy hidraulika szivattyút amiről nem tudok semmilyen adatot sem. Hogyan tudnám kideríteni pontosan mit tud? Másik kérdésem: Lehet hidraulika szivattyút kis teljesítményű de nagy fordulatú motoron keresztül hajtani? Így ugyan a fordulatszám csökken de az erő nő ami kedvez a szivattyúnak nem? Válaszokat előre is köszönöm.
Sziasztok.
Hátha szerencsém lesz és tud valaki segiteni. Egy épülő fémszalagfűrész hidraulikus engedésével van gondom. Saját magam épitettem ezt is ki de működik rendesen. Röviden tömören,egy autó kuplung munkahengerrel kézzel mozgatva a dugattyút rátermelek egy 40mm es dugattyúval rendelkező pneumatikus hengerre (hidraulikus lett belőle),fékolajjal és ez végzi az emelést ami 90-100kg között alakul. A gond az engedéssel van,a nagy hengerből szépen lassan engedve az olajat egy folytószelepen az az tűszelepen keresztül,szépen finoman csepegősen lehet szabályozni de egy adagot le enged aztán megáll.Ez az amit nem tudok hogy mitől lehet.Szelepet kivéve egy csőre furva 0,3mm es furaton keresztül is ezt csinálja. Köszönöm ha valaki tudna segiteni ötlettel. https://youtu.be/3uQ1t9EQ3Bw https://youtu.be/aoALswckzL4
Szia!
Írd meg a munkahenger pontos típusát.
Szia.
Tipus NC-40-100-PPV-AAnnyit még talán el kell mondanom hogy máaok ajánlására a pneus nagy hengert szétszedtem,kivettem belőle azt a gyűrűt ami a véglökést csillapitja.Ez után a gyári dugattyút leszedtem majd esztergálltam bele Danamidból amire csak egyetlen 3mm-es O gyűrűt raktam,de ez sem oldotta meg a problémám A hozzászólás módosítva: Aug 13, 2018
Jó helyen keresgélsz, a kutyából nem lesz szalonna. Próbálj meg pontosan írni, úgy könnyebb megérteni és segíteni is.
DNC-40-100-PPV-A Ez állítható pneumatikus fojtású, nem gumiütköző adja a végfojtást. Az első és az utolsó 20mm mozgása csillapított. Legnagyobb megengedett nyomás a hengerben 12bar! 6barnál 75kg-ot tud emelni. Használhattad volna simán levegővel, de az lassú mozgásra hidraulikus lengéscsillapítót kér. A dugattyúval nem volt gond, már mindegy. A végén lévő gumik(piros) sem okoznak gondot, a nyomószáron lévő zöld kiszélesedések adják/aktiválják/ a fojtást, azt kellene megszüntetni. Ugye a henger felső fele nyitott, nem zártál bele levegőt(vákuumot)? Mit csináltál az állítható fojtásokkal? Ha a nyomószár nem görbe és jól van összerakva akkor szépen kell neki mozogni, a lassú mozgások átka, hogy a súrlódás dinamikusból átmegy statikusba és akkor kicsit megszorul, nehéz egyenletes mozgást elérni.
Szia.
Hát elősször is köszönöm hogy próbálsz segiteni. Szép sorban válaazolok ahogy csak tudok,de ha nem gond jó lenne telefonon beszélnünk,könnyebb lenne,ha oké akkor itt privát üzenetben kérlek ird meg a számod és csörgetlek. Szóval,igen láttam hogy a dugattyú alatt és felett a száron az a kiszélesedő műanyagok adják a csillapitást amit lehet állitani. Ugye mikor eléri az alsó 20mm-t akkor ez a kiszélesedő rész belefut egy tömitő gyűrűbe ami elzárja jelen esetben az olaj útját és csak az állitható kis szelepen tud tovább folyni.Én ezt úgy iktattam ki hogy egyszerűen ezt a gyűrűt kivettem és máris megszünt lefelé irányban a csillapitás.(csak az alsót vettem ki) mert ugye jelen esetben csak az játszik/dolgozik. Igen a henger felső fele nyitott! A nyomószár nem görbe,vadiúj henger. Az állitható fojtással csak annyit csinálltam hogy beletettem egy saját fémházba. Még annyit hozzá tennék hogy nem csak az alsó 20mm en csinálja a gondot,akár teljesen kint vagy teljesen lent van a dugattyú vagy éppen középen akkor is meg van a hibajelenség. Ime egy kis videó ujra hátha sikerül valami hibát meglátnod,mert komolyan mondom én már feladom,nem tudok mire gondolni ![]() Itt a videó,nézd meg légyszives. Mégegyszer nagyonszépen köszönöm a segitséget A hozzászólás módosítva: Aug 14, 2018
Sziasztok!
Hidraulika rendszerrel van problémám. Fűrészgépen rönkbefogó szerkezet, 6 munkahengerrel (4 egyik oldalon, 2 másik oldalon). Szivattyút cseréltem, ami működik a nyomó oldalt megnyitom nyomja az olajat, de melegszik A vezérlést átfújtam levegővel, szerintem az is jó. A probléma a munkahengerek nem működnek, meg sem mozdulnak. Mit kell még megnéznem?
Hello egy kérésem lenne van egy félig kész brichetalo présem és egy utválto szelepet szeretnék felszerelni de nem tudom hol megy be az olaj hol jön ki es hova kell kösem a munkahenger 2 végét it egy kép hatha valaki tud segiteni beazonositani mi is ez és hogyan kell használni
A hozzászólás módosítva: Jan 28, 2019
Sziasztok. Újra itt.
Elég fura dologgal találkoztam pedig egy tök egyszerű szerkezetnél tapasztaltam a hibát... A hiba a következő: Van egy kézi 50T -ás hidraulika pumpám. Ezt nemrég javíttattam meg, mivel a belső végnyomás szabályozó tönkrement, emiatt a legkisebb nyomást is visszaengedte a tartályba. Az most le lett vak dugózva így ott tuti nem szivárog, viszont van egy olyan bajom hogy ha nincs rá dugva cső (tehát csak a zárt hidraulikus gyorscsati zárja le a pumpa kimenetét) akkor felhúzom a kart és le se bírom nyomni szinte a nyomástól amíg meg nem nyitom a visszaáramlásnak a csapját, akkor szépen lemegy. Viszont itt a bibi: ha csövet, ha munkahengert teszek rá közvetlenül nem pumpál olajat hanem az olaj egyszerűen áll (nem alakul ki nyomás). Mi lehet a hiba? Fontos volna mivel ezzel teszteltem a beépített munkahengereket és már 3 vár tesztelésre de nem tudom letesztelni mivel nem megy a kézi pumpa.
Nem lehet, hogy a nyomáskorlátozó kétirányú szelep? Azon keresztül szív és a túlnyomás is azon át megy vissza.
Sima egyirányú golyósszelep volt csak, aminek végnyomásást egy rugó feszítésével lehetett állítani.
Sziasztok! Szeretnék egy kis hidraulikus műhelyprést készíteni autók kerékcsapágy szereléshez illetve egyébb hasonló munkákhoz. A neten láttam, hogy sima olajos palackemelővel készítenek sokan de talátam a neten nagyon olcsón egy hidraulikus munkahengert ami 16mm-es tengelyátmérőjű és 160bar-t tud ha jól számolom 32T-nak megfelelő tudású.
A tengely 16mm és a végén M8 menet van 100mm-es munkahossza ami nekem elég lenne de a tengelyt picit kicsinlem ehhez a nyomáshoz. Szerintetek ez megfelelő lenne ehhez a munkához? Bővebben: Link |
Bejelentkezés
Hirdetés |









Felsorolom amiböl összeraknám a rendszert!
NC-40-100-PPV-A





