Fórum témák
» Több friss téma |
Idézet: „Kondi jónak tűnik, diódát kimérni nem tudom.” A kondenzátor jónak tűnik vagy jó? Megmérted? A dióda mérését itt már többször leírták, mi hiányzik a méréshez?
Az a magnetron már megérett a cserére. A kondi állapotát nem ránézésre ítéljük meg, mert úgy nem lehet, hanem kapacitást és ESR-t mérünk. A diódával pedig sorba kötsz egy 9V-os elemet meg a műszert, a műszernek néhány V feszültséget kell mutatni, kb. annyival kevesebbet mint a dióda nyitófeszültsége. Rendesen mérve pedig kb. 6,8V-nál nyit ki.
Üdv.
Nem otthon voltam, csak egy multiméter állt rendelkezésre. Kondenzátor nem szakadt, nem zárlatos. Ellenállásmérésen tudtam csak megnézni (mászik felfele az ellenállás érték). Ezért írtam, hogy jónak tűnik. Elhoztam az egészet, majd ha lesz időm megnézem a diódát tápról, kondi kapacitását is megmérem. Ha ezek jók, akkor ne próbáljak rá egy másik trafóval ugye? A hozzászólás módosítva: Okt 23, 2017
Sziasztok.
Van egy mikró amiben zárlatos a nagyfesz trafója és búg. Van itthon egy másik trafó ami működik. Bele tettem a mikróba de csak a primer részét mertem bekötni, hogy lepróbáljam és a búgás megszűnt. A nagyfesz részét a kondit és a magnetront nem mertem bekötni. Szekunder feszültségbe lehet különbség trafó és trafó között? Arra gondoltam, hogy egy kisebb mikróba amibe kisebb a magnetron és kisebb űrtartalom annak kisebb a szekunder részén is a feszültség, vagy ez így nem igaz? A mellékelt képen a bal oldali volt benne és a jobb oldalit tenném bele.
Nem biztos, hogy szekunder feszültségben van eltérés. A trafók mágneses söntöt tartalmaznak, így a magnetron anódáramát korlátozzák. Azaz kisebb trafó - kisebb fűtőteljesítmény. Működni fog, de hogy egy nagyobb magnetron hogyan reagál erre, arra én nem tudom a választ.
Köszönöm mind a kettőtöknek a válaszát.
Akkor megpróbálom vele. Max jó messzire futok miután bekapcsolom
Összeraktam és működik hibátlanul.
Nem búg és még melegít is, ami nem egy utolsó szempont a mikrónál. Rámértem közben a trafóra és a primer és szekunder kivezetések közt nagy ellenállást mértem(1,5162-2Mega ohm-ig. A másik trafónál ezek között a kivezetések között nulla értéket mérek. Köszönöm még egyszer.
Üdv. Mindenkinek.
Van egy Sharp tip mikróhullámú sütőm, ami forog, búg, de nem melegít. Nem találom benne a nagyfesz biztosítékot, lehet, hogy nincs is? Megköszönném a segítséget
Biztos hogy van, rögtön ott kell lennie a trafó egyik szekunder kivezetésén.
A mikró javítást úgy érdemes kezdeni, hogy meggyőződsz róla hogy ki vannak-e sütve a primer zavarszűrő kondik, illetve a nagyfesz kondi a szekunderen. Utána ráteszed az ohm mérőt a villásdugóra, és szakadást, vagy közel szakadást kell mérned. Bekapcsolod a mikrót, ekkor 3-4 ohm körüli ellenállást kell mérned a villásdugón, ami azt jelenti hogy a primer kör jó, a feszültség eljut(na) a trafó primerjéig. Utána jön a nagyfesz biztosíték. Néha ok nélkül is kiolvad, de általában oka van. Ki kell mérni a diódát egy 9V-os elem segítségével, majd a nagyfesz kondit. A magnetron bevezetésén rövidzárat kell mérned, a két bevezetés és a fém burkolata között viszont szakadást. Ha valamelyik bevezető szál és a fémház között zárlat van, akkor reparálni kell a magnetron bevezetését. Ebben van egy egy kondi a föld felé, amik zárlatosak lehetnek.
Szia Gee Lee!
Nagyfesz diódát találtam, azonban nagyfesz biztit, ami ami műanyagban tokban szokott lenni, azt nem. Felrakok egy pár fotót véleményezés végett.
Igazad van, nálam is van most egy olyan amiben nincsen nagyfesz bizti. Az olcsóbbakból nemes egyszerűséggel kispórolják.
Mindenképpen ajánlott bele tenni, ha nem vág földhöz az az 1000Ft akkor meg kell venni. A másik megoldás hogy fogsz a hagyományos 5x20-as biztiből 3db-ot, sorba kötöd őket és melegítesz rá duplán zsugorcsövet. Kipróbáltam, ha mondjuk zárlat van és elfröccsen a biztiben a szál akkor a 3db simán megszakítja az áramot, bőven jó 5kV-ra is. A legrosszabb eset az az hogy ha csak nagyon lassan olvad ki mert nem sokkal nagyobb az áram, ekkor 1kV-ig jó csak 1db bizti, tehát 3kV-ig lesz jó a 3db, mert egyben marad a szál csak egy rövid szakadás lesz benne. Az ilyen lassan kioldott bizti 1kV-ot még szigetelt, de 2,5kV-on már átvezetett. Szerintem itt ha gond van mert mondjuk zárlatos lesz a kondi akkor gyorsan kiolvad.
Szia!
Nem mi történt vele, szétszedtem, összeraktam és azóta hibátlanul működik. Nagyon szépen köszönöm a segítségedet, máskor is számítok rád.
Sziasztok !
Segítséget szeretnék kérni azügyben, hogy a mikrohullámú sütő magnetronjának 2 kivezetése között (lehúzva a kábel róla ) zárlatot kell mérni egy jó magnetron esetén? a multiméter 0,6 ohm ellenállást mutat, de összezárva a mérőzsinórt, akkor is 0,6 ohm... Az elromlott mikrót javítanám meg, minden átmérve jó volt , de ezt nem tudom ill. nem találom, hogy normális-e a mért ellenállás érték vagy zárlatos... Kaptam egy másik magnetront, de azon is ezt az értéket mértem ( persze ehet, hogy az is rossz ).. üdv Zoli
EZ így OK ! De inkább e kivezetések és a test között méricskélj inkább, szakadást vagy 0,5-1,0 nF kapacitást kéne mérned, akkor nincs hiba...
Attól hogy jónak van mérve a magnetron még nem biztos hogy jó is. Mit jelent a szakaszosan zúg? Annak folyamatosan kéne zúgni miután elindult. Ha a fokozatkapcsoló fel van tekerve teljesen és mégis szakaszosan megy akkor vagy mégsem jó a magnetron, vagy nem kap elég áramot. Ilyennel is találkoztam már egyszer, az egyik préselt saru a trafó és a magnetron között hibás volt.
Sziasztok!
Korábban már írtam itt egy Belling M 395TCCS mikróval kapcsolatban. Trafó csere óta tökéletesen teszi a dolgát viszont van egy idegesítő dolog amit valahogy meg kéne oldani. Az idők folyamán leereszkedett az ajtó és magától nem akarja kiengedni a zárszerkezet ha megnyomom a gombot, kilincs híján macerás kinyitni. Ezt valahogy meg lehet oldani? Lehetőleg a biztonsági faktor megőrzése mellett? Gondoltam arra, hogy rakok rá új zsanért viszont nem tudom milyen való bele, mivel nem egy hátköznapi márkáról van szó. van ötlete valakinek? Válaszokat előre is köszönöm!
Ha valóban hozzá akarsz szólni, azt tedd a helyesírás szabályainak betartásával!
Sziasztok.A kérdésem az lenne,hogy a magnetron antennája neki érhet a fémházhoz,vagy kell egy kis rés közte. Hoztak egy mikrót javításra,a magnetron rossz. Amik vannak nálam, az összesnek kb fél centivel hosszabb az antennája,mint amit kiszedtem. Ha jól mértem pont neki ér a magnetron háznak.
Szia. Köszi, akkor keresgélek tovább.
Sziasztok!
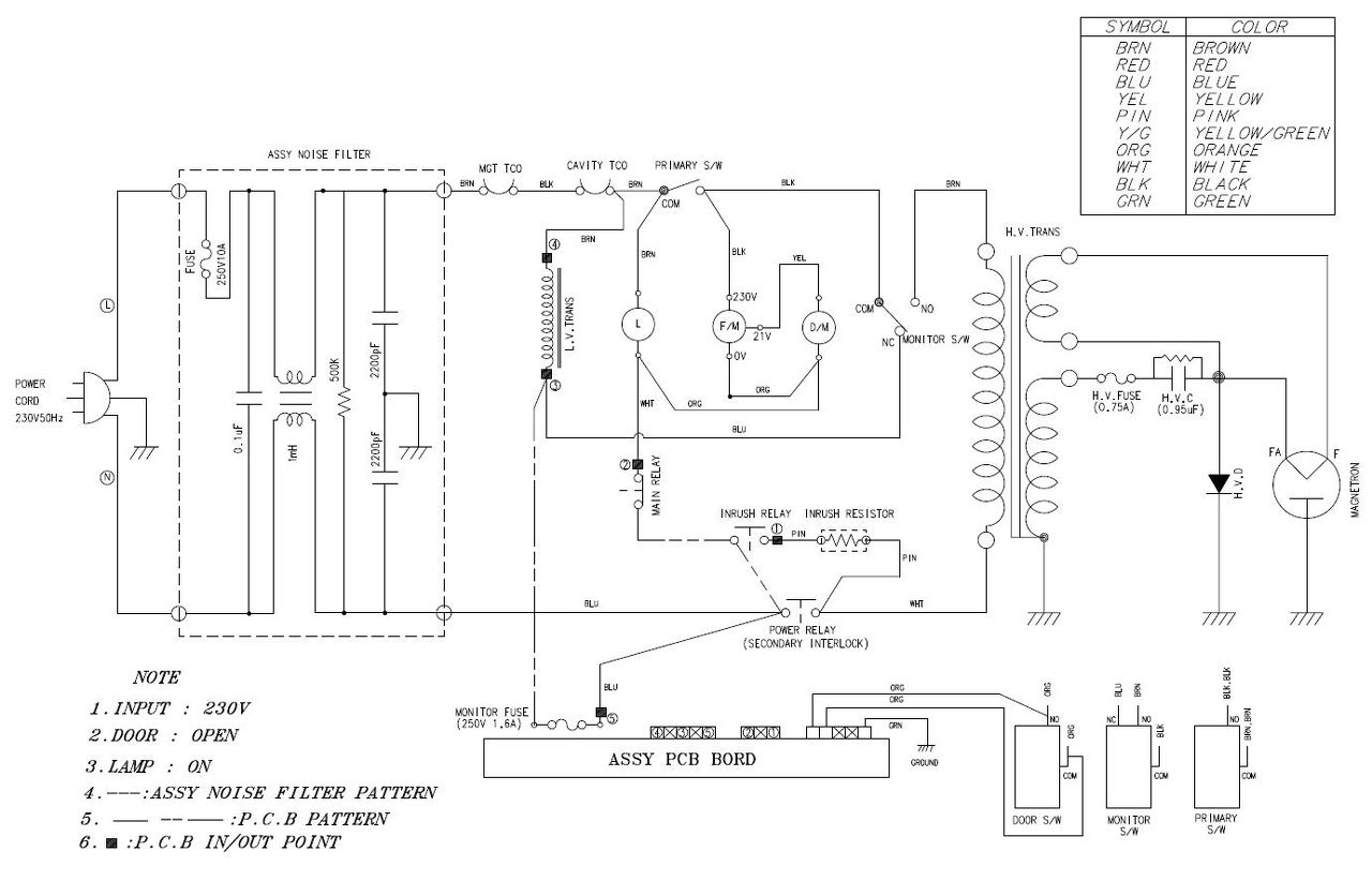
A hétvégén megadta magát a mikróm. Elpusztult a biztosíték benne (1,6A Monitor Fuse). Biztit kicseréltem, bedugtam a konnektorba. Életre kelt, beállítottam az óráját, gondoltam minden rendben. De ahogy kinyitottam az ajtaját, hatalmas villanás és durranás. Ekkor már mindkét bizti kiment benne (még a konnektorhoz tartozó kisautomata is leoldott). A „Monitor Fuse” szó szerint felrobbant. Kérdezném a nálam rutinosabb (mikrót már javított) kollégákat, mi lehet a baj? Kapcsolási rajzot találtam hozzá, ezt mellékelem is.
Helló! Valamelyik ajtó kapcsoló beragadt!
Köszi a hozzászólást, akkor a kapcsolók kimérésével kezdem, ha hazaértem.
Tegnap nem volt időm foglalkozni a hibakereséssel, de arra a megállapításra jutottam, hogy nem lehet nagy baja.
Sajnos nem hozott eredményt. Mindhárom kapcsoló megfelelően működik, de a hiba továbbra is fennáll.
Egy 40W-os izzót kötöttem a mikróval sorba, úgy keresem a hibát (ne verje mindig ki a biztiket). Ahogy áram alá helyezem a készüléket a kijelző működésbe lép, órát be tudom állítani, de ha kinyitom az ajtót fél fényerővel világítani kezd a soros izzó és a ventilátor ütemesen rángatózni kezd (az ajtó kinyitásakor csak a sütőtér világításnak kellene világítani). Tanácstalan vagyok. A hozzászólás módosítva: Dec 19, 2017
Helló! Egy ilyen hiba jelenség nekem is volt. Volt (van) egy olyan mikrókapcsoló rajta amin 3 vezeték volt.Későn nyitott ki és egy másik mikrókapcsolóval rövidzárt csináltak.Ezért írtam neked.
Igen, a "Service Manual" is ezt írja amit Te a "4-4" pontban és a "6-1 Electrical Maltunction" szakasz második sorában (a PDF 14. oldalán).
De a kapcsolókat kiszedve és kimérve jónak bizonyultak. Megtisztítottam a kivezetéseit, rányomtam egy cseppet a csúszósarukra fogóval és visszatettem őket. Azt viszont nem ellenőriztem, hogy melyik mikor nyit, ezt még megnézem. A hozzászólás módosítva: Dec 19, 2017
|
Bejelentkezés
Hirdetés |










Mindenképpen ajánlott bele tenni, ha nem vág földhöz az az 1000Ft akkor meg kell venni. A másik megoldás hogy fogsz a hagyományos 





