Fórum témák
» Több friss téma |
Hogy tudom ellenőrizni, hogy a mute láb nem aktív?
-1,19V-ot mértem rajta. Ezt viszont így nem tudom értelmezni: Idézet: „Pin 8 Open or at 0V, Mute: On Current out of Pin 8 > 0.5 mA, Mute: Off” Adatlap A hozzászólás módosítva: Dec 24, 2017
A csatolt áramköri részletben rejlik a magyarázat: Áram kell neki, hogy kinyisson a tranzisztor és így némítson....
Egyszerűbben:
- Szerintem most némítva van. - Ha GND-re kötöd (egy pillanatra,) akkor nem lesz némítva. De nem ez a megoldás, és karácsony este bejglit egyél inkább
Köszi a választ!
Hát ma nincs más dolgom, és szerettem volna karácsonyra rendbe rakni Most negatív feszültség van rajta, akkor is folyik áram.... Viszont egy próbát megér, lekötöm. Aztán megnézem GND-n, illetve az egyik rajzon +tápfeszültségen van, azt is... Hátha nem az ic ment el, hanem csak mondjuk a némító tranzisztor...
+13V, -13V és GND-re próbáltam tenni a MUTE lábat, nem volt változás.
Sajnos csere lesz ez.
Ha esetleg érdekel valakit. Sose építettem meg.
Sziasztok!
Van egy elgondolásom, ennek kivitelzése előtt szeretnék véleményeket, meglátásokat kérni Tőletek. Jelenleg 101x-es erősítéssel megy az LM3886 nálam. Így tudom viszonylag könnyen kivezérelni. a hang útja: bemenet->hangerő poti> műveleti erősítős feszültség követő-> végfok. Nálam, 1 helyen, a végfokban van erősítés 100x-os. Ezt akarom úgy kiváltani, hogy erősítsen 10X-est a műv erősítő és 10x-est a végfok. Azt feltételezem, hogy a magas hangok szebben fognak szólni, mert a 3886 "OPEN Loop gain-t" (A görbe alatti területet) nem használom ennyire szélsőségesen ki. Kérdés, szerintetek az LM3886 stabil marad 10x-es(11x-es) erősítésnél?
Szia! Ne vidd a végfok erősítését 20-szoros alá! Ajánlatom: előerősítő x3, végerősítő x30.
Köszi!
Nem invertáló módban, az előerősítőnél törekedni kell a bemenetek hasonló impedanciájára vagy nem lényeges?
A hasonló impedanciát a minél alacsonyabb offszet feszültség miatt alkalmazzuk. Ha szempont, hogy a kimeneten minél pontosabb 0V legyen, akkor törekednünk kell.
Találós kérdés, nem tudom a választ:
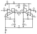
Csatoltam egy képet, ugyan, ez egy 7294-et ábrázol, én ugyanezt a hidalási módszert alkalmaztam 3886-nál. Most hogy csatornánként akartam kimérni az áramkorlátot, meglepve tapasztaltam, hogy: - a nem invertáló kimeneten kb. 22V rms mérhető, - az invertáló kimeneteken kb. 15,8V rms. Mindkét oldalnál jelentkezik a jelenség. Optimistán feltételezve, hogy nem csesztem el az alkatrész beültetést, ennek mi lehet az oka? Ennek a fajta hidalásnak ekkora asszimmetriája van? Az erősítés esetemben: 100Kohm és 1Kohm ellenállásokkal: 1+100, tehát 101 a nem invertáló oldalon, az invertáló oldalt nem tudom hogy kell számolni egyelőre. Valakinek ötlet?
Íme a számítás és ebben rejlik a magyarázat is a problémára.
Pl. a csatolt képen a 1875-nél az egyik Ic-t a másikkal összekötő ellenállás nem 20 hanem 24k.
Az LM1875 legnagyobb kimenő árama 4 A és 60 V tápfeszültséget is elvisel. Minek készítenél belőle hídkapcsolást?
Nem keszitenek. Csak kerestem a neten kapcsolsaokat ahol az egyikrol a masik vegfokra meno ellenallas erteke nem azonos a visszacsatoloval.
Lehet hogy koran van meg, de nem ertem. A 7294 peldanal maradva:
- nem ivertalo oldalon az erosites: 22000/680+1, - invertalonal meg -11000/680?
Ez az LM2005 gyári adatlapjáról. Ez sem tűnik rossz ötletnek.
Vajon itt mennyire egyforma a 2 oldal kimeneti feszültsége?...
Ha gondot okoz az angol nyelvű leírás, akkor keress magyar változatot az invertáló kapcsolás erősítésének kiszámolásáról!
Az LM2005-re nem vonatkozik a műveleti erősítőkre jellemző erősítés kalkuláció, más a belső áramkör topológiája, ott az adatlapból kell tájékozódnod. A példán jól megfigyelhető, a 28 V megengedett legnagyobb tápfeszültség esetén már opció a hidalás.
Latni latom, ami oda van irva. Az alapjan -22k/680.
De az nem indokol olyan nagy feszultseg kulonbseget, mint ami nalam van. 22v es 16v. Te konkretan mire gondoltal?
Az összegző pontra kötött 680 Ω hogyan kerül az Av=-Rf/Rin képletbe?
Aha. Tenyleg. Akkor ez esetben -22k/22k?
Ez -1 lenne. De valamiert megsem egyenlo az invertalo kimenet feszultsege a nem invertaloval.(merve sem es szkopon sem.) Meg mindig nem latom hogy miert. segits legyszi.
A számításod helyes. A 680 Ω-ról annyit kell tudnunk, hogy a gerjedést akadályozza meg, az erősítést nem befolyásolja.
Amennyiben az invertáló erősítőd nem -1-et erősít, akkor vagy Rin≠Rf, vagy jel kerül a nem-invertáló bemenetre. A hozzászólás módosítva: Jan 8, 2018
Koszi! Te vezettel ra, a Te erdemed
Van par lehetoseg, amit meg kell vizsgaljak:Az invertalo erosito nem invertalo bemenete egyszer egy 10k-val, utana egy kondin keresztul van a foldre huzva, a kondit lehet rovidre kell zarnom. A masik az ellenallas ertekek ellenorzese. A 3. Hogy "nem-e maszik el" a GND. Elvileg csillagpontrol van hozva a vezetek a mereshez. Csak nem tán.. Aztan a 680ohm-ot megprobalom kivenni probara. Egyelore ezek az otletek vannak.
Amikor kiveszed a 680 Ω-ot, tedd az erősítőt áramkorlátos tápra, mert azonnal röppen az IC, még puffer sem maradhat rajta!
Viszont ha a probalkozasok utan sem lesz egyenlo a hidalt oldal kimeneten a feszultseg a nem hidalttal akkor megmarom magam. Nem is ertem hogy lehet ez. Az zavar, hogy mind a ket oldal egyforman tuja ezt produkalni.
Végül is nincs veszve semmi, ha nem találod meg a hibát (még a mérésből is eredhet, stb...). Az Rin változtatásával oda állítod az invertáló részt ahová akarod.
A kísérlet korábban említett értelmetlenségén kívül volna még egy általános megjegyzésem a hidalással kapcsolatban. Építsd két teljesen egybevágó végerősítőt és tegyél fázisfordítót az egyik elé.
Valami meresi hibara gyanakszok. Olyan mintha a merokabel ellenallasa zavarna be. 4ohm a muterheles es tul vekony a merokabelem. 2x1m hosszu, a keresztmetszet 0.5mm2.
Tartozok még egy írással.
Sikerült a mérést rendbe rakni, a képlet működik, a hidalt rész erősítése -1. Viszont: a 3886-ok, legalább is amit én vettem az e-bay-től 4db, nem tudnak 7.5A-t. hidalva, picivel több mint 100W jön ki belőlük, mielőtt lekorlátoznának. Ez 1 oldallal és 4ohm-ra, kb 50-55W. Ezzel számolva, 5A-nél van a határ.(hangsúlyozom, ebay-es cucc. Egy original lehet hogy tudja a 7.5A-t. Tehát hidalva nekem 2x100W-os erősítőm lett. Lehet hogy a 7294 többet tudna.. A vizsgálatok során jól el lehet határolni hogy mikor korlátoz áramra és mikor hőmérsékletre(mert az enyémek Tf végűek, még rosszabb hőátadással.) Egyelőre ez van, a tervezett teljesítménynek éppen a felét tudja De addig nagyon szépen szól. A hozzászólás módosítva: Jan 14, 2018
|
Bejelentkezés
Hirdetés |









Van par lehetoseg, amit meg kell vizsgaljak:




