Fórum témák

» Több friss téma
Fórum » Elektronikában kezdők kérdései
- Ez a felület kizárólag, az elektronikában kezdők kérdéseinek van fenntartva és nem elfelejtve, hogy hobbielektronika a fórumunk!
- Ami tehát azt jelenti, hogy a nagymama bevásárlását nem itt beszéljük meg, ill. ez nem üzenőfal!
- Kerülendő az olyan kérdés, amit egy másik meglévő (több mint 17000 van), témában kellene kitárgyalni!
- És végül büntetés terhe mellett kerülendő az MSN és egyéb szleng, a magyar helyesírás mellőzése, beleértve a mondateleji nagybetűket is!
Lapozás: OK   3117 / 4057
(#) lelkes amatőr válasza Tranyó Tamás hozzászólására (») Jan 28, 2018 /
 
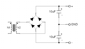
Ha kis áramfelvételű eszközhöz kell akkor lehet virtuális GND-t csinálni két ellenállás-kondenzátorral. vagy így
Nagyobb áramra kicsit bonyolultabb a dolog.
A hozzászólás módosítva: Jan 28, 2018
(#) lelkes amatőr válasza Tranyó Tamás hozzászólására (») Jan 28, 2018 /
 
(#) vargaf válasza Tranyó Tamás hozzászólására (») Jan 28, 2018 /
 
Ez nekem nem egyértelmű abból amit írtál. Más sem értette mit szeretnél.
A hozzászólás módosítva: Jan 28, 2018
(#) Tranyó Tamás válasza lelkes amatőr hozzászólására (») Jan 28, 2018 /
 
Max. 3W, egyenáramról lenne szó.
(#) lelkes amatőr válasza Tranyó Tamás hozzászólására (») Jan 28, 2018 /
 
A linkelt oldalon minden infót megtalálsz.
(#) Tranyó Tamás válasza vargaf hozzászólására (») Jan 28, 2018 /
 
Elméletileg 24V egyenáramot ad, terheléskor csökkenhet.
Az előzmények ismeretében, akkor egy virtuális GND-re lenne szükség egyen áram esetében.
Ha közép feszültségen van a GND, akkor természetesen nem +24V, hanem +-12V lesz.
(#) Tranyó Tamás válasza lelkes amatőr hozzászólására (») Jan 28, 2018 /
 
Köszi.
(#) Marko Ramiusz hozzászólása Jan 28, 2018 /
 
Szép napot, mindenkinek! (Egy másik fórumban is feltettem a kérdésem, de ott másra is vonatkozik.)Az 1993/4-es, 12.oldalon Elektor-ban az"Audió-kikapcsoló automatika" nevű áramkört szeretném megépíteni, amiben egy TLC272 nevű műveleti erősítő. Nem drága, lehet is venni, de miért éppen ezt az áramkört alkalmazzák, mennyire speciális ez az IC? Köszönöm a válaszokat. Üdv.: joe
(#) nagym6 válasza Marko Ramiusz hozzászólására (») Jan 28, 2018 /
 
Egy tápfeszültségű, azaz kimenete lemegy 0V szintre "negative rail", pontosabban kb. 10-20mV-ra, pozitív irányba már nem megy tápig. Másik, CMOS bemenetű, azaz nagyon nagy bemenő impedanciája van "High Input impedance", 10 a 12-diken ohm.
(#) Marko Ramiusz válasza nagym6 hozzászólására (») Jan 28, 2018 /
 
Szóval tényleg speciális IC.
(#) sany hozzászólása Jan 28, 2018 /
 
Egy optokapun lévő jelölésrendszernél a dióda jele mutatja ugye az infra LED-et, a kör pedig magát az infra vevőt?
(#) mechanika hozzászólása Jan 28, 2018 /
 
Sziasztok!

Esetleg valaki...


Pir mozgásérzékelő felületén, illetve ultrahang modul érzékelőjén(olyan mint a tolatóradar érzékelője) kültéren zúzmara képződik, hogyan lehetne megakadályozni a zúzmara képződést.
Akkumulátoros táplálás miatt fontos a csekély energia felhasználás!

Szívesen veszem az ötleteket vagy tapasztalatokat!
(#) Bakman válasza mechanika hozzászólására (») Jan 28, 2018 /
 
Mindegy, hogy miről megy a fűtés, így-is úgy is ugyanannyi energia kell a leolvasztáshoz. A dolog egyszerű, fagypont felett egy kicsivel kell tartani a hőmérsékletet. 0,1 - 0,2 °C már elég.

Spórólni lehet a fűtésszámlával, ha a dobozt (már ha abban van), amiben az ézrékelő van, hőszigeteled.
(#) wbt válasza mechanika hozzászólására (») Jan 28, 2018 /
 
Gyerekkori EzerMester újság emlékből rémlik valami, hogy hogyan akadályozzuk meg a páralecsapódást, talán valami vazelines dologgal kenték le vékonyan a felületet (ablak, tükör). Lehet, ki kellene próbálnod pár szilikonos spray-t...
(#) csanyipal hozzászólása Jan 28, 2018 /
 
Megépíthető-e a képen látható középhullámú tranzisztoros adó?
(#) Moderátor hozzászólása Udvari Zsombor hozzászólására (») Jan 28, 2018
 
Kedves Zsombor!

Reméljük sejted, hogy minimum szemtelenség amit műveltél most. Két napig rengetegen próbálnak Neked segíteni, kérnek tőled adatokat, próbálnak mindent megtenni, hogy a kérdésedre választ kapj.
Ezek után, egy "Túlbonyolódott, hagyjuk..."-al gondoltad lezárni?

Légyszíves, kérj elnézést a többiektől. Azt fogod elérni, hogy a fórumozók levegőnek fognak nézni itt is, ahogy már sok másik témában már teszik.

(T)
(#) tibistor hozzászólása Jan 29, 2018 /
 
Sziasztok!
Magától elromlott a rádióvezérlésű LCD faliórám. A kijelzőjén semmi sem látható.
Azt tapasztaltam, hogy az áramköri panelen lévő kvarcot enyhén megnyomva a kijelzőn az egyes karakterek szegmensei össze-vissza, felváltva, gyorsan villognak. Az ujjamat kissé eltávolítva, a levegőben a kvarc felett mozgatva ugyanúgy villognak a szegmensek, mint az imént leírtam. Elvéve a kezemet a kvarc közeléből a kijelző ismét totál üressé válik.
A kvarc lábait újra forrasztva sem változtak a fenti tünetek.
Kérném szíves véleményeteket. Jól gondolom, hogy a kvarc teljesen megadta magát? Beszerezhető valahol konkrét ilyen alkatrész, és javítható-e jó eséllyel az óra? (a kvarcon semmiféle jelölés nincs)
Előre is kösz a válaszokat.
A hozzászólás módosítva: Jan 29, 2018

IMG_5459.JPG
    
(#) Bakman válasza tibistor hozzászólására (») Jan 29, 2018 /
 
Lehet, hogy a kezeddel elektrosztatikus töltés viszel a rendszerbe, ezért villog egy-két szegmens, erre a hibakeresésre nem lehet alapozni.

A kvarc nagy valószínűséggel normál, 32 768 Hz-es órakvarc: Bővebben: Link.
(#) kriszrap hozzászólása Jan 29, 2018 /
 
Sziasztok
Mit lehet azzal kezdeni hogy a zavarjeleket eltüntessem.
A jelenség annyi ha nincs jell kb 100mv -ot mérek(csúcsegyennél) potméterrel ez növelhetö.Ha bedugok egy jackdugos kábelt akkor is nő a zavarjel erőssiége.Meg marad a zavarjel ha telefont rádugom.... Mit lehet ezzel kezdeni??

jghkgkj.png
    
(#) ricsi779 hozzászólása Jan 29, 2018 /
 
Hello
A volt munkahelyemen forrasztással foglalkoztam. Olyan eszköz volt készítve amire a forrasztó pisztolyt rá akasztottam és 2 darab mágnes kapcsolót elzárt és ezzel megakadályozva a gáz és az oxigén útját.
Na már most van nekem ilyen vagy legalább is ahoz hasonló 3 utas mágnes kapcsolóm,hogyan tudnám felhasználni azokat erre a célra? Tudom,h akarom kivitelezni meg ilyenek de ha áramot adok rajuk akkor 1szerüen csak beregnek gondolom nyitnak valamerre.3 rekeszes hűtőben voltak és működnek. Lehet valamilyen inpulzus áramot kell kapniuk?Ha így van akkor segítene nekem valaki a témában...?Ha meg nem akkor okosítsanak ki.Előre is köszönöm.
(#) tibistor válasza Bakman hozzászólására (») Jan 29, 2018 /
 
Mivel a villogás akkor is jelentkezett, amikor az ujjam már nem ért a kvarchoz, én valamiféle kapacitiv csatolásra gondoltam. De mint szakembernek, neked lesz igazad.
Nem tudtam, hogy ez a kvarc egy általános, "mindennapi" alkatrész, ezért köszönöm, hogy megadtad a tipusát. A link adatai alapján a mérete is ugyanaz.
Megpróbálom beszerzni, és kicserélni.
Köszönöm a válaszodat. Üdvözöllek!
(#) sany válasza tibistor hozzászólására (») Jan 29, 2018 /
 
Egy kis ébresztőórából könnyen kitermelheted.
(#) kadarist válasza ricsi779 hozzászólására (») Jan 29, 2018 /
 
Szia!
Inkább mágnesszelepre gondolsz, nem? Ha nem megfelelő (egyen helyett váltó) feszültséggel táplálod, akkor bizony berreghetnek.
(#) ramon94 hozzászólása Jan 30, 2018 /
 
Sziasztok. Egy USB csatlakozást mivel lehetne megvédeni az esetleges túlfeszültségtől hogy az alaplap ne sérüljön egy ilyen hiba esetén?
(#) BEMcorp válasza ramon94 hozzászólására (») Jan 30, 2018 /
 
A számítógépeden lévő USB csatlakozóról (ami forrás) beszélsz, vagy pendrive/telefon USB-jéről (ami fogyasztó)?
(#) Gafly válasza BEMcorp hozzászólására (») Jan 30, 2018 /
 
Valamint hogy az adatvonalat félti, vagy a táp részt...
(#) kcsilla hozzászólása Jan 30, 2018 /
 
Sziasztok!

E1n es eszterga leveri a Fi relét ha bekapcsolom, de ahonnan elhoztam az esztergát ott nem volt ilyen gond, mi lehet a gond ?
(#) nedudgi válasza kcsilla hozzászólására (») Jan 30, 2018 /
 
Legvalószínűbb, hogy ahonnan elhoztad, az életvédelmi relé nem volt (jól) bekötve. Elképzelhető szállítási sérülés, esetleg fémhulladék került rossz helyre. Kizárt, hogy túláram miatt old le a kismegszakító? A bekötést kellene még ellenőrizni, biztosan jól van bekötve?
(#) nedudgi válasza ramon94 hozzászólására (») Jan 30, 2018 /
 
Azt is kellene tudni - az eddig megkérdezetteken kívül - hogy milyen alaplap, és mi a csatlakoztatott eszköz?
(#) stefi1969 hozzászólása Jan 30, 2018 /
 
Üdv,
kezdő vagyok, sajnos nincs semmilyen tapasztalatom. Kísérletezgetéshez és tanuláshoz kinéztem magamnak egy Breadboard HQ830 terméket. Vannak hozzá drótok és egy elektronikai rész is. Az lenne a kérdésem, hogy ezt hogyan lehetne árammal táplálni? Itt a link, az oldal román nyelvű de szakértők megértik a képeket:
Kit Breadboard HQ830
Következő: »»   3117 / 4057
Bejelentkezés

Belépés

Hirdetés
XDT.hu
Az oldalon sütiket használunk a helyes működéshez. Bővebb információt az adatvédelmi szabályzatban olvashatsz. Megértettem