Fórum témák
» Több friss téma |
Mielőtt kérdezel, a következő két dolgot ellenőrizd!
I. A helyes tápfeszültségek megléte.
II. A kimeneten van-e egyenfeszültség.
Élesztés.
Sziasztok!
Egy TDA2040-t használhatnék 2db 9V-s elemmel? Utcazenéhez kellene. Jfet-es előfok (J201), plusz a TDA végfok. Illetve, nagyjából mennyi ideig működne?
Ha azokra a kis blokk elemekre gondolsz, azt felejtsd el. Abban nincs annyi energia, hogy azzal zenélhess. Akkor már jobban jársz 2x3 telfeon (stb) akkuval (LIPO), azok sokkal több energiát tudnak leadni majdnem ugyanakkora méretben és ujra is tölthetök.
Telepes kültéri üzemnél a korlátozott energiaforrás, valamint a kívánatos nagy hangerő miatt nem szabad elsiklani a hatásfok mellett sem. Nagy érzékenységű hangszórók, jó hangnyomású doboz, lehetőleg "D" osztályú végfok. Bár nem írtad mi a pontos cél, mert az utcazene lehet Hip hop, de lehet gitárzene is.
A JFET-es előfokból gyanítom gitárerősítőről lehet szó. Ha igen, akkor 12V-os rendszerben gondolkoznék. Áramforrás gyanánt 12V/7Ah ólomakku. Opcionálisan szivargyújtó csatlakoztatás. Műfajtól függően választanék erősítőt.
Szia! Először is hibáztam! Valóban rosszul ültettem be a BC337-t (pedig nagyon sokat vacakoltam a lábkiosztásával, de csak sikerült elrontanom). Helyére téve a BC lábait a C-E feszültség 0,95V és 2,5V között állítható a trimmer két végállása között (emitter a negatívabb). Középállásra tekertem egyelőre így 1,4V mérhető. Szerintem ez kipipálva, igaz?
A bemenetet rövidre zártam, de a kimeneti DC nem változott, továbbra is 185mV. A két ellenálláson eső feszültség: 470R=0mV, 22K=101mV.
A 2259 jelű 220 µF-os kondi szivárgására gyanakszom, megejtenék egy cserét.
Igen, gitárhoz lenne. Kiülni a parkba, és zenélgetni vele, semmi komolyabbra.
Az LM386-os Noisy Cricketnek és hasonlóknak nagyon nem tetszik a hangja, ezért szerettem volna valami mást. Ezek az ólomakkuk, meg LiPo-k meg elég drágának tűnnek, ennyit nem ér meg nekem. :/ D osztályból milyen IC-t javasoltok? (igazából nem a hangerő a lényeg, az fél watt legyen legalább, oszt' annyi )
Azt hittem döngetni akarsz. Nekem van egy kis gitárkombócskám, ami pont ilyen célt szolgál. 1 darab telefon akkuról üzemel, két 4 ohmos hangszóró van benne. nem ilyen, de hasonló https://www.ebay.com/itm/PAM8403-5V-3W-3W-2-Channel-Mini-Audio-Digi...5XQDTR "D" osztályú erősítő van benne, meg két JFET-ből előfok. egy töltéssel egy hétvégét elmegy.
Most megyek dolgozni.
A kondikat (mindkét oldalból) kivettem, LCM-el mérve nem szivárog, viszont kapacitás vesztett (~180uF). Cseréltem -ugyan nem újra de műszerrel mérve hibátlanra-, de a DC továbbra is megvan. Lehet csak a multim vacakol, de picit mintha nőtt volna 195mV. Érdekes, hogy mind a két oldalnál ugyan az a helyzet.
A kondihoz kapcsolódó, valamint 6269-es diódákon esik feszültség?
Ezeket mértem (nyitó/záró irány)
6295: 15/8mV 6293: 370/370mV 6269: 4,1/4,1V
Úgy néz ki a 6293 húzza el a kimeneti egyenfeszültséget, az egyik lábának kiemelésével erről meg is bizonyosodhatnánk.
Ha jól mértél, a 6269 hibás, nézd meg diódavizsgálóval.
... mind a két dióda jónak mutatkozik.
Diódákat visszaforrasztottam, megismételve a mérést ugyan azok az értékek.
A hozzászólás módosítva: Márc 12, 2018
Jaj, erről hallottam már valamikor. Ilyet tudok szerezni végülis.
Van 1 (vagy talán 2?) e-cigibe való aksim. Azt hiszem, 3.7V-t tud, de lehet rosszul emlékszem, megnézem majd. Li-ion, valószínű. Elég lenne neki? Illetve ilyen célokra egy Step-up converter mennyire hasznos? No meg, mivel én monoban szeretném használni, elég, ha szimplán nem kötöm be a másik felét? (Azt tudom, hogy hidalni nem lehet.)
Hidalni nem, mert már eleve hidalt. Szerintem az egyik oldalt szabadon hagyhatod, és annak a félnek a bemenetét zárd rövidre. Nem látom jónak a boost konvertert, mert alapjáraton is többet fogyaszthat miatta az erősítő.
Sziasztok!
Valaki tud erről az erősítőről valamit mondani? Milyen lehet a hangja, valaki esetleg már hallotta? A tranzisztorok: KD1047 és KB817 A hozzászólás módosítva: Márc 12, 2018
Valószínű megint én vagyok a hunyó. A készülékben nem jó helyen választottam meg a GND pontot, amihez képest mértem pl.: a kimeneten a DC-t. Most már a tényleges csillagpontot véve alapul rövidre zárt bemenet mellett a kimeneten 85 és 94 mV tartózkodik (R/L csatornák). Ez már elfogadható?
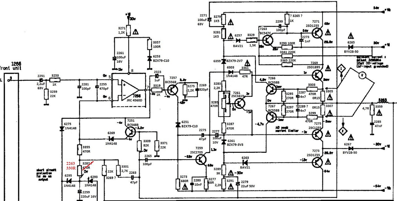
Közben még méricskéltem a rajzon néhány referencia pont feszültségét, ezeket rávezettem a rajzra. Egy ponton vélek nagy eltérést, ezt be is karikáztam. Itt még az előjel sem stimmel (lehet rajzhiba?). De az előzőekben mért diódákon eső feszültségek annyi amennyinek írtam! A hozzászólás módosítva: Márc 13, 2018
A bekarikázott érték jó, mármint a te mérésed. Földelt emitteres kapcsolás pnp tranzisztor. Negatívnak kell lenni. 1,6mA folyik rajta, így az korrekt. A 7259 emitter-bázis közötti 0,1V gondolom csak az időben változó tápfesz miatt volt.
Köszi, végül én is erre következtetésre jutottam.
A ráírt értékek azok, amit abban a pillanatban leolvastam a műszerről. Az a 0,1V betudható ennek. A hozzászólás módosítva: Márc 13, 2018
Tegyél a kimenetre műterhelést, akkor mit mutat a DC-szint?
(Nekem változatlanul nem tetszik a bemeneti IC-nél mért feszültségek. Ha az IC mindkét bemeneti lábán 0V-van, akkor a kimenetén is 0V-nak kell lennie, nem lehet ott más feszültség. Esetleg még az IC környezetében, vagy a hozzákapcsolódó alkatrészek között valamelyik hibás, vagy maga az IC beteg.) Üdv!
A 6293 dióda kiemelése milyen változást hozott? A bemeneti 3259 és a visszacsatoló 3269 ellenállásokon közel azonos feszültségnek kéne esnie.
Miért ne lehetne az opa kimenetén -4V?. Nem onnét van visszacsatolva, hanem a végfok kimenetéröl.
De ha a vég kimenetére érted, akkor rosszul értelmeztem. A hozzászólás módosítva: Márc 13, 2018
Sziasztok!
Az elmúlt 12 év alatt többé-kevésbé mindig találtam megoldást a fórum, illetve a legjobb barátunk, a google segítségével. Most viszont elakadtam, és muszáj segítséget kérnem. Javításra kértek fel egy Harman-Kardon HKTS11-es mélynyomó rövidzárlat okozta hiba javításában. A rövidzár egy kábel hiba miatt a mély bemeneten keletkezett (JK201/A - oldalszám 26-LFE Input). Ezen kívül egyéb bemenet nincs használatban. Csak is azért, hogy ne cseréljek ki indokolatlanul minden alkatrészt, ha valaki tud, hát legyen szíves, segítsen! Sajnos csak egy multiméter, elszívós páka, illetve hőlégfúvós páka áll rendelkezésemre. A csatolmányban található szerviz dokumentumban az utolsó oldalon látható Q10-es, illetve Q11-es tranzisztor egyike tönkrement. Ezeket párban cseréltem. A hangerő a továbbiakban sem elfogadható. Tápfeszültségek rendben, a táp környékén némi barnulás van a panelen(Q501/Q502 - oldalszám 27). Kondenzátorok nem púposak, tudom, ettől még lehetnek rosszak. Sajnos fényképet csak holnap, vagy még később tudok feltenni, de hozzáteszem, égés nyoma sehol nem látszik a Q501/Q502 kivételével, ahol a panel enyhén meg van barnulva, ahogy korábban írtam. A kérdés az, hogy esetleg a TL072, vagy valamelyik TL074 elszállhatott-e? Vagy esetleg csak kondenzátor, vagy valamelyik dióda, tranzisztor?. Hol, s merre kezdjem a keresést? Ha valakinek van ötlete, tapasztalata, kérem, írja meg! Köszönöm! A hozzászólás módosítva: Márc 14, 2018
A 6293 dióda kiemelése után az érintett csatorna kimenetén gyakorlatilag 0mV az egyen, a másik csatorna kimenetén pedig 130mV-ra nőtt.
A 3259 és a 3269 ellenállásokon eső feszültségek: 3259 = 1mV 3269 = 96mV, A dióda kiemelése után ez a fesz. is 1mV-ra esett. Találtam még egy eltérést a rajz és a kapcsolás között, ezt pirossal rávezettem a rajzra (nem hinném, hogy nagy jelentőséggel bír a problémával kapcsolatban, de..). A hozzászólás módosítva: Márc 14, 2018
Nincsenek bent a végtranzisztorok, így nem teszek rá műterhet.
A mérés alapján úgy látom, hogy sajnos együtt kell élni a pár 10 mV kimeneti DC hibával, a 7276, 7277 tranzisztorokból álló védelmi áramkör nem túl szerencsés kialakításából származik. A 100 mV alatti érték talán nem akkora hiba, hogy a védelem áramkört átalakítsuk.
Az minden esetre tisztázódott, hogy az eddig beültetett alkatrészek egyenáramú működés szempontjából kifogástalanok és ez nem kis dolog
Együtt fogunk tudni élni ezzel a DC hibával
!Idézet: „Az minden esetre tisztázódott, hogy az eddig beültetett alkatrészek egyenáramú működés szempontjából kifogástalanok és ez nem kis dolog” Ezek szerint, ha megérkeznek a végtranzisztorok nyugodtan mehetnek bele? (természetesen az élesztés primerköri izzó beiktatásával fog történni.) Bizony, nem kevés erőfeszítésembe telt kiszűrni az elhalt alkatrészeket, egyáltalán beazonosítani őket. Néhol még a nyák is füsté vált azt is pótolni kellett. Nagyon sok munkaórám van a javításban, remélem nem volt hiába való. Nagyon köszönöm a segítséged, ha élesztés jön jelentkezek! A hozzászólás módosítva: Márc 14, 2018
Nem tudom olvastátok-e?
Bocsi, ha már láttátok!
Sziasztok! Volna nekem egy Technics SA-GX100L Erősítőm. A Jobb oldala rendesen szól, de a bal oldala halkabb és enyhén torzítós hangja van. Merre keressem a hibát?
Válaszokat és segítségeket előre is köszönöm!
Szia! Kezd a kimenetválasztó kapcsolók érintkezésének ellenőrzésével.
|
Bejelentkezés
Hirdetés |





) 



!



