Fórum témák

» Több friss téma
Fórum » Kazettás magnó (deck) javítása
 
Témaindító: damien, idő: Júl 16, 2007
Témakörök:
Lapozás: OK   116 / 190
(#) papacica válasza probert69 hozzászólására (») Márc 1, 2018 /
 
Szerényen nem hiszem hogy ,1 volt ekkora különbséget tenne,itt más a gond,én javaslom a motor bontás takarítás illetve kefe vizsgálat.Egy 12dc motor 15 v fesz alatt megy,de ez változó,gyártótól függő.
(#) buksibuci hozzászólása Márc 1, 2018 /
 
Hibamegoldás Technics M205.
Ha valakit érint, én ezzel szívtam egy nagyot, mire rájöttem. Hibajelenség az volt (szíjak és elkók cseréje után), hogy nem adott ki hangot. Megijedtem. Mindent megmértem, feszültségek jók voltak, stb. Aztán mikor már majdnem földhözvágtam, hozzáértem a play kis kapcsoló vezetékéhez és kijött a helyéről, a lélek tarthatta (persze e miatt állandóam Mute módban volt).
Gondoltam megosztom, további szép estét.
(#) Tomi94 válasza buksibuci hozzászólására (») Márc 5, 2018 /
 
Előfordulnak ilyen bosszantó apróságok. A szóban forgó típusnál a még bosszantóbb dolog az, hogy a motor nem az értelemszerűnek tűnő módon van bekötve. Konkrétabban, a - kivezetése a negatív tápra van kötve, a + pedig testre. Ezáltal, ha sebességállítás közben hozzáérsz a csavarhúzó szárával a motor hátlapjához, azonnal elszáll a biztosíték a tápban. (Arról már nem is beszélve, hogy ha motort kell cserélni, akkor az újabbakban a - kivezetés belül hozzá van kötve a fémházhoz, ami itt direkt rövidzárat jelent.) Én átkötöttem az értelmes módon, semmit nem változott a működése a magnónak. Szóval fogalmam sincs, mi értelme volt ezt így csinálni.
A hozzászólás módosítva: Márc 5, 2018
(#) szabo.attila58 hozzászólása Márc 12, 2018 /
 
Technics M215
Gyenge bejövő jelet a felvételkor szabályzó maximumra állításával ....hát ezt nem díjazta és most nem vesz fel meg sem mozdulnak a kijelző sávok.van valakinek tippje hogy melyik IC vagy mi mehetett ki benne...kapcsolási rajz esetleg valahol még található ehhez....
A hozzászólás módosítva: Márc 12, 2018
Moderátor által szerkesztve
(#) kistee válasza szabo.attila58 hozzászólására (») Márc 12, 2018 /
 
Kicsit pontosíts: milyen jelforrás, melyik bemeneten, milyen kapcsolóállásnál (bemenetválasztó)?
(#) Fantasy hozzászólása Márc 17, 2018 /
 
Üdv Mindenkinek!
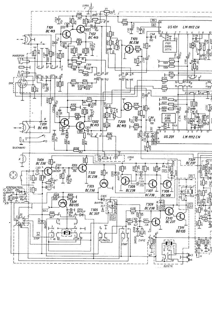
Van egy Unitra mds-432 típusú deckem,a nagy hifi torony fiókmechanikás magnója. Olyan probléma merült fel vele, hogy a kazetta oldal vége felé amikor már csak kb. 1/3 szalagmennyiség marad, elkezd a szalagvég kapcsoló működni, és a maradék szalagot képtelenség lejátszani. Ha megfordítom a kazettát, akkor nem jelentkezik ez a hiba, egészen addig, amíg a szalag 2/3 része át ér a másik orsóra. A szalagvég kapcsoló működése úgy van megoldva, hogy egy reed-relé előtt mágneskerék forog, ami a felcsévélő tengelycsonkról kap hajtást, ezáltal impulzusokat küld az autostop elektronika számára, ha végére ért a kazetta, nem forog a felcsévélő tengely, nincs impulzus, kikapcsol az aktuális üzemmód.
Az alapvető dolgokat végig ellenőriztem: szíj, reed relé, mágneskerék, rendben. Ami még biztos, hogy ez nem kontakthiba. Amikor a kazetta az elejéről indul, akkor a felcsévélő tengelycsonk gyorsan forog, sűrűbb az impulzus sorozat is, mint a kazetta vége felé, ott már lassabban forog, kevesebb az impulzus.
Jól működött ez a gép, egészen eddig. Arra gyanakszom, hogy az impulzusok közötti időben lehet valami a késleltetéssel, hogy azonnal kiejti az elektromágnest. Ebben szeretnék segítséget kérni, hátha találkozott már valaki ezzel a hibával?
A hozzászólás módosítva: Márc 17, 2018
(#) pucuka válasza Fantasy hozzászólására (») Márc 17, 2018 /
 
Szíj cserék megvoltak már? Vagy lazák a szíjak, vagy kopottak a kuplungok. Akkor csúszik a mechanika, mikor nagyobb nyomatékot kéne kifejteni.
(#) Fantasy válasza pucuka hozzászólására (») Márc 17, 2018 /
 
Üdv, ezeken már túl vagyok, először erre gondoltam én is, hogy nem hajtja a szíj a mágneskereket, de teljesen jó, nincs megnyúlva. Az idler és a kuplung is jó, tisztítva is volt, ez nem mechanikus eredetű hiba lesz. Tettem volna fel videót, de sajnos nagyobb mint 2Mb.
(#) Fantasy válasza Fantasy hozzászólására (») Márc 17, 2018 /
 
Egy rövid videó

DSCF1172.mpeg
    
(#) Istvanpisti válasza Fantasy hozzászólására (») Márc 17, 2018 /
 
A C302 jelű 47µF kapacitású kondenzátort érdemes lenne megmérni, és ha csökkent a kapacitása, akkor cserélni, vagy próbából vele párhuzamosan kötni egy 22µF kapacitásút és megnézni, javul-e a helyzet.
(#) sacerdon hozzászólása Márc 20, 2018 /
 
Sziasztok! Szeretnék segítséget kérni: Magnókat szíjazok újra. A szíjak mindkét deckben el voltak olvadva, úgy kellett lekaparnom a szíjtárcsákról, így viszon nem tudom, hogy milyen méretű szíjakat kellene beszereznem. A két deck: Fisher CR-W863 és Fisher CR-W914. Meg tudja esetleg valaki mondani a méreteket, vagy hogy hol tudok utánanézni, vagy hogy lehetne lemérni szíjak nélkül? Előre is köszi.
(#) zolika60 válasza sacerdon hozzászólására (») Márc 20, 2018 /
 
Egy alkalmas zsinórt teszel a szíj helyére és azzal leméred a hosszát. Ha kör keresztmetszetűek voltak O gyűrű boltban vehetsz hasonlót.
A hozzászólás módosítva: Márc 20, 2018
(#) fecameca válasza sacerdon hozzászólására (») Márc 20, 2018 /
 
Madzaggal. Felteszed a helyére, és csomót kötsz rá, utána az asztalon kör alakban kiteríted, és a belső átmérőből még levonsz 5-10 mm-t a gumi nyúláshoz. Én még sosem csináltam így, de átgondoltam, mi volna, ha nem találnék? Mert van egy zsákkal különböző bontott készülékekből, de így is előfordul, hogy nem találok. (Már nemigen javítok ilyeneket, a bolt is elköltözött, de furcsának találtam mindig, hogy nem a kerületet kellett megadni, nekik, hanem a kiterített gumikör átmérőjét, aszerint tudtak keresni.)
(#) sacerdon hozzászólása Márc 20, 2018 /
 
Köszönöm, rápróbálok.
(#) papacica válasza sacerdon hozzászólására (») Márc 23, 2018 /
 
Szily ne legyen túl kicsi max 5,6 milliméterel mert ez alatt lefojtod a motort és kész,10 mliil sok.nekem vasaimba ilyenek vannak 56 os szíj 52 es átmérőre jó 69 lapo szíj 72 átmerőstb
(#) pundika1 hozzászólása Márc 24, 2018 /
 
Tisztelt Fórum! AKAI GX W45 1-es oldal minden funkciója rendben működik kivéve a gyors csévélése. Bal irányba szeretném tekerni de akkor is jobbra indul! Valakinek ötlete?
(#) Fantasy válasza Istvanpisti hozzászólására (») Márc 24, 2018 /
 
Üdv. Köszönöm a tippet, kivettem a 47µF-ot, de műszerrel mérve 60µF körül mutat, elvileg jó. A párhuzamos 22µF kondival jól működik. De próbáltam a C301-el is párhuzamosan 10µF -ot azzal is jól működik, de kevesebbel nem. A T301, 302, 303, tranzisztorokat is próbáltam cserével, de nem azok okozzák a hibát. Most jelenlegi megoldásként a a C302 helyére egy 100µF került, így most jónak tűnik a működés, de furcsállom, hogy mégegyszer akkora kapacitás kell az adott kondi helyére, mivel a régi kondi is megfelelő értékű és azzal eddig működött,( egy új 47µF-ost is próbáltam a régi helyére,de ugyanúgy viselkedik) azt gyanítom, hogy a hiba valódi oka valahol máshol van.
(#) Istvanpisti válasza Fantasy hozzászólására (») Márc 24, 2018 /
 
Azt gondolom, hogy nem mechanikus a probléma, hanem az elektronikával függ össze. Az R304-D301 elemeken töltődik a C302, ha a reed relé meghúz akkor a T301 - impulzus szerűen - kinyit, és ez idő alatt nem töltődik tovább a C302. Ha a szalag a végéhez ér, akkor a T301 nem nyit ki, a C302 feltöltődik és kinyit T302, majd a magnó kikapcsol. Ha a C301-et növeled, akkor a T301 nyitásának hosszát változtatod. Elvileg a C301 és a C302 is veszíthet értékéből ami azt okozza, hogy a szalag végén - amikor már ritkábban jönnek az impulzusok - akkor a C302 feltöltődik arra a szintre, hogy T302 kinyit. Elég furcsa, hogy a gyárilag 47µF-os kondenzátort 60µF-nak mérted, általában az idő előrehaladtával az elektrolit kondenzátorok - a kiszáradás miatt - veszítenek kapacitásukból. Biztosan jó a kapacitás mérőd? A C301-et is meg lehet mérni, az is okozhatja a hibát, ha a C302 megfelelő értékű.
(#) Udvari Zsombor hozzászólása Márc 25, 2018 /
 
Szíjat cseréltem a BRG MK-29 magnómban és a jelenség az hogy lejátszáskor a baloldali tüskét kezdi tekerni minek hatására elől kijön a szalag a kazettából! Mindkét gyorspörgetés működik.
Jól sejtem hogy lejátszáskor rossz tüskét kezdene el tekerni?
A hozzászólás módosítva: Márc 25, 2018
(#) Fantasy válasza Istvanpisti hozzászólására (») Márc 25, 2018 /
 
Így van, én is pontosan arra gondoltam már az elején, hogy ez nem mechanikus hiba lesz. Volt egy kis idő foglalkozni vele, első nekifutásból a C301-et kerestem meg, kiforrasztva mérve 4,7µF felett van a kapacitása, elvileg jó. Aztán végignéztem a C302, 303, 304, 305, 307, 410 kondikat.
Majd a T301, 302, 303, 306 tranzisztorokat, ezeket cserével próbáltam le, de ezek is jók. A rajzon a megadott helyeken levő feszültségeket mérem. Amire még így utólag gondoltam, de nem néztem meg, azok az ellenállások, lehetséges, hogy van köztük olyan ami megnyúlott volna? Visszatérve a kondikra, több olyan régi elkóval is találkoztam, ami a ráírt értéktől több, ellenben egy új elkó szinte pontosan a ráírt értéket hozza.
(#) Udvari Zsombor válasza Udvari Zsombor hozzászólására (») Márc 25, 2018 /
 
Változás történt, hogy addig vacakoltam amíg beindult, de így is lassabb a sebesség a kelleténél és ha bizonyos mennyiségnél több szalag kerül a jobb orsóra akkor befékeződik és csak a bal orsót tekeri 1-2 másodpercig miután kiold (stop)!
Azt sejtem hogy túl feszes lehet a csereszíj és alaposan fékezi. Tudja valaki a BRG MK-29 magnó pontos szíjméretét?
(#) Tomi94 válasza Udvari Zsombor hozzászólására (») Márc 25, 2018 /
 
Első körben azt derítsd ki, hogy ha kazetta nélkül elindítod, és megfogod a jobb orsót, akkor a kuplung csúszik meg, vagy a szíj az orsót hajtó tárcsán? (Emlékezetből, a motorhoz közelebbi fehér tárcsa az.) De nekem inkább az a gyanúm, hogy pont laza lett a szíj, az is magyarázhatja a megállást, ill. a lassú lejátszást. A bal orsó persze a megálláskor is forog, mert azt a görgő által húzott szalag forgatja csak.
(#) Udvari Zsombor válasza Tomi94 hozzászólására (») Márc 26, 2018 /
 
Nem egészen. Mindegy hogy milyen szíj van benne, 2 eset lehetséges:

1. jobb orsó nem teker ezért bal orsó húzás hiányában kinyomja a kazetta elején a szalagot (sajnos ez a gyakori, majdnem mindig ezt csinálja)
2. erőtlenül elindul a jobb orsó is, de sokkal lassabb a kelleténél és akkorát már nem lehet szabályozni a sebességen

Szóval a helyzet az hogy az eredeti szíj már laza és emiatt erőtlen a jobb orsó, a csere szíj pedig jó feszes de még így sincs elég ereje rendesen kihajtani...
(#) zolika60 válasza Udvari Zsombor hozzászólására (») Márc 26, 2018 /
 
A kuplungot vizsgáltad már?
(#) Udvari Zsombor válasza zolika60 hozzászólására (») Márc 26, 2018 /
 
Kuplung? A lendkerék felől nézve a jobboldali szíjtárcsa tetején van egy karika amit fekete menetes(?) valamin lehet meghúzni amitől mintha keményedne; meg a kazettafészek alatt play állásban rézlemez nekinyom egy filcet a baloldali orsó tengelyének.
(Délután leszek otthon különben körülírás helyett azonnal fotóztam volna a kérdéses részletet.)
(#) zolika60 válasza Udvari Zsombor hozzászólására (») Márc 26, 2018 /
 
Rendben várom a képet. Majd harminc éve volt ilyen masina a kezemben. Mechanikailag mindig is gyenge volt.
A hozzászólás módosítva: Márc 26, 2018
(#) Udvari Zsombor válasza zolika60 hozzászólására (») Márc 26, 2018 /
 
Ez lenne az. A lendkerék felől nézve a jobboldali szíjtárcsa amin azt a fehér karikát lehet meghúzni/lazítani azon a középső fekete valamin.
Továbbá a kazettafészek alatt lejátszáskor egy rézlemez nekinyom egy filcet a bal orsó tengelyének.

IMG_3149.JPG
    
(#) Fantasy válasza Istvanpisti hozzászólására (») Ápr 3, 2018 /
 
Unitra Mds-432 autostop probléma. Leírom, hátha más is beleszalad ebbe a hibába. Előzőleg a C 302 47µF-os kondit 100µF-ra cseréltem, ezzel úgy tűnt jó lesz, de pár nap múlva ismét jelentkezett a hiba. Műszerrel mérve a kivett 47µF-ot bőven jó, 58-60µF körül van, így aztán visszaraktam a helyére,a tranzisztorokat korábban már kizártam, ellenállások is jónak tűntek, maradtak a diódák. A D301 volt a bűnös, bár műszerrel mérve jónak mutatkozik, de az áramkörben mégsem volt jó.
(#) Istvanpisti válasza Fantasy hozzászólására (») Ápr 3, 2018 /
 
Örülök, hogy sikerült megtalálni az okot, érdekes, hogy a dióda volt a rossz.
(#) ferzolo válasza mapi65 hozzászólására (») Ápr 5, 2018 /
 
Szia István.
Bocsánat de valahogy nem jött értesítés hogy van hozzászólás.
Kérdésedre a válasz : igen mindkét irányban ugyan az a hiba jelenség .Megoldás nem született . viszont donor főpanellal tökéletesen működik .
Furcsa hogy már bekapcsoláskor világít kb. 3 másodpercig a vissza irány gomb melletti led. Ezért gondolom hogy a vezérlő ic valamiért nem resetel vagy hibás.
Üdv
Következő: »»   116 / 190
Bejelentkezés

Belépés

Hirdetés
XDT.hu
Az oldalon sütiket használunk a helyes működéshez. Bővebb információt az adatvédelmi szabályzatban olvashatsz. Megértettem