Fórum témák
» Több friss téma |
Nem mindegy, hogy a kimenti feszültség azért volt csak 3,3V, mert az OPA kimenete nem tud tovább felmenni, vagy kicsi az erősítés mértéke. Vagy a táp volt 3,3V és nem 5V..
A hozzászólás módosítva: Ápr 7, 2018
Kicseréltem az erősítőt MCP6022 - re, így -40°C - nál 10mV, 200°C - nál max. 4.5 V feszültséget mér a kimeneten. Ha az RV1 potit feljebb állítom, akkor 4.99 V a végső határa, de így a -40°C - hoz tartozó érték nem lesz jó.
Megpróbálom a másik kapcsolást, talán az jobb lesz. A hozzászólás módosítva: Ápr 7, 2018
Az RV1 potival, -40 fok esetén kellene beállítani a 0V kimenti feszültséget. (Vagy néhány mV-ra, mert nulla alá nem tud menni a kimenet, így nehezebb beállítani.)
Ez után 200 fokon az RV2-vel a végértéket. (Sajnos a kettő nem egészen független egymástól, mert a különbségképző nem egészen korrekt megoldás így. Tehát nem elég egyszer állítani a két potit.)
Hello! Egy ilyen megoldáshoz pld. mit szólnál?
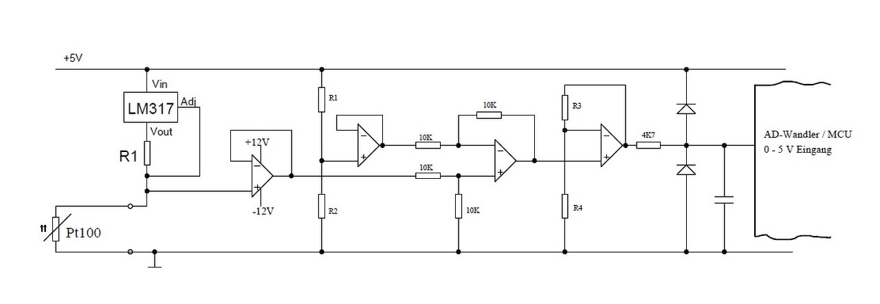
A TL431 biztosítja a Pt100 1mA-es állandó áramú táplálását és egyben a referencia feszültséget a -40°C beállításához. (A kiegészítő V+ V- tápokat és az OPA típusát ne vedd figyelembe, a TINA-ban nekem nincs Rail-to-Rail OPA.) Zavarszűrő kondik egyenlőre nincsenek a rajzon.. A hozzászólás módosítva: Ápr 7, 2018
Nekem tetszik. Ebbe is bele lehet rakni a vezeték kompenzálása még egy erősítőt, mint ennél a megoldásnál:
Hello! Igen bele lehet tenni a Pt100 teteje és az R3 közé.
Szia Proli007!
Jól néz ki! Megrajzoltam, kiegészítve még egy erősítővel a vezeték ellenállás kompenzálására ktamas által mellékelt rajz alapján. Kondenzátort kell még valahova tennem? Illetve még annyit, hogy - valószínűleg - az OPA nem tudja teljesen a 0 és 5 Voltot, akkor kell valamelyik ellenállás értéken módosítani ( a méréshatár 50mV és 4.95V között lenne)? Köszönöm a segítséged! A hozzászólás módosítva: Ápr 11, 2018
Hello! Egy pötty hiányzik a rajzról a 220ohm alsó felén. Egy-egy 100nF-os kondit tehetsz a B és C erősítő kimenete és invertáló bemenete közé. Ezzel csökken a zaj. Valamint az LM431 Katód és Gate pontja közé is tehetsz 1..10nF-ot gerjedésgátlás miatt. Az 5V-nak meg kell lenni. HA nincs meg, akkor kicsi az erősítés. A TL Gate (referencia pont) és az "A" kimenete között -40°C esetén nulla, míg 200°C esetén kb. -1V-nak kell lenni a Gate-hez képest. Így a "C" fokozatnak már csak 5-szörös erősítést kell beállítani. Ha kevés lenne az erősítés, a 47ohm utáni 1kohm-ot kell csökkenteni.
(Mivel nincsenek pozíció számok a rajzon így nehéz hivatkozni bármire is..)
Üdv Proli007!
Módosítottam a rajzot, remélem most már hibátlan. Valahogy így gondoltad?
Helló Proli007!
Szuper! Köszönöm a segítséget! Még abban tudnál segíteni, hogy a PT1000-rel kapcsolatban milyen értékű ellenállások kellenek (-40...+200°C hőmérséklet tartományhoz), esetleg kell _e még valamit változtatni a kapcsolásban? PIC 16f887 -hez szeretném csatlakoztatni, kb. 2m hosszú vezetékkel, +5V - ot használva referenciának. A hozzászólás módosítva: Ápr 15, 2018
Hello! Inkább így, egy kis módosítással valósítsd meg az áramkört. Természetesen a +-V nem kell, hanem Rail-to-Rail erősítők. (Pontosabban ez, csak a hátsónál szükséges.)
Szia Proli007!
Értem. Köszönöm a segítséget!
Üdv!
Ez a rajz végül működőképes lett? Illetve ha igen, kérdésem lenne, hogy a PT100 melletti 3db ellenállás, ami nincs jelölve milyen értékű kell legyen?
Üdv!
Nem engem kérdeztél, a rajz működőképességéről sincs tapasztalatom, csak annyit tudok segíteni, hogy a 3db ellenállás a PT100 vezetékének ellenállását reprezentálja. A kapcsolás a vezetéken eső feszültséget is ki akarja kompenzálni.
Szia!
Ja igaz is, olvastam pedig a működését, de erre nemgondoltam! Köszönöm a kiegészítést! |
Bejelentkezés
Hirdetés |




















