Fórum témák
» Több friss téma |
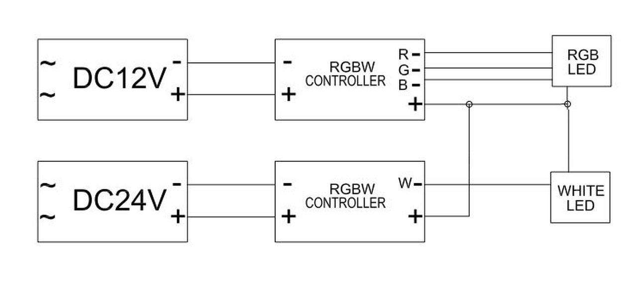
Mindkettotoknek valaszolva, a feher LED valoban 24Vos az RGB pedig 12V-os, ezert nem tudom egy vezerlorol jaratni, viszpont egy helyen vannak es szeretnek egy vezezeket sporolni. Koszonom a valaszokat. Csapeter, igen gondoltam az aramokra.
Spórolás gyanánt így jó lesz, csak megtévesztő a rajz, így kellett volna (melléklet). Persze csak akkor működik így a dolog, ha a két tápegység kimenete galvanikusan el van választva egymástól.
Igen a miertet nem tukrozte a rajz, de rohantam. A tap termeszetesen galvanikusan levalasztott ugyanis 2 kulon tap.
Koszonon.
Sziasztok, több helyről hallottam már, villanyszerelőktől és szaküzletben is, hogy a 230V-os LED-es izzók idővel "kinyírják" a mozgásérzékelő áramkört. Pontosan miért van ez és hogy lehetne megakadályozni valamilyen áramkörrel? (RC taggal esetleg - stb)
Azt nem értem, hogy a relés kapcsolókat is kinyírja-e, gondolom, azokat nem. (csak a triakos áramkört?) A tanács szerint a mozg.érzékelős lámpákba hagyományos izzót vagy legalább kompakt fénycsövet kell tenni, ami idővel nem lesz tartható... (hiszen azok lassan megszűnnek). HA van ilyen kérdés/téma, kérlek irányítsatok oda, én nem találtam... Előre is köszi.
Új a dolog számomra is. Szerintem hoax (az ilyenekre mindig harapnak az emberek), de legyen aki cáfol, szakmai leírással.
Egy LED-es áramkör szerintem sokkal kevésbé terhel, mint egy 400 W-os reflektor.
Szerintem keress egy másik "szaküzletet". Azokra a "villanyszerelőkre" pedig falvéséskor a sitthordáson kívül mást nem szabad bízni.
A "kompakt fénycső" semmivel sem mozgásérzékelőbarátabb, mint egy LED alapú villanykörte. Ellenállás, egyeniránító, kondenzátor, DC/DC konverter. (Néha az egyenirányító és az ellenállás helyet cserél, de ezzel vége). Ez a sorrend minden ilyen fogyasztóban. Még mindig korrektebb, mint az izzólámpa nagyjából tizedakkora hidegellenállása. A hozzászólás módosítva: Dec 6, 2016
Nagyon köszi.
Én is efelé hajlok. Azért ellenvéleményt még várok, ha van... Ezt a fórumtémát most már legalább "referencia link"-ként fel tudom használni. Egyébként a többek közt a Mentavill-nál mondták. (Ha vki felhívná őket és ártatlan hangon megkérdezné, hogy milyen izzót ajánlanak az ilyen lámpákba (és MIÉRT), megköszönném (és beszámolna a tapasztalatról) Engem már ismernek ) Csak ha gondoljátok... Persze lehet, hogy épp más veszi fel, aki ért hozzá... tel.:0036-1/2-195-680 (csak azért, mert amit 2 ember is tapasztal/hall, az mindig hitelesebb) Nekem azt mondták, a LED elektronikája "visszadumál" a kapcsoló áramkörnek. - Lehet benne valami? - Nyilván relé esetében nem. Egyébként nem reflektorról van szó, hanem erről:Mentavill mozgásérz. lámpa Köszi a válaszokat. (Azért el tudom képzelni, hogy esetleg bizonyos silányabb tervezésű kapcsolóáramkörökre így hat...)
Szia.
Nagyon profi helyen jártál... A MentaVill egy fokkal jobb, mint a MixVill. Annyi tartozik az igazsághoz, hogy váltakozó feszültségen a legkönnyebben "kezelhető" fogyasztó a tisztán ohmos jellegű (fűtőbetét, izzószálas fényforrás). Ezek kapcsolása 50Hz-en ideális. Egy kapcsolóelem érintkezőjét kevésbé viseli meg, mint egy induktív vagy esetleg kapacitív jellegű fogyasztó. Induktív jellegű fogyasztó többféle lehet klasszikusan. Villanymotorok általánosan. Ezek kapcsolásakor az induktív jelleg miatt (most nem részletezem) a kapcsolóelem érintkezője jobban igénybe van véve. Kikapcsoláskor például szép kis vet húz, megrövidítve annak élettartamát. Az elektronikus fogyasztók, (melyekben a tápegységben egyenirányítás után van egy jó kis kondenzátor) kapcsoláskor szintén "kellemesen" viselkednek. Lásd kondenzátor töltése. Ez jelenthet problémát a mozgásérzékelőben lévő relének. Főleg, ha az "ócó" kivitelű és alapvetően még izzó kapcsolására is alig alkalmas. Jelen esetben a silány mozgásérzékelő termék az ami inkább lehet a probléma forrása.
Sziasztok,
remélem jó topic-ba írok. Nemrég vettem egy LED neon néven hirdetett valamit. Két fajta adapterrel rendeltem, külön lehet(ne) működtetni 2 x 1.5 v vagy 12 v tápról. Ezidáig csak a 2 x 1.5 voltos adapterrel működik rendesen, de az áramkör sípoló hangot ad ki. Tudna valaki ehhez a fajta világításhoz valamilyen tápot ajánlani, egyáltalán mekkora feszültségről működtethetők? Sajnos a műszaki paraméterekről nem érdeklődtem előtte, az áru megjött, és jó lenne ha korrektül tudnám használni őket. Köszönettel, J.
A 12 Vos tápegység működik egyáltalán? A sípolás maradni fog, ha minden igaz.
Ez egy EL-wire, aminek a magyar nevén még késhegyre menő vitákat tartanak a nyelvtannácik. Váltóáram szükséges a működéséhez, az ezt előállító oszcillátor transzformátora nincs eszményi módon összeszerelve. Ez semmilyen működésbeli hátrányt nem jelent. Ha aludni akarsz mellette, meg lehet próbálkozni prafinfürdővel. Mivel autós célra gyártják, általában észrevehetetlen a fütyülés.
A hozzászólás módosítva: Dec 24, 2016
Köszönöm. A 12 voltos adapter egyáltalán nem működik, pedig lenne jó pár egyenáramú tápom a működéséhez. De akkor házilag nem is lenne olyan egyszerű egy működtető tápot létrehozni.
Fellelhető valahol valamilyen kapcsolási rajz, vagy irodalom ehhez az EL-wire-hez?
Megoldottam.
2 vagy 3 féle adatlap van a neten nem egyforma időzítéssel.
Sziasztok.
Segítséget szeretnek kérni. Egy pár hete foglalkozok a ledek forrasztásával és beépítésével kis helyekre. A lényeg hogy minnél kissebb ledet és áramforrást kell használnom. Gondolok itt smd 0603 led és egy 3V 2032es gombelem meg 0.1mm-es lakkozott rézszallag. A kérdésem az lenne hogy miért van az ha 2 piros ledet és 2 fehér ledet párhuzamos kapcsolással az elemhez kötöm akkor vagy csak a piros vagy csak a fehér ledek égnek? Egyszerre nem. Pedig az lenne a cél. Vagy hiányzik még valami? És ugyanez a helyzet egy 3mm-es led égővel is. A válaszokat előre is köszönöm A hozzászólás módosítva: Jan 21, 2019
Nézd meg az alkalmazott LED -ek adatlapját. A feszültség - áram karakterisztika exponenciális jelleget mutat. Egy un. üzemi feszültség alatt minimális, az üzemi feszültséget meghaladó nyitófeszültség esetén jelentő áram folyik. A piros led üzemi feszültsége alacsonyabb, mint a fehéré. Ha két piros led -et sorba kötve egy 3V -os elemre kötsz, az led -eken átfolyó áramot az elem (és a hozzávezetés) ellenállása határozza meg. A két led -en mérhető feszültség (2 * 2,0 .. 2 * 3.0 V) nem közelíti meg a két sorba kötött fehér led feszültségét (2 * 3,0 ... 2 * 3,6 V). Ha rosszul választod a fehér led -et, megeshet, hogy egy darab is csak pislákol 3V -ról.
A hozzászólás módosítva: Jan 21, 2019
Bár a 2032 méretű elemek belső ellenállása elég nagy, hogy ne engedje a ledek öngyilkoságát, nem ajánlott áramkorlátozás nélkül használni. Ledenként egy előtétellenállás megoldja gondodat.
Párhuzamos kötés esetén, (főleg, ha eltérő színűek a ledek) a kapocsfeszültséget az alacsonyabb nyitófeszültségű határozza meg. A piros nyitófeszültségén a fehér nem tud kinyitni, nem folyik rajta értékelhető áram: nem tud világítani. A hozzászólás módosítva: Jan 21, 2019
Köszönöm szépen a gyors válaszokat. Sajnos nagyon kezdő vagyok és nem értem még a leírtakat. Akkor ez azt jelenti hogy külön áramforrásról kellene működtetnem a két fajta színű ledeket? Vagy van valami trükk? Vagy lehet hogy csak fehér led-eket kellene használnom
A legegyszerűbb (leggyorsabb neked) ha csak fehér ledeket használsz, és a végén egy vízálló filctollal beszínezed azokat a ledeket (pirosra, kékre, stb) amiknek nem fehéren kellene világítaniuk.
Leddel sorbakötve egy ellenállás, közvetlenül nem szabad bekötni.
Ez az alap, ettől nem érdemes eltérni. A magyarázatot felejtsd el, ha nem érted, majd csak megjön annak is az ideje, hogy megértsd. A hozzászólás módosítva: Jan 21, 2019
Ahogy írták itt előttem, előtét ellenállás nélül nem ajánlott. Lehet, hogy megy, de ez a feszültségforrás belső ellenállásától függ, hogy tönkremegy-e rögtön vagy csak kicsit később.
Általában csak később, de akkor is idő előtt. Hiába is ajánlanánk egy LED alőtét ellenállás kalkulátort ha nem érted miért. Ehelyett ajánlok olyat ami le is írja mi miért van. Persze nem árt ha legalább az ohm törvényt ismered. Itt van pl Skory weblapja itt le is írja hogy működik a dolog. A LED-ek paraméterei (nyitófeszültség, nyitó irányú áram) megtalálhatók a LED adatlapján. A hozzászólás módosítva: Jan 21, 2019
Nagyon köszönöm a segítséget. Megfogadom a tanácsokat. Olvasni és próbálgatni fogom a dolgokat.
Sziasztok.
Másik kérdésem is lenne. A beforrasztott kis Led-eket szeretnem úgy rögzíteni, hogy azok ne mozduljanak el. Szeretnem a hézagokat kitölteni hogy a forrasztás stabil maradjon. Van-e valamilyen specialis anyag kimondottan erre a célra , vagy aki Led-ek forrasztásával foglalkozik, ők mit használnak? Válaszaitokat és a segítséget előre is köszönöm.
UV fényre kötő ragasztó jó lehet. Amíg nem világítod meg a területet, folyékony a ragasztó. Nem is olyan rég teszteltem párat, működnek. Igaz, egy hátránya mindegyiknek van (legalábbis azoknak, amelyeket próbáltam), a keményedés után a ragasztó felületén valamilyen étolaj sűrűségű anyag marad. Maszatol, kenődik...
Milyen kis ledekről van szó? SMD, 0603 méretű LED már elég nehezen mozdul el.
A hozzászólás módosítva: Jan 24, 2019
Igen smd 0603-as Led-ek. Kis helyre építem be, és elég tartósnak kell lennie. Nem lehet nagyon szétszedni utána és javítani ha a forrasztás elengedne a mozgatástól. Ezért kell rögzítenem. Folyékony gumiragasztóról mi a véleményetek?
Biztosan rosszul képzelem el a dolgot, de a ledet (szerintem) a forrasztás megtartja. 4-5g-t el kell viselnie. Nem a ledet, hanem a vezetőt, panelt kellene rögzíteni.
|
Bejelentkezés
Hirdetés |






) Csak ha gondoljátok... Persze lehet, hogy épp más veszi fel, aki ért hozzá... tel.:0036-1/2-195-680





