Fórum témák
» Több friss téma |
a zener hány mA-rel terhelhető? Van beépítve egy fesz mérő, ami kb 20mA-t fogyaszt.
A fesz mérővel mit szeretnél mérni? Az 555 tápját? Nem hiszem, gondolom az akku feszültségét, így erre nincs hatással. A feszültség mérőt az akkura kötöd, ez a stabilizátor meg az 555-nek csinál 12V-ot.
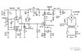
Az 555 kimeneti jelszintje oké (ennek értelmében a tápja is oké kell legyen), a kitöltés teljesen rossz.
Ellenőrizd le kiszedve, vagy egyik lábát kiemelve multival az R1, R2 értékét, valamitn a D1 et dióda állásban! Ha összecserélted az R1 et az R2 vel az magyarázná a rossz kitöltést rajz hozzá A hozzászólás módosítva: Feb 14, 2019
Nem csoda hogy melegszik, van vagy 40% a kitöltés, ettől jóval kevesebbnek kellene lennie. Nézd meg hogy a 7812 nem krepált-e be, megvan-e a 12V tápfesze az IC-nek. Ha igen, akkor is tegyél sorba egy teljesítmény zénert a stab IC elé, mert a 36V az nagyon sok neki. Keress valami 1W-os zénert 4,7-12V között és kösd sorba a stab IC tápjával, így az IC a zéner feszültségével kevesebbet fog kapni.
Aztán ha a tápfesz rendben van, akkor meg kell nézni hogy miért ilyen nagy a kitöltés. Szerintem a felső ellenállás (7-es és 8-as lábak között) nem jó értékű, vagy esetleg az ami a potival sorban van.
A 7812 előtt egy ellenállás-zener -rel kellene a bemenőfeszét lejjebb húzni.
A hozzászólás módosítva: Feb 14, 2019
R1, R2, D1 rendben van. Nem volt vele gond. Lehúztam a 7812 tápfeszét 32 voltra, így látszólag a zavar eltűnt a jelből a töltő kapcsokon is, viszont a kitöltés maradt 35% poti letekerve. Cseréltem az 555-öst is de akkor is 35%. A7812-es kimenetén és az 555-ösön 12V van mostmár. Akkuval még nem tudtam kipróbálni.
Elképzelni nem tudom, hogy mi baja lehet. Egy próbát megérne még, hogy a C1-re alulról tegyél még rá egy 1000-2000µF-ot, és ellenőrizd újra a kitöltést.
Teljesen biztos hogy nincs rendben. Berajzoltam a szimulátorba, és itt is a tőle elvárhatót teszi. A C2 10µF felelős főként a frekiért de ha jól emlékszem az rendben van. Az R1 és a P-R2 soros eredőjének aránya határozza meg a kitöltési tényező nagyságát.
Tehát, 4 eset lehetséges: 1. Az R1 nem 2k2 hanem jóval nagyobb értékű, 2. az R2 nem 22k és talán a poti értéke is eltérő, 3. precíziós foglalatban van az IC és az szivat, az szokott olyat csinálni, hogy ellenállás mérhető a két szomszédos lába között, 4. valahol valami kosz, ón, gyanta, akármi maradvány van, ami ott nem kívánt ellenállást képez És még lehet egy, hogy hibás maga az 555, de ennek nagyon csekély esélye van, szinte nulla. Amíg nem olyan arányú jelet látsz a szkópon mint amit a szimulátor mutat, addig ne is kösd rá még csak a fetet se az 555-re. Kezdetben vedd ki a potit is, csak az R2 legyen a diódával párhuzamosan.
Szia! Délután összedobtam próbára a töltőt félig légszereléssel, az 555-ös bontott panelen. Tökéletesen működik. A trafó 2×12V-os kb 50VA lehet. Akku nélkül 38V van a pufferen, a D2 diódát a trafó középkivezetésére kötöttem, így csak 17-18V van a 7812-n. A FET IRFZ48N, ilyet találtam itthon, source direkt a testen, nincs R8. Az 555 3-as lábán 330Ohm az ellenállás, az R2 és a poti helyett fix kb 72kOhm van. A többi kb a rajz szerint. A led úgy 2 sec alatt 3-at villan. Akkut rátéve halk kattanás hallatszik a FET felől. A puffer 40V 4700uF, ez minimálisan langyos, a FET hideg. Ennek az áramkörnek működni kell, ha jók az alkatrészek.
Üdv!
Azt hiszem meglett a hiba oka. Egyrészt túl magas tápfesz. a 7812-n, másrészt az R1 és az R2 össze volt cserélve. A letölthető .lay fájl hibás. Mostmár minimum poti állásnál kb 5% maximum állásban kb. 10% a kitöltés. Akkuval még nem tudtam tesztelni. Köszönöm Mindenki segítségét!
Sziasztok!
Mit javasoltok egy olyan embernek, aki rég épített bármilyen nyáklapot is? Már azt se tudom mi az a maró folyadék ami elintézi. Tehát akku aktivátort szeretnék már. Legalábbis nagyon elgondolkodtam rajta. Hátha helyre tudnék hozni 1-2 aksit. Mert már nagyon unom hogy 4-5 évente kivégzek egyet. Fő oka meg az, hogy kicsi a generátorom is (gyárilag). Rajta vagyok már, hogy cserélem 65A-esre, de fehér holló. Szóval, tudtok-e javasolni v.mi megépített gépet (lehetőleg "kis" pénzért)? Vagy v.mi egyszerű nyákot, pár db alkatrészből. Beforrasztásokkal elbíbelődöm, de tényleg rég elektronikáztam, és ilyen mélységekbe menően sosem, ahogy Ti itt. ![]() Előre is köszi!
Ha megnézed 4 hozzászólással feljebb a kapcsolást akkor abból látható, hogy nem kell ennek semmilyen nyákot sem készíteni. A graetz, a puffer meg a sönt ellenállás elvannak a trafóra forrasztva. A fetet úgy is hűteni kell, rácsavarozod mondjuk a dobozra, gondolom lemezből lesz, ha nem, akkor kerítesz neki valami kis hűtőbordát. Az 555-öt és a körülötte lévő pár alkatrészt én egy kis pici próbanyákra tettem, de még az sem muszáj, beteszed egy foglalatba, ráforrasztod a lábakra azt a pár alkatrészt, azt meg a FET lábaira és kész is. A potit meg oda vezetékeled, de a poti sem létkérdés mert egyszer beállítod utána azt sem kell már tekergetni, kicseréled fix ellenállásokra. Én sem csináltam neki nyákot, minek.
Köszi! Akkor csak megoldom. -Dobozolás a legkevesebb egy kasznisnak. A többi miatt aggódtam picit.
Ha elakadok, sikítok.
Üdv!
Egymás utáni regenerálások között le kell meríteni az akkut? Ha igen, akkor hány Volt kapocs feszig?
Igen, jót tesz neki. 1,75/cell=10,5 V még nem okoz károsodást. Tárolni, viszont lemeritett állapotban, nagyon nem szereti.
Le szoktam 10V alá meríteni. Ez nem azt jelenti, hogy látom ahogy a terheléssel lemegy a műszer 10V alá, mert ilyenkor ha leemeled róla a terhelést, az akkufesz visszakúszik akár 11V fölé is. Hanem azt jelenti, hogy ha leemelem róla a terhelést, és ráteszem a multimétert, akkor sem kúszik fel az akkufesz még 10V-ig sem. Na ilyenkor amikor elértem ezt az állapotot akkor teszem rá a szulfátoldót.
Rádobtam egy 12V/40W izzót, hagy merítse. Kíváncsi leszek mikor tudom újra töltőre rakni.
Azért nézz rá gyakran, mert az izzóval nem nehéz túlmeríteni.
12/240 V-os inverterel, az lekapcsol, ha nem figyelem is.
Ja értem, nekem nincs ilyen. Akkor majd figyelek.
Műterheléssel, de merítettem izzóval is, nem az a lényeg, hanem hogy ne merítsd túl, adott idő után gyakran rá kell nézni. Vagy lekapcsoltatod elektronikusan valamivel, de az pont azért nem jó amit írtam. Lekapcsol, a fesz meg visszamászik 11V köré, olyan mintha nem csináltál volna semmit. Tartósan 10V alá kell meríteni, utána egyből mehet rá a töltő. A dolognak ezt a szakaszát felügyelni kell, nem lehet megúszni. Vagy a végeredmény is olyan lesz. Van egy akku, igaz hogy éppen hogy csak, és nem napi használatú autóban, de a harmadik telet is kihúzta a szulfátoldózás óta.
A terhelés megszüntetésével, szinte azonnal kis idő múltán "vissza kell másznia" 12v köré, amennyiben jó az akku.
Nem kell. Akkor az valami örökmozgó, nem akku. A merítésnek pont az a lényege, hogy nem kúszhat vissza a feszültsége. Ha visszakúszik akkor nem lett lemerítve, ergó, az azt követő folyamat sem fog sokat érni. Tudom, mert ezt végigjártam. A nem kellően lemerített és szulfátoldózott akku a következő telet is alig bírta ki, a másik meg már legalább kettőt, meg van ami már hármat. Az enyém pl. 9 éves volt amikor végleg kidobtam, de ha volt +5 fok abban még indított.
No hát ezt nem tudtam, nem mertem soha terhelt 10,5V alá menni. 8 évesen cseréltem én is. Azt az akkut amivel játszottam.
Hogy ezt elérd, mélykisütésbe kell vinned az akkut...nem? Mennyi az az idő, amíg 10,5V alatti feszültségen van úgy, hogy terhelés nélkül nem emelkedik vissza a feszültség? Illetve mennyire megy le közben a feszültség?
Honnan tudjam? Néhány perc. A feszültséggel 9,5V környékére szoktam lemenni, és az stabilan annyi is, nem kúszik fel ha leemelem róla a terhelést. Utána ráteszem a szulfátoldót és töltöm egész nap, éjszaka pihi, mert nem hagyom felügyelet nélkül. Másnap újra ráteszem, szintén rajta van reggeltől estig. Majd harmadnap is ráteszem, és ha már nem emelkedik a feszültsége akkor abbahagyom, megy vissza a helyére. És teker ahogy kell.
Sziasztok!
Én is gyártottam egy PIC vezérlésű töltőt, amely (egyelőre) 3 sec periódusidővel, 3 msec / 75A pulzusokkal dolgozik rá egy leromlott 55 Ah 12V akkura. Mit várjak tőle, mire figyeljek? Egy hete van rajta, ezalatt 12,11V-ról felment 12,74V-ra. Szándékom szerint rajta akarom hagyni még 1 hónapig. |
Bejelentkezés
Hirdetés |















