Fórum témák
» Több friss téma |
Mielőtt kérdezel, a következő két dolgot ellenőrizd!
I. A helyes tápfeszültségek megléte.
II. A kimeneten van-e egyenfeszültség.
Élesztés.
Mek-Elek
Helyett Én Azért a táp elkókat cseréld ki --- Öregek már (3300µF/63V)!!! Azért újra és újra megtanúljuk hogy "A TISZTASÁG FÉL EGÉSZSÉG!" A hozzászólás módosítva: Ápr 22, 2019
Miért is? könnyen meglehet, hogy az "öreg" elkók jobbak, mint amit most teszel bele.
A tisztaság fontos dolog, de hogyan látsz az elkók belsejébe? MÉRÉSSEL! Bambán cserélgetni, meg marhaság, autószerelő szokás. Azok szoktam mérés nélkül csereberélni, tisztelet a kivételnek, de az elég ritka. De ez nem az a szakma.
Na ez szívathatott volna addig amíg mindent ki nem cserélsz rajta.
Szia!
Én úgy gondolom, hogy ha cserélni kell az elkót, akkor annak oka van. Nem az az oka hogy régi, hiszen az autó küszöb is elrohad. Nem azért rohad el mert vasból van, és nem azért mert sok éves, hanem mert rossz technológiával készült. Az elkó is ilyen. Ha megértjük mi az elkó, és ezt konkrétan inkább a gyártóknak kellene figyelembe venni (talán figyelembe veszik, és ennek ellenére), akkor nagyon hoszú üzemórás elkókat lehet gyártani. Itt csücsül előttem egy Selmer 100W-os csöves erősítő, amin cserélni kellett a jack aljzatokat. Csövet már megevett sokat, de négy vagy öt éve egy csövezésnél sikerült kiméretni a kondenzátorait. Teljesen rendben vannak, pedig 1965-ben készült az erősítő. Az elkók talán már a raktárban pihentek előtte is pár éve. Persze van kontra is, mert van hogy 10 évet nem bír ki egy.
Bocs hogy csak mellékletben válaszolok, de lusta vagyok!!!
Szia !
Egyszer már válaszoltam, de nem jött át! A TISZTASÁGRÓL keress vissza DIÓDA már megtalálta a koszt! A régi kondik tényleg tartósabbak VOLTAK az újaknál, akár 30évet is bírtak, a mostaniak 3 évet se-nagyon. (DE EZ MÁR NEM VÉLETLEN, -----EZ ÜZLET)
Ha trafót is kellett tekerni akkor ott nem volt rendesen bizti sem, a kondi meg ha formázva, hasznáva volt akkor ritkán megy zárlatba egyik pillanatról a másikra bár persze előfordulhat.
Kedves pucuka!
Nem szeretek vitatkozni, meg erősködni, meg a magamét hajtogatni, de megtévesztőnek tartom a MÉRÉSI felvetésedet. Ugyanis megnézném, hogy mit mivel, és miért mérsz. Ha valaki nem hányt egy gyomorvérzés miatt, és az orvos megméri a vérnyomását, az nem lesz elég a tényleges baj megállapítására. Szóval szép dolog, ha valakinek van egy mérője, és tud vele bánni, azonban lehet, hogy az nem megfelelő a tényleges probléma feltárásához, és mást is kellene mérni, hogy elkerülhető legyen a nagyobb probléma. Tudod ilyenkor Semmelweis Ignácnak érzem magamat a hajdani szülészeten, a (mérő) professzorok között (pedig csak kezet kellene mosni). A hozzászólás módosítva: Ápr 22, 2019
kicsiszivem!!!
éltél már Te 1972-ben? merezakondiakkorszületett miafütyitvársztőle???
Bocsi ozpecsBÁCSI!
Adatlapod szerint Kb 10 évvel öregebb vagy mint én. Hatalmas felhamozott (remélem nem feleslegesen) tudásodat igénybe véve segítségedet kérem az alábbi kapcsolás GYAKORLATI ALKALMAZÁSÁHOZ! ELŐRE IS KÖSZÖNÖM! Kovács László
Ha egy kondenzátornak meg tudod mérni a kapacitását, és a veszteségi ellenállását, (pl. LCM3) Már beljebb vagy.
De kiépítés nélkül mérsz rajta egyen, és váltakozó feszültséget, el lehet dönteni, hogy mennyire jó, kell-e cserélni, vagy nem. Egy nyavalyás multiméterrel, ami azért nem nagy ügy. Azért nem árt tudni azt sem, hogy egy alkatrésznek milyen jellemzői vannak, és azt hogyan lehet, kell mérni. Meg kell tanulni, tudom a tanulás nehéz, fáradságos, és időigényes, de nem megkerülhető, különben marad a találgatás, a gányolás. A hasonlatokkal meg vigyázni kell, elég nehéz olyan hasonlatot találni, amely akár jól lefedi az adott problémát.
Egyszer láttam hogy ilyen barna kettőnek a teteje és még csak most jutottam oda hogy leszedjem a tetejét. Működni működik, csak gondolom ez már valaminek a jele lehet amit lehet időben kéne kicserélni.
Kondenzátorokat szeretnék cserélni ha esetleg szükséges, csak megkérdeztem itt is, mielőtt elviszem a szerelőhöz hátha itt máshogy látják. (Alapból nem ezért akarom elvinni a szerelőhöz, hanem mert alapból van egy kis bugása ezeknek az erősítőknek gyárilag, és a szerelő már csinált ilyet, meg tudja ezt oldani.)
Drága kicsi fiam
van még olyan a 30-as években készült rádióm ami némi restaurálás után amikor utoljára pár éve bekapcsoltam még müködött és amugy sok régi MM elkót méricskéve némi formálás után hibátlanul müködnek és igen van ESR mérőm is vagy 3 féle legalább A hozzászólás módosítva: Ápr 22, 2019
Na kitöröltem a hozzászólást, pedig mégiscsak
A disszipációcsökkentés miatt a felső IC a kivezérlés függvényében ad magasabb tápot az alsó végfok IC-nek ha nagyobb a kivezérlés akkor megy nagyobb tápról a végfok mint a H topológiánál általában...Ez még analóg sima végfok ma már inkább D osztályúval oldják meg a hasonló feladatokat A hozzászólás módosítva: Ápr 22, 2019
Szia! Az IC-k adatlapjaiban nem találok elegendő információt a MUTE és a STBY bementek kezelésével kapcsolatban, szerintem ez a gondja a kérdezőnek.
A STBY-t aktivitását lehet látni az áramfelvételből és gondolom a MUTE hasonló srófra jár, szerintem próbálgatni kéne.
Na annyira nem néztem azok feszültségszintjeit, ezzel csak akkor foglakoznák ma már, javítani kellene max , amugy egy D osztályut inkább be kell tenni és kész
Disszipáció alig....
Kedves pucuka!
Nem vitatnám hasonlatom helyességét, de a gányolás kifejezésed elgondolkodtató. Az én véleményem szerint, egy ilyen régi készülékben egy egy kimért rossz alkatrészt kicserélni a gányolás. Kivéve, ha valaki a készülék korának előnyét abban látja, hogy időnként újból szétszedheti, és méregetheti az időközben sorra elhasználódott alkatrészeket benne. Az autón sem azt az egy kereken kell cserélni, ami esetleg elkopott, hanem legalább párosával.
Annak a foltnak a kép alapján nincs köze a kondihoz. Rá volt valami ragasztva, aminek a ragasztó maradékát látod. Az alatta lévő műanyag lapocskának látszólag semmi baja.
Ha egyéb jel nem utal bármiféle hibára, akkor nincs okod a kondikat piszkálni.
Egy kimért rossz alkatrészt kicserélni nem gányolás, hanem javítás. A gányolás az, amikor minden külső ok, indok nélkül csereberélünk alkatrészeket. Az nem ok, hogy öreg, az nem műszaki paraméter. Van MTBF (két meghibásodás között eltelt idő), de az is statisztikai mérőszám, és aránylag jól tervezhető.
Elhasználódni mechanikai igénybevételnek kitett alkatrészek szoktak. A hozzászólás módosítva: Ápr 23, 2019
Idézet: És a félvezetők is, mert ők is elhasználódnak, mert egyszer csak azt mondja hogy pukk. „Elhasználódni mechanikai igénybevételnek kitett alkatrészek szoktak.”
A germánium félvezetők a fiók mélyén is degenerálódtak. A nagy műgonddal bediffundált szennyező atomok elvándoroltak szobahőmérsékleten is, megváltoztatva az eredeti félvezető szerkezetet. Szilícium alapúak nem hajlamosak erre. Azok a kis százalékban eleve gyártási hiba miatt tönkrement félvezetőkön kívül mindig külső ok volt az elhalálozás oka. Bár ha nem csak a lapkát, hanem magát az egész tokot vesszük figyelembe, akkor az idő vasfoga itt is munkálódhat. Egy TO3 tokozás lába berozsdásodhat, és a tokozás felé valami vezető hidat képezhet. De ez is a kontár szerelésnek köszönhető inkább, mint az alkatrésznek. Az izzadt kézzel fogdosott, savas folyasztószerrel forrasztott, dohos fészerben tárolt készülékeknél minden bizonnyal gyakori. Egy áramkörben ha már ilyen állapotú egy tranzisztor, akkor már minden más is csereérett.
Kedves pucuka,
Neked, és nagyra becsült baráti körödnek, mondanám e témát utoljára, Az előbb említett javítási "gányolást" a javítás tényleges szempontja szerint említettem. Egy öreg készülékben az alkatrészek bekrepálása csak idő kérdése, ha az első már meg van. Ő csak a sort nyitja. Azonban egy elektrolit kondenzátornak számost tulajdonsága befolyásolja egy erősítő hibátlan működését. Amit Ti nem hiszem, hogy megszoktok mérni. Például a dinamikus tulajdonsága. Mennyi idő alatt töltődik fel a tényleges kapacitása környékére, és mennyi idő alatt tudja azt leadni. Nem elvileg, hanem gyakorlatilag az az adott alkatrész. A másik, kiforrasztasz egy öreg alkatrészt, egy + hőterhelés, megméred, és elégedetten visszaforrasztod. Így mérésed már hiteltelen, mert a második visszaforrasztási hőterhelés utáni változásokat nem detektálod annál az öreg épphogy még élő kondenzátornál. Nem beszélve a panelra szerelt hűtőfelületekről. Meg ugye manapság, már szó volt róla, a zenei felvételek hangerejét a stúdiókban igencsak feltekerik. A felvételek dinamikája is veri a 100dB-t. És ezt ráengedni egy össze vissza csereberélt elektrolit kondenzátoros erősítőre, nem tartanám szakszerűnek. Az ilyen gépekben nagy valószínűséggel impulzusszerűen elmásznak a munkapontok nagyobb hangerőnél, És csak idő, és alkalom kérdése egy nagyobb meghibásodás. Már azt is problémának gondolom, hogy egy 5-10 éves készülékben elromlott kondenzátor cseréje esetén a többihez mérten megfelelő minőségű kerüljön, és (+-)-os táp esetén, ha rossz, ha nem a párját is ugyanarra a típusúra kellene cserélni, már csak az öregedési tényezők miatt is . De egy ilyen matuzsálemnél feleslegesnek tartom a méricskélést, mert az összes cseréje indokolt a kora, az ilyen készülékekbe szokásos minőség, és az eredeti állapotának megközelíthetősége miatt.
Sziasztok!
Véleményt szeretnék kérni tőletek. Házimozi végfokot szeretnék építeni (9 vagy 11 csatorna) csak a végfokpanelekkel vacillálok mi legyen. Ezt néztem ki magamnak: L15 MOSFET Amplifier Ez megfelelő lehet, vagy hol van ebben a buktató? Vagy maradjak a jól bevált ST151-nél? Segítségetek előre is köszönöm! A hozzászólás módosítva: Ápr 23, 2019
Idézet: „Meg ugye manapság, már szó volt róla, a zenei felvételek hangerejét a stúdiókban igencsak feltekerik. A felvételek dinamikája is veri a 100dB-t.” Azért szeretném ha mutatnál nekem egy 100 dB-es dinamikájú felvételt. Szívesen meghallgatnám...
Sziasztok,egy kis segítségre lenne szükségem.
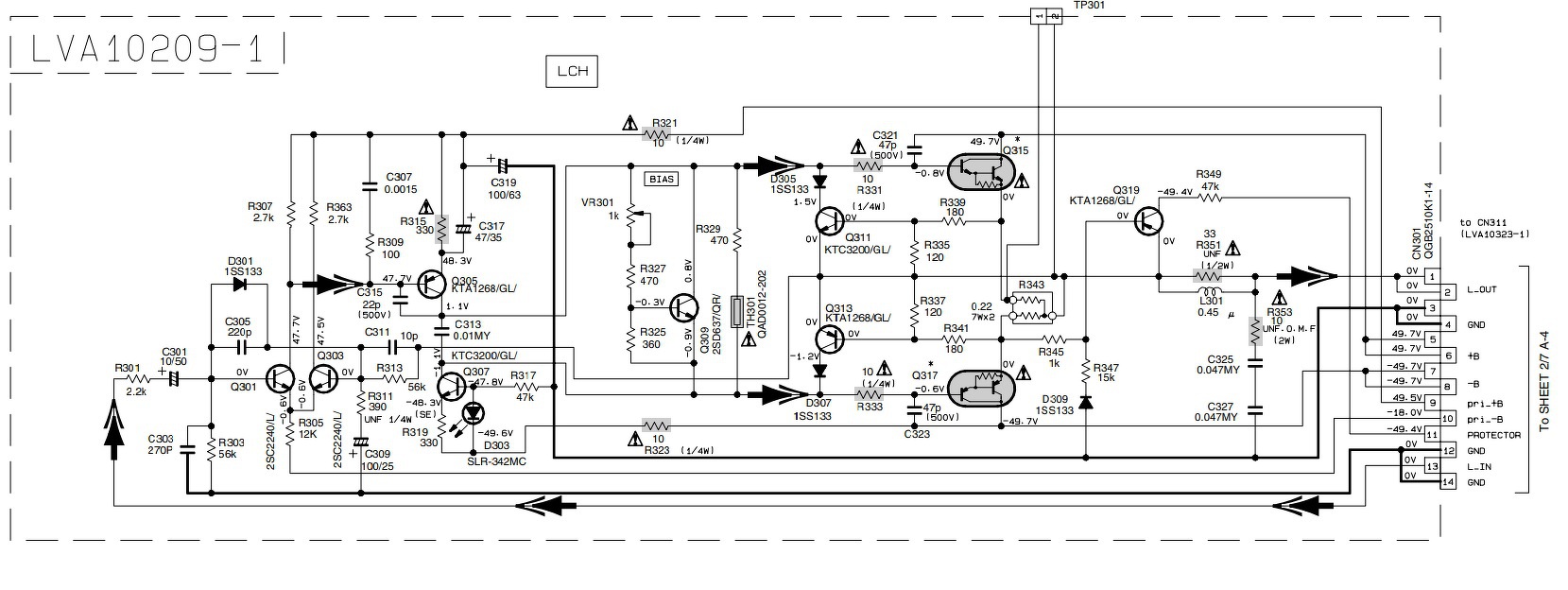
Van itthon pár darab JVC 5.1-ből bontott végfok panelem,Ezt szeretném meghajtani. Szimmetrikus Transzformátorom az van hozzá,a panelen a kimenet és bemenet,valamint a + - Gnd is megvan.Az lenne a kérdésem,hogy a Pri +B és a Pri -B,illetve Protector pin re pontosan mit kell kötni hogy feléledjen? Csatolt képen látszódnak az adatok.
Szia! A pri_+B pontra köss pozitív tápot! A pri_-B-re vagy Zener dióda segítségével állítasz elő -18 V-ot a negatív tápból, ahol a Zener előtétellenállást 10 mA-re méretezed, vagy csak egyszerűen egy ellenállást kötsz a pri_-B és a -B közé, amin 1,5 mA folyik. Az ellenállást értéke mindkét esetben az aktuális negatív táp és a 18 V különbségének és az ellenálláson folyó áramnak a hányadosa.
Köszönöm a válaszod,és a Protector ra akkor értelemszerűen negatív táp,vagy hagyjam üresen?
Ha van hangszóróvédelmed, akkor segítek bekötni, egyébként szabadon hagyhatod, vagy mehet a negatív tápra.
Rendben,köszön szépen a segítséget,délután összekötöm és kipróbálom.
|
Bejelentkezés
Hirdetés |






van még olyan a 30-as években készült rádióm ami némi restaurálás után amikor utoljára pár éve bekapcsoltam még müködött

